Fórum témák
» Több friss téma |
Fórum » Kapcsolási rajzot keresek
Témaindító: Kallai Csaba, idő: Márc 11, 2006
Témakörök:
Nem üres az, csak most "premium"(fizetős) letöltést engedélyez, szerencsémre nekem sokminden megvan onnan, ami nekem várhatóan érdekes lehet.
Kedves gkari,
köszönöm az információt. Jó egészséget kívánok! Üdv. havasa.
Elküldöm Email-ba(-be), szívesen, de csak az egész ÉK-t tudom, ami 38Mb PDF, vajon átmegy?
Ha nem menne át, itt lesz a két oldal.
Sziasztok! Keresem a Viszék gyártmányú UNI 100/12-24 akkutöltő kapcsolási rajzát!
Köszönettel: 6c4c
Sziasztok! Keresném wangine WA 7800A sztereo erősítő kapcsolási rajzát . Néhány ellenállás elfüstölt benne és nem tudom az értékét!
Előre is köszönöm ha valaki tud segíteni!
Kedves gkari,
mps barátunk szíves segítségétől függetlenül: próbáljuk meg! Legalább gyakorolom a számítógép kezelését /70 évesen/ és ha sikerülne, kicsit nosztalgiáznék az Évkönyvet bogarászva.. Üdv. Adolf
Sziasztok!
AL60DV 1411 12V bosch akkutöltő kapcsolási rajzát keresem. Minden segítséget köszönök!
Üdv mindenkinek!!
Sürgősen kellene a denon dra-350 tip. erölködő rajza!! A főnök bízta rám, de rajzot sehol nem találtam hozzá de nagyon kellene.. Előre is köszi a segítséget!! * Szép napot mindenkinek!! Üdv: Zolika...
Szia! Remélem ezt kerested.
Sziasztok!
Hálás lennék, ha valaki tudna segíteni egy Onkyo TX7720 kapcs. rajzzal, esetleg egy komplett service manuallal.... Előre is köszönöm!
Szerusztok!
Chieftec ENH-0746GB 465W-os tápegységhez keresek kapcsolási rajzot.
Behringer EP 1500 EUROPOWER -hez keresnék értékelhető kapcsolási rajzot !
Szevasz, ezt leltem ez biztos jó lesz.
Sziasztok.
ORION-EMG 1921/B, SIGNAL GENERATOR TR-0504 típushoz keresnék műszaki leírást. Ha valakinek van, kérem jelezze.
Sziasztok!
Keresném a baji elektronika Strobi Power LED-hez kapcsolási rajzát ( megvettük, csak elkeveredett a rajz ! )! Igazából a NYÁK-on hiányzik az R1, R2, R3, R4, R5 és R6 ellenállások értékei, mert a többi alkatrészt már korábban beültettük az iskolában. Előre is köszi! Steve
Ez nagyon jó , köszöntem szépen !
Szívesen, nincs mit.
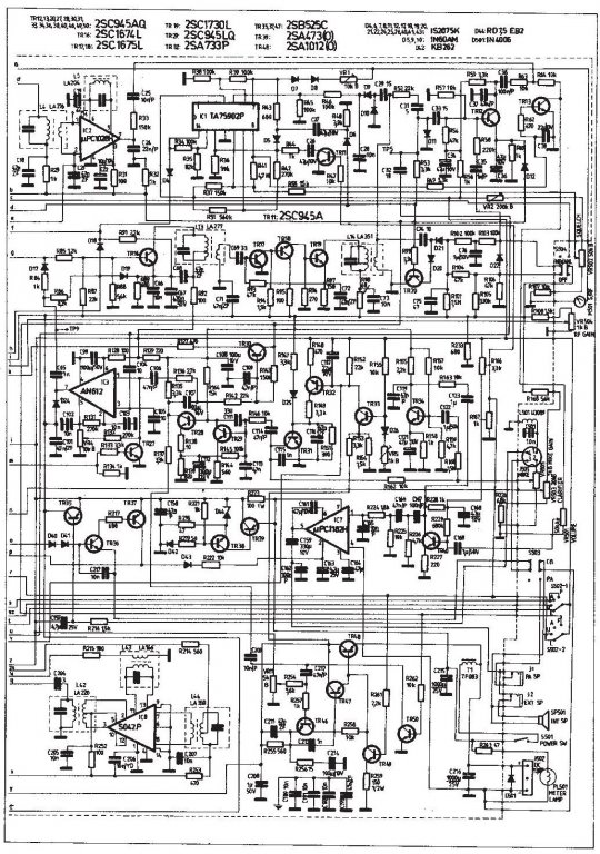
Sziasztok! Kapcsolási rajzot keresek egy STK496-430 as ic-hez a neten néztem, de semmit nem találtam róla hátha valaki ismeri.
Szevasz, itt van a teljes leiras es a rajz is az IC-rol.
Szevasz, tesek itt van a generator teljes leirasa.
Köszi! De ez nem az, ez valami STK4913 az enyém meg STK496-430.
Szia.
Köszi.
Üdv.mindenkinek!
Nagy gondban vagyok!! Kellene Denon DRA-350-es rádióerősítő kapcs.rajza. A segítséget előre is köszi!! Üdv: Zoli.. *
Szevasz, elméletileg jó kell hogy legyen az STK 4913 az STK 496-430-as hoz, mert azon az oldalon ahonnan származik a leírás ezt adja ki az STK 496-430-ashoz. Üdv
Szia!
Köszi, de nekem a teljes rajz kellene, mert ezt én is megtaláltam. A meghajtó rész körül van valami nyűg. Üdv Zoli..
Szia! Te csak kérni szeretsz és ha valaki segít azt figyelmen kívül hagyod hogy újra kérhesd ugyanazt? Ugyanis vasárnap kérted ezt és én hétfőn feltettem ide kb 10 hozzászólással feljebb amit kérsz, erre pénteken ismét kéred.. Mért nem nézed végig azt a pár hozzászólást amit addig írtak? Segítek..
itt kérted először egy hozzászólással alatta meg ment a segítség.. Tudom megtévesztő, hogy pont a kérés után van a válasz is, de sajna senki nem kért közbe mást. Remélem ezt se látod meg és 2 nap múlva ismét kérni fogod
Szia! Csak az a baj, hogy az adatlapon lévő IC nek 16 lába van ennek meg 22!
|
Bejelentkezés
Hirdetés |







