Fórum témák
» Több friss téma |
Fórum » NYÁK terv ellenőrzése
Üdv! A 3-as és a 9-es lábakra menő kondikat hiányolom.
Koszonom.A hibat orvosoltam.Az egyik kondi tudom hogy belelog a sok kicsibe,de csak ilyen nagynak van eleg nagy labtavolsaga hogy alatta elmenjen egy vezetosav.Remelem mostmar jobb.Koszonom gyors valaszod.
Helló sziasztok !
Egy rgb led mood light 101 építek , schematic rajzról készítettem nyáktervet minden alkatrész ugyan az viszont a ledek nem nyákon vannak ,hanem dróttal viszem tovább. Kérdésem az lenne , hogy ez így űzzem képese ahogy le rajzoltam a nyáktervezővel a nyákot. Sajnos a programban nincs kapcsoló se nyomógomb , de helyét oda tettem. Előre is köszönöm . Üdv kemikál
Sziasztok. Nekem esetleg olyanban tudtok segíteni, hogy nem mindig tudom eldönteni, hogy egy adott feszülstség vagy áram értékhez mekkora szélességű vezető sávot rakjak. Több oldalt is átnéztem rákerestem, de ott a keresztmetszetett az ellenálás és a hőmérséklet függvényében ábrázolják..nahmost én nemakarom ennyire túlbonyolítani..nekem csak pl tanyasiasan ennyi érdekelne h ha adott mondlyuk 50V 3-6A akkor hány mil, vagy mm szélességű sávot húzzak neki..és ez most csak egy példa... 12V,24V, 50V...100V és a fölötti...?? szerintetek?? :S
Azért kell a sok adat mert azoktól függ a terhelhetőség.
A réz keresztmetszetét mindenképpen ki kell számolni.
Szia! Vezetősáv szélessége.
Hello!
El kellene dönteni, honnan is kel nézni a nyákot. Alkatrész oldalról, vagy forrasztási oldalról. Mert általában a tervező programok feltételezik, hogy alkatrész oldalról (felülnézetből - topwiev) tervezzük a nyákot. Az IC és a stabilizátor nézete is ez. De akkor viszont a felirat helytelen (kész nyákon a tükörképe látható majd), valamint a tranyók bekötése is rossz, hiszen akkor C-E felcserélődött. üdv! proli007
Szia !
Alkatrész oldalról csak rá írtam hogy oda szánom a kapcsolót.
Sziasztok,
szeretnék építeni egy hangszínszabályzót, ha már az összes alkatrésze megvan. Még sosem terveztem NYÁK-ot, max 1-2 nagyon egyszerűt (pl tápszűrés, stabilizálás). Nekifogtam megcsinálni de már el vagyok veszve benne a vége felé és az időm is kevés rá. Egy kis segítségre van szükségem. A zölddel bekarikázott résszel meg lennék elégedve, tehát ez így maradhatna, a svédcsavaros rész azon kívül kezdődik, valószínűleg át kellene variálni az egészet. Express PCB-vel dolgoztam, mellékelem az ehhez szükséges fileokat is, a PCB linkeleve van a sémához, szóval mutatja, hogy melyik láb hová van 'madzagolva'. A NYÁK felülről, alkatrészoldali nézetből van szerkesztve. Nem kérek teljesen korrekt, befejezett tervet, ha szimplán segítséget, rávezetést kapok a folytatáshoz az very welcome! Köszönöm. Jah és a potik számításaim szerint így kell működjenek, óra járásával megegyezően forgatva emel, ellentétesen vág. Ha problémás, nem így fog működni NYÁK terv szerint akkor szóljatok.
Szia! Skero fórumtárssal vedd fel a kapcsolatot. Bővebben: Link
Sziasztok!
Lassan elkészül a nagy mű, de első nyákom lesz, ráadásul egydarabos, és nem ártana ha elsőre működne, ezért légyszi tegyétek meg, hogy ránéztek, és ha hibát vesztek észre rajta, vagy javaslatotok van, azt megosztjátok! Amit esetleg nem árthat tudni: - azok ott lent relék, és max. 2A-t kell tudniuk kapcsolni - a jobboldaliak szintén, csak 10A-esek - a ledek helye nem változtatható - igen, valószínűleg elfértem volna kisebb nyákon is, csak akkor újra kéne tervezni (ez most 20x14cm) - nem, nem házilag lesz gyártva; a legvékonyabb vezetékméret 10mil lesz, remélem elég - azok ott jobbra középen egy 6x5-ös gombmátrix csatlakozói lesznek (Az előzőnél félrenyomtam, és mire átírtam, már nem fogadta el a módosítást; lehetne valahogy töröltetni?)
Szerintem kicsik a forrszemek, de látni kéne kinyomtatva.
Idézet: „Lassan elkészül a nagy mű, de első nyákom lesz, ráadásul egydarabos, és nem ártana ha elsőre működne,” Biztos , hogy nem fog első nyákod elsőre tuti nem , miért nem próbálsz valami egyszerűbbet elsőre , és ráadásul te akarod otthon kivitelezni .Nem minden a mindent tudó nyák szerkesztő program , ha egyszerűen nem fogod tudni megcsinálni , és ráadásul 2 oldalas hát szerintem elsőre nem lesz jó.Az a baj , hogy a mai modern technika mellett elfelejti sok mindenki azt , hogy más amit a gépen a monitoron csinálsz , és más amit csinálni tudsz gyakorlatban , és utána jönnek a mérgelődések , hogy miért , és miért nem sikerül .Tessék csak ezen egy kicsit elgondolkodni tudom , hogy szép nem vitás , de a határ nem a csillagos ég főleg otthoni körülmények között.
Köszönöm, sir
![]() Mindenesetre itt a nagy lehetőség, hogy ti is segítsetek benne és hozzájáruljatok, hogy mégis működjön, mondjátok ha láttok rajta olyasmit, ami kritikus szerintetek. Remélhetőleg a forrasztással sem lesz gondom, csináltam már eleget..
Szia!
Ha EAGLE-vel lefuttatsz egy DRC-t, megtalálod a hibákat. Ha a kapcsolási rajzban nem hibáztál, és a DRC nem jelez "Overlap" hibát, jó eséllyel működni fog. A terv nem rossz, de mivel gyártatod, én még egy kicsinyítettem volna rajta. Tapasztalatból tudom hogy a NYÁK gyártók minden mm2-t keményen felszámolnak. Főleg így, hogy gyártatva lesz, és így a technológia is elbírja a minél kisebb méreteket. Fúratokkal nem hiszem hogy gond lesz. Általában rendes bevonatot tesznek a NYÁK-ra (cégtől függ) amitől gyönyörűen lehet forrasztani a legvékonyabb forrszemeket is. Amit én szeretek az a ROHS HAL bevonat. "Olcsó", jó. Javasolnám hogy beültetés előtt méregesd végig a fontosabb vezetékeket, pl a tápot, nincs-e közte zárlat. A beültetéssel fokozatosan haladj, minden komolyabb alkatrész után mérd ki a lábakat, tápvonalakat. Ezzel a módszerrel sok bosszúságot spórolhatsz. Hajrá!
Sziasztok!
Bővebben: Link Ehhez a kapcsoláshoz terveztem egy nyákot, megépítettem, de nem érzem úgy, hogy tenné a dolgát a szűrő. Ha valaki leellenőrizné a nyákot azt megköszönném.
Hello!
Ránézésre jó a nyák, bár egy alkatrésszel több van. (A felső 10kohm-al is van párhuzamosan egy kondi) De ráírhattad volna a nyákra az értékeket, mert így még azt is csak ki lehet találni, hol van ellenállás és hol kondi. Ez kb. 20dB erősítéssel rendelkezik 20Hz-en, és kb. 500Hz-en van 0dB-es erősítése. Ha a vágással nem vagy megelégedve, akkor tegyél az 1 és 4,7nF helyére egy-egy 10nF-os kondit. Ekkor már 300Hz-en lesz 0dB az erősítés (csillapítás). A bemeneten felesleges a 4,7µF-os kondi, már egy 220nF is bőven megteszi.. üdv! proli007
Sziasztok!
TDA8560Q-hoz építettem nyákot. Összeraktam a szerkezetet és nem akar megszólalni. Félek, hogy a nyákom hibádzik. Kérem valamelyik profit közületek, hogy vessen rá egy pillantást és mondja meg, hogy jó e. ![]() Köszönöm
Szia! Vasalással készült a nyomtatott áramkör? Ahhoz jónak nézem.
Igen. Hát akkor remélem, hogy csak forrasztási hiba lehet és amiatt nem szól, pedig vagy 100x átnéztem minden pontot.
Mind a négy kimeneten a tápfeszültség felének kéne lennie. Mérd meg, sokat elárul a panelról.
Nah erre volt szükségem, feltétlenül megnézem. Nem tudod véletlenül: Mások nyákján láttam, hogy a bemenet földje egybe van kötve a power-földdel és én nem így csináltam, mert a gyári leírásban sem így van, lehet ez esetleg a hiba, hogy én nem kötöttem össze?
Nem ártana őket összekötni
10ohm-ot javaslok.
Okés. Ezer köszönet a segítségét, megyek és most rögtön meg is nézem mi sül ki. Köszi még egyszer. Jó8.
reloop!
Köszönöm a segítséget, kontakt hiba volt. Viszont, ha jobban ráhúzom a hangerőt elég csúnyán torzít. Tudsz rá valami orvosságot?
Köszönöm a segitse'get! Mint kiderult, minden renben, csak a teszt hangrendszer keve's volt a kipro'bäläshoz. A kapcsoläst ajänlom mäsnak is, aki egy täpfeszes me'lyszüröt keres.
Végül csak megszültem a NYÁK tervet, de még mielőtt ténylegesen megépíteném kérek szépen egy ellenőrzést, hogy a potik így jól vannak-e. Terveim szerint óra járásával megegyezően forgatva emelnek, ellentétesen vágnak.
Express PCB-vel dolgoztam, ingyé' letölthető program.
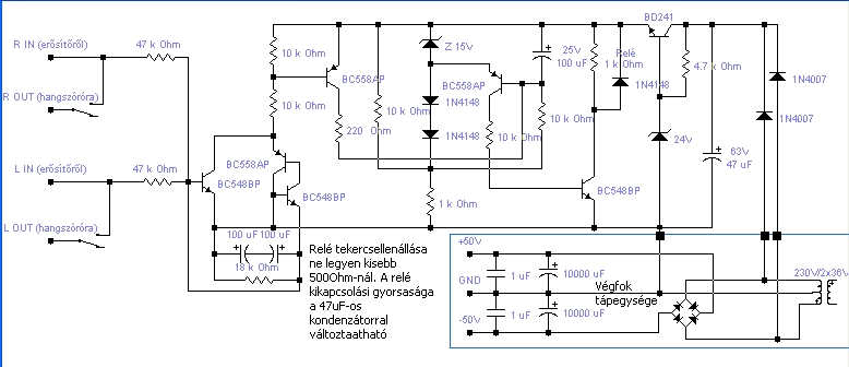
Sziasztok! Kérem erősítsétek meg hogy mindent jól rajzoltam. Köszönöm.
*szerk: most nézem hogy a relétől ami jön sáv véletlenül 1mm, már javítottam. |
Bejelentkezés
Hirdetés |












