Fórum témák

» Több friss téma
Fórum » Erősítő mindig és mindig
Mielőtt kérdezel, a következő két dolgot ellenőrizd! I. A helyes tápfeszültségek megléte. II. A kimeneten van-e egyenfeszültség. Élesztés.
Lapozás: OK   40 / 2580
(#) Parázs Gábor válasza Doncso hozzászólására (») Aug 31, 2007 /
 
Segítek.De én lemaradtam, milyen végfokot épitesz, küldj egy rajzot beültetést fényképet.
(#) Doncso válasza lamalas hozzászólására (») Aug 31, 2007 /
 
Értem már, tehát valós terhelésen mutatkozik meg hitelesen az érték!! Nagyon jó ez a fórum ,mindig tanulok valami újat, tényleg!
(#) Doncso válasza Parázs Gábor hozzászólására (») Aug 31, 2007 /
 
Szia, itt a rajz meg a beültetés ujfent, a nyák saját tevezés :lama: , de azért annyira nem gáz, viszont lamalas rávilágított a lényegre msn-en, kihagytam a ledet !! Holnap nekiállok akkor többet tudok mondani! Amugy a hibajelenség ime: Adtam neki +-33V-ot , a tápágakba bekötöttem 2 db 220V 60W -izzót, semmi nem melegedett, viszont a kimeneten vicsorgott -25V ???
Rátettem a teszthangszórót 8ohm-os na ekkor elkezdett izzani a negativ ágban levő izzó, itt tartok most. Ja meg a ledet akkor beteszem holnap és ujra próbálom, csak azt nem értem miért 25v jelenik meg amikor 33V a tápfesz???
(#) Parázs Gábor válasza Doncso hozzászólására (») Aug 31, 2007 /
 
Mindig tegyél be minden alkatrészt és csak ezután fogj élesztésnek.Mérját mindent nem e károsodot valami.Ha minden rendben akkor ted be ami kimaradt és probáld ujból.
(#) Doncso válasza Parázs Gábor hozzászólására (») Aug 31, 2007 /
 
Kicsit lökött voltam mert kifelejtettem még a nyákból is plussz hibás a nyákom is de ezt még a próbaélesztés előtt korrigáltam
Sztad ez miatt van fesz a kimeneten és terheléskor ezért nő meg az áramfelvétel a negativ oldalon??
(#) djloui válasza lamalas hozzászólására (») Szept 1, 2007 /
 
Igen jol mondod aki nem ilyesmit akar az vesz egy gyári végfokot mer az othon forrasztott végfokocskákkal nem kell buliban hülyéskedni, és itt nem egy laza kis házi bulira gondolok, hanem egész éjszakás kinzásra.
(#) Norberto válasza djloui hozzászólására (») Szept 1, 2007 /
 
lamalas már 2-szer is megkérdezte, és mellékesen engem is érdekel, hogy milyen tulajdonságot tudsz mérni Mohm állásban a tranyókon??? :eek2:
(#) Parázs Gábor válasza Doncso hozzászólására (») Szept 1, 2007 /
 
Nem tudom, elöfordulhat, hogy ez miatt.Mindenestre ültes be mindent és mérj át mindent meg ellenőrizd nyákot meg a beültetést.
(#) Doncso válasza Parázs Gábor hozzászólására (») Szept 1, 2007 /
 
huha, a negativ oldalon lévő c-e és c-b fesz 0,6v a pozitivon meg 60 körül, akkor most mellik a jó?
(#) Doncso hozzászólása Szept 1, 2007 /
 
úú , hát persze hogy a pozitiv a jó de akkor mit rontottam el,?
(#) Doncso válasza Doncso hozzászólására (») Szept 1, 2007 /
 
aham, elkötöttem 1 részt, javitottam ,hál istennek jó minden, de most meg 2,4 v+ van a kimenetem és a pozitiv oldali lámpa izzik fel terheléskor
(#) Doncso hozzászólása Szept 1, 2007 /
 
huhuuu, megoldotttam, kezd feléledni...........megszólalt
egész jó!!




(#) Doncso válasza Doncso hozzászólására (») Szept 1, 2007 /
 
Szia, szted ha már szól akkor levehetem az izzókat a tápágból mert ha adok neki kakaót akkor elfogy a fesz és felizzanak a lámpák???
(#) Doncso hozzászólása Szept 1, 2007 /
 
Sziasztok, megent!
Ha valakinek kedve támad megépiteni ezt az erősítőt, csak ajánlani tudom, elsőre indult volna ha nem kötöm félre, ja és figyelem a nyák hibás!! annyi baja van hogy a ledet nem tartalmazza és a bc546 nál a nyák hibás, mellékelem a javitot képet, ja és csudaszépen szól sztem, dinamikusság jellemzi még 24v os trafóról is, nem gerjedékeny és bekapcsoláskor nem pukkan!!
Üdv: Doncso
(#) proksa1 hozzászólása Szept 1, 2007 /
 
Nah örülök, hogy müködik az erősítőd, és főleg hogy még szépen is szol ha tudsz a kész dobozoltrol majd tegyél már fel képet lécci
(#) Doncso válasza proksa1 hozzászólására (») Szept 1, 2007 /
 
Igazából még ennyire nem mentem még előre, egyenlőre még próbálnom kell a neki tervezett táppat, a tranyókat normális bordára kell szerelnem, a doboz még odébb van.
De már él ésez a lényeg!!!!!Képzeld el kicsit megtoltam neki, egy minihifi hangfallal teszteltem, elkezdett kattogni a méllye, de nem volt tozitás, csak majd kiurott a kosárból , Viszont fosok mert ugye 2x24-el próbáltam és az ő tápja 2x36 v lesz és nehogy elszálljon ha adok neki! majd szkóppal tesztelgetem, mindenesetre most sikerélményem van és ezek szerint még sem vok annyir láma
Üdv: Doncso
(#) Parázs Gábor válasza Doncso hozzászólására (») Szept 1, 2007 /
 
Hello
Most értem haza, ezért nem válaszoltam.De nem is volt rám szükség sikerült magadnak is megcsinálni, szintén gratula sikerült
(#) Doncso hozzászólása Szept 1, 2007 /
 
Annyit még hozzátennék, hogy ha valakinek nincs labortápja az élesztéshez akkor mindenképpen használjon izzókat!!! Nekem ez mentette meg az egész cuccost mert volt egy-két elkötésem a végfok kivezetéseknél meg a nyák is hibás volt, enélkül már rég úton lenne az örök vadászmezők felé!! Tudom kicsit sufni megoldás de még mindig jobb mintha elszállna minden az első bekapcsolásnál! És ami a lényeg, hogy így még a kedvem sem ment el tőle és ez a lényeg!
(#) Parázs Gábor válasza Doncso hozzászólására (») Szept 1, 2007 /
 
Legtöbször én is használok izzot.
(#) Doncso válasza Parázs Gábor hozzászólására (») Szept 1, 2007 /
 
Dejóóó, ellőttem a kér gtaetz-hidat, ez-azz!!!
az ac-ra meg a negativra kötöttem a tápokat, mert ugye nincs jelölve a graetz-en csak a plusz, meg egy ac be, dehát utólag világossá vált hogy ugye a graetz-ben szembe vannak a ki és bemeneti kötési pontok!!
Nembaj, 1200Ft, tanulópíz
(#) szabi83 válasza lamalas hozzászólására (») Szept 1, 2007 /
 
Új panelt raktam össze, és ugyan az van
bd140 és a bd139 meleg, de a nyugalminál a bd139 nem.
(#) proksa1 hozzászólása Szept 1, 2007 /
 
Ne félj nagyobb tápról is menni fog ha mostis megy, de azért a biztonság kedvéjért, akkor megint köss majd be két égő neki első bekapcskor. Nagyobb hangerőnél valszeg még jobban is fog szolni, mert nagyobb tápra van tervezve és a munkapont kicsit elmegy ha kissebb a táp. Szükségem van egy 200W 4 ohm-os erölködőre, ugyhogy lehet énis megépítem főleg középmagasra akarom használni, így jobb egy analog most mint a PWM sztem.
(#) szabi83 válasza szabi83 hozzászólására (») Szept 1, 2007 /
 
ezek szerint a kapcsolás nem jó...
(#) Parázs Gábor válasza szabi83 hozzászólására (») Szept 1, 2007 /
 
Melyik végfokot épiteted?rajzot felrakod?
(#) Doncso válasza proksa1 hozzászólására (») Szept 1, 2007 /
 
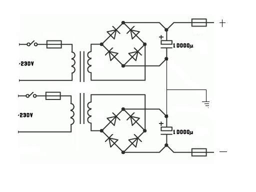
Van egy kis problémám a táppal! Ugye ellőttem a két graetz-t, oké ezt még megeszem de egy másik graetzet helyesen bekötve akkorát pukkant és az is elszállt, de miért???? itt a bekötésem ,pliz help
Az előzőt a második rajz szerint kötöttemj igaz ott elkötöttem a graetzet, de ott kettőt használtam, ugy müködnie kellene??
(#) Doncso hozzászólása Szept 1, 2007 /
 
jaj felcseréltem a két rajzot, na az elsőnek ugye mennie kéne, de a második miért pukkant?? :eek2:
(#) Doncso válasza proksa1 hozzászólására (») Szept 1, 2007 /
 
sztem erre tökéletes lesz neked, a tápot kéne rendberaknom és meghalytanám rendes hangfalakkal hogy mit tud igazából
(#) szabi83 válasza Parázs Gábor hozzászólására (») Szept 1, 2007 /
 
Szia!

kapcsolásirajz

egyszerűen nem tudom elképzelni mi lehet..

végtranyók bázisán +-1VDC -t van.

60.GIF
    
(#) szabi83 válasza szabi83 hozzászólására (») Szept 1, 2007 /
 
a 47k-s mellet 1k8 van berakva, ahogy a kapcsolásban is.
(#) Parázs Gábor válasza szabi83 hozzászólására (») Szept 1, 2007 /
 
Valaki épitete mán meg ezt az erőlkődőt?Leírás nincs hozzá?
Következő: »»   40 / 2580
Bejelentkezés

Belépés

Hirdetés
XDT.hu
Az oldalon sütiket használunk a helyes működéshez. Bővebb információt az adatvédelmi szabályzatban olvashatsz. Megértettem