Fórum témák
» Több friss téma |
Háát nem lett valami jó a felvétel... De azért itt van. Az első az az általam belinkelt fuzz, a második pedig az előfokomba lévő "torzító", ami tulajdonképpen csak 4 db dióda, ami ilyen soft clippinges hangzást tud eredményezni...
Köszönöm szépen! Azért így is ki lehet venni, a hangzást. Tetszik
. Akkor a két potméter, az lienáris vagy logaritmikus?
Jaaah!
Hát lehet, logaritmikus is a hangerő poti, de amúgy én csak amolyan deszkamodellen csináltam meg, és csak trimmer potikkal, hogy megnézzem működik e. De nem építettem meg komolyabbra most sem! Most nézem a rajzot!! A volume poti "A" jelű (lineáris), a fuzz poti "B" jelű (azaz logaritmikus). Amúgy lehet babrálni a hangját, a kondik meg a tranyók variálásával.
Tényleg, nem is figyeltem! Az hogy is megy? Mármint a kondenzátorok értéke, hogy változtatják a jelet?
Közbe még vetődött fel kérdésem, azzal kapcsolatban, hogy egy erősítőt építenék. Kapcsolási rajzot csatoltam. Itt a hangszórónál van fennakadásom, hogy a végfokra, ráköthetek mély, közép, magassugárzót egyszerre? Lehet hogy hülye kérdés.. A teljesítménye 4 ohmon 70 watt, magyarul 100wattos 4 ohmos mély,közép,és magassugárzók kellenek igaz? Nem vagyok otthon ebben a témában anynira, valaki elmagyarázza nekem, mi a különbség a 4,6,8 stb "ohmos" hangszórók között? Azonkívül, hogy ez ellenállást jelent
Te ezt a H&K -t akarod megépíteni?
Bátor vagy!
Így van, ezt akarom megépíteni
Miért, mi a baj vele?
Semmi baj nincsen vele, csak én nem mernék belefogni, amúgy nekem is vannak Marshall, Fender, Randall...stb. rajzaim de én azokba sem merek. De ha te úgy érzed hogy megbírod csinálni akkor én nem akadájozlak! Ha kész lesz tedd fel a ki mit épített topicba!
A végfok nem olyan veszélyes, az előerősítőtől, tartok egy kicsit
Amint lesz időm, az érettségi miatt, elkezdem építgetni a végfokot, majd élni fog ez a topic neféljetek, szerintem lesz kérdésem bőven Utána meg őszi szünetre terveztem belefogni az előerősítőbe De még az ohmos kérdésem él, az áramkörre kapcsolható hangszórófajtákkal együtt
Szia!!
Nem vagyok über profi a témában de azért némi info ,hogy ne érezd magad "elhagyatva"... A hangszórókat nem ohmos ellenállásuk jellemzi hanem impedanciájuk(ennek mértéke szintén ohm).Ez egy sokkal összetettebb fogalom mivel váltóáramú viselkedésnél hatással van rá a frekvencia .Biztos lesz aki még ezt megtoldja ,de egyenlőre erről ennyit. Az hogy egy hangfalban milyen hangszórokat és hogyan kötünk biztos találsz a neten a lényeg hogy nem egyszerű soros és párhuzamos kapcsolásokról van szó hanem egy hanváltó méretezéséről ami gondoskodik arról hogy adott hanganyag a megfelelő frekvenciatartományok figyelembevételével milyen arányban jut a magas,közép ill. mély sugárzókra . Figyelembe kell venni a handosítani kívánt zene célját hifi, hangszer...Ezek más -más átviteli jelleget kívánnak .Azt tanácsolom böngész előbb egy csomót és utána próbálkozz mert a hangátviteli lánc legnehezebb tagjáról beszéltünk most . Nem lehetetlen házilag jót csinálni ,de sok tapasztalat kell hozzá. Sok sikert.
Igazad van, a Protel emberi formátum, rosszul fogalmaztam
. Csak én nem használom . Nagyon köszönöm a fáradozást!
Köszönöm a válaszodat! Utánanézek.
Közben felvetődött még egy kérdés, ezen a kapcsoláson van olyan rész ami nem világos. Elnézést, hogy itt zaklatlak titeket, de érdekel a dolog, és szeretnék gyakorlati úton tanulni. Főleg, hogy mellette hasznosat is alkotok Szóval, ott az IC bekötésénél, IC1a és IC1b van. Na most lehet, hogy én vagyok hülye, de nem értem. Most egy IC kell hozzá, és a kapcsolás miatt jelölték "a"-val és "b"-vel? A másik, hogy a Basszus kiemelésnél, az egy trimmer szeretne lenni, hogy tudnám helyettesíteni egy potméterrel? Hát egyenlőre ennyi lenne.
Igen az 1db IC.
A trimmer helyett lehet használni potit is, de én nem nagyon értem a rajzot, mert én úgy tudom hogy a középső láb a csúszka. De ennél a rajznál a két szélső lábat kell bekötni... hát nem tudom. Amúgy ez a rajz ez mi akar lenni?
Azon az erősítő rajzos oldalon találtam. Hát nemtudom, 100 Ft egy ilyen IC
Majd megépítem, csak tisztázok rajta egy két dolgot. Bár a szimmetrikus tápot se tudom hol kéne beszerezni Itt az EMO-ba, nem árulnak ilyet, ha lehet akkor meg inkább itt valahol veszem meg, és nem rendelem mondjuk pestről.
Hello! Szeretnék készíteni már régóta egy Flanger vagy egy Phaser /,de inkább flanger és nem tremoló hangzású/ Gitár effektet! "Repülőgép" hangeffektus...
Már néhány pedált készítettem, és tudom, hogy a flanger alapja egy "csoda IC" amit az országban nem forgalmaznak. De szerintem hasonló hatás elérhető tranzisztorokkal illetve FET-ekkel is. Ma találtam egy linket LESLIE PHASER -ről ... Ha valaki tudna róla rajzot küldeni vagy valami hasonlóról, annak nagyon örülnék! Előre is köszönöm!
Találtam itt a gépemen egyet... Rádiótechnika évkönyben is volt, de már nem tudom melyikben. (Bár az elektronikusan megoldott Leslie volt)
Szia !
Van itt egy pár effekt szerintem lesz közte olyan amit keresel . Itt a hangjukat is meghallgathatod. Sok sikert.
jaja! énis csak ajánlani tudom ezt az oldalt!
Köszi fiúk, ismerem az oldalt!
Megvan róla nekem a Siliface1, SF2, Tantalus, Big Daddy és May Queen. Megépítettem innen a Phozer-t is...,de valami miatt a kimenet előtt elakad a hang, de nem jöttem rá a hibára. Amúgy a panelen megvan a jel és "hangosít-halkít" vagyis vibráltatja a hangerőt, tehát ez tremoló hangzású phaser. Nekem meg inkább Flanger kellene. Viszont szinte mindegyik eddigi rajzba kell a MN3007-es meg stb. IC-ék amiket itthon nem árulnak. De nem is ragaszkodom hozzájuk. Viszont ráakadtam egy J-Fet-esre, ami hasonlít Sebi-ére!
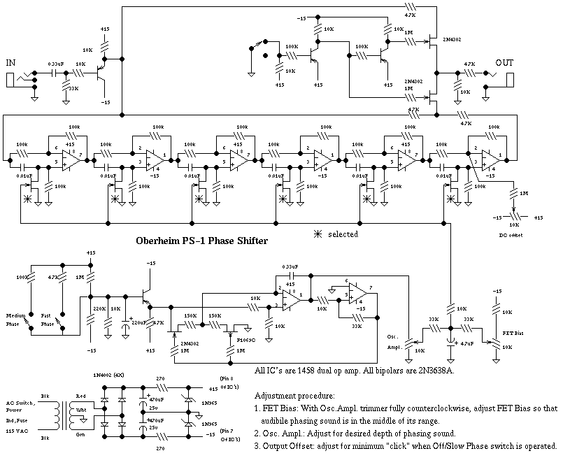
Hello Sebi, bevallom nem nagyon értek az elektronikához, főleg inkább olyan cuccokat szoktam választani amihez van beültetési és nyákrajz. Úgy látom ez a rajz meghaladja a képességeimet. (Max csak fele ekkorát szoktam megrajzolni magam.) Van rajt 1-2 dolog amiről fogalmam sincs hogy mi lehet. Ránézésre 4 db 1458-as IC kell bele vagy csak 1 és ahhoz kötözgetni az összes alkatrészt a megfelelő helyre?
Csak beültetési és nyák rajzal vállalnám be. Asszem ezt hagyom... De találtam pár másikat a geofex.com-on. Csak nem tudom ez milyen jellegű phaser lehet? Ti biztos jobban értetek hozzá, hogy ezekből milyen hnagzás tör elő. Mert ahogy nézem a Phaser-eket, mindegyik eltérő effekteket produkál. Ennél az up/down LFO az a "frevenciát" jelenti és ugye nem az adott hang magasságának a traszponálását? Előre is köszi.
Amit Sebi belinkelt szerintem 4 darab IC kell hozzá, már csak azért, mert ha megnézed a lábuk számozását látod. Vagy ott van alul hogy "All IC's..."
Csináltam párat, de szerintem egy csöves torzító igazán jó volna!
Tehát:kéne egy csöves torzító rajza. Meg nem ártana a cső beszerzésének helye. Köcce!
KÖSSZ!!
Hol tudnám beszerezni a csövet?
Hát mondjuk beírod a googlebe azt hogy: 12au7a! De ha jól tudom neked nem jók a Magyarországi üzletek!?
Úgyhogy nem nagyon tudom hogy felétek merre fele lehet kapni!
Felénk Szabadkán,de többet vagyok szegeden(meg ott olcsóbb:gondolom). Tehát Google...
|
Bejelentkezés
Hirdetés |




. Akkor a két potméter, az lienáris vagy logaritmikus?
Bátor vagy!
Miért, mi a baj vele?
Utána meg őszi szünetre terveztem belefogni az előerősítőbe
. Nagyon köszönöm a fáradozást!
Most egy IC kell hozzá, és a kapcsolás miatt jelölték "a"-val és "b"-vel? A másik, hogy a Basszus kiemelésnél, az egy trimmer szeretne lenni, hogy tudnám helyettesíteni egy potméterrel? Hát egyenlőre ennyi lenne.






