Fórum témák
» Több friss téma |
Köss az "egy huzal" és a GND közé egy 10-22k körüli ellenállást. Amikor nem csatlakozik ez az áramkör a Vcc-re akkor az kisüti a kondenzátort.
Egy kis magyarázattal bővítettem a rajzot, remélem hasznos lesz
Most müködik a STBy, csak az a problémám hogy bekapcsolásná akkorát pattan egyik hangfal. Ezt mivel tudnám kiküszöbölni? ( Nem akarok külön hangfal védelmet csinálni, késleltetett bekapcsolással)
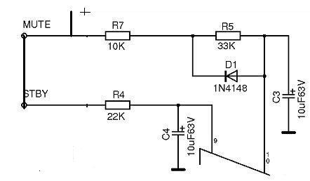
Mit kellene modositsak a STBy Mute részen hogy onnat legyen meg a késleltetés a bekapcsolásnál s ne pattanjon?
Annak érdekében , hogy konkrét alkatrészértékkel tehessek javaslatot a megoldásra, kérlek add meg a tápfeszültséged.
Ezek szerint akkor elég ha a kondenzátorokat nagyobbra cserelem?
A jelölt kondenzátorokon kívül más alkatrész nem befolyásolja a mély hangok átvitelét. Természetesen a velük soros ellenállást is lehetne növelni, de az egyéb kellemetlenséggel jár.
2 külön 18V os traforol hajtom ezek különkülön egyenyirányitva s kialakitva a -/gnd/+ tápegység, a táp szürésén 22,3V-ot mérek oldalanként
a két darab 22µF elkót meddig érdemes növelni
Készíts 12k/4,7k feszültségosztót. Ettől a mute lábon később fut fel a feszültség. Elvileg kettő kondinak kéne lenni a nyákon.
Beraktam a feszültség osztot, egy olyan jelenség lépett fel hogy ha felhuzom a hangeröt akkor kapcsol ki be, eddig ezt nem csinálta. A feszültség csak 21voltig esik le mikor kikapcsol.
A trafo tudom hogy kicsi de ez csak addig lessz benne mig kap egy kapcsitápot.
Szia
Nekem +-18 Voltról ment (most 28volt ) és jó volt a mute és a koppanás gátlás is, és semmit nem kellett semmin variálni Amit beraktam fotót, elég annyi a jó működéshez
Üdv!
A témában vitatott "cucc" jó szológitár erősítőhöz? Köszi a választ előre is!
Multihoz használva stereoban nekem nagyon bejött, de énekre is jó. Márkás gitárhangszórós dobozt kell mögé tenni és tökéletes. 2x hídban használom.
Szia!
Köszönöm! Épp ezen dolgozom, de a "lelkét" még nem döntöttem, el. - Vf3 - TDA7294 - TDA2050 Ezeken gondolkozok...
Szia
Inkább a TDA 7293, ha már a Marshall is ezt használja http://www.marshallforum.com/workbench/14293-vs2000-avt-150h-replac...s.html
A feszültség osztó 13V pozitív tápnál kezdi el a kikapcsolást. Mérj feszültséget az osztási ponton.
Köszi!
De ez mivel tud többet, mint a 7294?
Sok Marshall/Carlscbro erősítőben van 1 db 7294, kb 75-100W-ig 1 gitárhangszóróhoz ami elég érzékeny hozzá hogy elég hangos legyen. Gondold meg kell-e több, mert 1 db Celestion az kb csak 30-50W. Eminence-ből vannak 150-300W-os hangszórók, ahhoz érdemes ezt hídba kapcsolni, de gitárhoz talán sok a híd, énekhez pont király. A másik hogy a gitárhangszórók általában 8/16 ohmosak. Emiatt vagy hídba kapcsolod, vagy hagyod simán és egy igen érzékeny márkás hangszórót választasz. Én egy gyári Carlsbro-ba az eredeti 4 ohm kínai helyett tettem egy 8 ohmos 103 dB-es Eminence-t, és sokkal hangosabb lett 1 db 7294 van benne gyárilag. Nekem dual/stereo multihoz mindenképpen tetszik a stereo kimenet. Egész más mint az 1 hangszórós megoldások.
16,22 és 17,5 között pattog, kis hangerön szépen megy 5%, mikor picit ráadok 10-15% már kezd szaggatni. (1260 tipusu mérömüszerrel)
12,2-12,9 között mozog mikor az olcsobbik mérömüszerremmel mérek (Uni-T M830B), na most meik mond igazat?
Helló. 1db 7294 hídnak 40V táppal ami 500W-os mennyire nagy falat 250W-os 8 ohm-os hangfal?
Valószínűleg máshogy viszonyulnak a műszereid a hullámos egyenfeszültséghez. A 4,7k értékét növeld meg, míg a lekapcsolgatás el nem múlik.
Oda akkor berakok egz egz 10k potit s majd hol nem kapcsolgat otthagyom. Köszönöm a segitséget
Így elsőre vélemény?
http://www.youtube.com/watch?v=ae01EygeTCE
Szia!
Nekem tetszik! Szép a kivitelezés. Ha jól látom ez csak egy mono végfok. Ugye? Egy kérdést azért feltennék. A kivezérlés jelző be van/be lesz állítva ? Gyakran lehet látni a házi készítésű erősítőkön kivezérlés jelzőket, de szerintem sokan csak azért teszik rá, hogy jól nézzen ki. Pedig annak fontos szerepe van. Ahogy a nevében is benne van, mutatja mennyire van kivezérelve az erősítő, ne legyen túlvezérelve, stb... Minden jót. Üdv. b
Szia! Igen.
mono lesz egy mélyládát fog hajtani csak az nincsm sot itt kéznél kész a szűrő is hozzá működött be persze ahogy mondod
mind2 cél miatt egyébként
Sziasztok!
Elkészült a két híd panel de addig nem szeretném éleszteni amíg ti rá nem néztek hogy rendben van-e minden meg a forrasztási oldalon pár forrpont összeér hogy az nem-e probléma. A képeket csatoltam válaszotokat előre is köszönöm! |
Bejelentkezés
Hirdetés |
















