Fórum témák
» Több friss téma |
Fórum » Crystal radio - detektoros rádió
Mármost mire gondolsz?
Mint ígértem, referálok.
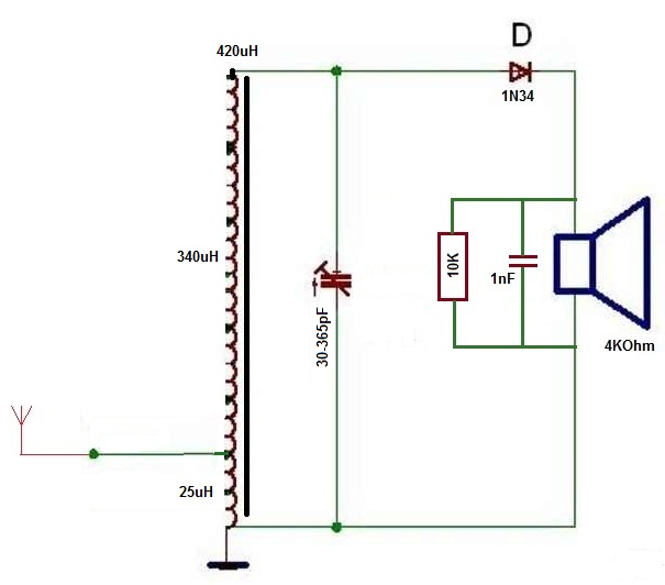
Lebontottam egy menetzárlatos kimenőtrafót és az így kinyert lakkozott vezetéket mindenfélére menetszámokkal nekiálltam "random"-ra tekercselni. Végül ami a legjobban sikerült azt van most a fotókon. Ferrit hengerre van tekerve (kb 12mm átmérő) amit egy régi rádióból bontottam ki. Sok-sok menet (nem számoltam), a rövidebb szakaszt 25uH-nek mértem, a hosszabbat 340uH-nek, az teljes szakaszt pedig 420uH-nak. Így a forgókondenzátor 206pF-os állásánál szépen, tisztán és viszonylag nagy hangerővel jön a Kossuth (számítások szerint is így kell lennie), kicsit lentebb tekerve (kb 100-120pF) pedig valamilyen román adót fogok vele, azt is elég szépen és nincs áthallás a két adó között. Késznek nyilvánítom. Köszönöm mindenkinek aki segített! Valamint a nemrég ebay-en vásárol műszerem is sokat segített, 4ezer alatt volt az ára, ennyit nagyon megért.
Ez így már egészen jó kis rádió lett, gartulálok!
Annyi hozzáfűzni valóm van. hogy a 10 kohmos ellenállás csak piezo(kristály) fejhallgató esetén kell. Mágneses fejhallgató használatakor némileg rontja a hangerőt és a szelektivitást.(csökkenti a 4 kohm fejhallgató ellenállást)
Köszönöm! Most, hogy késznek nyilvánítottam, találtam itthon egy darab diófa lécet és arra átpakoltam, most már egész kulturáltan néz ki.
Akkor jó, hogy kihagytam, mert nekem egy 4K-s mágneses fülesem van. (R20 katonai rádió tartozéka.)
Ez volt az kísérleti első detektorosom,ezen a létező összes variációt végig zongoráztam
Sima dinamikus fejhallgatóval nyomtam,nem nagy Ohmossal.(det1) A következő detektorosom elfér majd a tenyeremben,vagy a 'zsebemben'.Kívül lesz a tekercs belül az 'elektronika'.Nem lesz benne forgókondi mert nem illik oda.Kilóg majd belőle a Föld,az antenna vezeték,meg a füles,a tekercs a fehér részre lesz felcsévélve,de teszek majd fel képet,vagy videót. (dob1,2) Martinov,naon pöpec lett!!!
Nem hagyott nyugodni a katonai fejhallgató kényelmetlensége és kotortam itthon a kacatosban egy trafót, így most már van külön impedancia illesztő fokozatom, tehát mezei fülhallgatóval is operál ha akarom.
Az azért megjegyezném még, hogy trafóval a hangerő kb 60-70%-a nagy fejhallgatóhoz képest.
Lehet még az jobb is....
A 4000 ohmos hallgatók impedanciája a hangfrekvencián 10-20 kiloohm körül van. A detektor kimenő ellenállása meg erősen függ a jel erősségétől. Nagyobb jel-kisebb ellenállás, kisebb jel- nagyobb ellenállás. Gyenge adók esetében 100 kiloohm körüli lenne az optimális terhelés. Persze ez is a detektortól-diódától függ. Ilyenformán az illesztő transzformátorral is el lehet szórakozni. Nekem pl. egy régi szovjet gombakkumulátor töltő trafója vált be a legjobban. Még a régi 4000 ohmos hallgatón is tudott javítani, mikor azt a 127V-os tekercsre kötöttem, a 220v-os pedig ment a diódára.
Nálam nem túl sok trafó volt itthon, de azokat mind kipróbáltam. Ami a legjobban bevált az egy közönséges hálózati trafó 220V/16V aránnyal. A következő tervem az az, hogy szerzek valami kis fogyasztású telepes csövet és abból építek neki egy kis erősítőt, amit mondjuk egy krumpli-elem vagy ilyesmi táplálna, a célom az, hogy az adáson kívül mástól ne függjön.
Ötletes szép munka gratula!
Ez így már nagyon profi lett, grat.!
![]() Erős, helyi adónál még a kis hangszóró is szóba jöhet trafóval (bár már az is csoda, ha Solton kívül van még valami KH-n, max az MR6 hálózata).
Köszi! Kb. 90km-re vagyok Solt-tól, az egész kertet antennává varázsoltam, hogy legyen valami értéklehető jel.
Nem mértem, de olyan 70-80m 1,5-es réz vezetéket (az volt otthon, villanyszerelő vagyok) húztam ki, 20m-rel teljesen néma volt a rádió. Vagyis nem tudom mennyit kellene még kihúzni, hogy kis hangszórót is elvigyen, azért egyszer kipróbálnám Solt közelében mit művelne.Egyébként hasonló elven FM vevőt nem lehet építeni?
Ehhez a kapcsoláshoz még antennát se használtam,és szól,pedig 190km-re vagyok Solt-tol.Egy 19.5cm-es ferritre tekertem huzalt,majd rá a dióda és Föld.Sztem a hallgatóm zsinórja(kb 1m) működik antennaként.
Érdekesen hangzik. Milyen fülest használtál? A ferrit mekkora átmérőjű és kb hány menetet tekertél rá? Engem pont a sok antenna zavar a saját rádiómban. Ma tettem kísérletet egy keretantenna gyártására, de meg se mukkant vele.
Kipróbáltam 4különböző tekerccsel, 1N34-es diódával és a 4K-s fejhallgatómmal. Bár az anyósom lenne ilyen néma... Nem tudom, hogy 190Km-ről ezzel mi jött be, de itt 90Km-ről se.
Én se vágom,talán a térerősség erős,vagy nem tudom,de meglepődtem hogy hallottam a kossuth-ot,persze halkan nem erősen,ha antennát kötöttem rá elhallgatott,antenna nélkül ment.Nem tudom hány menet,nem számoltam,egy 19cm-es és kb:1cm átmérőjű ferrit rúdra tekertem.
Még mindig nem teljesen értem.Így kell kapcsolni vhogy?
Mielőtt megépítettem volna a rádiómat, sokat nézegettem mindenféle kapcsolásokat és több helyen láttam olyat, hogy az antenna becsatolás külön tekercs és légmagos transzformátorként adja át a jelet a tuner részére. Ennek mik az előnyei/hátrányai?
Háááát nem teljesen.
A mellékelt mórickarajzon mutatom, mi a különbség a "hagyományos" és a feszültségduplázó között. Magyarázat, durva közelítéssel: A hagyományos kapcsolásnál, mikor a diódára zárófeszültég kerül, nem kap áramot a hallgató, nyitóirányú feszültség esetén meg a rezgőkör feszültsége jut rá. A feszültségduplázónál pedig a vízszintes dióda záróirányú feszültsége esetén ugyanígy nem folyik áram a hallgatóba, viszont a függőleges dióda feltölti az 56 pF-os kondenzátort a rezgőkör feszültségére. Mikor megfordul a feszültség iránya, akkor a feltöltött kondenzátor feszültsége sorba kapcsolódik a rezgőkör feszültségével, így ideális esetben a rezgőkör feszültségének a duplája jut a hallgatóra.
A rezgőkörre kapcsolt antenna azon túl, hogy a hasznos jelet szállítja, elhangolja és terheli is a rezgőkört.
Annak érdekében, hogy ezek a hatások kisebbek legyenek, célszerű "lazábban" csatolni az antennát a rezgőkörhöz. Persze ekkor a hasznos jel is csökken, így valamiféle optimumot kell keresni. Ennek egyik módja az általad említett transzformátoros csatolás, ahol az antennatekercs mágneses erővonalainak csak egy része halad át a rezgőkör tekercsén.
Ja,így már világos,köszi szépen!!!Ment a zöld kéz
Üdv!
A 70-80m antennahossz azért már nem semmi. De nekem is csak akkor működött a hangszórós vétel, amíg Szolnokon sugározták a MKR-t 1341KHz-en, de az megszűnt. Elvileg lehet FM-detektoros vevőt is építeni, bár én még nem próbáltam, de itt van egy példa rá!
Kérdésedre ugyan már kaptál választ, én csak kiegészíteném egy gondolattal: Induktív csatolás helyett használható kapacitív csatolás is. A kapacitás helyes megválasztásával alig lehet külömbséget tenni a két esetben >iduktív és kapacitív csatolás< lényege az antenna talpponti ellenállásának a rezgőkörbe való betranszformálása. Üdv. sz_f
Köszi a tippet, az egyiket mindenképp megépítem!
Az elsőt megépítettem. Nekem valamiért teljesen néma... Pedig kipróbáltam még az autós fm transmitterrel is, hogy biztos legyen térerő, de úgyis csak hallgatott. Építményem úgy gondolom teljesen megfelelt a leírásnak, nem tudom mi lehetett a baj...
Csak annyi , hogy nem borult rád a több (kilo)wattos URH műsorszóró gerinc adó 1ik tagja ... más nem hiányzott neked.
![]() Az FM transmitteredből kijővő energia pedig csekély volt a detektorod meg hajtásához.
Mindegy, pénzbe nem került és legalább fél órát elvoltam a vele.
|
Bejelentkezés
Hirdetés |




Lebontottam egy menetzárlatos kimenőtrafót és az így kinyert lakkozott vezetéket mindenfélére menetszámokkal nekiálltam "random"-ra tekercselni. Végül ami a legjobban sikerült azt van most a fotókon. Ferrit hengerre van tekerve (kb 12mm átmérő) amit egy régi rádióból bontottam ki. Sok-sok menet (nem számoltam), a rövidebb szakaszt 25uH-nek mértem, a hosszabbat 340uH-nek, az teljes szakaszt pedig 420uH-nak. Így a forgókondenzátor 206pF-os állásánál szépen, tisztán és viszonylag nagy hangerővel jön a Kossuth (számítások szerint is így kell lennie), kicsit lentebb tekerve (kb 100-120pF) pedig valamilyen román adót fogok vele, azt is elég szépen és nincs áthallás a két adó között. Késznek nyilvánítom. Köszönöm mindenkinek aki segített! Valamint a nemrég ebay-en vásárol műszerem is sokat segített, 4ezer alatt volt az ára, ennyit nagyon megért. 






















