Fórum témák
» Több friss téma |
Ez a kivitel inkább a "katonai" felhasználást sugallja,egyébként 6 x2 bemenetű nand kapu van benne,ugyan az mint a SN7400,bekötésre is,tehát láb kompatibilis,csak néhány paramétere jobb,lásd PDF.
Mértél rajt valamit? Próbáld melegíteni.
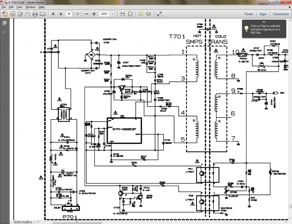
üdv nem tud valaki segíteni egy lg rz-15la70 típusú lcd tv táp ic-jéről mert le van durranva az eleje és fogalmam sincs mi lehet a tipusa annyit tudok hogy 6.lábú és egy 6871tpt281.számú panelon van.előre is kösz
Letudnád írni az IC helyét? Ami a panelon van szám.
Szia!
STR-W6853P a típusa. A rajz lelőhelye: Bővebben: Link
Szerbusztok
Hol találom meg aTLO71 és72 bekötési rajzát. majorka
köszi szépen meg van nagynehezen a STR-W6853P.volt az
heló köszi szépen az volt amit kerestem.mégegyszer köszönöm
Nem lett meg az nagynehezen, öt perc alatt megtaláltam
En csak azert kerdeztem a szamat, mert amit talaltam manual ott csak az alkatreszek voltak felsorolva. De a lenyeg, hogy meglett.
Hali!
Egy alaplapon nézegettem az alkatrészeket, találtam egy SMD alkatrészt, ami ugyanúgy néz ki, mint egy kondi (a pici barnára gondolok, nem az elkóra vagy a tantálra), de nem Cxx, hanem CDxx pozíciószám van mellette. Na ez vajon mi lehet? Jan
Szia!
Ne zavarjon meg a "D" utónév, mert általában az alkatrész áramköri funkciójára vagy elhelyezkedésére utaló jelzés, ebben az esetben a digitális lehet egy jó megfejtés
A megfejtés: decoupling capacitor - csatolásmentesítő kondenzátor.
Sziasztok!
Turtam egy kicsit a netet, de nem talalom az smd kondik erteket leiro weboldalt. Meresen kivul meg lehet valahogyan allapitani az ertekuket? Elore is koszonom!
SMK kódkönyv JB
Hálás köszönet!
Amikor kb. a tizedik SMD code bookban sem volt JB, akkor kezdtem feladni...
Halihó
Volna nekem egy olyan kérdésem hogy egy bizonyos T15N/100-as tirisztor az annyit takarna hogy 15A/100V értékű tirisztor ? És a ZF9,1 Az pedig 9,1 voltos zéner dióda?,A tirisztor helyettesíthető ilyen áldásos tulajdonságú tirisztorral? Köszi előre is a választ üdv: alika
A határadatok betartása nem elegendő, nem mindegy, hogy a tirisztornak mennyi a gyújtási gate-feszültsége.
Egy katalógusban jó lenne megnézni!
Ezzel az a gondom hogy én nem találtam dokumentációt ehhez a tirisztorhoz, meglehet hogy létezik valahol de nekem csak ilyen alap adatokat dobált ki a cimborám google.hu
Nekem is csak Ennyit mondott
Ha valami félvezetőn keresztül kapja a gyújtást, akkor lehet talán probléma, de egy tirisztor nem egy ökör ára, ki kell próbálni. Ha gyújtó tekercs van, akkor még biztosabban működhet. Fázishasításnál a gyújtófeszültség különbsége okozhat némi csúszást.
Akkor tehát a 15A csupán azért van megadva hogy ezzel már a töltő helyét ismét a radiátor veszi át a szoba felfűtésének szerepében azaz nem melegszik annyira?
Bocsi félreérthető voltam szóval a töltő körben számolva túlméretezett a tirisztor hogy kisebb hűtő felület keljen rá ?
Valószínűleg azért ekkora, hogy a zárlati áramot is elviselje rövid ideig, mert megeshet!
Hello,
milyen néven keressem azokat a pici rugós érintkezőket, amiket pl a régi telefonkábelekbe szoktak használni (Nokia 3310 és társai), amivel a panel teszt pad-jeire tudok csatlakozni? És esetleg hol kapható jó áron? Kösz HáDéSz
gbu 808 jelzésü, 4 lábu és hasonlit egy tranzisztorra, de nem az, valamijen egyenirányitó lehet, de nem találok rólla semilyen adatot. aki tud segitsen.
Dióda-híd.
A gugli az első találatra hozza a data sheet-et... http://www.diodes.com/datasheets/ds21227.pdf |
Bejelentkezés
Hirdetés |











