Fórum témák
» Több friss téma |
Fórum » Csöves erősítő készítése
Ne feledd betartani a fórum viselkedési szabályait, és a topik megmaradásának feltételeit. [link]
A téma átmenetileg fagyasztva lett, hozzászólni nem tudsz!
Nézd vissza a régebbi hozzászólásaimat. Szinte mindegyikben említem a JCM800-as erősítőt vagy szóvá teszem, hogy gitárhoz kell. Szerintem elégszer kijelentettem már. Megvan az Ágoston könyv(ezt is mondtam párszor
). Az abban található kimenőt kezdtem el tekerni. Kb. félkész állapotban van. A hozzászólás módosítva: Nov 20, 2012
Ellenfázisú, "A" osztályú erősítőt csak akkor csinálj, ha valamiért igen nagy linearitást, extrém alacsony torzítást kell megvalósítanod. Különben felesleges.
Sziasztok!
Újratekerem az ECL kimenőimet. Az egyik készen van, megmértem, 20hz-1,5khz-ig majdnem teljesen egyenes, viszont utána elkezd csúnyán emelni.. ott köt ki, hogy már +6db a 20khz. Légmagosra van lemezelve, a rést egy fénymásolópapír darab adja.. ![]() Láttam már pár rajzon, hogy a kimenő két primer kivezetése rövidre van zárva egy pár nF értékű kondival, gondolom ez visszafogja a magaskiemelést. A kimenővel szerintem gond nem lehet, 90%-ban menet-menet mellé, két részre osztott 1400 menet primer, a kettő között 55 szekunder. Valami hasonló megoldás segítene rajtam? Bővebben: Link Pl itt látszik mire gondolok. Ez valami átvitel kompenzáló tag, jól gondolom?
Szerintem az téves nézet, hogy gitárra bénább erősitők kivánatosabbak! Volt ídő mikor abból éltem, hogy hordták a Marshalokat buzizni. Az abból állt, hogy különböző szarvashibákat kigyógyitottam belőlük. Ezek többsége a magyar szakismereti könyvekben is benne van! Pl. ne vezesünk áramot a sasziba, meghogy hogy ne kössük be a puffert.
Sziasztok!
A mellékelt képeken lévő készülékek közül valaki felismeri valamelyiket és meg is tudja mondani a típusát? Esetleg azt is tudja, hogy milyen végfok van benne (SE, PP... végcső típusa)?
Szia!A legfelső Videoton R4902 ECL86 van benne.
Ami csöves mind SE A pacsirtáé EL84 Az orion EBL21 a többiét a típuszám ismeretében könyebb lenne.
Nem azt mondtam, hogy béna erősítőt csináljon, pusztán a kimenőt talán nem érdemes 3/2-nél jobban megosztani. A szimmetria kérdését nem tudom. Én zenehallgatási vonalon gondolkodom, ahol ugye a minél jobb szimmetria a lényeg. Gitárnál meg mindenféle torzítókat szoktak belerakni (persze az más kérdés, ha alapból el van fosva a szimmetria, akkor ezt a feature-t nem lehet kikapcsolni később.
).
tube_dani, Nem ide akartam.
A hozzászólás módosítva: Nov 20, 2012
Szia!
VT R 4902 ECL86 SE, AR 612 Pacsírta EL84 SE, Orion 331 EBL21 SE, VT R 4400 ECL86 SE, Elprom A 102 EL84 SE, BRG Calipso szalagos EL84 SE . De elég jó állapotban vannak. Remélem nem akarod szétbontani őket ?
Köszönöm szépen!
Egy bácsi árulja őket a piacon. A Pacsirtát 8ért, a rajta lévő Videotont 4ért. Megéri annyiért?
Az attól függ,ezt neked kell eldönteni.Mit szeretnél velük kezdeni?
A hozzászólás módosítva: Nov 20, 2012
Igaz, a gitárcuccnál a 3/2 osztás elég. Ami könnyebbség, 80Hz alatt nincs semmi - normál hangolásnál. Amúgy kerek 100Hz-re is lehet méretezni a kimenőt, az összes gyári erősítő átvitele emelkedik , kivéve a dual rectifiert...
Az nagyon nem mindegy, hogy a torzítás hol jön létre. Lehet egy majdnem hifi végfok, előtte egy torzítóval, lehet az elő fokozatokban túlvezérelni, és lehet torzítani a fázisfordítóval, végcsövekkel, sőt a trafóval is. Nem véletlen az a sok poti... A kapott hangzásnak minden esetben lesz egy karaktere, amit más módon nem lehet előidézni. Csak a kimondottan egyféle hangzásra készült erősítők egyszerűek, a cifrábbaknál meg külön művészet beállítani a kívánt hangzást. Ugyanaz az erősítő hihetetlen különbségeket tud produkálni. A végcsövek aszimmetrikus kivezérlése eléggé elterjedt. A Peavey-nek van egy szabadalma, hogy lehet ezt katodin fordítóval megcsinálni, ami eleve ritkán szimmetrikus. (Ők talán minden végfokban ezt használják.) A katód után betesznek egy potit, így az "alsó" cső vezérlőjele külön szabályozható, jó csámpás lesz, amihez még a kimenő is hozzászól.
Szia mindenki.
Melyiket lenne érdemes megcsinálni vagy megcsináltatni... Köszönöm szépen a segítséget....
Igen, a PP -k kimenő trafóját általában légrés nélkül készítik. A légrés abban az esetben szükséges, ha a kimenőtrafón állandó egyenáram folyik, (SE) ami a vasat előmágnesezi, ezért a nemlineáris mágnesezési görbe nagyon nemlineáris szakaszára tolja a munkapontot, ezért megnő a trafó torzítása, illetve a kivezérelhetősége lecsökken. A PP -nél ez az eset nem áll fenn, mert elvileg a szimmetrikus kiképzés miatt, az átfolyó egyenáramok ellentétesen mágnesezik a vasmagot.
Öregem, micsoda remek dokumented van...de irigyellek.
Megéri-e? Nézd már meg a vakerán mennyiért árulják ezeket!
Nemrég szedtem szét fájó szívvel egy olyant, ami az első képen bal szélen látható (Orion 331). Még nagyanyámmal hallgattuk rajta a szabócsaládot a hatvanas években. Most meg 15-20 ezerért kínálják gyűjtőknek! Sajnos a pincében olyan helyen volt nálam, hogy szétmállott a fa kávája. Mégis ami menthető volt kibányásztam belőle, ha másért nem nosztalgiából. Nagyon nézz körül ha ilyesmikhez jó áron hozzájutsz! A hozzászólás módosítva: Nov 20, 2012
Szia,
Rádióamatőrök zsebkönyve című könyvbe van....
Szia,
Akkor ha van olyan trafóm és ha át tekercselem vagy tekerik akkor lehet jó kimenőm csak a méretei a fontosak .?
Sziasztok!
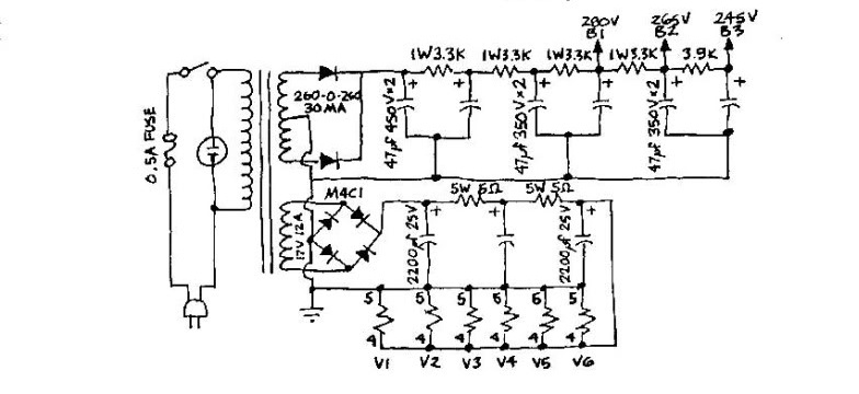
A táp fűtésrészén az a 17V 12A egy kicsit el van írva? A hat darab 12V-al fűtött 12AX7 nekem nem jött ki többre mint 900mA így az inkább 1,2A lehet? (a diódák is csak 3A; 200V)
Én felismerek egy Resprom Akkord 102-t (B90 orsós magnó mögött), az elektronikailag olyan, mint az A104 (álló), de ez fekvő. Abban, ha jól emlékszem 2db EL84 van ellenütemű végfoknak, de lehet csak egy, viszont az EL84 tuti, valamint az FM aránydetektora sem félvezetős, hanem EABC80-as 3 dióda+trióda van erre a célra.
A Tesla B90 orsós magnó pedig kedves emlék - volt nekem is nagyon régen, de javíthatatlanul tönkre ment, R.I.P. - a szokásos negyedsáv-monó, illetve "félsztereó", ui. a lejátszóerősítő duplázva van, emiatt a tuchel aljzaton a szereó felvétel sztereóban szól (nem igazán publikált feature, ezért érdekesség).
Légy szíves egy fotót az előlapjáról, vagy szerzőt, kiadás évét. A használtpiacon van ilyen címmel, csak nem tudom, azonos-e.
Köszönettel: Orbánjózsi A hozzászólás módosítva: Nov 21, 2012
Szia.
Rádióamatőrök zsebkönyve :Magyari Béla.Műszaki könyv kiadó, 1963. a borítója ami nekem van az fekete.... Az itt lévő szakemberek nekem is mindenben sokat segítenek,ha valamit nem tudok. A hozzászólás módosítva: Nov 21, 2012
Helló !
Egy SE kimenőnél ugye nem mindegy hogy a kimenő szekunderén melyik a test. De egy PP-nél ? Mert ugye ott a tápot középre kötjük a primeren ? Annál hogy van ez ?
A szekundere meg ugyanúgy, mint egy SE-nek...
Szóval ott sem mindegy hogy a tekercs elejét vagy a végét kötjük a testre ?
Néha kérdés, az hogy melyik a tekercs eleje vagy vége
![]() Tapasztalatom, ill. mások tapasztalatai alapján az nem mindegy, hogy egy SE trafónál milyen sorrendben vannak összekötve a primer tekercsek, és az sem, hogy melyik vége megy az anódra melyik vége a tápfeszre. Ha fázishelyesen szeretnénk bekötni a cuccot: Ha egy csövünk van meghajtónak az fordított fázisú jellel hajtja a végcsövet. Bővebben: Link ha két csö van egymás után és nem katódkövető a második fokozat, akkor azonos fázisban van meghajtva a végcső. Bővebben: Link A két megoldás között a szekunder tekercsek kivezetéseit szoktam cseréni a fázishelyességhez. A hozzászólás módosítva: Nov 21, 2012
Szerintem egy szkóppal és egy szinusz beküldésével rögtön kiderül, hogy ahhoz a meghajtófokozhathoz képest, ahová az NVCS-t vissza akarjuk vezetni, melyik tekercsvég lesz fázishelyes. A ahngszórónál sem mindegy igazából, hogy mikor lendül ki és mikor befelé, szóval azt mindenképpen tudnod illene, hogy melyik kivezetés a "pozitív". Én csak egyszer raktam még nvcs-t egy projektembe (nincs is vele nagy tapasztalatom). Akkor úgy volt, hogy sípolt meg mindent csinált. Megcseréltem és máris jó lett. Szóval így is kiderülhet.
|
Bejelentkezés
Hirdetés |


). Az abban található kimenőt kezdtem el tekerni. Kb. félkész állapotban van. 




