Fórum témák
» Több friss téma |
Fórum » Pc-tápból 12v-230v - os inverter
Egyszer egy trabiban láttam videoton erősítő+dvd kb.200w zene , mindez 230v-ról.
pc-táp volt átalakítva. Ha valaki tud valamit szóljon!!!!!!!!!!!!
Szia
Rosszul láttad... 6ért monyákot, 10-12 ért elég korrekt Invertert lehet venni. Viszont ha folyamatosat 200W-ot akarsz levenni róla, akkor 4-500-at fogyasztani fog.. Vegyél még egy aksit a meglévő mellé, és szerintem egy hegesztőtarfó méretű inverterrel ami felvesz 30A-t meg tudod oldani. További előnye, hogy sütni is tudsz majd az autóban, olyan hőtermelése lesz (télen hasznos) Amúgy ha jól emléxem volt már ez téma.
30 percet futott aztán horpadt az akku, lehetett tologatni !
Az akkuról nem beszélve, ha valóban PC-tápból lett átalakítva, akkor igen szép munka lehetett, mert a dobozán kívül pár alkatrész maradhatott az eredetiből.
A ferritmagos impregnált trafó áttekerése sem egy kezdőknek való feladat. Erősítőhöz egyébként nem nagyon szoktak 230-at előállítani, sokkal gyakoribb a + - 30..60V.
Lehet kapni 12V-230V invertereket, egész jó árban vannak...
![]() Most teszteltünk egy 1800W-osat, vitte a villanyrezsót is, igaz pár perc alatt leszopta a 88Ah-s akkut... Autóerősítő méretű, korrekt kivitelnek néz ki, egy földelt és két lapos 230V-os aljzat van rajta, a bemenet meg 2db 12mm körüli aranyozott csavar. 6db 30A bizti van a bemeneti oldalon. Folyamatos 1800W, csúcsban 3600W. Hatásfok: 90%. Dolgozik benne 2 venti, nem igazán melegedett. Ja, és 80eFt körül van az ára. Van belőle 2500W-os is, és 80W-os a legkisebb. Erősítőt táplálni róla nem kifizetődő, arra nagy inverter kell és így drágább, mintha autóba valót használsz. A DVD-t még megérteném barkács szinten, egy asztali 10eFt alatt van, a kocsiba való meg 60eFt körül. De a DVD tápját is ki lehet váltani, abban is törpefeszültség van, +-5/+-12, vagy ilyesmi. Van erről már topic talán itt is... Üdv Inhouse
sziasztok kezdő volnék de sikerűlt ősszehoznom egy erősítőt be szeretném tenni autóba csak van egy gondom +-50 volt kell neki tudnátok segíteni ebben.
Hello!
Én egy Ifonix márkájú 200W/400W csúcstelj (max 0,1sec) invertert vettem tavaly a plusban, 6000Ft-ért. nagyon meg vagyok vele elégedve, nincs benne trafó, csak egyéb alkatrészek, 12VDC-ből 230V módosított sinusjelet állít elő. Áramsünet idején 2db 50Ah-s akksiról egy óráig vitte a gépem, modemmel és routerrel eggyütt. van benne egy venti, de egy óra használat után sem volt meleg. Csak dícsérni tudom
Trafó nélkül 200 állandó és 400W csúcsteljesítmény?? Hmmm Furcsa. Ha így haladunk kiderül nincs is gravitáció...
Na de tényleg!!! :eek2: Az fényképezd már le nekünk!!! Kívül belül!!!
Hát akkor mindenki olyat fog csinálni!!!! Neeem? De!
Van abban trafó, csak nem 50Hz-es, hanem inkább 50kHz-es. Szerintem...
potyonak igaza van, csak elég rég szedtem már szét, és nem emlékeztem rá, télleg van benne egy kis trafó. Csak az elő- ill hátlapot szedtem le, az alját nem, mert azon gari címke van.
Csináltam pár képet is. Kapcs rajzot ne kérjetek, mert abban nem vok túl jó hogy panelről papírra vessem Feltettem a képeket a haszu.uw.hu -ra. A kompkatfénycső doboza amit mellé tettem, 17cm-es.
Hát Haszuboy!!!
Pedig nagyon jó lenne, ha valahogy meg tudnánk oldani a kapcsolási rajz leskiccelését!!! Én ilyen kis kompakt cuccot, csak más kezéből láttam, nyílván azt nem engedte meg hogy szét is szedjem!!!
Na megkerestem a gari papírt, 2006 05 11-én vettem. szal már lejárt. Majd holnap szétszedem, kíváncsi vok a belsejére. Mondjuk azt még nem tudom, hogy majd melyik alkatrésznek hogy mérem le az értékét :S De majd megpróbálom. Holnap vagy holnapután szétszedem s megnézem
Elsőnek az is megteszi, ha nagyon szép, tiszta, közeli képeket készítesz, minkét oldaláról!
Aztán ha van benne fantázia, akkor nekiugorhatsz firkálgatni is!!! Peti
Na hello. Tegnap szétszedtem (hosszas gondolkodás után szétvágtam a gari címkét
) és nézegettem. Fotózással annyi problémám van, hogy a digi gépünk beszart, és csak telóm van (SE K510i) azzal meg közeli olvasható képet nem lehet csinálni. Nagy megkönnyebbülésemre egyoldalas a NYÁK Majd sztem ma vagy holnap elkezdem rajzolgatni. Ja, és szerencsére nincs benne smt alkatrész, viszont van benne 5 ic. Majd meglátom, mire jutok. Üdv
Csaó !
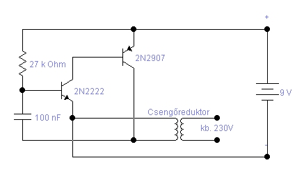
Véletlen nem csak a pc táp dobozát használták fel ? a cimke meg miért nem volt még feltépve ha egyszer már valaki átalakította ? De szerintem az első kérdésem lessz a helyes mert egy pc táp trafó ha visszafele küldik meg ráadásul ahoz is gyökeresen át kellene alakítani akkor sem volna nagy teljesítményű csoda ha egy 20 w-os fénycsövet elvinne. egyébként meg ez a kis kapcsolás mindent megold és egyszerű. A teljesítményhez meg a trafót és a tranyók számát kell hozzáalakítani. Nameg egy vagy két bika aksi.
sőt még olyan kapcsolást is láttam valahol amiben csak két 2n 355 volt meg egy kondi egy két ellenállás és megvolt a rezgőkör utána a trafó.
Amit még régebben autóba csináltam az egy sima 400 w kimenőteljesítményű pc-s szünetmentes táppal csináltam .
lekötöttem az autómatikát vagyis átbillentettem a relét folyamatosra és lekötöttem a csipogót. Úgy elvitte a 2szer 200-as dj erősítőmet mint a sicc. Bemész egy valami bontóba vagy pc megsemmisítő raktárba és fillérekért veszel egy olyat amiben csak az aksi a rossz és már meg is vagy . Több ötletem nincs.
hehe egyszer én is a pc táp +12V és gnd kivezetésére adtam 12-13V-t és annyit csinált hogy bekapcsolt a táp(forgott a ventillátor), de 230at nem lehetett mérni a bemenetnél(semmit nem lehetett)
De ezek az inverterek is tulajdonképpen kapcsitápk minimális eltéréssel. Ezekben a minitrafókat nemértem hogymeikbe mien kell (mondjuk 12V bol 40Vot) meg van rajta vagy 8-10kivezetésn egyszerüen nemtok rajtuk elgazodni
tulajdonképpen ezekben a trafó is ugyanúgy van méretezve a több kivezetés több egyedi feszültségkimenetet jelent és van olyan amit be sem kötnek.
Végeredményben ugyanaz mint egy sima trafó csak a primer oldalon több a kivezetés mint kettő mert egy nullponthoz képest két különböző tekerszre megy ide oda a nagyfreki. Vagyis ide oda billen a fesz nagyfrekvencián. És nagyfrekvencián ilyen pici trafó is elég hogy nagyobb teljesítményt adjon le. Bár erősítőkhöz nem alkalmaznám mert nem igazán szeretik a hirtelen rángatást ami egy hangerősítőnél bőven akad. Visszatérve a pc tápnál általában egy ic határozza meg vagy egy ic melletti ellenállás vagy ellenállások hogy mennyi legyen a kimeneti fesz. Visszafele meg nem műxik a pc táp mert eleve nincs a szekunder oldalon rezgökör ami meghajtaná a trafót. A ventilátor meg azért ment mert ugye az is 12 voltra van kötve a kimeneten.
Szünetmentes szgép tápra rá lehet rakni a forrasztópákát? Nem a tetjére tárolni
hanem.. Nincs udvar, az utcán meg nincs áram és a kocsiban vhogy meg kéne oldani a forrasztást. Vki azt mondta, hogy a szünetmentes elviszi a pákát, csak dugót kell rá forrasztani. Ez tényleg így van? Ha igen, akor hogy kell bekötni a lengő konnektor aljat? Barna, kék és zöldásrga színek vannak. A kis gázpákák nem jöttek be
Nyudogtan rá lehet kötni, a páka ohmos terhelés, nem okoz gondot a szünetmentesnek. Viszont hogy nem melegszik-e túl, vagy bemelegszik-e eléggé a páka, az próba-cseresznye kérdése. A szünetmentes kimenete nem színuszos, nem biztos, hogy a pákán folyó áram effektív értéke ugyanaz lesz, mint színusz esetén.
A pákán nincs dugó? Barna és kék megy a két villába, zöldsárga a földelésérintkezőre.
A pákán van dugó, de azt aljba kell dugni és a szünetmentesen számítógáp alj van, abba a dugvilla nem megy bele.
Szuper, a barnát raktam a földre , a többit még kihagytam... Kipróbálom gyors.
Melegít a páka :taps: , kérdés meddig birja...
én már forrasztottam így és elbírja símán mert egy páka csak 70 w körüli na persze ha pisztolypáka.
A zöld sárgát ki lehet hagyni mert nincs előtte hálózat és nincs földelve . Amúgy meg a pisztolypájkák kettős szigetelésűek. Nem kell neki föld.
Hello!
Svédországban 600W-os 12VDC-230VAC invertert vettem átszámolva 10000Ft-ért. Megérte szerintetek?
Meg. Itt ez a teljesítmény min. 20000 .
Üdv: McG |
Bejelentkezés
Hirdetés |





Csináltam pár képet is. Kapcs rajzot ne kérjetek, mert abban nem vok túl jó hogy panelről papírra vessem 
) és nézegettem. Fotózással annyi problémám van, hogy a digi gépünk beszart, és csak telóm van (SE K510i) azzal meg közeli olvasható képet nem lehet csinálni. Nagy megkönnyebbülésemre egyoldalas a NYÁK
Majd sztem ma vagy holnap elkezdem rajzolgatni. Ja, és szerencsére nincs benne smt alkatrész, viszont van benne 5 ic. Majd meglátom, mire jutok. Üdv 

, a többit még kihagytam... Kipróbálom gyors. 