Fórum témák
» Több friss téma |
Mielőtt kérdezel, a következő két dolgot ellenőrizd!
I. A helyes tápfeszültségek megléte.
II. A kimeneten van-e egyenfeszültség.
Élesztés.
Értem. Akkor Nem erősítő kell nekem hanem egy hozzávaló hangfal.
Köszönöm a segítséget. Ezek az ithoni zenén kívül jók valamire vagy váljak meg tőlük?
Nem hangfal könyörgöm, hanem érzékeny hangszóróval épített hangsugárzó.
Köszönöm, de akkor kicserélhetem az A2000Vm-et Tda 2005-re? Mert egy darab Tda 2005-ös tud 11W-ot körülbelül és 4db tda 2005-ös le tud adni 360W-ot?
Elnézést hangsugárzó.
Akkor ezek itthoni zenén kívül másra nem nagyon jók? Esetleg a kasznit meghagyom és veszek bele egy érzékenyebb hangszórót?(mély) a magasak elég jól visítanak
Még otthonra is csak fenntartásokkal.
Az a gond a másik hangszóró belerakásával, mint ahogy a "van egy gomb, amihez veszek egy kabátot" mondás is utal rá, hogy a hangszóróhoz kell tervezni a dobozt, és nem fordítva.
Igenb utána már leesett hogy az új hangszóró meg szinte biztos hogy nem jó ehhez a ládához. Ház ez van... Majd nézelődök valami mély hangszóró után meg magast és megmutatom itt is Ti jobban értetek hozzá...
Köszönöm a segítséget.
Jó Peti, csak valami hangsugárzós témában, mert itt ez off!
Örömmel olvasom, hogy sikerült meggyőzzelek. A 200W-os erősítővel kapcsolatos kérdéseid gondolom tárgytalanná váltak.
Igen igen. Nem az erősítővel van gond. Ööh... semmi az nem ide tartozik
Szia! Tudnál betenni egy linket, hogy néz ki?
Üdv.
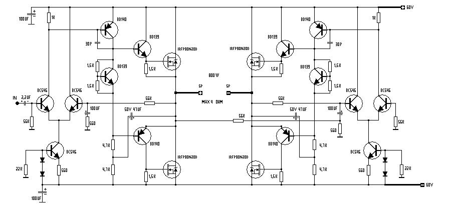
Beringer 600 nevű fórumózó kollega a következőt írta nekem segítség képpen Ennek az erősítőnek a hídba kötésére. Idézet: „Minden további nélkűl hidba lehet kötni,a következő képpen. Az 1ik csatorna bemenetét rövidre zárod a test pontal a másik csatorna kimenő hangját pedig vissza vezeted a már letestelt csatorna T2 tranzisztor bázisába külön 3k3 óhmos ellenáláson keresztűl,és a terhelést már a két erősitő kimenetére kapcsolod.Hangszórót itt már nem kötsz testre,csak a két kimenetre.Ha kérdésed van csak szólj.Üdv.” A kérdésem az lenne hogy milyen módszerrel valósítsam meg ezt? Az erősítőm úgy szeretném használni hogy a hidalási opció választható legyen egy kapcsoló segítségével. Szóval a fentebb leírt dolgokat (bemenet rövidre zárás jel rákapcsolást hogyan oldjam meg egy darab kapcsolóval? Egy két áramkörök kapcsoló elegendő lenne erre a célra?
Szia! Nekem, egy két áramkörös kapcsolóval van megoldva,mivel két funkciót kell kapcsolnia.A bemenet rövidre zárása,a másik pedig a kimenő hang vissza vezetése.De ha nem érthető ahogy le irtam,itt a szemléltető példa.
Köszönöm!
Teljesen érthető ahogy leírtad. Köszönöm!
Nagyon szivesen nincs mit,ha tudok valamibe segiteni,csak nyugodtan.Üdv,Zsolt
Profi munka és kivitelezés.Gratulálok!
Köszi.
Ezek egyenlőre még csak az első szériás egynyákos "prototípusok". Teszek fel pár képet más szögekből, hogy látszódjon azért. Az alapja a következő: Földelt rácsú nem invertáló differenciálerősítővel megvalósított 6h2p ami egy 6h6p katódkövető+áramgenerátorhoz van illesztve. (6h6p-nek elég kicsi a kimenetei impedanciája.) Ez a csöves feszültségerősítő hajt egy komplementer szimmetrikus végfokozatot amely nem erősít feszültséget. A kivehető teljesítményt egy az egyben az eleje (a csöves fokozat) határozza meg. Jelenleg 24V rms a tiszta kivehető telj most, 225V-os anódfesszel. Az anódfeszt megemelve pl 270V-ra már ez 32-35V rms -re tehető. A végfok védve van kimeneti rövidzár, késletetés (40sec-időzítve ,addigra nagyjából a csöves fokozat is feláll.) dc védelem, -és hővédelem. Ezt a hibridet jelenleg még hangminőségben nem tudtam űberelni semmilyen tranyós erősítővel sem, de több meghallgatózás során is csöves erősítő párti barátaim is nagy bizalommal mondták, hogy nem biztosak benne, hogy nem szól " talán jobban" , de legalább úgy mint az SE, esetleg P-P-jük. A játék valóban a magas minőségű hangra megy ki. Ez az első kisebb verziós. A nagyról "(fejlesztő példányról)" is mellékel egy képet.
Sziasztok!
Csináltam egy 2.0-as régi PC hangszóróbol akksis erősítőt. (12V) Vajon meddig bírhatja egy 6AH-s kis zselés motor akksi???
Osztani szorozni már tudsz. Megméred a felvett áramerősséget, és kiszámolod.
Professzionális! Ennyi.
Átgondoltnak tűnik. Rendezett és szép.
Ügyes.
Kösz. -Bár sosem olyan szép mint gépen a tervezés folyamán.. Majd a nyákgyártósok a megfelelő technikájukkal tudják hozni az elvárt szintet..
Na ez az amikor nem az alapokkal kezdjük....
Az akku 6AH, tehát 6 amper óra, szóval 6 A-t tud szolgáltatni egy órán keresztül, akkor 3A-t / 2 óráig, , 1,5A / 4óra...stb stb., mérd meg egy műszerrel mekkora áramot vesz fel az erősítő használat közben, és ki tudod számolni nagyjából meddig bírja.
üdv. van egy unitra diora dss101 erősítőm amibe kikéne cserélni a 2 ic-t (cemi UL1405) ugyanis tönkrementek, de már nemlehet kapni, aztszeretném kérdezni hogy ez az ic mivel helyettesíthető? 9lába van mind2nek. mellékelek pár képet.
Nem hiszem, hogy egy az egyben helyettesítője lenne. Építs bele egy másik végfokot.
Szia! Milyen feszültségek uralkodnak a készülékedbe?Hány voltot kap az erősitő ic?
|
Bejelentkezés
Hirdetés |

















