Fórum témák
» Több friss téma |
Fórum » Crystal radio - detektoros rádió
Idézet: he he ... SZOLENOID akart az lenni „szoleinod”
Hali!
Tudna segíteni nekem valaki abban, hogy honnét lehetne olcsón cink-lemezt vagy rudat beszerezni?
Cink lemez=horganylemez(nem horganyzott!!!), rúd: a bojlerek anódja.
Üdv!
A bojlerek anódja, már alumíniumból készül. Régi kocsma pult anyaga a horgany lemez. Esetleg "MÉH" telepeken található még régi eső csatorna, vagy ablakpárkány lemez. A hozzászólás módosítva: Okt 26, 2012
Én úgy tudom, hogy alumíniummal ötvözött magnéziumból van az anód. A reszelékét meg tudtam gyújtani, egész látványos tűzijáték kerekedett belőle.
Csak vigyázz a mennyiséggel, könnyen oda juthatsz, hogy nem tudod eloltani. Vízzel, meg meg se próbáld.
Én még a Zn-nél tartottam-bocs!
Akkor esetleg tüzép telepen? Vagy csak kimondott fémkereskedésben?
Esetleg még akkumulátorokban, elemekben, nem veszélyes, mérgező ha szétbontom őket? A hozzászólás módosítva: Okt 27, 2012
TüZÉP telepen van rá esély, hogy tudsz szerezni, ha másképp nem, esőcsatorna képében.
Csak arra kell vigyázni, hogy a mesteremberek a "horganylemez" kifejezést sokszor a horganyzott acéllemezre is használják. Belinkelek egy kereskedést, ahol horgany, meg a horganyzott meg van különböztetve. Ez lenne. Meglepő módon a tiszta horgany esőcsatorna sem egy ökör ára. A hozzászólás módosítva: Okt 27, 2012
Cinklemez a "száraz"-elemek külső köpenye is, de vastagabb van még sok a bádogosszakmában is (na ja, van még ez a szakma??). Rudat szerintem nehezebb találni, talán lemezdarabokból önthető? Akkumulátorban nincs!
A hozzászólás módosítva: Okt 27, 2012
Annyit beszélünk a cinkről, hogy most már igen fúrja az oldalamat a kíváncsiság, hogy mit szeretnél kezdeni vele?
Higgyük azt., hogy a kolléga cinkit detektorral szeretne kísérletezni, vagy földteleppel kívánja megoldani a detektor eőfeszítését
Szép!
Látom a bemenet valójában egy "pí" szűrő . Még szélesebb tartományt tudna illeszteni "hangolni" ha a két 300pF szektor nem együtt forogna, vagyis két külön forgó lenne. Én kipróbálnám a csatoló kondenzátort át tenni közvetlen az antenna bemenettel sorba a szelektivitás is lehet változna. Minden esetben érdekes kis kapcsolás, hasonlít egy adó kimenetére.
Örülök, hogy tetszik
![]() Én más irányból közelítettem meg a műszaki tartalmat. Padlásantennám van, 5 db 8m hosszú vezeték párhuzamosan kötve, olyan 30-50 cm-re a szarufáktól. Mind generátornak, ennek a belső impedanciája a kh sávban inkább kapacitív. Az antenna felől nézve a rádió egy soros rezgőkör,amiben a kapacitása a forgó egyik szektorából, meg az anteanna kapacitásából tevődik össze. Bentongue cikkeiben olvastam, hogy egy ilyen antenna kapacitása 200 pF körül van. (A kellő frekvenciaátfogás kedvéért ezt kiegészítettem a forgó másik szektorának a kapacitásával). Ilyenformán rezonancia esetén a csatolókondenzátor rezgőkör felőli végén akár nagyobb jelfeszültség is lehet, mint az antenna feszültség. A csatolókondenzátorral kényelmesen lehet változtatni a diódákon átfolyó áramot, ezzel együtt a rezgőkör terhelését és annak jóságát. Hozzáteszem, hogy én OA1182 típusú aranytűs germánium diódákat használok, ezeknek a nyitófeszültsége nagyobb, kis áramok esetében Mohm közeli az ellenállásuk, így a rezgőkör terhelése is kicsi, viszont nagy impedanciájú hallgató kell hozzá. A házunktól 7 km-re van a helyi adó, ami az általam kipróbált "hagyományos" kapcsolások esetén elnyomta az összes többit. Készítettem két hangolt körös vevőt, azzal sikerült megfelelő szelektivitást elérni, viszont a kétkezes hangolás elég kényelmetlen volt. Ez most bevált ebből a szempontból. El bírom képzelni, hogy különböző nagy kapacitású pótantennák (esőcsatorna, tetőbádog, "villanyantenna") használatakor is jól működne. A hozzászólás módosítva: Nov 11, 2012
Üdvözlet mindenkinek!
Ma összeraktam egy detektoros rádiót.Az első két képen lévő rádió az egy régebbi művem. A3. és4. képen lévőt készítettem ma. Egészen tűrhetően szól. Ha megjön hozzá a megrendelt csövek akkor egy 2 csöves rádió lesz belőle. Teszek fel képeket.
Tetszik a variométer, de a régebbi két hangolt körös sem kutya
Sziasztok a minap a jutub-on láttam egy videót ahol egy srác szinte hulladékból detektoros rádiót épített.Másnap én is nekiálltam megcsinálni és valóban jól működik,bár én egy kicsit dizájnosabbra csináltam a farészét.4000-ómos fejhallgatóval is szól,bár hallkan,ezért tettem bele egy plussz dugót amibe a számítógép hangfalának belemegy a dugója és így mint egy kis asztali rádiót is lehet hallgatni.Két román és egy német adó jön rajta!
Négyes rajtszámú unokám próbálkozik a detektoros rádióval. A hallgatót még nem sikerül felvennie, még szerencse, hogy a helyi adó levett hallgatóval is jól hallható
![]()
Kell az utánpótlás.
Aranyos, bizony szülség van az utánpótlásra!
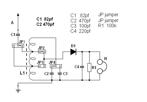
Egy kicsit szeretném fellendíteni az érdeklődést a téma iránt, ezért elkészítettem egy detektoros rádiót vasmagos tekercsel fix frekvenciára. Így forgó kondenzátort nem használok. Az alapkapcsolás egy állomás vételére alkalmas. Én két állomás vételére állítottam be. Antenna és detektor illesztést, valamint az állomás választást jumperral oldottam meg. videó a detektorosról
A méhsejt tekercs készítése A hozzászólás módosítva: Dec 6, 2012
Gratulálok a méhsejt tekercselő készülékedhez! Egyszerű és nagyszerű, a végeredmény meg teljesen profi.
A videóból látható -pardon, hallható- hogy a kis rádió szelektivitása is rendben van.
Szép és Jó Munka, Gratulálok!
![]() A videók is Nagyon Jók lettek.
Akiben van elszántság és kísérletező kedv, készíthet rézoxidul egyenirányítót/detektort!
Csak manapság salétromsavat nemigazán kapni... Engedélyköteles.
Nagyon jó lett a tekercselő géped és a rádiód!
Tisztelettel Madzagos
Két ünnep között volt egy kis szabadidőm egy detektorosra. Ami egy kicsit érdekessé teszi: Van egy olyan (K) kapcsolóállás ahol a belső rezgőkör lekapcsolódik, így lehetővé válik a K és a földelés banánhüvelyekhez külső rezgőkör csatlakoztatása kísérletezéshez. Egy másik kapcsolóállás(D) belső diódát iktat be.Ekkor a kristálydetektor helyére rövidzár dugót kell tenni! A többi kapcsolóállás a detektor illesztését segíti a tekercs leágazásainak variálásával.
Szia!Jól lett a rádió,gratulálok!
Az lenne a kérdésem,hogy az a tekercselésmód,ami a képen is látható mire/miért jó?Már régóta látom sok helyen,de nem jöttem rá,mire való. |
Bejelentkezés
Hirdetés |























