Fórum témák
» Több friss téma |
Nagyon köszönöm a tok meg hever a fiókban, sajnos időm most kevés lesz az ünnepek miatt ha kész lesz felteszem a topikra. Üdv:bovizcsa
Esküszöm, pont mikor írtam, akkor is láttam 945Ft-ért valahol a neten...most csak 1400Ft-ért találtam...
1400Ft-os teszter Üdv Inhouse
Bocsi+ szállítási költség, akkor mennyi is az annyi ???
EZ még meggondolandó,mert van átvételi pont üdv:bovizcsa
A szállítási költség nulla. Pontosabban benne van az árban...
Köszönöm erre nem terjedt ki a figyelmem. Üdv:bovizcsa
Nagyon köszönöm,megint újra működik
Hali!
4017 kellett akkor bele, ugye? Melyik lett a reset láb? Örülök, h segíthettem. Küldesz egy képet róla esetleg? Üdv: Laci
Mindent úgy kötöttem be ahogy a panelon bejelöltél nekem,nagyon egyszerűen a 4017 -re sokerű vezetéket kötöttem és működik, még megfogom csinálni kis panelra,és ha jól sikerül köldök képet is,addig is nem kápráztatnálak el ezzel a tákolmánnyal amit csináltam.
Még egyszer köszi
Próbáld meg egy olyan panelra megcsinálni, ami benne volt gyárilag. Az lenne a legszebb és a legesztétikusabb.
Már nagyon várom a szabit,de az csak augusztusban lesz
Kérlek légy türelemmel.
.....
Most lesz időm véglegesíteni a bekötéseket, addig is elküldöm a próbapaneles fényképeket,meg a kézi rajzomat.
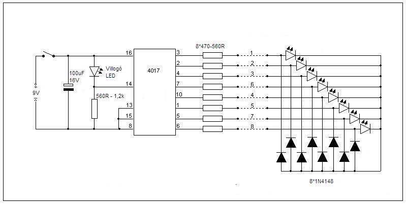
Sajnos csak smd alkatrészek fognak elférni így megint új kihívás elé nézek, a rajzon jól látszik a 11-es láb van rákötve a 15-ös resetre. Sajnos a videókat nem tudom feltenni,de ha érdekel valakit nagyon szívesen átküldöm, de a legkisebb is 20MB -s
Szia,
hasonló az enyém is. Igaz, ott az "adó" oldalon nincsenek LED-ek, csak a villogó LED, mint ütemadó. Véleményem szerint 1.)vagy minden (1-8) ágba tegyél antiparalell diódát, 2.)vagy az 1,2,4,7 (illetve 3,5,6,8) ágakba Jó kis szerkezet lesz!
Üdv,ha volna róla rajzod megköszönném,vizuális vagyok.
Itt a kép:
Sajnos a fénykép, olyan, amilyen. Lemerült a fényképezőm akkuja..., de talán látszik a lényeg: a "vevőben" az 5mm-es LED-ek lábaira vannak forrasztva az 1N4148-ak, a LED-ek lapos fejű típusok, a dobozkába belefúrva, beragasztva. Az UTP csatlakozó egy UTP kábeltoldó feléből van "megfaragva".
Hali! A 11,15 lábak legyenek földre kötve, a rajzon nincs jelölve. Elég 2db 4148 bele, hiszen, ha az egyik kimenet épp aktív, amivel párhuzamosan van kötve a dióda, akkor a másikon keresztül meg tudja kapni a földet. Mellékelek egy képet az én nyáktervemről. Az RJ11 csatlakozó nem lett beépítve, mivel a panel elkészítése után rájöttem, hogy az RJ45 aljzatba az RJ11 dugó ugyanúgy bedugható, csak tesztelésnél az 1 és 8-as LED-ek kimaradnak. Az összes 4017 sem került beépítésre, csak a helye ki lett alakítva.
Szia! Mivel az eredeti NS-468 teszter lett lemásolva és a próbapanelon is ez lett kialakítva, én maradnék ennél a megoldásnál,mivel működik a 4017-el .A 11és 15-ös lábakat csak össze kell kötni.
Az előző hozzászólásodban lévő rajzon pedig földre van kötve. Ha nem kötöd földre, akkor lebegni fog, nem lesz stabil.
Nem is írtam, hogy nem működik. Ez így tökéletes.
Megtaláltam a rajzom,most közkincsé teszem az NS468-ba illő kis panelt, majd a próbapanelon elkészített verzió.Mind a kettő LAYOUT 5-tel.
A hozzászólás módosítva: Nov 19, 2012
"a másikon keresztül meg tudja kapni a földet."
És ha pont az szakadt?
Hello mindenki egy kis segítségre lenne szükségem.Hogy lehetne utp-n ledeket kapcsolgatni?
Ezt azért fejtsd ki bővebben. Milyen LED, milyen távolság, milyen áramforrás?
Az UTP egy kábelfajta, általában 4 érpárból, összesen 8 érből áll. Egyenáramú ellenállása méterenként legfeljebb 0,2 ohm. Szigetelése 60-125V-ra van tesztelve.
Sziasztok!
Megépítettem a képen látható kábel tesztert. A kérdésem az lenne, hogyan lehetne megállítani, az óra jelet egy nyomógomb segítségével, hogy az ereket egyenként tudjam vizsgálni? Igazság szerint én ebből egy audio-kábel vizsgálót szeretnék csinálni, szakadás vizsgálónak. Ezért már kicsit másképp építettem meg mint ahogy az eredeti rajzon van ez látszik a kézzel rajzolt képen. Itt az a jelenség van, hogy a nyomógomb lenyomásakor szépen lépked a 4017, de ha megszakítom a gombbal akkor eszeveszettül rohan a ledsor. előre is köszi
Kapcsolási rajz alapján elkészítettem az áramkört, amit micimacko felrakott. Olyan problémám van vele kábel teszteléskor, hogy az első led villog(nem alszik ki, csak hol erősebben, hol gyengébben világit), a többi nem, mintha számláló nem számolna, nem adna jó órajelet a villogó led. Mi lehet a probléma? 560 Ωos ellenállást használtam mindenhol.
Az egyik led be sincs kötve, Az ic honnan kap tápot? Ezt megépítetted?
Hali! Csak egy -két megjegyzés a feltöltött *.lay fájlokhoz (mert akarok egy ilyet készíteni):
- RJ45 csatlakozók egymáshoz képest tükörképek, de bekötésük ua. maradt ?! - a jobb oldali LED sor legfelső diódája szerintem fordítva van bekötve a kapcsolási rajzhoz képest (kézzel rajzolt) - lehet hogy tévedek, ez saját véleményem(felraktam az én általam elkészített nyákot - alkatrész felőli oldal) A hozzászólás módosítva: Jún 25, 2016
|
Bejelentkezés
Hirdetés |











Nem is írtam, hogy nem működik. Ez így tökéletes. 






