Fórum témák
» Több friss téma |
Fórum » Fényorgona
Úgy tűnik, hogy bevált a javasolt megoldás. Kösz szépen.
Hello!
Szívesen. Amúgy javasolhattam volna azt is, hogy R9-et 1Mohm-ra, C9-et 100nF-ra cseréld ki. Akkor az IC bemenőárama által keltett offset hiba "nekünk dolgozik".. üdv! proli007
Nagyon bírom ezt a a kapcsolásod! Megépítettem a CD4017-es részt is, nagyon látványos!
Hello!
Örülök neki hogy tetszik, mert nem mindenki van ezen a véleményen. Vagy még nem próbálták ki, vagy más az elvárásuk, vagy lehet, hogy más zenénél más formát mutat a dolog.. Ez ugyan nem "fényorgona" a hagyományos értelemben, én inkább csak egy "fényeffektnek" gondolom.. üdv! proli007
Üdv!
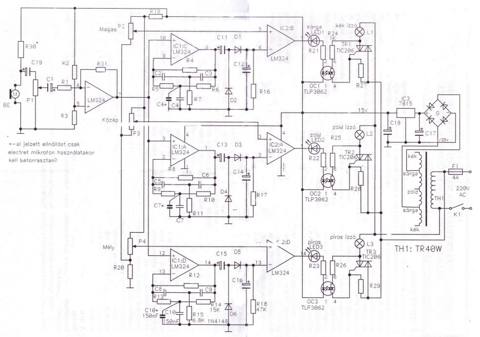
Találtam itt egy kapcsolási rajzot,fényorgonához.Arra gondoltam 3 db 40 w-os izzót hajtok meg vele. Valaki megépítette már ezt a kapcsolást?Működik?
Üdv
Nyugodtan építsd meg.Ez egy jól bevált kapcsolás.Valamikor régen az egyik Rádiotechnika újságban szerepelt.Ha jól emlékszem telectro kollégának még * nyákja is van hozzá. Üdv Norbi
Hú,
egy nyák az jól jönne,nem nagyon építettem még ilyesmit,de egy nyák megkönnyítené a dolgomat. Ha valakinek van hozzá nyákja kérem szépen írja meg. Köszönöm!
Erről mi a véleményetek,egységcsomag:
Üdv!
Megépítettem az előző kapcsolási rajz alapján az elektronikát.Azzal a kivétellel hogy 7815 helyett 7805-ös ic-t használtam.A problémám az lenne hogy míg input és GRD rendben,addíg az outputon alig tudok mérni feszültséget,pár voltot.Hogyan lehetséges ez?Természetesen nem sikerült felélesztenem a kapcsolást. lehet hogy ic cserével megoldódna a probléma?Valaki segítsen legyen szíves.Megköszönném.
7815= +15V-os stabilizátor; 7805= +5V-os stabilizátor
Ilyen cserét nem csinálhatsz következmények nélkül. A kapcsolás igy jó esetben 5V-ot kap, 15V helyett.
Igen.Közben rájöttem.
Ezt későn vettem észre,a rajz jó,de rossz alkatrész jött a postán és nem vettem észre csak az élesztéskor.Szerzek egy odavalót és meglátjuk.Köszi.
Üdv!
Megépítettem és működik! Egyetlen problémám az hogy akárhogy állítom a főpotit,egy bizonyos távolságon kívül (kb 20 cm-re ) már nem reagál.A hifire egyáltalán nem reagál pedig üvöltött.Mi lehet az oka.Ja,és ha vonalkimenetről szeretném működtetni akkor mit változtassak a kapcsoláson?
Hello!
- Vagy a mikrofon nem jó, vagy rosszul van bekötve. - A vonal kimenet jelét a P1 poti tetejére kötheted. (A GND-t természetesen a GMD-re) Ha túl nagy az erősítés, akkor R1 értékét növelheted. C19 R30 elmarad. üdv! proli007
Köszönöm szépen a gyors és pontos választ.
Valószínű a mikrofonnal lesz a bibi.Lehet megpróbálom vonal kimenetről. Köszi szépen.
Üdv mindenkinek.Volna nekem egy Tungsram tipusú fényorgonám,fekete műanyag dobozban 3 színű égővel,mikrofonos.Tudtok valamit erről a tipusról?esetleg kapcsolási rajza van valakinek?
Hali .. azért nyitottam ezt a témát, mert van egy fényorgonám ami nem működik!
A típusát nem tudom. Fekete műanyag borítású 3 körtés, mikrofonos. Tegnap bekapcsoltam még ment minden normálisan rajta. Utána elmentem haveromhoz, visszajöttem bekapcsoltam, de már nem ment! Kérlek titeket segítsetek, mi lehet a gond? :S Ja és még annyit hozzátennék, hogy amikor bekapcsolom csak bevillan az összes izzó, de csak ennyi az egész
Üdv!
Esetleg biztosíték nem ment ki? Illetve egy fénykép megkönnyítené a jelenlévők dolgát a panelról.
Sziasztok!
Több, mint 20 éve építettem egy fényorgonát (mellékelt képen a kapcsolás), mely tökéletesen működött akkor discolux izzókkal. Maga a készülék most is működik. Azóta eltelt nagyon sok idő, az izzók festék rétege nem bírta ki az idő vasfogát, ezért összetöredezett. Maga fényorgona működő képes, de az akkor lehetőségeknek megfelelő technológiával készült hozzá a nyák, így azt mindenképpen újratervezem, és átépítem. Viszont az izzókat LED-ekkel helyettesíteném. Kérdés, hogy ezt érdemes-e megcsinálni így, vagy inkább próbáljak meg új izzókat beszerezni?Ha érdemes LED-ekkel helyettesíteni az izzókat, akkor mennyit és hogyan kell rákapcsolni? Üdv Laslie
Szia!
Anélkül, hogy megnéztem volna a konkrét kapcsolást, szeretném felhívni a figyelmedet arra, hogy a fényorgonák "látványtervébe" benne van az izzók hűlése-melegedése ( sötétedés-világosodás ), míg a LED-ek ezt nem csinálják a régi kapcsolással, így biztos, hogy nem a megszokott lenne a látvány ( azt, hogy ez tetszik vagy nem, az már ízlés kérdése ) !Steve
Üdv mindenkinek.Megtudná valaki mondani hogy egy Tungsram tipusú mikrofonos fényorgonánál hova kell kötni a mikrofont.Sajnos nemtalálok hozzá kapcsolási rajzot.
Sziasztok!
Most vagyok itt először, átnéztem a fórumot, de nem találtam választ amúgy elég amatőr kérdésemre, ezért nyitottam ezt a témát... Meg hátha valaki mást is megihlet az ötletem. ![]() Szóval az alaphelyzet: Megépítettem ezt a kis áramkört, működik is vidáman. A megvalósított plusz ötletek: Terveztem hozzá egy plexi-dobozt, benne ledekkel a jó kinézetért, a kimenetre pedig stroboszkóp helyett rákötöttem egy relét, hogy az kapcsolgasson nekem egy elosztóban 220-at. Arra pedig már ugye rá lehet kötni bármilyen átlagos lámpát-lámpákat. (tudom kicsit amatőr reflektort használni strobi helyett, de ideiglenesen megteszi) ![]() Megvalósítatlan plusz ötlet, magyarán A KÉRDÉS: Zene ütemére villogtatni a cuccot, (ezt kézi nyomkodással a felül linkelt kapcsoláson jelzett SW1-el tehetjük meg.) csakhogy én egy ehhez hasonló elven "gépesíteném" a nyomkodást. (tip31 helyett bd241c-t használnék) Az elképzelésem a következő: Van ugye egy kétállású kapcsoló, az SW2 (ic általi vezérlés vagy kézzel nyomkodósdi). És van az SW1, ami elé én szintén raknék egy kétállásút (kézi nyomógomb vagy tranzisztor általi "nyomogatás" a 2 szélső lábra kötött zene segítségével!) Na és itt állt meg az én tudományom, hisz itt egy pozitív feszültséget szeretnék átengedni a zene segítségével, nempedig negatív jelet "összeengedni" a plusszal, ahogy itt..... szóval hova, mit kössek, hogy a zene megnyissa a tranyót és ezzel átengedje az áramot, de emellett az opció mellett át tudjak kapcsolni tényleges "kézi nyomkodós vezérlésre" is, ha akarom. Na, ezt jó alaposan kifejtettem, remélem nem untatott nagyon senkit és a valódi lényeg azért átment. ![]() Előre is köszönöm, ha válaszoltok!
Szia!
Tedd a tranzisztort a másik kimenő ágba, ugyanúgy, mint ahogy linkelted. Kell ezen kívül egy két állású, két áramkörös on-on billenőkapcsoló, amivel vagy SW1-et zárod rövidre, és a tranzisztor két megfelelő lábát nem(ilyenkor megy a zenés vezérlés) vagy SW1-et nem zárod rövidre, és a tranzisztort megfelelő lábait igen(ilyenkor megy az eredeti, nyomkodós verzió). Persze ugyanezt megcsinálhatod két külön kapcsolóval is, de ekkor 2 helyett 4 állapotod lesz.
Köszönöm a választ, de sajnos nem vagyok benne biztos, hogy jól értettem-e meg.
Inkább csináltam egy ábrát arról, amit megépítenék a leírásod alapján. Így gondoltad te is? ha igen: nem fogja zavarni egymást az emitteren lévő negatív fesz a hangkábelből és a kapcsolgatandó pozitív az áramkörből? ui.: a két állású, 2 áramkörös kapcsolót akarja jelölni a zöld SW3 a rajzon.
Sziasztok!
Szeretnék építeni egy egyszerű fényorgonát, amiben csak 1 égő van vezérelve. A Bsselektronikán találtam egyet, de ott leválasztótrafóval van megoldva a jel leválasztása. Én viszont optocsatolót szeretnék alkalmazni. Ütemvezérlő Hogy lehetne megoldani ezt a kapcsolást optocsatolóval? És hozzászólások között láttam, hogy egy tekercset ajánlanak az áramkörbe, mert szemetel nagyon a hálózatba. Milyen tekercset, és hova kellene hogy kössek? Köszönöm előre is a válaszokat! Üdv, Bence A hozzászólás módosítva: Dec 9, 2012
Hello!
Ha triacot szertnél hajtani, akkor célszerű az optocsatolónak MOC3062-őt választani. Az adatlap 8. ábrán, ott a kapcsolása. De ebben az esetben, az optocsatoló előtt kell megoldani, az optocsatoló Led vezérlését valamelyik orgona áramkörrel. Zavarszűréshez keressél valahol egy triac-os lámpaszabályzó áramkört. üdv! proli007 A hozzászólás módosítva: Dec 10, 2012
Sziasztok!
Volna egy elképzelésem, mégpedig hogy egy fényorgonát (1-es kép) és egy kivezérlésmérőt (2-es kép) összekombinálok (3-as kép). Az alábbi módon összejöhet a dolog, avagy nem? Üdv McDeath A hozzászólás módosítva: Dec 21, 2012
Hi Mesterek!
Szeretnék Én is építeni egy fényorgonát. Mivel ITT lentebb említettétek hogy működik a kapcspás, viszont a jpg-en elég sok minden mosódott. Nem tudja e valaki hogy melyik folyó iratban volt és hogy melyik számba. Segítséget előre is köszönöm. A hozzászólás módosítva: Dec 21, 2012
Hello!
Össze lehet kombinálni a kettőt, de nem így. Mert ha jól látom, Te LM324-et raktál bele. Az LM3900 Norton erősítő, aminek a munkapont beállítása egészen más. Valamint az erősítést is növelni kell, mert amíg egy tranyó nyitásához kb. 600mV szükséges, addig a kivezérlésjelzőhöz kb. 6..7V kell. üdv! proli007
Hello!
Ha már erre adtad a fejed, akkor inkább az "Alkotó"-s változatát építsd meg. Ott mindent megtalálsz.. üdv! proli007 A hozzászólás módosítva: Dec 21, 2012
Szia! Javaslom Alkotó hozzászólásainak átolvasását: Bővebben innen! : Link. De mások is sikeresen megépítették az említett kapcsolást. S kis kereséssel még nyáktervek is fellelhetők. Üdv.: _jani_
( hobby elektronika 94 november 367. oldal. ) [off]( Amíg keresgéltem megelőztek. ) A hozzászólás módosítva: Dec 21, 2012
|
Bejelentkezés
Hirdetés |







lehet hogy ic cserével megoldódna a probléma?Valaki segítsen legyen szíves.Megköszönném.
Ezt későn vettem észre,a rajz jó,de rossz alkatrész jött a postán és nem vettem észre csak az élesztéskor.Szerzek egy odavalót és meglátjuk.
Egyetlen problémám az hogy akárhogy állítom a főpotit,egy bizonyos távolságon kívül (kb 20 cm-re ) már nem reagál.A hifire egyáltalán nem reagál pedig üvöltött.Mi lehet az oka.Ja,és ha vonalkimenetről szeretném működtetni akkor mit változtassak a kapcsoláson? 

) !









