Fórum témák

» Több friss téma
Fórum » AVR - Miértek hogyanok
 
Témaindító: pakibec, idő: Márc 11, 2006
Témakörök:
WinAVR / GCC alapszabályok:
1. Ha ISR-ben használsz globális változót, az legyen "volatile"
2. Soha ne érjen véget a main() függvény
3. UART/USART hibák 99,9% a rossz órajel miatt van
4. Kerüld el a -O0 optimalizációs beállítást minden áron
5. Ha nem jó a _delay időzítése, akkor túllépted a 65ms-et, vagy rossz az optimalizációs beállítás
6. Ha a PORTC-n nem működik valami, kapcsold ki a JTAG-et
Bővebben: AVR-libc FAQ
Lapozás: OK   442 / 841
(#) atideath válasza Reggie hozzászólására (») Máj 2, 2012 /
 
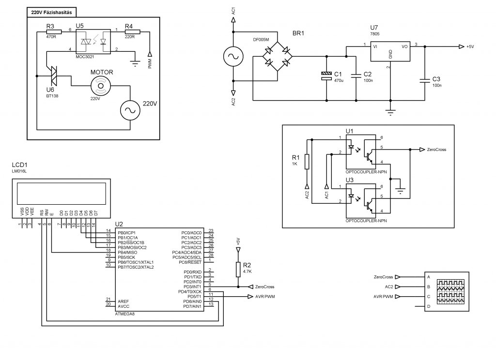
Talán ez lesz a végső megoldás. Természetesen transzformátorról fogja kapni a kakaót. És az AVR-nek is lesz tápforrássa 220-ból. Vélemény?
(#) c4h10 hozzászólása Máj 3, 2012 /
 
Sziasztok!
Egy stoppert építek Atmega8-as vezérlő segítségével. Az lenne a kérdésem hogy milyen beállítások szerint programozzam föl a processzort? Ezt a kapcsolást építem meg Bővebben: Link
(#) Reggie válasza atideath hozzászólására (») Máj 3, 2012 /
 
Keves az opto. Ha soros gerjesztesu a geped, akkor jo, ha egyebb gerjesztesu, akkor lehet, hogy a halozati polaritas erzekelesere is szukseged lehet, hogy a forgasiranyt is tudjad allitani. Szerintem a +1 optot mindenkeppen tervezd bele, legfeljebb nem ulteted be, de ha rajossz, hogy esetleg megis kell, akkor ne legyen nagy szenvedes modositani.
(#) atideath válasza Reggie hozzászólására (») Máj 3, 2012 /
 
Összedobtam gyorsan egy PWM vezérlést a TRIAC-hoz az AVR-be. Leszimuláltam Proteusba. A PWM vezérlés rendesen működik csak a 220V szinusz hulláma aggaszt. Eltorzult amint rá van kötve a nullátmenet figyelés. Ez normális? Vagy 2x6V-os trafóval kellene hajtani és az egyiken csak a nullátmenet figyelés lenne? A két opto helyett lehetne használni egy db PC814 vagy LTV814-es optot. Ez pont ezt oldaná meg. Vagy nem? A szinusz hullámmal ne foglalkozzak? Csak a Proteus szivat?
(#) Reggie válasza atideath hozzászólására (») Máj 3, 2012 /
 
A szimulacioval van baj, nem szabadna eltorzulnia.
(#) vzoole válasza atideath hozzászólására (») Máj 3, 2012 /
 
Majd arra figyelj, hogy a PWM jelet a szinusz hullám végével kéne szinkronizálni, mert ha a triakot 'begyújtod', akkor az a szinusz hullám végéig bekapcsolva marad.
(#) zombee válasza vzoole hozzászólására (») Máj 3, 2012 /
 
Gondolom "félhullám végéig"-et akartál írni...
(#) vzoole válasza zombee hozzászólására (») Máj 3, 2012 /
 
Bocsánat! Igen! Minden félhullám végére gondoltam.
(#) atideath válasza vzoole hozzászólására (») Máj 3, 2012 /
 
Isten legyen a tanúm elolvastam vagy 4x-r amit írtál, de nem értem mire gondolsz. Most nem azzal van szinkronizálva? Akkor kapcsolja elvileg be a Triak-ot amikor a hullám kezdődik egy megadott időre. Utána pedig kikapcsolja és vár a következő hullámra. Pont fordítva kellene?
(#) Massawa válasza atideath hozzászólására (») Máj 3, 2012 /
 
A triakot a gate jellel kapcsolod be (bármikor, ha van a triakon feszültség), és a félhullám vége (0 átmenet) kapcsolja ki.

Amugy meg szerintem felesleges a félhullám végével foglalkozni az idözités szempontjából, mert az lényegtelen hiszen mindig ott van. A bekapcsolást kell megfelelöen késleltetni az elözö 0 átmenethez viszonyitva.
(#) Zuzmo_farok hozzászólása Máj 3, 2012 /
 
Ha ATMEGA64 Mikrovezérlőt akartok programozni, ne felejtsétek, hogy a mikrovez. MOSI, MISO lábak helyett a PDI, PDO lábakat kell használni az ICSP csatihoz.
Ma megjártam, ezért kirakom FAQ-nak a fórumra.
Jó szórakozást!
(#) eroth hozzászólása Máj 4, 2012 /
 
Sziasztok!
Kezdő vagyok elektronika és programozás terén is, viszont, nagyon érdekel a dolog! Nem rég vettem egy Arduino 328 R3 fejlesztő panelt és bele kezdtem a programozás tanulásába, persze még csak az alapokkal. Bescom progival programozom az eszközt. (nagy örömemre ezidáig sikeresen.) Ezen fel lelkesülve vettem a HeStore-n egy T-Bird2 fejlesztőpanelt, mert gondoltam barkácsolás nélkül van rajta többféle beviteli eszköz, kijelző stb. Sajnos mindjárt az elején elakadtam, mert nem tudom a Bescom-ot rávenni a programozásra, fogalmam sincs hogyan kell beállítani! Az arduino-t kűlső file .bat file segítségével az arduino022 keretrendszert meghívva progiztam. Ehhez board-hoz nem tudom hogyan kell átállítani a Bescomot! Az lenne a tiszteletteljes kérésem, ha valaki tud ebben a problémakörben segíteni egy jó szájbarágós lépésről-lépésre eligazítással, nagyon hálás volnék! Előre is köszönettel: Endre
(#) zombee válasza eroth hozzászólására (») Máj 5, 2012 / 1
 
Hello! A T-Bird2 nem programozható úgy mint az Arduino, teljesen más konstrukció.
Először is, nem tartalmazza a bootloadert ami lehetővé tenné,
hogy az USB-n(FT232-n keresztül) ugyanúgy lehessen programozni.

Szerencsére ez már integráltan tartalmaz egy JTAG Debugger programozói és hibakereső felületet,
már csak használni kell! Ezt az USB(JTAG)-on keresztül lehet megtenni, és a JTAG+uC-JTAG portokat
egy 10 eres szalagkábellel össze kell kötni. A Bascom-AVR tudtommal nem tartalmaz ilyet.

Közvetlenül programozáshoz a legegyszerűbb, ha AVR Studio 4 - et használsz. Ilyenkor sem kell lemondani
a Bascom-ról, az általa előállított HEX fájlt AVR Studio-ból egy egérkattintással felprogramozza az AVR-t.

Hosszú távon a legegyszerűbb az lenne számodra, ha egy Bascom-AVR kompatíbilis bootloadert töltesz
a panelon lévő ATMega128-ra, természetesen AVR Studio 4 segítségével. Pl. Arduino vagy MCS, ami van!
Bascom-ban szakavatott kollégákat kérdezd hogy mégis milyet, ebben nem tudok segíteni.

Ha hozzá lennék ragadva a Bascom-hoz akkor külső programozóként az AVR Studio 4 - el együtt települő
parancssoros programot(JTAGICE.EXE)-t állítanám be a megfelelő paraméterekkel. De ez kicsit bonyolultabb...
(#) eroth válasza zombee hozzászólására (») Máj 5, 2012 /
 
Kedves zombee!
Köszönöm szépen válaszodat! Sajnos sejtettem, hogy az általad is említett bonyolultabb módszerre lesz szűkség, de szerencsére nem tűnik vészesnek a dolog. Ami a Bescom-ot illeti, meg keresem a TavIr-on Róbertet, biztos segít! (az Arduino-mba is ő lehelt lelket az elején!) Még egyszer köszi a segítséget, további szép napot kívánok!
Üdv: Endre
(#) TavIR-AVR válasza eroth hozzászólására (») Máj 5, 2012 / 1
 
A programozó a kezedben is van. Az ARDUINO-ból nagyon gyorsan gyártasz egy ISP programozót. ->
Arduino, mint programozó (Arduinoisp)

A bekötés ugyanúgy megy.

És a Bascom alatt az AVRISP programozó beállít. Örül
Fontos! A biztosítékbitek fejezetet olvasd el! Ha sikerül rosszul beállítani, nagyon macerás lesz az újraélesztése a chipnek!

U.i.: az Arduinohoz a sokbeviteles panel az ext1 névre hallgat. Óra, LCD, eeprom, megvilágytásmérő, TV vevő, INT stb..
(#) zombee válasza TavIR-AVR hozzászólására (») Máj 5, 2012 /
 
Hű de kár hogy T-Bird2 panelen nincs sem ISP csatlakozó, és talán RESET kimenet sem...
(#) Zoli1974 hozzászólása Máj 5, 2012 /
 
Szép estét!
Megépítettem ezt az AVR-es AT tiny25 el vezérelt sörkolletorvezérőt:
http://www.hobbielektronika.hu/kapcsolasok/index.php?sf=s%F6rkollektor

Novak készséges volt, AVR programozót:
http://electronics-diy.com/avr_programmer.php
is mellékelt a Ponyprog 2000 programmal.
A gondom az, hogy nem tudom felprogramozni az AVR-t.
Nem vagyok egy lusta ember egész délután a netet bújtam.
A gond az, hogy nem kap az in-circuit programozáshoz +5v-ot aZ AVR. Nézegettem a programot és lehet invertálni négy lehetőséget. Nosza megtettem. Egy beállításnal a sörkollektor tápfeszjelző LED-je elkezdett világítani. elindítottam az égetést de nem ismerte fel az AVR-t a program. Ha valaki megcsinálta már kérem segítsen mert ez még nekem új.

Mindkét kapcsolás bekötésén, elvi rajzán és nyáktervén végigmentem a hibákat kijavítottam. De most teljesen kimerültem és nincs már ötletem. Ha valaki tud a PonyProg2000 beállításaiban segíteni jól jönne, vagy ehhez a fenti soros portos égetőhöz egy jó szoftvert ajánlani.
Mértem is alaphelyzetben a soros port 3-as lábról jön le a tápfesz, ami -10.38V van egy dióda ott már csak 0,53 V ha elindul az égetés tehát a tranyó nem nyit ki. Valami nagyon egyszerű dolog lehet de nem tudok rájönni.
(#) zombee válasza Zoli1974 hozzászólására (») Máj 5, 2012 /
 
Én a nyomtatóportosat ajánlanám, a sorosportos az valahogy nem az igazi...
(#) eroth válasza TavIR-AVR hozzászólására (») Máj 5, 2012 /
 
Szép estét!
Köszönöm a gyors segítséget, de még sajnos helyben topogok. Az Arduino, mint programozó nem rossz ötlet, kipróbálom a másik AVR uc-vel próbapanelen. A T-Bird2 esetében nem tudom, hogyan foghatnám munkára, mert nincs rajta ISP felület (ha jól látom a leírást: Bővebben: Link USB-JTAG csatlakozó van a deszkán. A leírás alapján ez volna a programozó csatlakozó. +van még egy USB csatlakozó FT232RL chippel illesztve, ennek nem tudom mi a szerepe. Nekem kezdőnek elég infó hiányosnak tűnik a használati utasítás. "zombee" fórumtag ajánlotta figyelmembe az AVR Studiót a programozáshoz, de attól tartok, ha feltelepítem, Jungo driver szükséges hozzá, üti jelenlegi Arduino- Bescom keretrendszert, ami ha nem tévedek Lib drivert igényel. Tehát itt tartok, pillanatnyilag nem tudom hogyan tovább.
üdv: Endre
(#) Reggie válasza Zoli1974 hozzászólására (») Máj 6, 2012 /
 
Hat eleg rossz hatekonysaggal bujod a netet, mert ha megnezed az altalad masodiknak linkelt oldalt, akkor irja, hogy kivulrol kell 5V-os tapod adnod. De ez teljesen logikus, mivel a sorosport +/-12V-ot hasznal (azaz +/-3..15V ig barmi lehet) es az aramkorben sincsen zener vagy stabilizator vagy egyebb taparamkor az 5V-os vonalon. Azon felul nem biztos, hogy kello aramot le tudna adni a sorosport, igy nem is szoktak sorosportrol taplalni semmit. Az a tranzisztor pedig a RESET jel eloallitasara szolgal. Egy szoval, adj neki tapot!
(#) Reggie válasza zombee hozzászólására (») Máj 6, 2012 /
 
Nekem gond nelkul ment mindig.
(#) Zoli1974 válasza Reggie hozzászólására (») Máj 6, 2012 /
 
A külső táplálást a nem in-circuit adapterhez írja azt nem olvastam el.
De mivel mindig is kisérletező tipus vagyok és láttam, hogy a program beégetésénél a LED ek fényereje csökkennek ezért a külső táplálást én is megcsináltam,és a az AVR-rt így sem ismeri fel a Ponyprog. Leszedtem az AVR-rt az égetőről és a program anélkül is ugyanazokat a dolgokat műveli.
Tehát vagy tönkrement az AVR vagy ahogy a Ponyprog oldalán írja NEW! untested.
Várom az ötleteket.
(#) TavIR-AVR válasza eroth hozzászólására (») Máj 6, 2012 /
 
Nem. A JTAG használata során _nem_ kell a libusb-s rész.
Az AVRStudio 4 kell hozzá (az 5-sben nem látoma jtagice támogatást)

A batch-t egészítsd ki a ATMEL/AVRTools/JTAGICE/jtag.exe felparaméterezésével...
Így, mint külső programozó működhet...
(#) TavIR-AVR válasza Zoli1974 hozzászólására (») Máj 6, 2012 /
 
A sorosportos megoldás kuka. NINCS valódi jelszintillesztés, ugyanis a sorosport -15V...-3V és +3...+15V tartrományokba kell lennie. Nálad a -3/-15 helyett GND jön vissza. Ezt vagy tudja értelmezni a sorosportod (csak alaplapi jó erre, USB-s nem!) vagy sem.

A legtöbb gond a ponyproggfal van (biztosítékbitek kezelése, rendszerkezelés, programozótámogatás. Az AVRDuDe a grafikus keretrendszereével _sokkal_ kezesebb...

LPT-s megoldás nem játszik?
(#) eroth válasza TavIR-AVR hozzászólására (») Máj 6, 2012 /
 
Üdv Róbert!
Elnézést ha butaságot kérdezek. Tehát AVRStudio 4 és Bescom, valamint Arduino lehet egy időben telepítve?
"A batch-t egészítsd ki a ATMEL/AVRTools/JTAGICE/jtag.exe felparaméterezésével..." A duino2.bat file szerkesztésére gondolsz? Elvesztettem a fonalat..!
(#) TavIR-AVR válasza eroth hozzászólására (») Máj 6, 2012 /
 
Igen. A programok _totál_ függetlenek egymástól.
A batch állomány szerkesztésével megoldható a JTAG ilyen kezelése. a -h paraméterrel ad súgót...
(#) Zoli1974 válasza TavIR-AVR hozzászólására (») Máj 6, 2012 /
 
Az a legnagyobb gondom, hogy több projektbe belekezdtem (PIC, AVR, ) a sörkollektor készítőjétől kértem tanácsot mert PIC-et hibátlanul és gyakorlattal égetek, AVR most van először a kezemben.
Tehát mentem utána amit ő mondott mert van benne gyakorlata.
AVR dokumentációkat most olvasok szóval nagyon az elején vagyok.
A másik gondom az, hogy egészségügyileg február óta le vagyok robbanva és a pénzkereseti főfoglalkozásomat nem tudom űzni, ezért a tanult foglalkozásomat felhasználva elektronikai készülékeket javítok/ építek kispénzért. Az összes pénzem be van fektetve ezekbe a munkákba (égetők, debuggerek építése, alkatrészek stb.) és már 500 Ft-om sincs egy akár párhuzamos porti kivezető megvásárlásához sajnos. Nem sírni akarok de sajnos ezek a tények. Szívesebben csinálnám a párhuzamos portos égetőt, de ezt a sörkollektor vezérlőt egy barátomnak csinálom aki kihúzott a ganéból és ez számomra preztízskérdés. Gyerekek nem vagyok teljesen tudatlan csak AVR mikrovezérlővel még nem volt dolgom.
(#) zombee válasza Zoli1974 hozzászólására (») Máj 6, 2012 /
 
Félreértettél, nem kell megvásárolni, egy óvodás is megépíti(képet csatolok)!
(#) dc001 válasza Zoli1974 hozzászólására (») Máj 6, 2012 /
 
Idézet:
„A gond az, hogy nem kap az in-circuit programozáshoz +5v-ot aZ AVR.”


Szerintem a gondod abból adódik, hogy az általad belinkelt soros porti programozó nem biztosít tápot. A programozó +5V csatlakozója egy 10K ellenállással csatlakozik a RESET lábra. Ez csak egy felhúzó ellenállás.

Én azt javasolnám, hogy a kész áramkörbe még ne rakd be a 6-os és 7-es lábra LED-et és ellenállást (vagy programozás idejére ki kellene venni). A kapcsolásra tápot adva (LED1 zöld világít) próbáld felprogramozni.

Ha nem ismeri fel, akkor a programozó +5V csatlakozót sem kellene bekötni, mert a kapcsoláson is van felhúzó ellenállás a RESET lábra.
(#) TavIR-AVR válasza Zoli1974 hozzászólására (») Máj 6, 2012 /
 
1 D-SUB csatlakozó és 5 szál drót. Azaz az elfekvő holmikból összerakható...
Nálam is a 0 Ft befektetés volt a cél, amikor megépítettem...
Következő: »»   442 / 841
Bejelentkezés

Belépés

Hirdetés
XDT.hu
Az oldalon sütiket használunk a helyes működéshez. Bővebb információt az adatvédelmi szabályzatban olvashatsz. Megértettem