Fórum témák
» Több friss téma |
Fórum » Csöves erősítő készítése
Ne feledd betartani a fórum viselkedési szabályait, és a topik megmaradásának feltételeit. [link]
A téma átmenetileg fagyasztva lett, hozzászólni nem tudsz!
Ne haragudj rám nem akartalak szíven szúrni!
Majd beforr
![]() 2*16µF-os kondit tegyél bele, próbáld ki úgy, és 100nF-ost is párhuzamosan köthetsz velük.
Úgy tudom 60 µF mehet rá, úgyhogy jó lesz az 50+50 µF-os. A fesz tűrésre figyelni kell, és ha a berakandó kondi régi MM, akkor meg kell nézni, hogy jó-e (kapacitás mérés, formázás). MM-ből a 20+20 és 22+22 µF 450/550 V-osak stabilabbak szoktak lenni, ide az is jó lenne. Nem tudom mennyi ott a tápfesz, de 350 V-os valószínűleg kevés.....bár ahány V-os a régi, olyan jó lesz az újból is.
Most néztem az adatlapot, ott is 60µF-ot ajánlanak.
Én is egy régi rádióból csináltam nemrég gitárkombót, és nem bántam meg, azóta a gyári félvezetős nem nagyon volt bekapcsolva.
Csak egy dologra hívnám fel a figyelmedet: a gitárerősítő nem rádió, és nem is normál erősítő, többnyire két kézzel markolászod a gitár fém részeit, az meg simán össze lesz kötve a majdani erősítőddel. Védőföld nélkül nem nagyon érdemes használni.
Nem, nem. A 60 µF az abszolút maximum. Ez már rendesen igénybe veszi a csövet, és kell a soros ellenállás is áramkorlátozás miatt. Kiszámolni az ábra melletti képlettel lehet.
A hozzászólás módosítva: Dec 18, 2012
60 uF, ha a trafó szekunder összes ohmikus ellenállása nagyobb vagy egyenlő mint a katalógusban szereplő érték. Ha kisebb, csökkenteni kell az ELSŐ kondi értékét.
Üdv! Kérdésem, csöves erősítő szűrő-fojtó trafónak alkalmas-e posrvasmag? Természetesen a légréssel szerelhető kivitelre gondolok. Az alkalmasság a lemezelthez viszonyítva érdekelne, valamint kisebb méretben elkészíthető-e, mint a lemezelt, vagy az adott, 100Hz-s frekvencián nincs előnye...?
A hozzászólás módosítva: Dec 19, 2012
Igen, tudom. Ezért ajánlottam neki a 2*16µF-ot (gyári értéket).
Közben választ találtam, kaptam, porvas ejtve fojtói tisztségben...
Sziasztok!
Mivel nem vagyok még valami tájékozott elektroncsövek terén ezért érdeklődnék hogy mi a véleményetek a 6AU6-os Toshiba csövekről. Van itthon pár darab belőlük 2D,2E, és 2G jelölésekkel. Van köztük valami felépítési különbség hogy más a jelölésük? Előre is köszönöm a válaszotokat.
Sima pentódák. A kétjegyű kód a gyártásra, gyártási időre utalhat.
A régi EMG műszerekben, szkóp"fiókokban" előszeretettel alkalmazták ezeket a csöveket.
Újabb kérdés:
Adott egy SE, klasszikus 2 csővel. A meghajtó egy kettőstrióda, aminek egyik fele dolgozik rá a vég csőre. Sztereo kivitelnél használható a meghajtó cső másik fele a másik oldalhoz, vagy nagy az áthallás, csúnyán néz ki, szegényházi, etc. ( a két csőfelet nem akarom párhuzamosítani például, mert semmi tapasztalatom erről és inkább járnám az elődök machetével vágott ösvényét)
Itt is úgy használják. ARC Így legalább az biztos, hogy a két csőfél egy sorozatból való. A szórás, hát az már más kérdés.
Használható a másik trióda (csőfél) a másik csatornához.
Semmilyen áthallást nem okoz. Ha pl: az Orosz 6N2P-t használod, abban még belső árnyékolás is van.(pin9) De pl: ECC83 esetén sem okoz gondot, pedig abban nincs belső árnyékolás. Az esztétikai oldalon csak annyit jelent, hogy nem kettő,hanem egy meghajtócsövet kell szerelned a sasszira.
Egy másik gyári példa: Almarro A205a
Köszönöm mindkettőtök segítségét, egyel kevesebb miatt kell aggódnom.
ECC81 (12AT7) a szóban forgó, de végül is mindegy, ennek ha nincs is ilyen belsőelválasztású mirigye, lemeze, akkor attól még nem hallja egyik a másikat, remélem.
Sziasztok
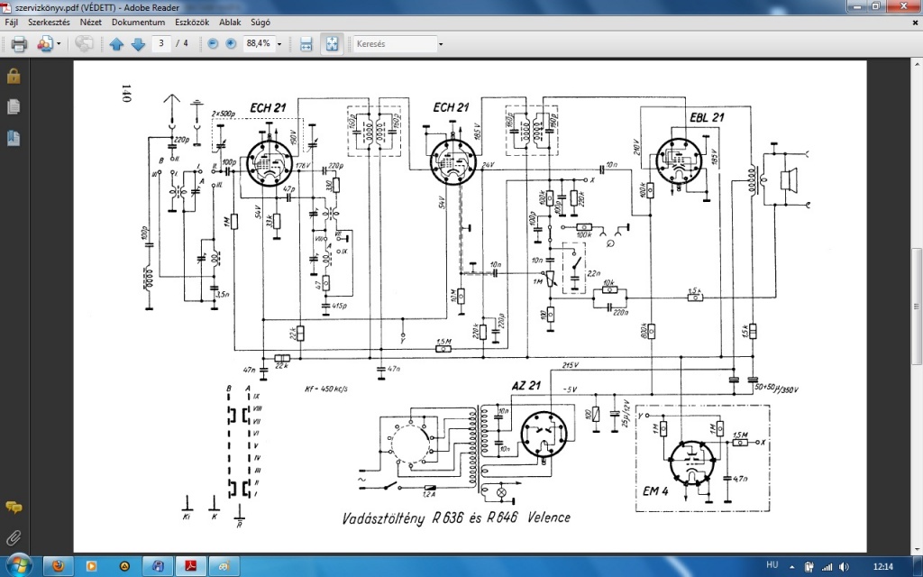
Sok dicséretnek köszönhetően úgy döntöttem én is csinálok egy kis csöves erősítőt. Lényeg, hogy olcsó legyen, ezért vettem a 2db Velencee rádiót (így legalább egyforma lesz a 2 oldal) Ebből kitermelném a trafókat és a csöveket és egy másik dobozba átépíteném Valakinek van-e valami jó ötlete, tapasztalata (nem a szokásos vigyázz mert nagy feszültségek vannak) Esetleg valamit érdemes-e a gyári kapcsoláson módosítani... Segítségeteket előre is köszönöm
Adatlapod szerint az alapokkal bőven bírsz, arra számíts, hogy ennyire koros csövek, egyebek nem olyan nagyon egyformák, valamint sztereo esetén a táp is dupla(vagy valami erősebb) kell legyen(pl. AZ21 elég ritka-de diódákkal "csalható" a helyettesítés). Azért csak csináld meg, nagyon jó lehet egy ilyen csupa szinüveg csővel!
Egy érdekes dolgot találtam. Egy azonosíthatatlan régi rádió hálótrafóját nézegettem - ma már nem alkalmas, szigetelése miatt. A rászerelt foglalaton 2 nagyobb feszültségű váltó és a fűtés - kisebb, mint 5V volt található. Tehát nem találtam középleágazású anódfeszültséget. A fűtés és az anódfesz váltója nincs közösítve a trafón belül sem, azt kimértem. Az anódfesz váltó 3 szállal tekert selyem+lakk szigetelésű, de a másik kivezetés már csak 2-ő...
Na ja, 240V-ra kapcsoltam a primert és az anódnak szánt váltó 530V -ot mutatott. A trafóról tovasuhant anno 7.6V~ körüli még - gondolom ez terheléssel beállt, vagy soros ellenállással működtette a többi cső fűtését és kész. Elképzelhető, hogy egyutas egyenirányítást alkalmazhattak?
Ez olyan AZ1 féle trafó lehet,ahol a fűtés egyik szála az anód,a három szál egyike pedig a gnd.Ha 220V -ra tekerték,akkor az lehet 7.6V.
Azt hiszem megvan a hiányzó, a primer oldal feszültség választó kapcsoló mellett még egy biztosíték van és ez lehetett a középleágazás biztije. Utólag még össze is van kötve a trafó hálózat 110V-os megcsapolásával, szóval bonyolult ez nekem. Ráadásul ki sem tudom a műszeremmel mérni az anódnak szánt váltó drótját, szakadást mutat, MOhm állásban is. Szerettem volna egy csöveshez találni egy gyári hálótrafót, de ez nem lesz az...
Sejtettem én,hogy nem veszett el.Milyen foglalat van rajta?Kosaras?
A szekunder közép kivezetését magán a csévén keresd szerintem, vezeték nélkül az egyik forfül lesz, ez a primer tekercs egyik leágazásával sem lesz kapcsolatban...
Én sajnálnám az a két Velencét..
Üdv Józsi
Annak idején a csévetest nélküli trafóban elhelyeztek biztosítékot ,mégpedig a prespán alá csőszegecsek közé , egyik szegecsre a trafó kivezetése ment másikra a hálózati fesz , vagy a 2 szigetelő réteg közé 2 lemez kb 2 cm-e egymás mellé közé pedig vékony (rézdrót bizti) . A transzformátort nem sodrott vezetékkel vezették ki hanem összesodorták 3-4 szálasra saját méretét pl 0.25 mm . Esetedben is csak 1 szállal van tekerve és 2x 250 V lehet -> kétutas egyenirányítás ! Üdv
Szia !
Nem épp a legszerencsésebb választás.Egyrészt nem alkalmas "normális" minőségű sztereo erősitőnek, másrészt az esetleges tartalék csövek beszerzése is problémás, a két egyforma oldalt meg felejtsd el, a korabeli technika nem erről szólt. A kimenők is erősen sávhatároltak.Személy szerint használt csöveket sem épitenék be. Ha az olcsóság vezérel, azt is megértem, de kezdésnek nem adnám alább egy EL84 SE erősitőnél. Szerintem egyben többet ér a két rádió, ha szétbarmolod, az később biztosan meg fogod bánni. Ez a véleményem.
Szervusztok! Köszönöm, hogy újra felfedeztettétek velem a spanyolviaszt, én botor, elfelejtettem, hogy ilyen vékony drótnál ez az eljárás a biztonságos, többszörösen összesodorni a kivezetésben önmagával a spagócát...Mintha én magam nem csináltam volna százszor, amikor vékony dróttal csináltam tekercset. Annyira elvarázsol és felvillanyoz
a csöves technika, hogy néha az alap dolgok mőgé is többet látok a valónál.Mindenképpen tisztelem ezt a jónéhány évtizedes technikát. Az egyenirányító cső valahol megvan, beledugós, hüvelyes az aljzata és aszimetrilus 3-5 hüvely és ebből 4 az aktív. Ma egy másik ilyen matuzsálemet fogok megszemlélni, sajnos annyira ki volt téve az eresz alá a rádió sokáig, hogy rengeteg alkatrésznek levált a kivezetése is, gerjesztett hangszórója volt, mellette egy kis (kimenő) trafóval. |
Bejelentkezés
Hirdetés |










