Fórum témák

» Több friss téma
Fórum » Erősítő mindig és mindig
Mielőtt kérdezel, a következő két dolgot ellenőrizd! I. A helyes tápfeszültségek megléte. II. A kimeneten van-e egyenfeszültség. Élesztés.
Lapozás: OK   1065 / 2580
(#) golem válasza reloop hozzászólására (») Máj 20, 2012 /
 
Szia!
Müködni müködik csak a mély kiemelés elég gyenge. meg ha rá adom a tápot akkor pukan egyet a hang és utána ugyan ugy szol tovább mit táp áram nélkül. Ennek nem kéne egy kicsit erősitenie.
(#) szalkagyuri válasza (Felhasználó 13571) hozzászólására (») Máj 20, 2012 /
 
Bocsánatot kérek csak a billentyűzetem már nem a legjobb
(#) reloop válasza golem hozzászólására (») Máj 20, 2012 /
 
Le tudnád élvezhető minőségben fotózni? Valami el van kötve, vagy az IC elpusztult. Az is elég ha leírod az IC mely lábait használod és azokon mekkora a feszültség testhez képest. Az egyik testen van az nem érdekes, +IN, -IN, OUT, táp.
(#) golem válasza reloop hozzászólására (») Máj 20, 2012 /
 
Szia!

Itt a kép be jelöltem mit hova kötötem meg itt az ic adatlapja.
(#) reloop válasza golem hozzászólására (») Máj 20, 2012 /
 
LM324-re számítottam a rajz alapján, ezért hivatkoztam más lábkiosztásra. Így jó a bekötésed.
Gondolom a piros- zöld megy a 47nF-ra, a csatlakozók közös testpontja pedig eljut a negatív tápra a fekete vezetéken.
A kis barna csatoló kondenzátorok 1µF tantálok? Ha véletlen elnézted a jelölést és csak 100nanósak akkor van magyarázat a mély emelés elmaradására.
Az IC működőképességét jelzi ha a kimenetén [1-es láb] 1/2 táp van.
Az áramkör alapműködését a 47nF kiiktatásával tudod ellenőrizni, ekkor 10x-esen kell jelet erősítenie.
(#) golem válasza reloop hozzászólására (») Máj 20, 2012 /
 
Szia!
Még egy kérdés nincs kerámia kondim 1µF csak elektrolit polarizált - jelölése hova esen a kondinak?
Megmértem az egyes lábát az icnek 6,6 volt van rajta 9V 200mA rel hajtom ez ál az adapteren.
(#) reloop válasza golem hozzászólására (») Máj 20, 2012 /
 
Jelöltem.
(#) golem válasza reloop hozzászólására (») Máj 20, 2012 /
 
Köszönöm a segitséget már müködik ki vetem a 47nf kondit mert az csak gyengiti a jelet. most átrakom az ic végleges helyére és be fogom dobozolni.
(#) compaqamplifier hozzászólása Máj 20, 2012 /
 
Üdv, lm 3886 vagy valamilyen gainclone müködtethető -+50 voltról?
(#) reloop válasza compaqamplifier hozzászólására (») Máj 20, 2012 /
 
(#) compaqamplifier válasza reloop hozzászólására (») Máj 20, 2012 /
 
Aha ez kiment a fejemből, itt porosodik a fenébe félkészen:S de izé LM sorozatra gondoltam... TDA 7294 az megy 50 ről?
(#) reloop válasza compaqamplifier hozzászólására (») Máj 21, 2012 /
 
Kérsz egy let me google that for you-t?
(#) szamóca válasza reloop hozzászólására (») Máj 21, 2012 /
 
(#) Riccsusz hozzászólása Máj 21, 2012 /
 
Sziasztok! Szeretnék egy 2 bemeneti csatornás erősítőt építeni, ebből az IC-ből. A kérdés az lenne, hogy elég ha Pl. a IN1-IN2 illetve IN3-IN4-et rövidre zárom és ez lesz a két bemenet vagy az AUX-al kellene játszani ?
(#) Oraculum hozzászólása Máj 21, 2012 /
 
Üdv emberek!

Van egy TDA7297-es végfokom összeszerelve. Bekötöttem 12 V-ra adtam neki bemenetet és a hangyszórókat is rákötöttem, mégse csinált semmit. A MUTE és a STAND BY csatlakozókkal mit kellene csinálnom?
Kérlek segítsetek. Köszönöm
(#) Beringer 600 válasza Beringer 600 hozzászólására (») Máj 21, 2012 /
 
Szia! Nekem is igy indúlt be.Üdv.
(#) Oraculum válasza Beringer 600 hozzászólására (») Máj 21, 2012 /
 
Megvan a dokumentációja de nem tudom értelmezni mi az a microP ott :/ pls segítsetek
(#) reloop válasza Oraculum hozzászólására (») Máj 21, 2012 /
 
A Figure 3-at nézd! Az előtte lévő [2.ábra] mutatja a st-by és a mute határértékeit.
(#) compaqamplifier válasza reloop hozzászólására (») Máj 21, 2012 /
 
micsoda?
(#) szamóca válasza compaqamplifier hozzászólására (») Máj 22, 2012 / 1
 
(#) Beringer 600 válasza Oraculum hozzászólására (») Máj 22, 2012 /
 
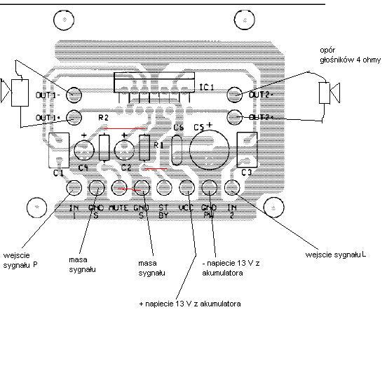
Az R1,és R2 ellenálás 47kóhm.A C4 47mf,a C2 1mf.Itt egy kép,a piros vonalak átkötéseket jelentenek.Remélem igy érthetöbb.Üdv.
(#) peter1995 hozzászólása Máj 22, 2012 /
 
Sziasztok. Egyik ismerősöm kapott egy erősítőt amit szeretne beüzemelni.
Itt található róla sok kép.
abban kérnénk segítséget hogy tulajdonképpen hogyan is kell beüzemelni. az előlapján van sok poti a potik alatt kapcsolók. a hátlapon van egy rakat csati. Ha jól értelmezem ez 100V-os és normálé hangszórókhoz is hazsnálható. Erre a hátoldalon levő váltókapcsolóból következtetek.

A kérdésem az lenne hogy hova kell a jelet kötni,m és normál hangszóróhoz honnan tudom kivenni a jelet?
(#) reloop válasza peter1995 hozzászólására (») Máj 22, 2012 /
 
Nem tudom megnézni a képeket
(#) peter1995 válasza reloop hozzászólására (») Máj 22, 2012 /
 
Pedig nekem behozza...
Így?

Ahogy nézegettem gondolkoztam talán 4 csatorna lenne és egy poti még a fő hangerő és egy a mikrofoné?...
(#) peter1995 válasza (Felhasználó 13571) hozzászólására (») Máj 22, 2012 /
 
Innen vagy picasáról? Kiléptem picasáról és sajnos az oldal nem található... Berakom ide. Csak mivel több van nem akartam teleképezni...
(#) peter1995 válasza reloop hozzászólására (») Máj 22, 2012 /
 
Így már jó kell legyen.
(#) peter1995 válasza peter1995 hozzászólására (») Máj 22, 2012 /
 
Íme még néhány. A többi nem olyan lényeges. Szerintem ebből már felismeritek. Ahogy gogleba rákerestem kiadta hogy miis, de bekötést nem találtam...
(#) Beringer 600 válasza peter1995 hozzászólására (») Máj 22, 2012 /
 
Szia! Ez egy Beag AET-453-as 1x50W 8óhmon,és 100v-os kimenet.
(#) peter1995 válasza Beringer 600 hozzászólására (») Máj 22, 2012 /
 
Aha. A hátoldaláról van kép. esetleg men tudod hova kell jelet adni és hol tudok a 8ohm-hoz kivenni a jelet?
Következő: »»   1065 / 2580
Bejelentkezés

Belépés

Hirdetés
XDT.hu
Az oldalon sütiket használunk a helyes működéshez. Bővebb információt az adatvédelmi szabályzatban olvashatsz. Megértettem