Fórum témák
» Több friss téma |
Helló
A WARTBURG-é az gyenge használj zsiguli vagy TRABANT gyt-t. Persze a tranyóra kell a hűtés.
Szia.
Na ez már nálam az a kategória amivel NEM foglalkozom,mert gazdaságilag nem éri meg, mivel a félvezetőkön kívül a tekercsek is tönkre mehettek, és ha meg is tudod javítani nem garantálja senki,hogy nemfog más hiba előjönni rajta. [OFF]Azért érdekes,hogy nemtudták megmondani,hogy a villám verte agyon vagy a gazda küldte haza. Azt mondom ne foglalkozz vele, viszont van egy jó dobozod.
Egyszer egy hálózati rádióban 60-as szöget találtam,méretre vágva!
Az sem volt rossz!
Üdv László!
Nem dolgom, csak csendesen ajánlom a legelejét ennek a topiknak átolvasásra. Több megoldást is találsz, hasznos tudnivalókkal! Minden jót!
Helló!
A kutyapásztor ebben a kapcsolásban kb hány kJ-os lenne? Ha növelni akarom a teljesítményét mit kell fejlesztenem rajta? "hogy jobban üssön" elég csak a kondiból nagyobbat választani?
Hi
KILÓ JOULE? Hát ez jó!Hát ha az oldman félére gondolsz, akkor max 0,10 joule,de lehet,hogy annál is kevesebb. Ha jót akarsz építeni és még ereje is legyen, akkor az inverterest építsd meg, ez még AGYT-val is mondhatni jó hatásfokot nyújt.
Szia "frob"!
Elkészültek a képek,mellékeltem.
Szia!
Én sem akarom megjavítani! Valamikor régen javítottam egy villám csapott Wattőr készüléket. A sérült félvezetőket kicseréltem, teszteltem, jól működött. Eltelt egy hónap ismét elromlott,javítottam. Eltelt néhány hét, ismét elromlott. Ekkor javítottam utoljára villám csapottat! Tapasztalat: a látszólag épen maradt alkatrészek sem működnek megbízhatóan.
Helló!
Bővebben: Link Ezt építeném meg, a kérdés csak az hogyan lehet és lehet-e egyáltalán javítani a teljesítményét.
Nagyon köszönöm, hogy lekattintottad.
Továbbra is nagyon érdekesnek tartom hogy ekkora trafóból 1-2Joule kijönne... Már mint a korábbi trafós témákra hivatkoznék itt ami a mérettel tekercseléssel foglalkozott...
Az is lehet,hogy ez már nem az eredeti trafó!
Esetleg valamikor javították és ezt tették bele.
Persze nem kizárt, de ebből jó ha nagy erőlködésre 0,1-0,2J kijön sztem
Heló szerintem ez villanypásztor gyári trafó és a méretezéssel simán kilehet hozni belőle 1-2 joule-t
Ettől sokkal jobb egy inverteres és annak teljesítményét sokkal egyszerűbb módosítani.
Hello ezt a pasztort epitettem es az lenne a keresem hogy a BU326A-t mivel lehet helyetesiteni az osszes megoldast szeretnem hogy valogathassam ossze. Koszi.
Helo.Én nem vagyok elragadtatva ettől a kapcsolástol.Nem tudtam állítani ugy ahogy szerettem volna.(elnézést ha bele vau-vau)
Persze h * nem egyszerű jól beállítani, a kitöltés meg talán nem megy 50% alá, ez okozza a fő gondot, de vannak olyan kapcsolások ahol 2 db 555 van befogva melóra, ott jobb a helyzet mert az egyik az ütemet adja a másik meg a nyitás idejét, ekkor lehet jobb értelmes dolgokat csinálni belőle, de akkor is az a pár 100m es kerítés amit meghajt nem sok.
Ez tetszik nekem.Bővebben: Link
Kérésre,most építettem át egy hasonló elektronikára épülő pásztort,az 556-tal működik,nekem nem nyerte el a tetszésemet,de nem akarlak befolyásolni.A sokat emlegetett inverteres nekem jobban bejön.
Szeretnem ha elkuldened a 2db 555-os nyakrajzat es beulteteset. Erdgab emlitette az inverterest na annak is szeretnem a rajzait ha lehet. Az lenne meg a kerdesem hogy amit mellekeltem rajz az mekkora szikrat ad ha mar megepitette valaki es hogy a 2 db 555-os mekkorat ad es az inverteres mekkorat ad kb saccoljatok meg kerlek.
Ez amit megepitettem akkoracska szikrat ad hogy szinte nem is lehet latni. Kellene nekem valami egyszeru de jo nagy szikrat ado villanypasztorocska ''nagy szikra'' min 5minimeter.
Helo.Hát a mérőcske alapján állíthato kb. 1kv-8kv-ig.
Kb. 7mm
annak amit megepitettem meg 1 minimeter sincs epp hogy csak pici-pici-pici szinte mar hozza kell erinteni.
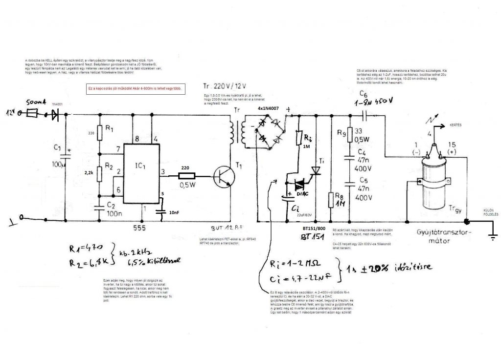
Nos,mutatom a rajzot,amit én használok,még innen a fórumról vettem le.A BUT12AF helyett nekem a PC tápokból bontott nagyfesz tranzisztorok váltak be,még csak nem is langyosak,a C6 nálam 16µF/450V értékű,az autó trafó szinte bármi,a Tr 230/9V/300mA dugasztáp trafó.Hogy mekkora szikrát ad(?),akár 1cm nagyságút is,talán még nagyobbat is,de nem engedem,mert a szikraközt 8mm -re állítom.A havernál már a harmadik éve megy éjjel-nappal,télen-nyáron hibátlanul, 5 szál vezetékkel 1,5km kerületű területen.Vad még nem járt bent azóta.Áramfelvétele kb. 160-170mA 12V-ról a C6 kondi kb. 250-280V töltődik fel.Még valamit esetleg?
|
Bejelentkezés
Hirdetés |









