Fórum témák
» Több friss téma |
Hello!Megépítettem Szabi89 tda2030a-s nyéktervét csak nagyon recseg a basszusnál.Valaki tudna segíteni?A beültetés és az átkötés jól lenne?
Szia! Az átkötések nem jók. Volna hozzá rajzod, hogy a híd második tagja miként van kitalálva? Egyben válaszolnék majd egy rajzzal.
Hello!Megépítettem Szabi89 nyáktervét a tda2030a-s végfokot.Nagyon recseg és nem tudok vele mit kezdeni.Valaki segítene?Ezzel csináltam az egészet.
Rendbe raktam kék színnel. Nyák hiba is van benne.
Sziasztok! Készítettem egy erősítőt, itt a nyák, beültetési rajza. Nem tudom, hogy, hogyan adjak neki tápot, van egy Voc-, Voc+, Grnd bemenete. Meikre kössem a +, - tápot?
Ha a Voc-, Voc+-ra adok neki tápot, akkor nem csinál semmit, kipróbáltam a Voc+, Grnd-vel is, úgy sem csinál semmit. Esetleg elronthattuk? A kapcsolás rossz? Ötlet? *
Ennek az erősítőnek van saját topikja ott sok hasznos dolog olvasható, köztük a bekötés is.
Ilyen táppal próbáld meg.Bővebben: Link
Valami más megoldás nincs?
Ha esetleg a Grndre és a Voc-, -ra is negatív tápot adok? Amúgy én egy sima 18vos, 3A-es táppal és egy 12vos, 1A-es táppal próbáltam amelyek egyenáramot nyomnak ki.
Nincs. Ezt egy ilyen szimmetrikus táppal kell meghajtani.
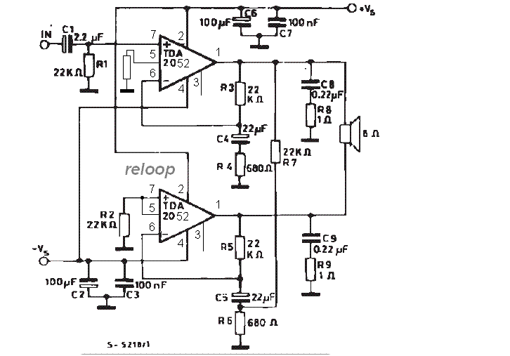
reloop így működni fog?Leírnád nekem a +.-.GND-t hova kell rakni?A hangszórót melyik OUT-ra tegyem?
A pirossal jelölt +,-, GND megfelel a táp bekötésére. Az "out" két csatlakozási pontot jelöl, erre megy a hangszóró, mivel hídkapcsolás. A kékkel jelölt nyák átvágást, és a mellette levő átkötést is el kell készíteni.
megcsináltam az átkötéssel és mindennel együtt ahogy a rajzon volt de így sem szól
Fotózd le a panel mindét oldalát, hátha sikerül kiszúrni mi a hiba.
rendben de nem biztos hogy fog tetszeni de itt van
Az első fotón ott volt az 1µF-os kondenzátor a bemenetnél mikor próbáltam)
Nem túl szerencsés "kidrótozni" az ic-t...
Sziasztok!
Csináltam egy tda2030 as erősitőt csak egy kicsit kevés a baszus az mitöl van? Itt a rajz amit megépitetem.
Eltaláltad nem tetszik
A fotón bal oldali IC kap pozitív tápot az 5-ös lábára? A táp GND-je (0V) hova érkezik? A kondenzátorok értéke néhol durván eltér - ettől még szólhatna. A forrasztási oldalon az átkötés a C5 megfelelő lábára megy?
Szia! C3, C5, C6 megfelel az előírt értéknek? Rajtuk múlik a mély-hangok vágása.
Diódáknak mi szerepe van ha nem ugyan olyat rakok az nem baj?
Arra a lábára tettem az átkötést ahova te mondtad.A bal oldali meg sem szólalt a jobb szóllt egy ideig de az is nagyon recsegve és torzítva amikor a basszus következett.
A dióda szerepe: a hangszóró tekercs lengése által gerjesztett feszültségtől óvja a kimenetet. Záróirányban a kapcsolás tápfeszültségét, nyitó irányban 1A-t elég ha elvisel.
Elég szerencsétlen NYÁK tervet választottál. Talán a fórumtársak közül tudna valaki egy kipróbált, rendezettebb változatot.
Ha ezt helyre akarod hozni, akkor először egyenfeszültség szempontjából kell ellenőrizni. Az alábbi feszültségnek kell megjelenni mindkét IC-nél testhez (GND) képest: 1-2 láb -> 0, +100mV között; 3 -> láb negatív tápfeszültség; 4 -> láb 0, +/-100mV között; 5 -> láb pozitív tápfeszültség.
a Gnd nekem 0.80v az 1-es és a 2-es lábnál is 0.80v a 3-as 12v 4-láb 0.80v és az 5-ös 12v.És te tudsz ajánlani egy kapcsolást nyáktervvel együtt?
Ez alapján szólnia kéne, ha jelet kap a bemenetére. Milyen tápot használsz hozzá?
Ezt a kapcsolást még nem építettem meg, csak aszimmetrikus táphoz készítettem tervet: Bővebben: Link
12v-os 4.7A-os aksiról megy.Felmerülne egy pár kérdés a nyáktervvel kapcsolatban.
Sziasztok!
Jól gondolom, hogy TDA2052-őt még nem hidalt senki? (Van egy elképzelésem, hogy pont ugyanúgy, talán még hasonló méretezéssel meg lehet csinálni, mint a 2030-al, vagy 2040-el, csak még nem próbáltam ki, mert azért csábít az a 8 ohm 120W music power!) Szerintetek?
Próbáld meg megcsinálni!ha megtudod csinálni tedd fel!és majd kipróbáljuk.
Google barátunk sem talál rá hidat, lehet, hogy én leszek az első!
Vicces lesz!
Hajrá próbáld ki hátha sikerül!Sok szerencsét!
Előkészítettem egy kicsit a munkádat
![]() A mute vezérlést próbáld berajzolni. |
Bejelentkezés
Hirdetés |







Az első fotón ott volt az 1µF-os kondenzátor a bemenetnél mikor próbáltam) 









