Fórum témák
» Több friss téma |
Fórum » LED-es kivezérlésjelzők
Témaindító: KeserűCukor, idő: Márc 27, 2006
Témakörök:
Mikrofon erősítő elektret mikrofonhoz: (2 féle)
vagy akár ez is jó lesz neked. ez is egy mikrofon előerősítő.
Üdv!
Tudom, hogy már jópárszor ki lett tárgyalva itt a topicban, végig is olvastam az egészet, csak v.hogy nem minden világos. Úgyhogy ha van segítőkész emberke, akkor kérdeznék egyet s mást: LM3915-ös IC-vel szeretnék 1-1db kivezérlésjelzőt építeni sztereó erősítőhöz. ITT találtam egy ígéretesnek tűnő kitet, de túl drága, alkatrész áron, alig a feléből kijönne simán, csakhogy nekem v.hogy nem stimmel a kapcsolás meg az alkatrészlista, illetve nemtudom milyen tápot tegyek alá. Tápnak elég egy trafó egyenirányítóval vagy illik szűrni is a jelet 1-1 elkóval? Ha erről tudna valaki nekem egy normális leírást adni anna nagyon örülnék. Vagy bármi hasonlót ezzel az IC-vel, lényeg, hogy érthető kapcsolás legyen, mert a csatlakozásokon (jel, táp +-, föld, stb) nem nagyon tudtam elmenni Előre is köszönöm!
hello! a táp egyenirányítása után mindenféleképpen muszáj "szűrni" de inkább símítani a jelet kondival.1000µF már kb. elég plusz egy100nf-os a zavarok kiszűréséhez. az adatlapjában lévő kapcsolást építsd meg sztem, mert ez a legegyszerűbb (keress Audio Power Meter-t, a 17. oldalon található.az kell neked.)
Egy kis magyarázat: ha erősítő után kötöd, akkor a táblázatból ki kell választani a megfelelő ellenállásértéket a hangfalnak megfelelően. Ha hangkártyára rakod (arra még párhuzamosan rákötheted az erősítőt) ,akkor próbálgatni kell néhány potméter 10-150kohm környékén, a bekötése: két szélső- föld és hangkártya jele, középső pedig az ic-nek a sig bemenetére. A mode lábra köss egy kapcsolót, ami pozitívot és negatívat tud kapcsolni rá, így tudod változtatni ,hogy pont vagy vonal üzemmódban dolgozzon az ic. ha valamit még nem értesz, kérdezz.
Hali!
Szerintem az alkatrészlista ok. Tápnak: trafó, egyenirányító, kondi. Aud-ra kötöd a jelet, E-re a jel földjét. AC1 vagy AC2-re a +tápot jelen adat szerint 6-12V Szerintem elég az egyik, pl AC1, az AC2-t, ill a hozzá tartozó két diódát elhagyhatod. (Mi értelme van mindkettőnek? )Com-ra pedig a táp földjét.
Köszönöm szépen mindkettőtöknek
Hát igen...kezdőként bezavart az a két ac csatlakozás dolog meg stb. A jel földje az végülis a kábelnek az árnyékolása lenne, nemde? vagy tévedek? :no: Elsőre olyan egyszerűnek tűnik, aztán néha feleslegesen túl bonyolítja az ember. Jah és a VR1 az poti lenne a jel bemenet után? mert az alkatrészlistán meg P1 néven szerepel...
föld = kábel árnyékolása, és ezt rá kell kötni az összes földre és trafó földjére is (vagy negatívjára, ha szimplatápos)
Idézet: „A jel földje az végülis a kábelnek az árnyékolása lenne, nemde? vagy tévedek?” igen, és a kábel másik végét összekötöd annak az áramkörnek a földjével, ami a jelet adja
értem, köszi szépen, miden világos :yes:
lábkiosztásnál mennyire használható a rajz? vagy csak a számokat figyeljem és kész? mert v.hogy kusza nekem
Végigfutva a fórumot, kicsit eltérő kérdésem lenne.
A lm3914 lehet,illetve hogyan lehet 1-10V os merot csinalni,hogy ne keljen kulso ref táp, hanem rákötök 8db 1.2V AA akksit,és mutatja h mekkora a töltés?? esetlág más ic erre a célra? 5letek?? köszi dms
Az adatlapot tanulmányozd! Az IC előállít 1.25 V referencia feszültséget, amelyből egy feszosztó segítségével beállítasz ~12 V referenciat és másik két osztóval a Low és High értékekkel a komparátor alsó és felső határát. Igy akár pontosan be tudod állítani a LEDenként 1V-ot.
Valahol egyszer csatoltam egy Excel fájlt ami a számításokat tartalmazza.
Üdv ismét!
Lassan megvan a cucc, van hozzá egy 9Volt-os trafóm. v.mi PC-s csipogóban volt. Az a baj, hogy csak 0,2A-t tud leadni. mennyi ennek az lm3919 IC-vel készült cucc áramfelvétele?
Az Ic nem eszik sokat, de a fogyasztásához még hozzájönnek a ledek, inkább ezeknek számottevő a fogyasztása.
Azt nem tudom, hogy együtt mennyi lesz az áramfelvétel, de szerintem elég lesz a tápod, tekintve, hogy nem folamatosan világít az összes led.
Igen ebben igazad van..
Nem lenne baj, ha elég lenne, igaz nem nagypénz egy 9voltos trafó, de ha már ittvan és úgyse jó semmi másra, akkorm inek adjak ki érte pénzt?
Még egy kis apróság:
AkiEZT a kapcsolást megépítette már. Szóval az ellenállás watt értékei mik? vagy mindenhova bőven elég az 1wattos ellenállat? mert pl 2Kohm-os ból csak 0,6wattost találtam
én mindenhova 0.5Wost tettem és jó...
hello mindenki
![]() A segitségeteket szeretném kérni...kivezérlésjelőt szeretnék építeni..már a ledek beültetésével, forrsztásával készvagyok. a vezérlés maradt hátra ..nemtudom, hogy hogyan csináljam...kb 1000db led van bennt.. 136 sorral...tudtok valami ötletet adni a témához? ..nem nagyon vagyok jártas ilyen téren jah és még annyi, hogy megfelezném a sorok számát, és középről indulna a kijelzés( jobbra-balra).. :yes:
a képen a bal oldali rész van csak bekábelezve
ill. van még egy ilyenem...tudnám ezt valamire használni? legfeljebb alkatrészt?
Szia!
Uramatyám, mi lesz ez ennyi sok ledből? Ha 136 sorod van (vagy akár csak ennek a fele, azaz 68), azt nem lesz könnyű meghajtani. A következő lehetőségeid vannak: A meglévő paneledet használod, és 5 csoportra osztod a sorokat (oldalanként), de szerintem ez nem olyan látványol, szóval felejtős. A második, hogy építesz egy-egy kivjelzőt LM3915-tel vagy UAA180-nal, és 10-12 csoportra osztod a ledelet, eggyel jobb megoldás. Vagy, ha mégis soronként akarod szabályozni, akkor 14db LM3915 kell hozzá, azokat lehet kaszkádba kapcsolni, így megoldott a soronkénti szabályzás, csak jó drága lesz ennyi ic. Másik kérdés, hogy ilyen sok párhuzamosan kötött led áramát bírja-e, illetve mivel nem egyforma mennyiségű van egy sorban (ha jól látom), nem lesznek-e különböző fényerejűek a sorok. A legalkalmasabbnak a feladatra ezt a kapcsolást tartom: kivezérlésjelző Az egyetlen hátránya, hogy ennyi ledhez nagyon magas tápfeszre lesz szükséged, viszont minden sornak külön beállíthatod az áramát, és nem is drága. A cikkben elég részletes infó van. Üdv, Tom és ha maradok, a soronkénti vezérlésnél?...kb mekkora tápfeszre kell számitanom igy? auto hátsó lámpája lesz ez...
koszi elozo hozzaszolast,de sajna az excel tablaval nem mentem sokra
... arra nincs vkinek kapcs rajza h hogyan lehet 0-10 V os beosztast csinalni , akar lm3914, uaa180 ...? koszidms
Az IC adatlapján a legelső kapcsolás 0-5V között mér.
Szerintem próbáld meg azt, és az R1-R2 variálásával (ideiglenesen rakj helyettük potit) próbáld beállítani a 10V-os méréshatárt. Ja, és máskor használd a válasz gombot.
hm? tudnám ezt használni, mint alkatrészt?
pedig egyszerű, a piros kockákba választasz potméter értékeket a sárgákkal terkered. a jobbszélén látod az egyes LEDek kapcsolási feszültségét.
A kívánt beállítás 5k, 500, 500 -as potik (e15,e12,e7) e9 az 0 a többi végtelen. A feszosztó pontjait a bejelölt lábakra kötöd és a kívánt beállítást elvégzed a potikon. A legfelsőt ami High-ra megy 100/400 , a középsőt ami a Refa-ra megy 235/265 arányba tekered, az alsót pedig a földre. Láss csodát a LEDek egész voltonként fognak felgyulladni. jelen beállításnál a 17 mA-es LEDáram lesz.
Ha BAR módban használod akkor R4 legyen legalább 2W-os, a többi lehet 0.01 W-os felületszerelt morzsa ellenállás is.
Nagyon koszonom, amint van idom epitem is.
Off ( lcd ugyben vki otthon van pic,prog stb, Samsung_LT121SS-105 ) On. dms
Üdv!
Tudna nekem valaki ehhez a kivezérlés jelző áramkörhöz paneltervet küldeni? Találtam jó fényképet róla, de nem sikerült pár dolgot beazonosítani rajta, jobb lenne egy terv. Köszi!
Hello,
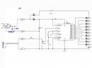
lenne egypar kerdesem, csatoltam a kepet, ott vannak a kerdesek is .TAdamm
"ide mekkkora.."
nem oda kell, hanem a LED + ágba és akkora , hogy a max LED áram (kb 10* 8-20 mA) esetén 15V essen rajta. Tipikusan 10-100 Ohm "ennek mekkorának kell..." Amennyire beállítod a az Rlo és Rhi értékeket, a bemeneti jelnek a két érték között kell lennie. "több kapcs.." az R1 és R2 (néhol R3 a kettő között) értékeivel tudod állítani az Rlo, Rhi és REFout fesz értékeket, mellékesen a a LED áramgenerátorát is szabályozza. Lásd az előzőekben csatolt Excel táblát "jo... de mi.." mi a kérdés a microFarad, a tantálkondi a 6v-os táp? |
Bejelentkezés
Hirdetés |




)
jah és még annyi, hogy megfelezném a sorok számát, és középről indulna a kijelzés( jobbra-balra).. :yes: 

... arra nincs vkinek kapcs rajza h hogyan lehet 0-10 V os beosztast csinalni , akar





