Fórum témák
» Több friss téma |
Fórum » LM1036 sztereo hangszínszabályzó áramkör
Témaindító: Krajcsooo, idő: Máj 29, 2006
Témakörök:
Sziasztok ... Látatok már olyat hogy , megéptettem ezt az áramkört és müködik is , szépen szól egy lm 4766 végerőstővel . De ha nincs hangszoró kötve a végére akkor halhatóan az áramköröcske is nem azt mondom hogy szól de halható a zene ... Lehet hogy valamelyeik kondenzátor szerekodik ???
Az jó!
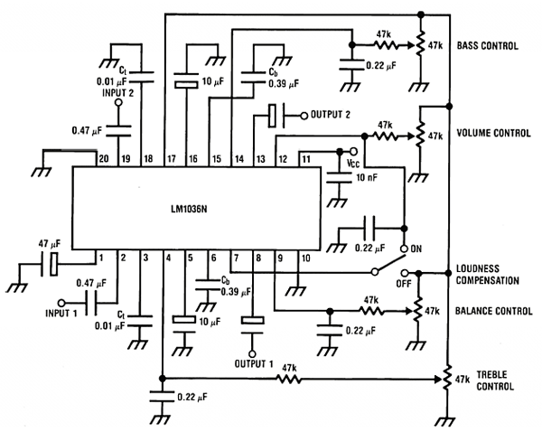
![]() Légyszi kapcsi rajzot tennél fel róla? ![]() Köszi! Üdv.: Jax
Sziasztok! Megépítettem a vf3-t, és hozzá a Dj Szabcsa hangszínszabályzóját. Mind a kettő nagyon szépen szól. A színszabályzó 12v akksiról megy. A VF3 +-23.5 V -ról. A gondom, hogy nem tudom, hogy kössem be a végfok tápjára,hogy ne legyen brummos, vagy zúgós. Ha a dupla szekunderes trafó egyik oldalára felteszek még egy írányító kockát és utána egy 7812 ic-t, az szerintem nagyon nem lesz jó. Kérek szépen segítséget. Itt ülök és várom. Köszönom.
Szia! Az LM1036 kb. 50mA áramfelvétele könnyen okoz földhurkot. A legjobb megoldás független szekunder lenne. Ha toroid trafód van, rá lehet még pár menetet (diy) hajtani.
Amennyiben kénytelen vagy az erősítő tápját felhasználni, akkor a feszültségstabilizátort és a hozzá kapcsolódó szűrést közvetlen a táp testpontjához csatlakoztasd.
Kedves Reloop. Légyszíves rajzold le nekem, mert nem nagyon értem. Tekercselgetni nem tudok sajnos. Mercy
Sziasztok! Egy pár kép a cuccosról.
Reloop, még két kép. Légyszíves nézd meg. Köszönöm.
Hálás köszönetem, mindjárt neki ugrok és szétbombázom. Köszi.
Szegény 7812 hűtés nélkül melegszik az 50mA-től. Nem lehet, hogy a 23.5 V ról neki már nehéz?
Lehetne elé ellenállást tenni amin 5-6V esik, 100ohm megfelelne. Próbáld meg a hangszórók test vezetékét áttenni a tápra, arra a pontra amit kék karikával jelöltem. Amúgy is ott a helyük!
Most elkezdtem a kis trafóval a másik tápot, ahogy mondtad. Nagyszűrőnek elég az 1000 uF?
Kérdésem a tantál kondin csak annyi van, hogy 0,1 35v.
Ez létezik, hogy 100nanós?
Reloop, tökéletesen működik zajok nélkül amit mondtál. Millió köszönet.
Üdv! Nekem a motoromban 35Voltot szabályoz le 12V-ra, és nem melegszik.
Hello, kérdésem lenne, hogy ezt a http://www.d-audio.hu/index.php?main_page=product_info&cPath=53&pro...fbiv73
kittet lehetne-e alkalmazni nagy teljesítményű erősítőnél?
Alkalmazása nem függ az erősítő teljesítményétől. Arra számíts, hogy az egyszeres táp miatt a ki és bekapcsolás koppanással jár.
Tudnál ajánlani olyan kapcsolást ami kb 400W-os erősítőhöz (2*xy V váltóáramú, azaz + / - / test). Hangszínszabályzó modul kellene előfokkal együtt, nem igazán találtam neten megépíthető kapcsolást ami számomra jó lenne. Balance/Terable/Bass/Volume állítási lehetőséggel. Találtam egy tda-s megoldásút arra azt mondták hogy túl nagy a zaja és ez belehallatszik magas hangerőnél a zenébe, és találtam egy másikat lm1036-ost. Ezt már többen javasoltál és ahogy néztem nem is drága az ic.
Van hangszínszabályzós téma. Onnan ajánlom ezt is.
Sziasztok!
Reloop segítség kéne nekem. VF3 és a Dj Szabcsa hangszínszabályzó, ami nagyon szépen szól, már majdnem azt mondom, hogy tökéletes,de még egy problémám van. A torzítás határán talán, a zene ütemére, ahol már szép a teljesítmény, rá rá kattan vagy csattan egyet egyet. Mi a fene lehet ez? Üdv: Koncsár
Ilyet még nem tapasztaltam. Célszerű volna szétválasztani a hangszínt a végfoktól és megnézni melyik produkálja ezt a hangot.
A végfok visszacsatolása talán túlzott fázistolást szenved.
A MOSFET vezetékezése roppant egészségtelen. Kipróbálhatnád TL071-gyel, az úgy hírlik kevésbé érzékeny. |
Bejelentkezés
Hirdetés |



















