Fórum témák
» Több friss téma |
Ilyen bemenetválasztótt készítettem, fel-le számlálóval, számjegyes visszajelzéssel, 2 nyomógombbal vezérelve:
http://skory.gylcomp.hu/quad405/bemenet/bemenet.html
Hello mindenkinek , kattam hogy meg nincs tema nyitva errol a fogalomrol , kellene nekem ehez az ic hez egy kapcsolasi rajz LC7822 , ezt audio erositokben szoktak alkalmazni a csatoenak vatasara , Tape , Cd , dvd , stb ... nagyon szuksegem lenne egy rajzra vagy valami utmutatora hogyan tudnam osszehozni a dolgot .
Idézet: téma ide áthelyezve! „LC7822 ANALOG FUNCTION SWITCH”
ha jol nezem akkor ezt egy proci hajtja meg szoval analog jelet kapcsol az ic de digitalis jel kell neki hogy kapcsolni tudja , jol mondom?
ez tok jo ,
, varom a TDA megoldast is en is megakarok epiteni egy bemenet valasztot .
egy olyan erdekelne ami 4 bemenet 4 nyomogombal mukodjon , es led kivezerlessel
Én egy olyat terveztem anno, aminek 4db bemenete volt és egy kimenete. A bemeneteire 4db asztali dvd lejátszó került, a kimenetére pedig 1 tv. Négy nyomógombbal lehetett rajta változtatni, hogy melyik lejátszó képét és sztereo hangját kapcsolja a tv-re. Ezért tehát csatornánként 3 áramkört kapcsolt (kép, bal hang, jobb hang)
4db leddel jelezte ki hogy melyik bemenet aktív. Egy marék 4066, egy 4017 meg egy órajel-generátor volt(van) benne úgy emlékszem.
nekem csak audio jelet kell kapcsolnia 4 bemenet , 4 kulon allo gombal es 4 led jelzessel 1 kimenet , egy rajzra lenne szuksegem
nincs meg veletlenul valakinek ennek a bemenetvalaszto nyak terve ?
Helló!
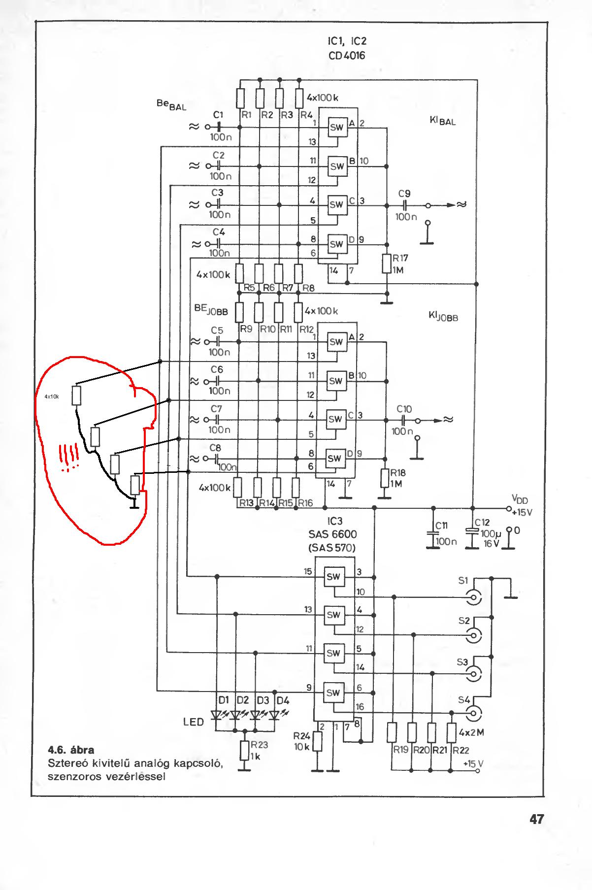
Ez a SAS560 (SAS6600) egy érintésvezérlésű bemenetválasztó, ami meg van fűszerezve két analóg ic-vel (hogy sztereón kapcsoljon) Én is készülök elkészíteni egyet, de azt relével, nem CD4016-os IC-vel. Már sikerült a kapcsolást összehozni, már csak nyákot kell hozzá készítenem. Ha érdekel, akkor feltehetem a kapcsrajzot a relés verzióhoz. Azért gondoltam relével készíteni, mert akkor nincs még egy IC, ami még plusszba beleszólhat hangba. Arpy
hy. megcsinaltam a bemenet valasztot es nem vagyok elszalva tole szoval tele van problemaval a sas560 al semmi gond nincs de a cd4016 az sehogy sem mukodik
Hy
Milyen problémák léptek fel a kapcsolással? Melyik kapcsolás alapján készítetted el? Én még bele se kezdtem, mert még más dolgokon dolgozok.... most lett kész az Attila féle hőmérsékletérzékelős forrasztóállomás, nagyon királyul müködik. most van készülőben egy 2m-es vu meter. Majd valamikor sorrakerül a bemenetválasztó is ![]() Arpy
nos a cd4016 os ic vel volt egy kis gond nem igazan akart ugy kapcsolni mint ahogy kene , de vegul sikerult kikuszobolni a problemat
a kapcsolasi rajz 2 hozza szolassal feljebb van , es itt a kijavitott valtozat ami tokeletesen mukodik!
Hy
Köszi, hogy megosztottad a tapasztalatodat a bemenetválasztóval kapcsolatbn. És erre hogy jöttél rá? Másik kapcsolási rajz alapján, avagy kisérletezéssel? Milyen ez a CD4016-os IC? nem romlik vele a hang minősége? Arpy
Ja én is ezt javasoltam, de aztán megnéztem jobban a kapcsolást, a hozzászólásom meg kitöröltem.
Feszültségosztóval meg van emelve a bemenet.
4016-nál picit jobb a 4066?
Idézet: :miaz: „hang minőség”
Ja a 4066 valóban jobb. Én a szimetrikus tápra mondtam.
Hát nem tudom, hogy jobb lehet-e... én még nem használtam analóg ic-t hang kapcsolására... inkább relére esküszök
![]() Arpy
Szia !
Idézet: „Hát nem tudom, hogy jobb lehet-e.” Azt én sem tudom, de a 4066 biztosan jó mert kb 6 éve megy nálam, és talán a vájt fülüek hallanák meg, hogy ezzel kapcsolom a kimeneteket. Üdv!
Én is inkább a relére szavazok (reed), de jóval drágább.
Lehet hogy a SAS IC már nem tud ekkora áramot, azért erre oda kell figyelni. Néhány BC548-at még be kell tenni a Relé meg a SAS IC közé.
Igen, be is akarnék rakni egy tranyót minden csatornához. Mindjárt bescannelem, hogy faterom segítségével hogy gondoltuk: (melléklet)
Már a relék megvannak... már csak össze kellene rakni. Csak még más dolgokon dolgozok. Más tranyós is megfelel, nem? Csak az a lényeg, hogy PNP tranyó legyen, nem? Arpy
szia , nem romlik a minoseg , es nem volt mas kapcsolasi rajz sem , egy kicsit kiserleteztem
,
szia , nem 5v os tappal hanem sima 12v rol taplalom az ic-ket a CD -t es a SAS -t
|
Bejelentkezés
Hirdetés |




, varom a TDA megoldast is
en is megakarok epiteni egy bemenet valasztot . 








