Fórum témák
» Több friss téma |
Hello!
Kalibrálni legegyszerűbben egy kis trafóról, az 50Hz-el lehet, ha négyszögesíted egy komparátorral. Ha a komparátor bemenetén kétutas egyenirányítót használsz, akkor a kimenetén 100Hz lesz. üdv! proli007
Hello!
Szerintem, azért nem tudnak segíteni, mert fogalmuk sincs mit vett, és abban mi van. üdv! proli007
OK. Köszönöm esetleg az a trafó nem baj ha 12v-os? esetleg a komparátort táplálhatom ugyanarról a trafóról?
Hello!
Természetesen adhatja a bemenő jelet, a 12V-os trafó is. Csak tegyél eléje egy feszültség osztót (két ellenállást), nehogy a komparátor a tápfeszültségénél magasabb feszültséget kapjon. (Pontosan ekkor lehet megmondani mit tegyél, ha ismert a fordulatmérő és a komparátor rajza is.) üdv! proli007
Sziasztok!
Erről a honlapról vettem egyszer (kb. 2 éve) egy fordulatszámmérőt a szimóhoz. LINK De valamilyen oknál fogva nem sikerült bekötni rendesen... vagy nagyon ingadozott az érték, vagy teljesen irreálisat mutatott. Egy 6V-os Star / Schwalbee motorról van szó. 4db 7 szegmenses kijelző mutatja a fordulatszámot, 0-9999-ig. Először bejön a josepino dot com szöveg, utána áll 0-ra. Gondolom onnan van a forráskód. A műszernek 4 kivezetése van: egy pozitív táp, egy negatív táp, egy pozitív jel, egy negatív jel. A táp egyértelmű (6-24V), a jelet meg úgy kell bekötni, hogyha negatív impulzust adok neki, akkor a pozitívot tápra kötöm, ha pozitív impulzust, akkor meg a negatítot földre. No, tápnak adtam neki akksit (6V), de töltéskor lehet, hogy több, gondolkodtam egy 7805-ösön, hogy elé rakom, meg egy nagyobb szűrő kondin. Mit gondoltok? Ez az első kérdés. Aztán rákötöttem a megszakítót a bemenő jelre, mutatott is, de valami nagyon magas, irreális értéket. Utána megpróbáltam azt is, hogy a gyertya kábel mellé szigszalagoztam a bemenő jel kábelét, ekkor meg össz-vissza mutatott. Valahol olvastam, hogy valami tekercset kéne oda rátenni lehet. Na ez a másidik kérdés. Ha oda lehet rákötni, akkor a negatív vagy a pozitív impulzus vevőjét, és hogyan? (ha tekercsa akkor hány menet, kell-e kondi, dióda, stb...) Szóval a nagy búslakodásban, hogy ez sehogy sem lesz jó, leszedtem a motorról az eszközt és megnéztem mit mutat pc ventillátorral. Nos, az egyik venti aminek a fordulatszáma 3500, ott 7000-et mutatott a műszer, amelyiknek a fordulatszáma 1500, annál meg 3000-t. Szóval a dupláját mutatja annak, ami van. A megszakítónál meg tudtommal egy fordulat alatt 2x van jel, szóval akkor a 4x-esét mutatja a motoron elvileg. Na most akkor ezt a jelet kéne valahogy 2x megfelezni, negyedelni vagy ahogy tetszik. Hogyan? A gyertya vajon csak minden 2. fordulatnál szikrázik? Mert akkor az egyszerűbb lenne... Vagy most szerintetek mit lehetne csinálni? Működik a cucc, csak a motoron 4x annyit ír ki, a valóságban meg 2x annyit
Szia Márkatárs!
A mérőd egyhengeres 4 ütemű motorhoz készült, mely minden második főtengely fordulaton gyújt. A Simson kétütemű - fordulatonként 1 szikra. Mint írod a táp 6-24V lehet, az 5V-os stabilizátornak ott semmi helye, csak ront a dolgon. A jel csatlakozásról írottak nem világosak számomra. Kizárható, hogy egyik jelkábel kétüteműhöz, másik négyüteműhöz való? Kis munkával be lehet iktatni egy kettes osztót a megszakítás és a mérő közé.
Köszi, megoldom (remélem), majd még jelentkezem
Elég jó cuccok lettek azon az oldalon azóta, úgy nézem
Gondolkodom egy akku feszültség mérőn (kék 7 szegmenses kijelző, 2,8K HUF), de jobb szeretnék építeni egyet. Na szóval próbáltam én stabil számítógép táp 5V-jával, azzal is múkodott jól, csak épp a dupláját mutatja annak ami van ![]() Szóval egy felező áramkör kéne akkor, meg a kérdés, hogy hova kössem? Gyertyára vagy megszakítóra?
A megszakítóra természetesen. A Szocimotoroson elhíresült kapcsolás eleje jó a négyszögjel kialakításához.
Inkább érdekességként fűzöm hozzá, hogy nálam a generátor adja a jelet, fordulatonként hármat, ahhoz már csak egy hatos osztó kell Bővebben: Link
Sziasztok,
Megépítettem ezt:Bővebben: Link Jól működik, de csak akkor, ha a bemenetre a jelet a gyújtófőkábelről veszem, pár menettel. A megszakítóról nem működik. A kocsi egy 4T wartburg. Próbáltam csökkenteni a bázisellenállást, de a vége az lett hogy a poti szikrázott, de a ledek továbra sem világítanak. Mit lehet még megpróbálni?
Hello!
Próbáld meg a 100kohm-ot 22k-ra cserélni, és a zénerrel párhuzamosan egy 10kohm-ot kötni. Lehet a tranyó nem tud lezárni így. üdv! proli007
Sziasztok, olyan kérdéssel fordulnék hozzátok hogy lenne egy ledes fordszámmérőm (frekit mér) amit tovább szeretnék skálázni mint 10ezer, most két darab 3914-es hajtja őket és szeretnék egy harmadikat beletenni így 15ezerig kitolható lenne a mért tartomány. Kérdésem hogy mit változtassak vagy milyen módon tegyem be a kapcsiba a harmadik 3914-et ?
Szia! A harmadik IC-t úgy kell bekötni mint a rajzon a felsőt. A 4, 8 lábak mennek az előző 6, 7-esére. Az 5-ös továbbra is közös. Ezen láthatod a továbbfűzés módszerét.
Ezer köszönet érte , holnap ki is próbálom
Érzed ezt a témát
Ha megépíteném ezt a kapcsolást, kell még hozzá valami, vagy csak kalibrálni kell és működik?
Mert nekem Simson Star-om van, 6V-os akkuval. A jelet honnan veszed? Megszakítóról?
Van bent egy trimmer azzal kell beállítani , rákötöd a bemenetét egy trafóra , mindenféle egyenirányító nélkül és addig kell állítani a trimmert amíg 3000-ret nem mutat a műszer és be van állítva. Semmi más nemkell hozzá , a bemenetét meg rá kell tekerni a gyertya kábelre és induktívan veszi a jelet. /frekit/
Nagyon jó, köszi
Gondolom akkor az árnyékolt gyertyapipa ajánlott.Egyébként ez megcsinálja az osztást is? (azt hiszem 2-vel kell...) vagy az csak a 4 üteműeknél van? Én nem értek ám ehhez a részhez ![]() Nekem egy digitális van, amihez most csinálok egy 2-es osztót 4017-el, mert a 2x-esét mutatja annak ami az igazi fordulat, meg nagy volt a zavar. Most leárnyékoltam a pipát, úgy néz ki jó lesz. Az indexem is ledes, 555 hajtja meg, az is úgy villogott, ahogy gyújtott a gép. Az árnyékolás azon is segített.
Szia! Ez a fordulatszámmérő végső soron feszültséget mér, nem közvetlenül az egységnyi idő alatti impulzusokat számolja. A gyújtás felől érkező jelre az 555 egy potival állítható szélességű impulzust állít elő. A fordulatszám növekedésével ezek az impulzusok szaporodnak, így nő az impulzus sorozat kitöltési tényezője. Az 555 utáni RC integrátor ebből képez fordulatszám függő egyenfeszültséget.
Sziasztok!
Meg építettem a josepino féle fordulatszámmérőt zöld kijelzővel, minden bekötés helyes, de nem csinál semmit, ha tápot teszek rá. Programra nem ír a szoftver semmi hibát. PICKit2 programmerrel égettem. Lehet, hogy a zöld kijelző miatt van? kimenetein sem mérek semmi feszt. Válaszokat előre is köszönöm! Üdv mhatyalk
Na kipróbáltam, bejött amit tanácsoltál. Most már a megszakító pontról is működik. Köszönöm!
Sziasztok!
Szeretnék egy digitális fordulatszámmérőt építeni.4 ütemű, 6 hengeres motorhoz kellene,lehetőleg 9900-as tartományig mérjen,két digitet (1000, 100 ) szeretnék kijelezni,a trafó 1-es pontjáról venném a jelet, lehet egyszerűbb, lehet Pic-es is.Az ezzel kapcsolatos fórumokon olvasgattam a bejegyzéseket,hozzászólásokat. A "josepino" féle tetszik,de állitólag sok baj van vele. Feltöltöttem 3 lehetséges kapcsolást,valaki esetleg már megépitette őket? Illetve azt szeretném még kérdezni,hogy az "rpmsch.jpg" -nél megoldható -e, hogy más jel bemeneti áramkört alkalmazzak ( pl. a #193056-os hozzászólásnál m.joco által feltöltött kép -vázlat.jpg )? Zsolt
Egy érdekes tapasztalat lepett meg, ugyanis Bosch Motronic rendszernél a digitális fordulatszámmérős műszerfal nem mutat semmit. Előzőleg analóg fordulatszámmérő hibátlanul működött. Az ECU-ból jön ki a fordulatszám jel egy barna-fehér csíkos vezetéken.
Próbálkoztam úgy, hogy a gyújtótrafóra kötöm a fordulatszámmérőt, de úgy csak fele fordulatszámot mutat. (1200-as fordulatszámnál 600-at.) A gyújtástrafóba 3 kábel megy, ilyen sorrendben: 1. "fordulatszámjel" 2. gyújtáskapcsolóról + , 3. "fordulatszámjel" Próbáltam az 1. kábelre kötni, akkor is ugyanez volt a helyzet, mint a 3. kábelen azaz felét mérte. Tehát ezt az 1. és 3. vezeténet kéne összeadni, hogy meglegyen a teljes fordulatszám. 2 sima diódával próbálkoztam, de akkor semmit nem mutatott. Valami ötlete valakinek van, hogyan lehetne duplázni valamelyik kábelen jövő fele fordulatszámjelet, olyan módon, hogy ne hasson vissza az ECU-ra se meg a trafóra se? A régebben gyártott modellekben, ahol még Digiplex II-es gyújtásvezérlő volt, azoknál működött az analóg műszerfal is, és a digites műszerfal is. Mellékelek képet az ECU-ról, illetve trafóról, valamint a motortérről, illetve a gyári kapcsolási rajzáról, illetve a régi fajta Digiplex II-es gyújtásvezérlősről kapcsolási rajzot. Hátha könnyebben érthető így már. Az újfajta kapcsolási rajzon be is jelöltem pirossal azokat a pontokat, ahol fél fordulatszámjelet mutatott, valamint azt a pontot is, ahol az analóg műszerfalnál teljes a fordulatszámjel, digitesnél viszont nem mér semmit. Köszönöm a segítséget. Bármilyen ötletet szívesen elfogadok.
Üdv!
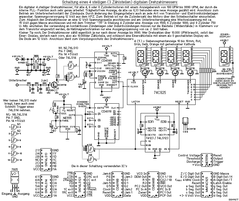
Találtam még 2 ford.mérős kapcsolást. Ha valakit még érdekel a téma. Zsolt
Akkor valami ötlet a gyújtástrafóba menő fordulatszámjel duplázására? Lemaradt a régifajta Digiplex II gyújtásvezérlős kapcsolási rajz ami működteti a digit fordulatszámmérőt. Most csatolom. Meg egy képet a digitális fordulatszámmérőről is.
Hello!
Ott az ötlet, a második rajzon amit feltettél..4046/4018. PLL.. üdv! proli007
Kedves Proli007!
Próbáltam már, de nem akarok öszvért! Gányolás lenne ha ehhez a rendszerhez beraknák egy Digiplex II gyújtásvezérlőt, hall jeladót a főtengely váltó felőli részéhez, és azt a fajta gyújtótrafót. Még ha digiplex II és hall jeladóval működne, egye fene elrejteném valahova az akksi alá, de kell a gyújtástrafó is, mivel már próbálkoztam vele az elmúlt napokban. Sajnos visszahat a működésre ha beiktatom ezt a kapcsolási rajzot, és azt csinálta, hogy elindítás után 3000-es fordulatszámon pörgött hidegen a motor, valamint a mill lámpa világított folyamatosan. Emellett a felesleges gyújtástrafó csak úgy ontotta a szikrát, valóságos ívfényt hozott létre Valamint a műszerfal időnként el kezdett villogni. Most visszaraktam az analóg fordulatszám mérőt, kiszereltem a régi műszerfalból. Neki csak 3 kábel kell (+,-,gyújtásjel) |
Bejelentkezés
Hirdetés |


















