Fórum témák
» Több friss téma |
- Ez a felület kizárólag, az elektronikában kezdők kérdéseinek van fenntartva és nem elfelejtve, hogy hobbielektronika a fórumunk!
- Ami tehát azt jelenti, hogy a nagymama bevásárlását nem itt beszéljük meg, ill. ez nem üzenőfal! - Kerülendő az olyan kérdés, amit egy másik meglévő (több mint 17000 van), témában kellene kitárgyalni! - És végül büntetés terhe mellett kerülendő az MSN és egyéb szleng, a magyar helyesírás mellőzése, beleértve a mondateleji nagybetűket is!
Hello!
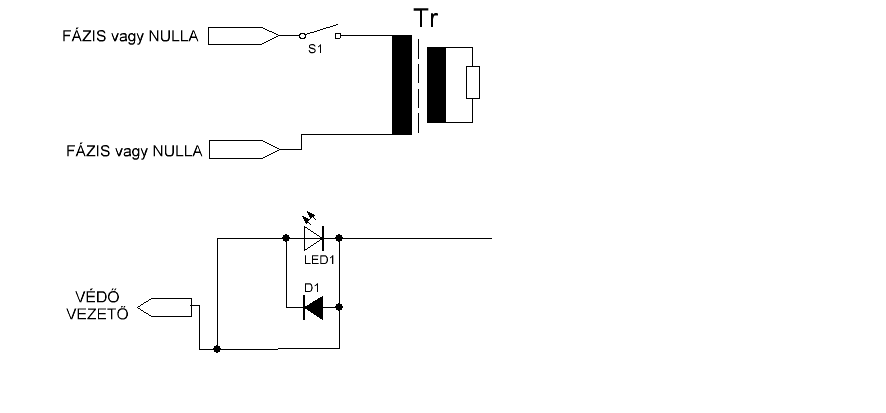
Hogy ki ne repüljenek a kondik! Egyébként szerintem az nem vezeték, hanem az áram figyelő Shunt ellenállás, csak így lett kivitelezve.. üdv! proli007
Nagyon köszi a választ, bíztam benned
Ezt: Bővebben: Link a jelenséget nem tudod mi okozza? Mert itt védőföld nélkül nem villan fel a LED, így védőföld nélkül még zavar védettebb is lehet, ha így nem kap ilyen feszültségtüskéket.
Lehet hogy a kapcsoló lekapcsolásakor keletkezett nagyfeszültségű impulzus a rendszert meglövi ami feszültséget indukál a védőföldön, ami egy közösítő sínen össze van kötve a nullával, és amikor elindul az impulzus végigszalad a nulla vezetőn majd a védőföldön egészen a ledig ami addig nullán volt most meg kap egy lökés szerű impulzust és mivel a kondi mind a 2 vége eddig föld potenciálon volt most meg az egyiken feszültség van így a leded tud világítani.
De lehet hogy rosszul gondolom.
Kipróbáltam kondi nélkül is, most is csinálja. Sőt észrevettem, hogy az S1 zárásakor is felvillan, csak akkor halványabban.
H- ello!
- Abból kell kiindulni, amit látsz. Vagy is, ha földelt a GND, akkor villan a Led. Vagy is tranziens áram folyik a Led-en keresztül a föld felé. - A trafón keresztül a 230V primer oldalon nem érkezhet a zavarjel, mert akkor földelés nélkül is villanna a Led. - Tehát, csak a Led anódjába bújhat be az érkező tranziens. Ugyan is ha a szekunderre, vagy az egyenirányított feszültségre ülne rá, akkor a kondi lenyelné ezt a löketet. - Vagy is a tranziens, a Led anódjához érkezik. Vélhetően ez kapacitív úton (a vezeték kapacitásokon keresztül) jön és megy a földelés felé. (A földelt GND miatt.) - Valószínűleg együtt futnak a hálózati vezetékek, a dióda anódjához menő vezetékekkel. Valamint úgy gondolom, hogy a Led egy nagy fényerejű (kisáramú) típusú, ami akár 50uA áramra is világít. - Ha csak a Led felvillanása zavar, tegyél a Led-el párhuzamosan egy 1..2kohm-os ellenállást. De leginkább nézd meg a készüléked, hogyan jut el a 230V feszültség a Led anódjára. Vagy is hol mi módon futnak együtt a vezetékek. (nincs-e árnyákolt kábel a kettő között,, aminek kapacitása sokkal nagyobb, mint sima vezetékek között. A 230V-os jelek vezetékei tekertek-e. (kb. 1..2cm/1 tekerés) üdv! proli007
Kedves emberek,
Egy(!) logikai magas jellel (+5V) egyszerre kellene kinyitnom egy NPN (0..-35V) és egy PNP (0..+35V) tranzisztort. Először optóval próbálkoztam, de a PNP-s opto nem létezik. Véleményetek szerint mi lenne a legegyszerűbb megoldás? Üdv: Nicsakegy
Igazad van mindenben, most már értem
Ennyi elég ahhoz, hogy felvillanjon a LED. Tehát az történik, hogy a fázis és a LED anódja között van egy kapacitás. A 230 V kevés ahhoz, hogy a LED-et működtesse. Ha zárom vagy nyitom a kapcsolót, akkor indukálódik nagyobb feszültség, és ez már elég ahhoz, hogy a LED felvillanjon.Már csak azt nem tudom, hogy akkor miért szokták alkalmazni a GND védőföldre kötését? Ezek miatt a kialakult kapacitások miatt a helyzet inkább romlik, mint javulna szerintem, ha bekapcsolnak valahol egy induktív fogyasztót, akkor megzavarhatja a készüléket.
Ha belegondolsz a trafó is egy kondi ebben a kapcsolásban, a primer az egyik elektróda a szekunder a másik a köztük pedig szigetelés van. Kapacitás mérővel lehet hogy meg is lehetne mérni mekkora.
Csatoltam. A vezérléshez kell egy kisjelü NPN és egy PNP tranya.
Heló!
Valaki megtudná-e mondani mi látható az alábbi oszcilloszkópon?
Nem kell PNP optocsatoló ahhoz, hogy 0... -35V-os cuccot vezérelj. Csatoltam egy képet, így jó lesz neked? (az ellenállások értékeit természetesen számolni kell, a kollektorköri ellenállások helyén pedig különböző terhelés lehet). Az NPN tranzisztor nyitását opto nélkül is meg lehet csinálni, csak a szimmetria miatt csináltam ilyenre.
Ja! Ezt a -35V-ot benéztem. Most, hogy felraktad a rajzot vettem észre.
Szia! TL 081 ben 1 db műveleti erősítő TL 082 ben 2 TL084 -ben pedig 4 db egyforma van. De nem láb kompatibilisek!
Hello!
Akkor kell alkalmazni a GND földelést, mikor az áramkörnek szüksége van rá. A GND földelése, nem biztos, hogy rontja a helyzetet. Mert kiterjedt hálózatoknál, legalább lehet tudni, hogy földelve van, nem valami átvezetésen-zárlaton keresztül. Zavarni akkor zavar, ha nincs ellene téve semmi. Zavarszűrés védőárnyékolás.. Ha jön egy zavarjel, akkor az a GND-n keresztül a földre tud távozni. Ha nincs földelve, és jön a zavar, akkor a GND potenciálját rángatja fel. A Led nem fog villanni, de nem biztos, hogy mást nem zavar. Nem csak olyan áramkörök vannak, amik "magukban beszélnek", vagy is a jelek jöhetnek máshonnan távolról.. és pont a jeladót fogja zavarni a GND feszültség ugrása. Hiszen egy jeladónak is lehet kapacitása a föld felé. Ráadásul ez legtöbb estben pont a legérzékenyebb pontján a bemeneten van. De a zavarérzéktelenítés, külön téma. Két oldalról szoktak védekezni. Csökkenteni a kibocsátást, és védekezni a bejutás ellen. Pld. zavarszűrés a készülék bemenetén, és zavarszűrő kondi a kapcsolókon. A helyzet meglehetősen analóg a földhurok esetével. üdv! proli007
Helo
Olyan kérdésem lenne, hogy RTC vagy DCF77 órát érdemes-e építeni? Ezalatt nem a bonyolultságra, hanem a minőségre gondolok.
Köszi szépen a választ, így már világos.
Nekem a 2 kombinációja jött be. Ahol nincs vétel és kevés a pénzed, ott mindenképpen érdemes RTC-t használni. Ha valamilyen uC-rel készíted akkor érdemes belerakni DCF vételt és majd kiegészíted. Indítani tudod az RTC-vel is.
Helló
A DCF az azt jelenti, hogy a Frankfurt melletti toronyról rádiófrekvencián kapod a pontos időt ( dátum, stb...) Az RTC pedig biztosítja, hogy áramkimaradás esetén se nullázzon le a PIC. Tehát ahogy vicsys is írta, érdemes ötvözni a kettőt. Üdv: Csupasz
Köszönöm, hogy a "magyar mentalitást" itt is van ki képviselje
. Nem vagyok dilletáns! Kikérem magamnak! Én is írhatnék szép jelzőket rólad, de nem teszem. A segítséged megint elmaradt, csak a kritizálás maradt. Ha jól tudom a honlap címe: hobbielektronika.hu. A te felfogásod szerint pedig -hívj szerelőt mindenért mert hülye vagy hozzá.hu lenne. Ha valaki veszi a fáradságot és leírja, akkor azt illik megköszönni. Én megköszöntem Gettobike-nek a leírását, te meg rátámadtál az emberre, hogy "téged idézlek: idióta, dilletáns vagyok". De én még ezt is megköszönöm, mert tudod vannak még normális, tanult emberek. Nekem még gyerekkoromba megtanították a szüleim, hogy -okos enged, szamár szenved....- Majd ha egy jogi fórumban véletlenül összefutnák, majd én is így segítek neked. (véletlenül az a szakterületem). Köszönöm.
Köszönöm, egyszerű és logikus. Így már megoldhatónak tűnik.
Légyoly szíves azt a mondatomat ide másolni amiben idiótának tituláltalak!
Amúgy a kritikám nem Neked szólt , ha nem inged ne vedd magadra, hanem Gettobike sok évvel ezelőtti szösszenetének! Bocsáss meg nekem, de azt nem tudom szaktanácsnak értékelni. A jogi tanácsaidra , köszönettel de nincs szükségem, van akiben talán meg lehet bíznom...... Te sem néznéd jószemmel ha itt valaki, pl. én, el kezdenék a paragrafusokról tanácsokat oszotgatni, főleg ha azok szembe mennek a szakmaisággal.... Megkérlek ennek tükrében értelmezd a hoszzászólásaimat. Köszönöm én is.
Szevasztok!
Akarok csinálni egy "knight rider" villogót. Csak érdeklődnék h valaki itt már megépítette-e már ezt a kapcsolást? Bővebben: Link vagy mi a véleményetek róla?? ( hogy mégis érdemes-e belekezdenem??)
Hello!
Csak éppen senki nem tudja mit építenél, mert rajz vagy link nincs.. üdv! proli007
Sziasztok,
meg tudná esetleg vki mondani, hogy mi a különbség a sima fólia kondenzátor és az MKP fólia kondenzátor között. Sima helyett használhatok MKP-t ha csak az van? Előre is köszi a választ.
Sziasztok. Van egy adott 6V-os feszültség(akku).. Van egy GPS ami 12V-os szivargyujtóval rendelkezik és a kimenő töltő feszültség a cimke szerint 5V és 1A. Melyik egyszerűbb? A 6V-ból 5V-ot csinálni vagy egy sima fesz kétszerezővel 12V-ot előállítani.
Értem. Esetleg ehhez egy rajzzal tudnál szolgálni?
|
Bejelentkezés
Hirdetés |




Ezt:
Ennyi elég ahhoz, hogy felvillanjon a LED. Tehát az történik, hogy a fázis és a LED anódja között van egy kapacitás. A 230 V kevés ahhoz, hogy a LED-et működtesse. Ha zárom vagy nyitom a kapcsolót, akkor indukálódik nagyobb feszültség, és ez már elég ahhoz, hogy a LED felvillanjon.


. 



