Fórum témák
» Több friss téma |
Fórum » Házilag építhető fémkereső
Hello!
Nem tudom ez milyen fémkeresőnek, de egy nagyon szépen kidolgozott igazi analóg kapcsolás. Jó látni.. üdv! proli007
Üdv!
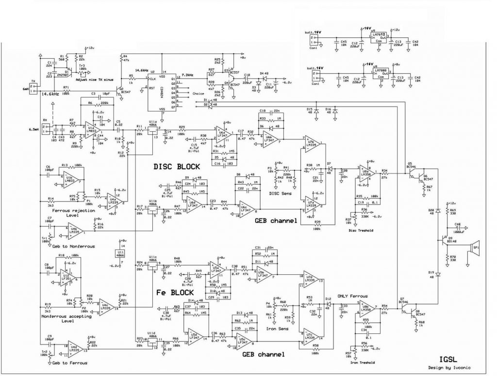
Megépítettem ezt a kapcsolást Bővebben: Link de még megszólalni se akar BC182 tranzisztorokat használtam, 0,42 vezetékkel a tekercseken, a kicsin 123 menetel 12mm átmérőre a nagyon 11 menetel 160mm átmérőre. Bekapcsolom akkor zizzen egyet a hangszóró és annyi utána semmi hang nem jön ki belőle. Olvastam itt a fórumon hogy páran megépítetek és állítólag működött nekik. Mit változtattatok rajta olyat is olvastam hogy a beültetési rajz rossz (a youtubos változatnál Bővebben: Link) Keresgéltem hibát benne de ahogy néztem beültetésnél teljesen megegyezett a kapcsolási rajzzal. Üdv: Dani22
Szia!
Én is ezt építettem. Először a nyáktervnek megfelelően készült az áramkör, akkor nem akart valamiért működni, ezért a végleges áramkör formája a kapcsolási rajz lett. A youtubeos rajzon az egyik tranzisztor helyzete nem világos nekem és a tápfeszültség se jó helyen van, ha jól emlékszem. Az elkészült áramkört úgy próbáltam ki, hogy készítettem hozzá két egyforma próbatekercset. Mindkettő 130 menetes és kb. 13 mm átmérőjű volt egyforma huzalból készítve. Ezekkel alapesetben sípolást hallottam, amikor az egyikhez fémet közelítettem, a hangmagasság változott, egészen a kattogásig. Később készítettem több féle keresőtekercset, de egyik se működött, ha jól gondolom a túl nagy frekvenciakülönbség miatt. Frekvenciamérés nélkül nehezen hozható össze a dolog, de most, hogy van már oszcilloszkópom, könnyebben fog menni. Üdv.
Sziasztok!
Elkészültem az IGSL klónommal, egyenlőre 28cm-ről érzékeli az 5Ft-ost, de majd még fejlesztem. Köszönöm a segítséget, és a keresőfejet mateatek fórumozónak!
Pofásra sikerült a készülék, le a kalappal.
Az a digitális kütyü segít valamit a gyakorlatban a söröskupakok és a nyitófülek ellen?
Segíthet meghatározni a fém anyagát, de ez függ a tárgy méretétől, és mélységétől. Egy kis gyakorlat kell még a használatához, de egész hasznosnak tűnik! Amúgy , ha a tekercsre nagyobb feszültséget kötök, akkor lehet növelni az érzékenységet? Működhet ez a módosítás?
Hasonló megoldáson töröm magamat én is, azzal a különbséggel, hogy én 30-40 voltról próbálom meghajtani az adó oszcillátort. Egy feszültség sokszorozóval megsokszorozom a feszültséget, majd arról táplálom az oszcillátort. Próbapanelen már működik. A gyakorlatba viszont valószínűleg nem könnyű átültetni.
Az általad javasolt módosítást kipróbáltam élesben. A gép rögtön elvesztette a stabilitását és a szelekcióját is. Valószínűleg sok paraméterét módosítani kellene. De elvileg javítana rajta. Szerintem.
Sziasztok!
Tényleg jól sikerült a cucc, említed, hogy a fejet köszönöd mateatk fórumtársnak.Kölcsön vagy beszerezhető egy ilyen?
Igen mateatektől vettem a fejet, mert ő csinált magának jobbat.
Ha az adó tekercsen nagyobb amplitúdójú jel van, az mindenképpen javítja a teljesítményt.
Az adó oszcillátor tranzisztorának az emitter ellenállását eldobtam, a helyébe került egy fojtó tekercs, amit csak úgy találomra bontottam ki, azt sem tudom, hogy milyen értékű. Nagyobb amplitúdóval rezeg a tekercs. Ez az én esetemben plusz 4-5 centit jelent az egy forintosra. Ingyen teljesítmény. Egy zalaköveskúti találkozó kellett hozzá. Meg Bandi.
Üdv!
Megoldott a problémám! Működik a fémkeresőm. eredeti nyák tervel hiba az volt hogy 2 tranzisztor nem volt jó sajnos nem találtam bc182-t csak bc 337 de így is működött. A nagy tekercs se volt jó ezért a csináltam még egy olyan tekercset mint a referencia tekercs. Szépen sípolt behangoltam erre azzal a kis 12mm tekercsel 2-3cm röl érzékelte az aprópénz!
Szia!
Nekem is ugyan ezeket produkálta a kis próbatekercsekkel. Én 2n5551 tranzisztorokat használok, de minden fajta npn jó hozzá elvileg. Milyen ötleted van a keresőtekercs és a nyél építésére? Az én tervem a teleszkópos felmosónyél vagy mankó nyélként és valami vödör tetejéből átalakított, vagy rétegelt lemezből kivágott dolog a tekercs alapjaként. Sok sikert az építéshez!
Ha az emitter körben ellenállás van, akkor 16 volt cs-cs jelet csinál az oszcillátor. Fojtótekerccsel ez fölmegy duplájára. Kipróbáltam hangolt rezgőkört tenni az emitter körbe. Az eredmény meglepően magas, 60-70 volt csúcstól csúcsig mért feszültség. De mivel nagyon nehéz beállítani a két rezgőkör tökéletes együtt futását, ezért torzul a szinusz jel. Ez a vevő tekercsben elég kotyvasz alakú jelet generál, ami miatt a szelekció meglehetősen csorbul. Az érzékenység az helyen van, 35 centiről levegőben érzékeli az 1 forintost. De rendes szelekció nélkül mindez nem ér semmit.
Tehát van még tartalék az IGSL-ben, csak nehéz előszedni belőle.
Üdv!
Most egy 160 as fejel működik de csinálok hozzá holnap egy 300 as fejet. Hát elégé kicsi a hatékonysága ennek a kis fejnek kb. 20 cm-röl érzékeli a nagyobb vasakat pl sin darabok öntöttvas darabok meg hasonlok. Kisebb dolgokat 10cm röl érzékel. Na majd még lesz ez jobb is! nagy fejel remélem jobb lesz.Nyél meg délután unalmamba összedobtam de egész jó csak nagyon igénytelen. Már keresgéltem vele találtam is egy bádog bögrét! Itt egy videó róla: Bővebben: Link Eléggé halk lett úgy hogy majd teszek rá egy fülest azért remélem lehet hallani valamit. Lett csávókám meg betett egy 10k ellenállást valahova és állítólag érzékenyebb lett tőle a gép. Tudsz erröl valamit?
Tegnap én is ezzel kísérleteztem, egymásra hangoltam a két tekercset, és valóban volt a szinuszban egy csúnya túllövés, de a 10 fillérest utána 30cm-ről is jelezte (előtte csak 23cm-ről). Egyedül a GEB áramkör rakoncátlankodott. Van egy XR2206-os IC-re épülő kis jelgenerátorom, megpróbálom azzal átépíteni a gép oszcillátorát, és nagyobb fesszel hajtani a tekercset.
Akkor végre lesz, aki eltakarítja az idegesítő alupénzeket?
Mielőtt tovább turbózod, próbáld ki, hogy a földhatást kiszűri-e még, és ne csak ferrittel, igaziból is. Nekem egy időben egy nagy láda föld volt a szoba közepén, de még az is kevés volt éles teszthez.
Szia!
Nekem most egy kb. 15 cm-es fejjel megy, amit egy dvd tartó aljából csináltam. A réz övcsatot kb.25 cm-ről találja meg, a nagyobb vasakat még messzebbről, de max. 60 cm. Az érzékenységnövelő ellenállásos dolgon már én is gondolkodtam, de még nem próbáltam ki. A leírásban Bővebben: Link az szerepel, hogy a referenciatekercsen a jelnek kb. 0.5Vp-p amplitúdójúnak kell lennie. Az enyémen mindkét tekercsen ez csak 75mV körül van. Gondolom így gyengébb a hatékonysága. Esetleg ezt az amplitúdót nagyobb keresztmetszetű huzallal lehetne növelni? Jó lett a géped! Bár lenne már az enyém is ilyen. Úgy tapasztaltam, ha a hallható hangot a lehető leglassabb kattogásra állítod ami nálam talán 2-3 katt/sec, akkor lesz a legérzékenyebb a műszer. Üdv.
Üdv!
Ma építettem egy 300 as fejet. Kb 0,42 vezetékkel ahogy a videón is mutatták. 7 menet helyett nekem 6 6,5 volt jó. Vagyis nem volt jó mert kevésbé volt érzékeny mint a kicsi fej. Nem igazán tudom a feszültségét mivel kimérni csak egy 500 forintos multiméterem van amivel nem igazán sikerült semmi értékelhető dolgot kimérnem de majd valahogy megoldom!
Sziasztok!
Elektronikában és keresőépítésben tapasztaltabbaktól kérdezném, hogy a mellékelt képen látható BFO kapcsolási rajz módosítása növelheti-e az érzékenységet? A youtubeos videón legalábbis ezt írják. A tekercsen lévő feszültség amplitúdója hogyan függ a huzal átmérőtől? Köszönöm előre is. Üdv.
Persze, köszi. Csak nem válaszoltam, mert nem nagyon értem rá, nem voltam itthon.
Nagyon nem vágom ezt a készüléket, de a tekerccsel párhuzamosan nem lenne jó egy valamekkora kondenzátor? Mert ugye egy olyan oszcillátornál, ahol L van, ott C-nek is kellene lennie. Attól L-C oszcillátor. Szórt kapacitással nehéz egy rezgőkört kihangolni.
Üdv!
Most csinálok egy 290mm fejet és nem nagyon szeretne működni, szerintetek az mitől lehet hogy akárhogy akármilyen menet számmal tekerem a két tekercset nem egyeznek. Vagy nagyon magas frekvenciája van és egy ideig lehet csökkenteni majd elmegy a hang. Vagy meg se szólal. A kis keresőfejet szépen be tudtam állítani és ott nem csinált ilyet de ennél a nagynál már 2 napja próbálkozok és semmi értékelhető eredmény. A kis kereső tekercsen 155mm-en 10 menet van 0,42 huzalból a referencia tekercsen meg 12mm-en 123 menet 0,42es huzalból és szépen működik jól lehet hangolni és viszonylag érzékeny is. Viszont a nagy tekercsem már nem. Ott 0,3 huzalt használtam 14 menetet 290 es átmérőn mert a 0,42 elfogyott. A referencia tekercs viszont 0,42 van 117 menetel. Ez lehet esetleg probléma hogy nem azonos a két tekercs vezetékének átmérője?
Gondolom kapacitás még most sincsen a rezgőkörben, csak a szórt. Nagy fejnél, mivel kicsi a szórt kapacitás, leszakad, vagy be sem indul a rezgés.
Ha már BFO keresőt építesz, miért nem egy jobban dokumentált készüléket építesz? Az 1995-ös és a 2003-as RT évkönyvben lévők talán jobban muzsikálnak. A véleményem amúgy erről a készülékről az, hogy ujjgyakorlatnak jó, de keresőzésre nem való.
Ha mindenáron BFO-val akarsz küzdeni, akkor csináld meg a DX1000-et. Nem olyan bonyolult, és érzékenységben ettől sokkal jobb. A neten találsz az után építésről leírásokat.
Az a módosítás ne tudom növelheti-e az érzékenységet, de annak tuti nincs értelme, hogy bekötünk egy 10K-os ellenállást, majd egy dróttal rövidre zárjuk! Amúgy azzal a kapcsolással tényleg nem érdemes foglalkozni, maximum egy fűben elvesztett kulcscsomót, vagy emésztő akna fedelét találod meg vele.
Ebben Bővebben: Link látnék fantáziát olyan fazonban mint a vibra
Bár hogy működik-e a gyakorlatban azt nem tudom. A diszkriminációs távolság azért sokkal kisebb, mint az érzékelési
Addig játszottam az oszcillátorral, amíg el sikerült érnem a 80 voltos p-p jelet. Sajnos ez jelenleg nem tesz jót a gépnek, mivel közös árnyékolása van a két tekercsnek, és egy árnyékoló harisnyában fut a 4 ér a tekercsekhez. Az érzékenység jó, de mindent jónak vesz, gondolom az áthallás bezavarhat. A következő fejnél más bekötő vezetéket használok.
|
Bejelentkezés
Hirdetés |
















