Fórum témák
» Több friss téma |
- Ez a felület kizárólag, az elektronikában kezdők kérdéseinek van fenntartva és nem elfelejtve, hogy hobbielektronika a fórumunk!
- Ami tehát azt jelenti, hogy a nagymama bevásárlását nem itt beszéljük meg, ill. ez nem üzenőfal! - Kerülendő az olyan kérdés, amit egy másik meglévő (több mint 17000 van), témában kellene kitárgyalni! - És végül büntetés terhe mellett kerülendő az MSN és egyéb szleng, a magyar helyesírás mellőzése, beleértve a mondateleji nagybetűket is!
Lehet, de ahogyan a 230 -ból megcsinája a primer DC -t, azzal az erővel már a 9 V -ot is megcsinálhatja.
Sziasztok!!
Megint én vagyok a 12V os fénycsövemmel. Működik csak hát úgy fűt mint egy kályha. Monitorokban lévő fény csövet hajtok meg vele, azonban 2,2A fogyaszt mi a problémám?
Engem az érdekelne hogy mi az a L szint és mi az a H szint. Egy akadályérzékelő miatt kéne nekem.
Szia!Nem biztos ,hogy ezért új topicot kell nyitni, valószínűleg zárolni fogják a modik. A H annyit tesz "high" vagyis magas.Az L pedig "Low" alacsony szint.
Ha egy rendszerben például 5 voltal dolgozunk akkor 2,5 volt alatt alacsony (ez a logikai 0), illetve a 2,5 voltnál magasabb az un."magas" szint (logikai 1). További szép napot.
Szia
Tök laikusként: a kapcsolás egy 40w-os fénycső ellátására készült, egy laptopba lévő fénycső teljesítményigénye ennek töredéke. Üdv
Sziasztok!
Valaki el tudná magyarázni a következőt: Egy R ellenállással rendelkező L induktivitású tekercsre egyenáramot kapcsolunk. Ekkor a tekercs késlelteti az áram létrejöttét, de fokozatosan eléri az ohm törvény szerinti U/R értéket. Ha az áramforrást lekapcsoljuk az induktivitásról, akkor pedig késlelteti a kikapcsolást, ezért feszültség indukálódik az induktivitásban. Az áramforrás csatlakoztatásakor és lekapcsolásakor is megváltozott az induktivitás belsejében a mágneses fluxus, ezért mindkét esetben indukált feszültséget. De lekapcsoláskor sokkal nagyobb feszültséget indukál, mint bekapcsoláskor. Ez azért van, mert bekapcsoláskor több időre volt szükség a maximális fluxus kiépüléségi, míg lekapcsoláskor sokkal hamarabb összeomlott a fluxus. De ez mitől van? Az első esetben miért tart tovább a fluxus változás ideje, mint a második esetben? Ezt az időt pedig hogyan lehet kiszámolni? A választ előre is köszönöm.Üdv, mate_x
Elvileg egyforma idő alatt épül fel-és le a mágneses tér, ha a körülmények is egyformák. Gondolok itt arra, hogy kikapcsoláskor biztosítani kell az induktivitásban tárolt energia tudjon hol munkát végezni, felemésztődni. Ezt egy áramgenerátoros tápforrással, és egy áramgenerátor jellegű műterheléssel lehet ellenőrizni. Arra azonban figyelni kell, hogy az induktivitást tápláló áram kikapcsolása után, az áramirány ellenkező előjelű lesz.
Sziasztok!
Az a helyzet állt elő,hogy van egy 40GB-os merevlemezem ami két részre van particionálva (a c meghajtó 11,7GB-ra, a D meghajtó pedig 25,2GB-ra) és mivel az a 11,7 GB rettentő kevés nekem C meghajtónak,ezért szeretném valahogyan átrakni a 160GB-os merevlemezre,de 100%-ig ugyanazokat a fájlokat amik vannak rajta,mert nem szeretnék újra telepíteni ennyi programot... Hogyan lehetne ezt megoldani?
Köszi a választ. Találtam egy egész jó leírást: Bővebben: Link Itt szépen bemutatják, hogy bekapcsoláskor az összes feszültség az induktivitásra esik, és szépen elkezd nőni az áram, és rövidzárrá alakul. Kikapcsoláskor pedig az induktivitás szolgáltatja a tápfeszültséget még egy darabig. Ebből csak az nem világos, hogy itt a maximum feszültség mindig a tápfeszültség, és hogyan indukálódik a sokkal több feszültség a tápfeszültségnél? Mert akkor elvileg nem is olyannak kéne lennie a grafikonnak ahogyan rajzolták(az iskolai példa erre, hogy kikapcsoláskor a glimm lámpa felvillan).
Közben kaptam segítséget, egy SE telefontöltővel fogom megoldani.
[Lehet, hogy nem kezdő kérdés volt, ezért nem kaptam itt választ?] davidovics - Norton Ghost-ot ajánlom, kicsit tanulmányozd a programot, aztán van esélyed, hogy sikerül 1:1-ben átmenteni a fájlokat. Bár a boot-tábla nem tudom hogy lesz megoldva. Bővebben: Link
Halli!
Egyetlen áramimpulzussal lehetséges szikrát létrehozni? Pl egy trafóhoz kötök egy combos kondit.
Lehet.
Köszönöm szépen,utána olvasok.
Idézet: „(az iskolai példa erre, hogy kikapcsoláskor a glimm lámpa felvillan).” A glimmlámpa egy speciális terhelésnek fogható fel, amely a begyújtási küszöb alatt végtelen ellenállású. A tekercsben tárolt energia csak akkor fog felemésztődni, ha a mágneses tér összeomlásakor az indukálódott feszültségszint eléri a glimm begyújtási feszültségét. Ezután viszont megindul az áram, és addig folyik, míg a tekercsben tárolt energia ezt lehetővé teszi. A maradék pedig lengések formájában lecseng. Ha nincs rajta terhelés akár az "egekbe" is szökhet az önindukciós feszültség értéke, egészen a tekercsszigetelést meghaladó értékre, és átüt... Ez a gyakorlatban azért másképp néz ki, mert a tekercsnek nem csak induktivitása van, hanem párhuzamos parazita kapacitás is képződik az egyes menetek között, így a feszültség nem tud minden határ fölé növekedni, hanem az említett kapacitások miatt egy rezgőkört kapunk, és a tárolt energia elektromágneses sugárzás formájában emésztődik fel.
Köszöntem!
Azt már mondtátok, hogy hogyan kell a sok szálas vezetéket forrasztani. De arra nem kaptam választ, hogy denszesz helyett megteszi-e a hígító?
Apropó forrasztás!
Hogyan kell egy darab rézdrótot forrasztani? Nekem nem tapad meg! Mi lehet a gond? Lakkszigetelés,rossz az ón? Rosszul csinálom?
A rézdrót az elektronikában általánosan használt forrasztó ónnal (cinnel) jól forrasztható. Erre van kitalálva. Tartalmazza a forrasztó ötvözetet, és folyatószert is. Egyetlen feltétel, a forrasztandó felületeknek fémtisztáknak kell lenniük. A lakkréteg általában gátló tényező, bár léteznek olyan lakkok is amelyek a forrasztási hőtől leválnak, de erre sohase alapozzál. Mechanikus úton tisztítsd meg. Erősebben korrodált felületekre lehet külön, akár speciális folyatószert alkalmazni.
jani1987: nem jó a higító, mert olajos alapú, és a felületet szennyezi, ráég a felületre. A denszesz viszont nem. (a pálinka se jó, mert abban cukor teszi ugyanezt, mielőtt rákérdeznél)
Bocs, az offért, vau:Szerintem amiben cukor van, az legfeljebb pancs (likőr, stb). A pálinka attól pálinka, hogy a cefrében lévő cukor alkohollá alakul! Alkohol+víz+a gyümölcs aromája (nem mesterséges!), st. 51°és finom!
Köszi, hogy segítesz. De a glimm lámpa miért csak kikapcsolásnál villan fel? A fizika könyvek ezt elintézik annyival, hogy azért mert kikapcsoláskor gyorsabban szűnik meg az áram, mint bekapcsolásnál, de miért? Van még ez a képlet, hogy U=L*delta I/delta t. Akkor ez mikor jó, ha amúgy az egekbe szökhet a feszültség? Eddig amíg nem kezdtem el normálisan foglalkozni tekercsekkel azt hittem értem ezeket, de már totál belezavarodtam.
Jó pálinkázást mindenkinek!
S köszönöm a segítséget majd megpróbálom megtisztítani! :yes:
Na akkor ne igyatok páleszt, mert nem tudjátok mi van benne. Akkor a saját házi, bár én soha nem ittam. Off lezárva.
Egész diszk mentése diszkre. Tökéletesen menni fog.
Ledes kérdés. Lehet, hogy hosszú, nézzétek el nekem.
Sziasztok! Segítséget kérek leddel kapcsolatban. Egy kirakatba tervezek ledes világítást. A kirakatban van 3 polc, (38mm vastag) ezeknek az aljára lesz ragasztva, vagy belemarva 3-4 mm mélyen a led szalag. Úgy gondolom ,hogy elég fény eléréséez az 5050 típusú ledsort választom és ebből is a 60 Db/m kivitelt. (kb. 35-50 cm távolságra vannak egymástól a polcok ezt kell bevilágítani). Úgy gondolom, hogy 1 vagy 2 sorban ragasztanám fel a polcok aljára a szalagot. A kérdések: 1, Ha kér sorral számolok, kb. 8.8 m hosszú szalag, kb. 130-150 W teljesítményű táp kell. A stabilizált tápból vehetek nagyobbat is, (pl 250W) ha a jövőben bővíteni szeretnék? 2, Találtam a neten a linkben található 10W-os power ledet. Jól látom, hogy ugyanolyan teljesítményű, fényerejű, mint a kapható ledes fényvetők? Ez ráköthető párhuzamosan ugyanarra a stabilizált 12V DC tápra mint a szalagok? 3, Túlméretezhetem a led tápegységet? Pl, ha kell 130-140W plusz 2X10W power led összesen 150-160W és veszek egy 200W tápot akkor a táp "idomul" a felvett teljesítményhez, vagy számolni és ellenállásozni kell? Köszönöm a segítséget!
Sziasztok!
Nemrég sikerült beszereznem egy HQ-MEGAPHONE35 25W-os kézi megafont, amely egy apró kellemetlenséget produkál: bármelyik funkcióba (mikrofon-síp-sziréna) bekapcsolom, elkezd recsegni, kattogó hangot hallat, de egy idő múlva (10-15sec) "kitisztul" és jó hangot ad ki. (amíg el nem engedem) Utána elengedem a gombot és az adásszünet hosszától mérten ha visszakapcsolom újra recseg, de értelemszerűen ha csak 20 másodpercig szüneteltettem akkor 4-5 másodperc recsegés, 1 percnél 10-13 mp. Merre indulhatok el az elektronikájában? Vagy esetleg más is tapasztalt már hasonlót?
Sziasztok! Készen hol lehet kapni csöves kimenőtrafókat? Vagy ha mo-n nem lehet vagy drága lenne ebay-re hogy írjam be a keresőbe? Üdv.
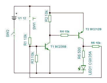
Sziasztok.
Összeraktam a képen látható öntartást tranzisztorokból, de olyan problémám van hogy néha be bevillan a led illetve ha hozzáérek az indító kapcsolóhoz kézzel akkor is néha elindul az öntartás. Nem lehetne valahogy ezeket a zavarokat megszüntetni? Kipróbáltam hogy 20K-val ha lehúzom földre a bc238 bázisát de semmi változás ugyan úgy zavarérzéken. Ha összekötöm az lm311-el akkor pedig elég gyakran be tud indulni az öntartás ha ráadom a feszültséget illetve ha a komparátor negatív bemenetén lévő feszültség nagyobb mint a pozitív bemeneté akkor világít a led pedig fordítva kellene lennie nem? Nem úgy működik, hogy a kimeneti tranzisztor akkor kapcsol be ha a komparátor pozitív bemenetén van a nagyobb feszültség? (A kimeneti tranzisztor emittere földre van kötve.)
Végre rájöttem
Bekapcsolásnál az van, hogy csak egyszerűen a létrejövő áram ellen "küzd" az induktivitás, ezért késlelteti az áram létrejöttét. A önindukciós feszültség maximális értéke itt a tápfeszültséggel egyezik meg, hiszen ez a max. feszültség, ami ellen meg kell küzdenie. Kikapcsolásnál már más a helyzet. Ott az áramot fenn akarja tartani a tekercs, ezért az önindukciós feszültség nagysága a tekercsre kapcsolt terhelő ellenállás nagyságától függ. Mivel ugyanazt az áramot akarja fenn tartani mint, ami volt, ezért ha nagy a terhelő ellenállás, akkor nagyobb feszültség kell ugyanakkora áram fenntartásához. Ezért, ha nincs terhelő ellenállás, akkor elméletileg az ellenállás végtelen, tehát ahogy mex is mondta, "az egekbe szökhet" ez a feszültség. Csak a fizika tankönyv zavart meg, mert ott rosszul van : nem azért csak kikapcsoláskor villan fel a glimmlámpa, mert akkor gyorsabban változik a fluxus.
Sziasztok! ha egy akku töltőt szeretnék használni eloxáláshoz de túl nagy az áram akkor jó áramkorlátnak egy izzó?
|
Bejelentkezés
Hirdetés |





Az első esetben miért tart tovább a fluxus változás ideje, mint a második esetben? Ezt az időt pedig hogyan lehet kiszámolni? A választ előre is köszönöm.


Bekapcsolásnál az van, hogy csak egyszerűen a létrejövő áram ellen "küzd" az induktivitás, ezért késlelteti az áram létrejöttét. A önindukciós feszültség maximális értéke itt a tápfeszültséggel egyezik meg, hiszen ez a max. feszültség, ami ellen meg kell küzdenie. Kikapcsolásnál már más a helyzet. Ott az áramot fenn akarja tartani a tekercs, ezért az önindukciós feszültség nagysága a tekercsre kapcsolt terhelő ellenállás nagyságától függ. Mivel ugyanazt az áramot akarja fenn tartani mint, ami volt, ezért ha nagy a terhelő ellenállás, akkor nagyobb feszültség kell ugyanakkora áram fenntartásához. Ezért, ha nincs terhelő ellenállás, akkor elméletileg az ellenállás végtelen, tehát ahogy mex is mondta, "az egekbe szökhet" ez a feszültség. Csak a fizika tankönyv zavart meg, mert ott rosszul van
: nem azért csak kikapcsoláskor villan fel a glimmlámpa, mert akkor gyorsabban változik a fluxus. 




