Fórum témák
» Több friss téma |
- Ez a felület kizárólag, az elektronikában kezdők kérdéseinek van fenntartva és nem elfelejtve, hogy hobbielektronika a fórumunk!
- Ami tehát azt jelenti, hogy a nagymama bevásárlását nem itt beszéljük meg, ill. ez nem üzenőfal! - Kerülendő az olyan kérdés, amit egy másik meglévő (több mint 17000 van), témában kellene kitárgyalni! - És végül büntetés terhe mellett kerülendő az MSN és egyéb szleng, a magyar helyesírás mellőzése, beleértve a mondateleji nagybetűket is!
A PID szabályozás működésére itt találhatsz összefoglalót. Az arányos tag erősítésének növelése a kilengések növekedésével jár, ami az első ábrán látható. Ha túl nagy az arányos tag, a kilengések sohasem állnak le, szinte periodikusan közelíti a beállított értéket. Ennek kompenzálására építik a szabályzó körbe az integráló tagot, ennek viszont lassító hatása van. Ezt viszont egy differenciáló taggal kell gyorsítani. Ez így együtt egy komplex szabályzó kört alkot, ami nagyon könnyen instabil állapotba kerülhetnek, és berezeghetnek. Ezért a stabilitásbak komoly feltételei vannak.
Itt egy kis irodalom, mindenképp olvasd végig, ugyan tele van némi magasabb matematikával, de az ne zavarjon, ha nem akarsz méretezni ilyen szabályzókat nem lesz szükséged rá.
Köszönöm a választ , nem szeretnék figyelmeztetést.
Sziasztok!
Azzal a gonddal fordulok hozzátok, hogy egyik ismerősöm azt mondta, hogy adjak neki egy ellenállást, az autóba erősítő elé ami 12V-nál 3-4A-t enged csak át neki. Ebben kérném segítségeteket, hogy mekkora kellene ide. És hogy ezt hogy lehet számolni. ![]() Köszi előre is a válaszokat! Bence
Szia!
Nem biztosítékról van szó? Mert értelme annak van.
Szóval akkor ezek szerint nem kell.
![]() Először én is furcsálltam a kérdést. ![]() Köszi szépen!
Üdv!Az lenne a kérdésem ,hogy sok helyen láttam már azt , hogy kitöltési tényező például 555-ös icnél is a kalkulátor kiírja a kitöltési tényezőt.Mi az a kitöltési tényező , és miben van szerepe?
A lenyege az, hogy a mulo idot felosztjuk kis szeletkekre (periódusidő), mondjuk legyen 100us.
Ezen belul pedig van, amikor kiadjuk a feszultseget a labra teljesen, mondjuk 5V-ot es van, amikor teljesen elvesszuk, 0V. Tehat a kimenet vagy csak maximum vagy csak 0 lehet. Viszont ezek ideje, a szeletken belul valtozhat egymashoz kepest. A ketto osszege mindenkeppen ki kell adja a szeletke teljes idejet. Tehat mondjuk 20us 5V, 80us 0V. Vagy eppen 50-50 vagy meg magasabb ertek eseten mondjuk 70-30. A kitoltesi tenyezo az 5V ideje. Vagyis onmagaban ennek (a szeletke teljes ideje nelkul) csak akkor van ertelme, ha %-ban adjuk meg. Hasznaljak pl. a PWM szabalyzasnal. Ertelme annyi, hogy rengeteget lehet sporolni vele a koztes allapotokban, mert nem egy tranyo futi el a kulonbozetet, hanem egyszeruen felhasznalasra sem kerul. Olyan helyeken, ahol a tehetetlenseg nagy, mondjuk futesnel, a periodusido kelloen hosszu lehet, akar tobb masodperc. De a legtobb esetben, pl. vilagitas, ennek jo magasnak kell lennie, kHz-es nagysagrendben. A mobilod hattervilagitas-szabalyzasa is igy mukodik. A gyors mikroprocesszorok es az olcso, jo hatasfoku kapcsoloelemek miatt szinte minden teruleten ezt hasznaljak, ha lehet.
Helló Mindenkinek!
TDA 7294 ! STBY - MUTE funkciót hogyan kell használni?Bekötni? Béna kérdés,de most merült fel! Köszi,ha egy rajzot mellékeltek!
Üdv!Felkel kötni a pozitív tápra, de ha visszaolvasol ott leírjak hogy megkel haladja a stby-mute lábon a +3.5V [vagy 4.5V nem tudom mar pontosan]. Lényeg hogy felkel kötni a pozitív tápra ess akkor nem lep se muteba se stbyba.
A TDA7294 témában kereshettél volna a mute szóra. Ejnye-bejnye! Bővebben: Link
Sziasztok!
Azt szeretném megtudni, hogy a tornatermünkben milyen lámpa van. Annyi történt, hogy lekapcsoltam, 10 másodpercre rá visszakapcsoltam, de semmi nem történt. Vártam 5 percet, semmi, aztán inkább lekapcsoltam. Illetve még az lenne a kérdésem, hogy ez csak adatrögzítő vagy a hozzálévő programot feltéve oszcilloszkópként használhatom? A valászokat előre is köszönöm!
értem köszi , és akkor például a tsop-nál miért kell hogy 50 %körüli legyen a kitöltési tényező (már ha jól tudom)?
A PWM (impulzus szélesség moduláció) az információ átvitelben használatos átmeneti modulációs mód az analóg, és digitális modulációk között. (végül is a PWM szabályzásban is információt közvetít, de a kapcsoló üzemű PWM erősítőkben is)
Ha a katalógusban a helyes működéshez 50 % kitöltésű impulzusok vannak előírva, annak biztos gyártói okai vannak, (jelfeldolgozás) de az információt ebben az esetben nem az impulzus szélesség, hanem az impulzusok száma, vagy frekvenciája hordozza. Mindkettő pontos dekódolásához van szükség az 50 % kitöltési tényezőjű impulzusokra, mint "vivőfrekvenciára".
Nem tudni milyen lámpa van a tornateremben, te láttad, mi nem. Valószínűleg fémhalogén, annak kell lehűlnie, mielőtt újra indul.
Az adatlapjából kiderül, hogy olyan adatrögzítő, aminek a megjelenítési módja multiméter szerű, tehát nem oszcilloszkóp.
Hogyan különböztetjük meg az NPN és PNP tarnzisztort???
Sziasztok!
Az lenne a kérdésem hogy egy rajzban BC447-es tranzisztor van megadva viszont már nem lehet kapni kereskedelemben (legalábbis nekem ezt mondták)! Mivel tudnám helyettesíteni? És mit jelölnek vagy mi lenne ha BC 448 vagy más számú tranzisztort alkalmaznék mik a különbségek? Válaszotokat előre is köszönöm!
A PNP-nél befele az NPN-nél kifele mutat a nyíl. Könnyü megjegyezni egy kis idióta szójátékkal: Pefele Nem Pefele és Nem Pefele Nem.
![]()
Sziasztok!
PT4115-ös LED meghajtó IC-vel szeretnék megvalósítani világítást. Az Rs (3 db 1W-os LED-et használva) értéke 0.286 Ohm. Szeretném megkérdezni, hogy egyrészt ezt hogyan tudnám kihozni ellenállások párhuzamosan történő kötéséből, és mekkora teljesítményűnek kell legyen? 0805-ös vagy 1206-os SMD ellenállás megfelelő erre a célra? Az IC adatlapja: Bővebben: Link A 15. oldalon az alsó ábra, amit meg szeretnék valósítani. A válaszokat előre is köszönöm! vtnagy A hozzászólás módosítva: Dec 18, 2012
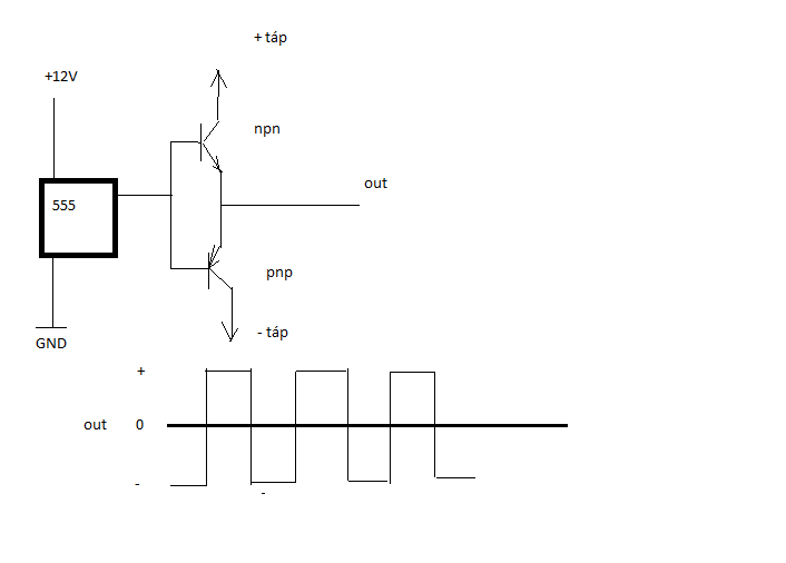
Hogyan lehet olyan áramkört készíteni ami + és - feszültség között váltakozik és egy pici ideig 0-n is megáll. 555-el csináltam egy astabil kapcsolást, de a kimenetét nem sikerült úgy kialakítani, hogy így viselkedjen.
Nem kell am az utolso lument is kifacsarni a LEDbol. Lenyegesen nem lesz vilagosabb a vege fele. Ezert szerintem egy 0.3 vagy 0.33 - nem tudom, melyik kaphato konnyebben.
Szamold ki, mekkora aram menne at rajta es az alapjan, feszultsegesesbol kiszamithatod a wattigenyet. Ennek megfeleloen valasztasz 1206 vagy 805-ot. De ha 0.6-ost kapsz, akkor parhuzamosan kotod, maris jobban hul.
Hello!
Trafóval, és két soros zéner diódával pld. (mert azt sem lehet tudni minek.. De ezért új topikot nyitni?! üdv! proli007
ez a mostani elképzelés, de nem tudom jó lenne-e
te mire gondoltál?
nem értem a trafő + 2 zenert A hozzászólás módosítva: Dec 18, 2012
Sziasztok!
Megépítettem ezt a ledes fényorgonát: Bővebben: Link és 1W-os ledekkel szeretném használni. Ezért a tranzisztorok helyére 2 tranzisztorból összerakott Darlington kapcsolást raktam. Amíg nem vettem külön Darlington tranzisztort, addig működött is szépen, de BD681-el nagyon kevés időre és alig villannak fel a ledek. Az tranzisztor adatlapján látni hogy B-E ellenállások kb 7kOhm-osak. Az lehet a baj, hogy ezek nagyon hamar kisütik a kondenzátort? Próbálkoztam nagyobb kondenzátorral, de nem képes feltöltődni. Bázisra sorosan egy ellenállást rakva kevés a bázisáram. Van valakinek ötlete, hogyan lehet valami egyszerűbb módon megoldani a dolgot?
Sziasztok! Egy villanytan feladatot kaptam házinak, de sajnos nem tudom megcsinálni. Tudtok ebben segíteni?
Az Rt és a rajta folyó áram a kérdés.
A csillag/delta átalakítással próbálkoztál?
|
Bejelentkezés
Hirdetés |













