Fórum témák
» Több friss téma |
Fórum » Transzformátor készítés, méretezés
Ha kérdésed van, az alábbiak segítenek a hatékony választ megadni:
Mag típusa: M, EI, UU/LL esetleg I-kből összerakott, tekercselt, toroid. Lehetőség szerint képpel.
Méretek: magkeresztmetszet a*b (amit a tekercs körbeölel) ablakméret, lánc és toroidnál, belső-külső méretek.
Primer-szekunder feszültség(ek), teljesítmény igény.
Nem. Kis szerencsével a huzal-szigetelésnek sem.
Üdv mindenkinek!Szeretnék egy trafót csavarintani,de megakadtam. Segítséget kérnék a következő problémával . Trafó vas lemezelt hypersil, a tekercselésre nem találok adatot hogy legyenek a tekercsek. Az is lehet rossz helyen kerestem. Íme az elképzelésem.
Hello!Szeretnék építeni egy 2X24VAC transzformátort 200VA-es-et.10A-es kellen de nem tudom hogy a menetszámot és a vezeték vastagságot hogyan kell(kellene) kiszámolni.Köszönöm
A 2-es verzió szoros csatolás, a legnagyobb teljesítmény így vehető ki a trafóból. A tekerés irány is jó.
Szia
A 2*24V *10Amper nem 200VA! Valami meg kell változtatnod a tervezéshez. Először a szükséges vasmagkeresztmetszet kell majd.
Sziasztok!
Kellene egy kis segítség. Van egy Hipersil transzformátorom ami 30V 10A tud. A trafó a következő ként van megtekerve: Két vezeték egymás elé van tekerve. Én egy +30V 5A,-30V 5A tápot akarok belőle csinálni, ha szétveszem az egyik kimenő ágát és a másik megmarad akkor lehetséges ez? Remélem érthető, hogy mit is akarok, egy gyors rajz.
Szia! Feltéve, hogy ép a szigetelése a huzaloknak, járható út, de nemigen biztonságos, mivel a két tekercs nincs igazán elszigetelve egymástól. Mérj szigetelési ellenállást a két tekercs közt.
Szia! Visszaolvasol ebben (és a többi trafós) topicban, és mindenre megtalálod a választ.
Van 1 tekercselő aki megcsinálná csak a menetszámot nem tudja kiszámolni. :'(
Köszönöm az infót!
A legegyszerűbb ez a megoldás lett volna, de a legjobb, ha leveszem és áttekerem külön elszigetelve a tekercseket. Ha ugyanezt a vezetéket egymás után feltekerem akkor jónak kell lennie?
A menetszámot csak is a vas méreteiből tudjuk kiszámolni. Ha megvan a vas szivesen kiszámolom.
1 mm-es huzal 2,1-2,5 A tud. /toroidnál kicsit többel lehet számolni/ A primernek kb 0,7-es huzal kell. 200 VA-es vasról van szó
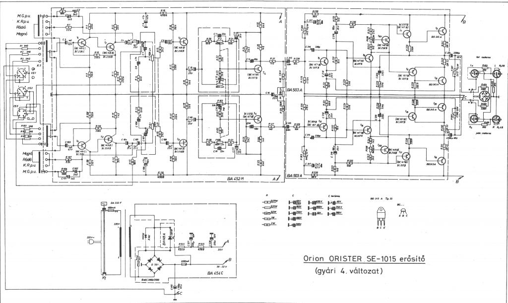
Üdv mindenkinek.A következő lenne a kérdésem.Adott egy Orion Orister 1015-ös erősítőm,ami végfok hibás,de mellesleg most vettem észre hogy a trafónak is annyi mert a kimenetén semmi feszültséget nemtudok mérni.Ha esetleg szakadás van benne azt meglehet valahogy csinálni?Vagy pedig próbáljak csinálni neki egy másik tápot,vagy trafót szerezni?Mellékeltem egy kis kapcsolási rajzot is.
Üdv! Ohm mérővel ellenőrizd a primert és a szekundert, hogy ténylegesen szakadt-e a két tekercs valamelyike. Égés nyoma látszik a trafón?
Megmértem és a bemeneti oldalon nem tudtam mérni R-t,de viszont a kimenetén van egy kicsi.De az a furcsa hogy a bemenetre rendesen rámegy a 220v fesz. de a kimeneten nem jelenik meg semmi.Ezekszerint valahol a primer oldalon lehet baj.Gondolom a végfokokkal együtt a trafó is túl melegedhetett.Égés nyomot nemlátok rajta de viszont a festék eléggé kopik róla.
Ne tekerd le, jól van úgy, csak a kivezetéseket kell sorosan bekötnöd. Kezdet/vég, egyik tekercs kezdetét a másik végével, nem ahogyan a rajzodon van.
Szia.
Nem túl szabályos,de azért szerintem menni fog.Persze csak akkor ha tényleg úgy van tekercselve.
Lehetséges hogy hőkioldó van a primer tekercsbe beiktatva, ezért méred a szakadást. A trafó szétbontása után kiderül, csak óvatosan kell szétszedni.
Szétbontottam de nemtaláltam sajnos benne hőkioldót. Lehetséges hogy elvan rejtve valahol a trafóban,ahol nem látszik.Teljesen szét kellene szednem.De szerintem nézek egy másikat.Elvileg 20V és 32-38V kellene.Mit vegyek figyelembe új trafó keresgélése során?Gondolom a feszültséget és a teljesítményt.Ez szerintetek jó lenne:
http://elektronika.vatera.hu/muszerek_alkatreszek/transzformator/tr...7.html
Nem tudom mit jelent a "szétbontottam", de ha nem szedted ki a vasakat, tedd meg, sokszor a belső tekercsvég törik el, javítható. Ha nem, akkor a szekundert lebontod, lehet hogy az elválasztó szigetelés alatt találod meg a hibát (hőkioldó nem valószínű, inkább kivezetés törés/oxidáció). Ha semmi nem jön össze, és nincs leégve, akkor a saját anyagából újra megtekercselhető egy kis odafigyeléssel (letekert menetek számolása, feljegyzése). Egy db. trafót megtekerni kézzel, nem túl nehezen kivitelezhető, és jó kis gyakorlat (olcsóbb mint venni/csináltatni). Van a trafós topic/ok/ban egyszerű kézi tekercselő rajz. Ha a primer mégis meg van égve, még huzal-beszerzéssel is jóval olcsóbb.
Rendben.Köszönöm a választ.Csak a külső takaró részét bontottam meg,de most akkor nekiállok teljesen szétszedni.
A hővédelmet sokszor a primer és a szekunder közé teszik. Ki se lehet szedni a szekunder letekerése nélkül. Meglátni, mert ott rés van a két tekercs között. Oda bújik be két szál. A primer egyik vége és a bejövő. Óvatosabb használatnál elég, ha kiiktatjuk.
A rajz szerint 24V 3A a szekunder. Tehát csak egy ilyen tudású trafó jöhet számításba. A vaterásnál nem láttam adatot.
Köszönöm a válaszokat.Letekertem a szekundert teljesen de eddig még semmit nem találtam.139 menet volt a szekunder.
Sziasztok
Van több egyforma trafóm, 230V/12V. A rosszaknak az a bajuk, hogy a beépített hőkioldó örökre kioldott. Szétszedtem, finoman, hőkioldót kivettem. Összeraktam, finoman, csupán egy lemezt nem bírtam bepaszírozni. Működik, de. Egy hibátlannal összehasonlítva kétszer-háromszor-négyszer (mikor milyen kedve van) akkora a nyugalmi árama, mint egy gyárinak. Mit rontottam el?
Szia! Valószínűleg ez a hibája (egy kis menetzárlat). Az az egy lemez nem hiányzik. Ezek szerint nem bontottad la a szekundert. Sajnos az újratekerés a megoldás. A primer huzal újrafelhasználható,mert az ilyen zárlat csak néhány menet kiterjedésű szokott lenni. Ekkora mértékű Iü növekedés azt jelenti, hogy nincs komolyabb összeégés (jó még a huzal legnagyobb része).
Egyúttal lehetőséged nyílt más sz.feszültségű tr. készítésére. Kis szerencsével a szekunderben van némi komolytalanság, ez a szekunder lebontásakor kiderül (és nem kell a primert újratekerni).
Előző válaszom szerint járj el.#1273961!!
A vas méretei ugyan olyanok mint a Videó-ban a transzformátor?Csináljuk magunk -ban itt
Köszi. Akkor a menetzárlat lesz a baja. Van olyan amelyik 10 Wattot fogyaszt üresjáratban és szintén a hőkioldó kioldott.
|
Bejelentkezés
Hirdetés |












