Fórum témák
» Több friss téma |
Mielőtt kérdezel, a következő két dolgot ellenőrizd!
I. A helyes tápfeszültségek megléte.
II. A kimeneten van-e egyenfeszültség.
Élesztés.
Ez a jelenség érintkezési hibára utal.
Nagyon nem valószínű, hogy ezzel a munkapont beállító elemmel lenne összefüggésben a hibajelenség.
Sokkal inkább a bemenetválasztó ic, vagy az IC301 (első pillantásra OTA-nak nézem) és az azt vezérlő T201-203 környezetében keresném a hibát. Mindenek előtt azt nézd meg, hogy az IC301 4/8 lábaira egyszerre jön-e meg a vezérlő fesz, mikor Aux-ra váltasz. Amelyiken késik, ott kéne tovább menni azon az ágon. Mert ezt a választó elektronikát megkerüli a Tape bemenet, azért éled fel rendesen ha azt választod. Én elsőként a választó áramkör elkóit nézném meg (c210,218,209, 330, stb...)
Na persze nyilván mindenek előtt óvatos kontakt sprayozás a bemenetválasztó kapcsolóknál
Szia! T1 bétája alacsony, vagy AMP bemenetekre nincs semmi kötve.
Ha van még kérdés kérlek írd ide.
Azt nézd meg még, ha a Tone DIrect kapcsolód ON állásban van, akkor is fennáll a jelenség?
(ilyenkor kiiktatsz egy csomó hibalehetőséget ami elektronikusan előidézheti).
Megmértem mind a 3 ellenálláson a feszültséget és mindegyiken 0V-ot mérek. Köszönöm az eddigieket.
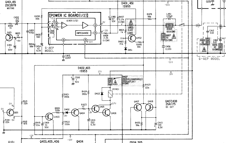
A D402-őn az a 0,95V a testhez képest pozitív, vagy negatív volt?
Ha jól emlékszem negatív volt, a testnél volt a multi negatív csúcsa a plusz csúcsa pedig a D402-n.
Meg kéne nézni Q403 nyitva van-e, és ha igen, miért. Láthatóan nem kap a nyitáshoz bázis áramot egyik 33k ellenállás felől sem, ezért bázisa és emittere között 0V-nak kéne lenni. Ez mérhető az R419-en, viszonylag kényelmesen.
Ha itt 0V-ot mértél, akkor a tranzisztornak zárva kéne lenni, kollektorán nem folyik áram, R420-on nem eshet feszültség. Tehát ezeken az ellenállásokon mekkora feszültség mérhető a gyakorlatban?
R419-en 0,54V-ot mérek. R420-on 22V-ot mérek.
Gyalázatos a helyzet, minden jó és mégsem működik
![]() Vagy ezek valamelyikén mégis esik legalább 0,54V, csak magas méréshatárban nem tűnt fel, vagy az IC csere folyamán keletkezett olyan szennyeződés, amitől Q403 bázisa felé áram szivárog.
Újra lemértem a 3 ellenállás lábain a feszeket és egyiken sem esik, max 2-3 mV az egyiken. Még IC csere előtt kiforrasztottam az IC kimeneti lábait, és úgy sem kapcsolt a relé, szóval tanácstalan vagyok :/
Épp azon gondolkoztam, de lehet azért elegánsabban is. R419 lábait egy pár száz ohm-os ellenállással hidald át. Ha jó a Q403, akkor pár másodperc múlva kattan a relé.
Közben meg találtam a hibát 24v-os relé helyet 12v-osat tettem rá.A relé kicserélése után jó lett.
330Ω-os ellenállással semmi, kb 5mp múlva se.
A Q403 -at valóban ki kéne venni, már csak a tisztább mérés kedvéért is.
Az R420-on ezek után nem eshet feszültség, D402-őn +5-10V kéne mérhető legyen. A hozzászólás módosítva: Nov 18, 2012
Sziasztok!
Remélem jó helyre írok, ezt találtam a legideálisabbnak. Kezdő vagyok még a témában. Van 2db 3utas hangfalam amit számítógépről vagy telefonról szeretnék üzemelni. Ehhez nekem mire lenne szükségem? Én csak egy erősítőre gondolok. Mindkét hangfalból egy-egy vezeték pár jön ki, feltételezem hogy belül van valamilyen hangváltó. A hangfal: Sony SS RG-440 ebből van 2db, 6 ohm-os impedencia. Nem sikerült szétszednem egyenlőre mivel az előlapi csavarok elvileg csak díszek... neten nem találtam róla semmilyen adatot a teljesítménnyel kapcsolatban. Ennyit derítettem ki róla: Idézet: „Speaker system 3-way, 3-unit, bass-reflex type Speaker units Woofer: 13 cm, cone type Sub woofer: 13 cm, cone type Tweeter: 5 cm, cone type Nominal impedance 6 ohms Dimensions (w/h/d) Approx. 240 × 325 × 243 mm Mass Approx. 4.3 kg net per speaker” A két hangfal ehhez volt: Sony MHC-RG220 Erről ezeket az infokat találtam ami lényeges lehet: Idézet: „Power Output (RMS 10%): Front (W) 2 x 60.0 Power Output: Music Power (W) 2 x 120.0” Abban szeretnék segítséget kérni, hogy mi kellene, hogy működjön, a fent leírt módon. Illetve hogy én ezt hogyan tudom ezt elkészíteni, mik kellenek hozzá. Köszönöm! Üdv, ToMa! A hozzászólás módosítva: Nov 18, 2012
D402-n 0,4V R420-on nem esik fesz, max 2-3mV és a relé kb 2 mp múlva meghúz. Elnézést testhez képest D402 katódján 8,4V-ot mérek.
A hozzászólás módosítva: Nov 18, 2012
Roppant érdekes mennyi mérhető most az R419-en.
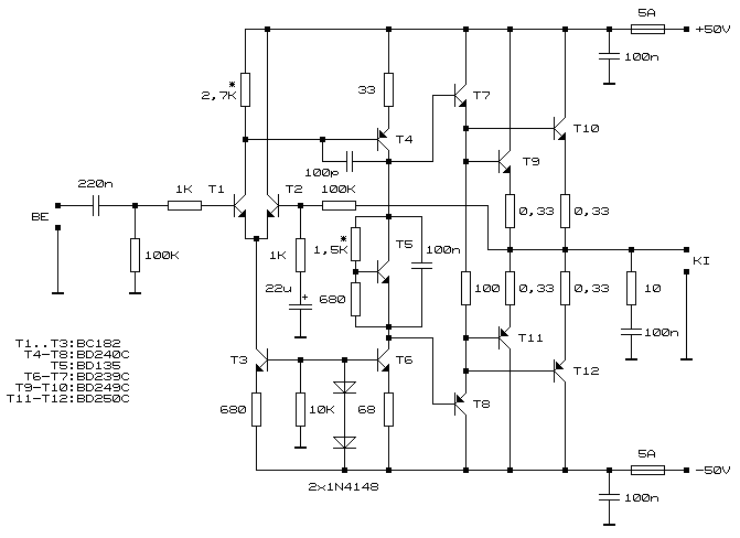
Mellékelem az aktuális rajzrészletet, hogy mások is be tudjanak kapcsolódni, a beszélgetésünkbe.
R419-en 0V-ot. Szóval test és D402 katódján így 8,4V mérhető.
Q403-at bármilyen általános célú 50-60V-os NPN-nel pótolhatod.
Elméletileg a rajz szerint 2sc2603 és a helyettesítő progival megnéztem, és BC 182 közötte van, az meg van is itthon
mindjárt megnézem hátha.
Sziasztok!
Tesztelgetem az LM3886T ic-ből készült sztereó véget igaz hogy még csak deszkán van de teszi a dolgát építés óta hibátlanul. Kicsit keveselltem a mélyet a hangzásból bár a frontokból nem lehet sok mélyet kicsikarni de nagy hangerőnél kezdenek csak előbújni a mély hangok, viszont a magas tartomány igen kellemes. Rámértem a tápra pufferolás után és normál hangerőn (majdnem halk) is már esik 3 V-ot és ha feltekerem azért akkor meg már 10 V-ot is esik a feszültség. jelenleg 2 darab 4700 µF-os kondi van a tápban ami a két oldalt táplálja esetleg próbáljam meg vastagabb pufferolással vagy erősebb trafó kéne? Válaszotokat előre is köszönöm!
Üdv.
Köszönöm szépen a segítséged, magamtól nehezen jöttem volna rá, hogy kimérve egy tranzisztor jónak tűnve mégis hogyan rossz, mikor azt mértem rajta amit egy tranzisztoron mérni kell. Egyenlőre működik BC182-vel, bár kicsit keresztbe van a középső lába, mert más a lábkiosztása, de megoldottam És még tegnap persze kicseréltem a két 6,3V os 47µF-os kondit, pedig ezek is jók voltak kapacitásmérővel is. Köszönöm szépen a türelmes segítségadást, további szép estét. A hozzászólás módosítva: Nov 18, 2012
A BC182 tökéletes választás. Az elődjének a meghibásodása, és a viselkedése egészen meglepő. Örülök, hogy összejött
.
Szia Reloop ezen a rajzon mit változtatnál hogy kevésbé legyen gerjedékeny?Ha van ötlet megrajzolnád?A legelső 2 panellel nem birok,ha rákötök elő-fokot,keverőt,akkor azonnal hallom a Kossuth adót.
Szia! A gerjedés az amikor az erősítő önmaga állít elő periódikus jelet, azaz oszcillál.
A Kossuth rádió hallgatásához nagy bemeneti érzékenységre, széles átvitelre és antennaként működő hosszú vezetékekre van szükség. Ezt úgy előzheted meg, hogy árnyékolt vezetéken továbbítod a jelet. A jelvezetéket a forrásnak megfelelő impedanciával zárod le. Az erősítő láncban alul-áteresztő szűrőt/szűrőket helyezel el, nemsokkal a hangfrekvenciás sáv fölé méretezve. Magába a végerősítő kapcsolásba nem célszerű beavatkozni.
Azzal tudtam csökkenteni a "rádió hangját"hogy a bemeneti csatlakozó és a befelé menő jelkábel közé tettem egy 220n kondit sorosan.A vezetékek föleg a táp nagyon rövidek talán 15cm a leghosszabb darab a jelkábel az 35 cm és csak az egyiknek van az árnyékolása bekötve ez is csillapitott valamit.Amit javasoltál a 100k helyett 22k az be van téve rajta csücsül 680p kondi párhuzamosan.Sokkal lejjebb mondtad hogy a 100pf kondi finomhangolásától remélsz javulást pontosan melyik irányba? felfelé lefelé értékkel,vagy kisérlet?
|
Bejelentkezés
Hirdetés |






mindjárt megnézem hátha.
És még tegnap persze kicseréltem a két 6,3V os 47µF-os kondit, pedig ezek is jók voltak kapacitásmérővel is. Köszönöm szépen a türelmes segítségadást, további szép estét.
. 





