Fórum témák
» Több friss téma |
Szia! Mivel független tápja van a mély-emelőnek, a földhurok kizárható. A panel, vagy a kábelek szedhetik össze a búgást. Mennyire van árnyékolva?
Hát úgy kb semennyire. Csak gyorsan összehuzaloztam, bár a PC táp se mindig jó. Volt hogy 3 SMPS táppal próbáltam egy ilyet és csak a 4.re lett jó... A gond viszont, hogy az erősítő dobozába teljesen külön táp akár egy kis SMPS nem fér be...
Most rákötöttem egy másik SMPS-re és azzal semmi zaja nincs. Már csak hely kéne neki... A hozzászólás módosítva: Szept 6, 2012
Ma összeraktam és bevittem a lakásba . Minden jónak tűnik nincs jelentős melegedés (nem hajtom nagy hangerőn hosszabb ideig egyébkén ) Majd beszerzek egy 8Ohm-os hangszórót ha ráakadok valami jobb fajtára . A szub ládát egy szobában merre érdemes elhelyezni helyileg ? Jelenleg középen van de nem közvetlen fal mellett .
Nekem a sarok ülőgarnitúra mögött van. Ha beindul remeg a seggem alatt az egész.
Nekem íróasztal alatt van a mély. Az meg a szoba végében középen...
Szia! 6x6 szobában a fal mellett, a saroktól kb. 2m-re találta meg a helyét. Sem a sarokban, sem az oldalfal közepén nem volt jó. Ha elhúztam a faltól oda lett a hangnyomás.
Köszönöm a válaszokat . Igen nálam is ilyen gond van akkor rossz helyen van mivel a szoba közepén / falmentén van mély rendesen , de ha arrébb állok oda az élmény . Majd kikísérletezem .
Azt szeretném megtudni, hogy mennyi felvett teljesítményt alakít hővé egy tda 7294 híd?
Mekkora tápfeszültséggel és hány ohm terheléssel számolhatok?
Úgy gondoltam, hogy a táp 2x27AC 5A és 8 ohmos terhelés, ám nem tudom hány watt hő fejlődik, hogy nagyábol tudjam a kimenő teljesítményt.
Szia! A kimenő teljesítményt vegyük 200W-nak. Kollégák mérték, kijön belőle. Határozzuk meg a felvett áram erősségét. I2=P/R, a számítást elvégezve I-re 5A-t kapunk. A 2x27V váltakozó feszültséget egyenirányítva, pufferelve, terhelve becsüljük meg +/-33V, azaz 66V egyenfeszültségnek. P=U*I képletbe a felvett áramerősséget és a tápfeszültséget behelyettesítve 330W az eredmény. A 330W-ból 200W elmegy a hangszóró felé, marad 130W ami hővé alakul.
Hali valaki megtudná mondani h toroidbol kb hány wattos kellene 2db ic-hez?
Előre is köszi.
Szia!
Nem tudom mennyire vagy maximalista típus vagy milyen felhasználásra szeretnéd építeni az erősítőt de egy olyan 350-400VA-os azért elkel nagyban függ a táptól az erősítőd teljesítménye és terhelhetősége. Nekem is 400VA-os toroid hajt egy hidalt panelt.
Köszi szépen a segítséget am csak othoni felhasznélásra néha-néha meghajtom de általába csak laza zenehalgatás van...
Akkor bőven megfelelő lesz az az érték amit ajánlottam inkább nagyobbra legyen méretezve kicsit a táp, ha megkapja a megfelelő tápot az ic cserébe bődületes teljesítményt fog nyújtani számodra ami szobában sok is lesz szóval bőséggel marad majd tartalék az erősítőben
Sok misztifikum rakódik az erősítők trafóigényére, és ezek közül csak nagyon kevés indokolható valódi érvekkel. Szinte általános szabálynak tekinthető, hogy a kivehető szinuszos teljesítmények összegének másfélszerese a szükséges trafóteljesítmény. Fanatikus hifisták elmennek a kétszeres szorzóig, de e fölött már értelmetlen pazarlás tovább menni.
Egészen más kérdés, egy TDA7294 mennyire fér bele a szuperhifi kategóriába, de szerintem nem is ez az ő igazi versenypályája. Az az IC -véleményem szerint- az otthoni zenehallgatástól, a kicsi házibulikkal bezárólag (ehhez azért jobb a hidalt változat), a felhasználók túlnyomó többségének igényeit bőven ki tudja szolgálni. És ha már tápozunk, megragadom a lehetőséget, hogy csatlakozzak Reloop azon gondolatához, hogy egyáltalán nem kell a pufferek értékét a végletekig fokozni. Elsőre úgy tűnik, egy nagyobb puffer = a nagyobb tartalékkal, de ha jobban belegondolunk, akkor ehhez sokkal nagyobb töltögető áramok is kellenek, amik rommá rángatják az egész tápot. Nálam a féltápos hidalt változathoz, csatornánként 2db párhuzamosan kötött 4700µF/100V-os elkó van, és minden elvárható formában tesztelve kifogástalan eredményt hozott -gyanítom, már 1x6800µF-is elég lenne-. (Az én trafóm ehhez a két darab hídhoz 400VA, és nincs vele semmi gond. Ez azért érdekes, mert 2x150W-hoz mérve, ez csak 1,3-as szorzót jelent. De a toroidok durván túlgerjeszthetőek, és én kicsit vastagabb huzalt kértem rá, tehát teljesen nyugodt vagyok e miatt.) A hozzászólás módosítva: Szept 12, 2012
Reloop,
Nincs véletlen fenn itt az oldalon a TDA 7294-hez készített nyákrajzod .lay formátumban? Kerestem, de csak képként, meg pdf formátumban találtam. Előre is köszönöm. Üdv. B
Szia! Nincs, mert még formálódik. Mit igazítsak rajta?
Na várjál csak, van neked a sima TDA 7294-hez is egytápos megoldásod ?
Igazából azon gondolkodtam, hogy egy adott teljesítményre kéne beállítanom a tápfesszel. 50W kéne 4 Ohm-on. Akkor elég lenne nekem +- 22V vagy egytáposnál 45V körül. Attól függ melyiket ajánlod.
Építs +/-25V tápot és ezt kösd rá.
Az aszimmertikus táposból nemsokára lesz újabb változatom, ha nem kell kapkodnod várd meg. A régi is jó azért
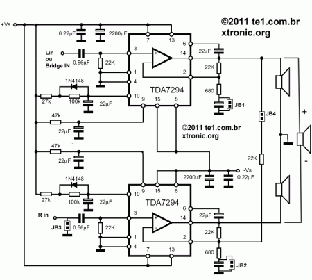
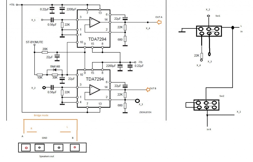
Sziasztok! Szóval én építettem 2 db 7294 panelt és gondoltam 2 itthon lévő kapcsolóval jó volna ha lehetne állítani a híd/sztereó üzemmódot! Ez lenne az elvi rajzom, nem akarok pluszba berakni alkatrészeket. A kapcsolókról annyit hogy 2ák. 2 állásúak.
Szia
Valami ilyen kéne ![]() A hozzászólás módosítva: Szept 16, 2012
Nem támadni akarom a felvetésed, csak már máskor is volt (lehet nem is ebben a témában) ilyen gondolat, és már akkor se értettem igazán. Szerinted mikor áll elő egy olyan életszerű helyzet, mikor erre szükség lehet? Az én primitív megközelítésemmel a hangszórócsoportok (csatornák) száma vagy kettő, vagy egy, de azután már ez a szám nem változik.
Autós erősítőknél alapból vannak ilyen lehetőségek, de ott se KAPCSOLÓ, hanem eleve úgy kell FIXEN bekötni őket. Egy ilyen váltás túlzottan nagy kezelői odafigyelést igényel ahhoz, hogy "kapcsolós" kiépítése indokolt lehetne.
Sziasztok, akinek kellene tda7294-hez toroid trafó akkor nekem lenne egy 2x30V 350VA-os példányom (nem egy régi *ar) amivel tökéletesen ki lehet hajtani két végfokot még ha nagyon nagy melegedési veszteségekkel számolok is akinek kell írjon privátot és küldök képet. üdv
Panelod eladó/elcserélhető nincsen véletlen?
Milyen panel kellene?
Egy működő 100W-os panel.Ha kell cserélek is megegyezhetünk
Nekem 2 darab tda hídnak való toroid trafó kéne 540-550w ha valakinek van léci írjon.
|
Bejelentkezés
Hirdetés |











