Fórum témák
» Több friss téma |
Mielőtt kérdezel, a következő két dolgot ellenőrizd!
I. A helyes tápfeszültségek megléte.
II. A kimeneten van-e egyenfeszültség.
Élesztés.
Heee,.. En is gondoltam erre, csak hulyesegnek tartom,..
![]() ![]() ![]() ![]() ![]() ![]() ![]()
tényleg...... ilyet mért nem lehet csinálni?
380 bol leveszünk 2 fázist és azt egyenirányítjuk?
Gondolj csak bele jobban, atvinned az erositobe a faziszajokat, a bummot, nincs galvanikus levalasztas, megfogod a tapot es agyonut, kitudja a jelforras is ugy van foldelve, es visszaut az is,.. En egyszer probaltam fesz osztoval erositot es a kimeneten olyan zaj volt h csak na,.. Aztan proba szerencs, Irj a tapasztalatokrol,.. (en nem vaok semmi jonak elrontoja ;o) )
Hát két fázis azért nem kell elég a fázis-nulla.
de most gondolkodok h. elég hülyeség mert a pufferkondik horror áron lennének ![]()
igen.... de egy izmos erősítőbe minden horror áron van
sziasztok!
a nyár folyamán bontottam 1 Grundog tv-t és a hangpanellja most a kezembe került ami 2x35W-os az erősítőc-je 2db TDA2040 ez valahogy fel van húzva +15-15W-al szeretném megtudni hogy hogy bírhatom működésre arra lennék kíváncsi hogy hol adhatok neki jelet tápot a kimenet a hangfalcsati(régifajta) gonsolom de a hangszórók a piros és a fekete csatlakozókon voltak itt a panell felülről és a képen alulról
nem feltétlen attól füg ki és hogyan milyen alkatrészekkel tervezte meg
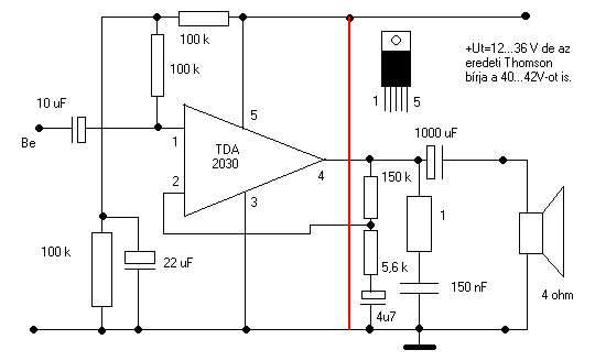
Sziasztok!
Lehet, hogy hülyeség amit kérdezek de szerintetek a mellékelt képen behúzott piros vonal nem okoz rövidzárat, csak mert így találtam a neten?
Dehogyisnem!!! Persze hogy rövidre zárja a táp+ -t és a földet!!!
üdv mindenkinek!
jó ez a topik csak így tovább ![]() nekem lenne egy jó kérdésem... Ha ennyien építetek erősítőt, nincs valakinek egy bétára válogató kütyüje amit meg osztana velünk? pnp és npn-re is kellene (nagy teljesitményre is)PL:3055 BD249 BD250-stb Ha lenne valakinek tipje, leirása kapcsolása, nyákterve róla azt azthiszem egy páran megköszönnék ![]() ![]() ![]() ÉN biztosan ![]() ![]() ![]()
En keszitettem egy beta merot amit kozepes es nagy teljesitmenyu tranyok valogatasahoz lehet hasznalni. Az eredeti kapcsolast a netrol szedtem, de alakitottam rajta, mert csak NPN tranyok meresere volt alkamas en pedig kiegeszitettem PNP meresre is. Van neki sajat topikja is itt
Majd felteszem oda a teljes kapcsolast amint lesz idom es megrajzoltam az egeszet vmi progiban, mert egyelore csak papiron letezik az iroasztalomon ![]()
Megnéztem...
Május már nem most volt... ![]() Evvel találkoztam csak nem tudni angol... ![]() Be scennelni vagy lefotózni nem tudod a cuccost??? :yes: Idézet: „Hali! Lenne 1 kérdésem: létezik olyan végfok kapcsolás amely +-100V-ról képes működni? mert ha igen akkor van 1 olyan ötletem(lehet h. tök hülyeség) Naszóval: a 230V váltót ha közvetlen egyenirányítjuk akkor +- 105V-ot kapunk a saját földeléséhez(konnektor földje)képest,erre már csak pufferek és már mehet is a végfok Ezzel meg lehetne spórolni a trafót, (igaz akkor lőttek a galvanikus elválasztásnak) vagy ez hülyeség??? Írjatok.....” Nem 105V, hanem pufferelve már 160 V Nekem olyan végfokom is van, ami +/- 150 V-ról (vagy akár +/- 170 V-ról is) működik, de ezzel sem vagy kisegítve. Ugyanis a +/- 160 V-ot nem a földhöz képest kapod, hanem egy 115 V-os virtuális ponthoz képest, ami azon kívül hogy életveszélyes és nem köthető össze a földeléssel, még ráadásul nem is terhelhető (merthogy önmagában nem is létezik), csak ha külön biztosítod pl. egy trafóval. Idézet: „de most gondolkodok h. elég hülyeség mert a pufferkondik horror áron lennének” Nem igazán, sőt a teljesítményhez képest kifejezetten olcsó lenne.
Hali!
Szerintem inkább használj külön tápot. A gép nem fogja jónéven venni, ha az erősítő megrángatja a tápot. Én anno egy PII-hez csináltam erősítőt (2xTDA1558Q), ami két kártyahelyet foglalt, és egy külön tápot használtam hozzá. Hozzáteszem volt hely bőven a gépben a másik AT-s tápnak is.
sziasztok ma végre elkészült a 2x400w-os erösitőm már vagy 1/2 honapja csinálom képet mellékelem amugy fullra fetes szerintem nagyon szépen szol :várom a hozzászolásaitokat
![]() ![]()
Aha, nem rossz. En egy dolgot csinaltam volna maskepp: a hutobrodakat es az erosito paneleket megcsereltem volna. Igy a trafo es a NYAKok kozott lett volna egy arnyekolas is ami alapbol csokkenti az esetleges brumm veszelyt. Mellesleg a hutoborda pont az elolapon levo raccsal szemben lett volna es igy a hatulrol erkezo levego amit a venti nyomat akadalymentesen tavozhat az erositobol vagy ha a venti szivja a levegot a bordakon keresztul akkor a bejovo levego azonnal a bordak koze erkezik. Amugy jonak tunik, de mire hasznalod majd ... villanykalyha futesre?
![]() ![]()
Szereztem egy régi erősítőt, TWIN LINE 600 néven fut, elvileg 2x300W 4 ohmon, oldalanként 4 pár BD249/250 van benne, ez nagyon meglepett mégpedig azért mert a trafoja 2x47.7V AC, ami egyenirányítva pufferelve, és a nyugalmi árammal terhelve +-62V. a BDk feszültsége pedig elvileg csak 100V, ezek még eredeti tranyok amik elvileg még 115V-osak voltak ugytudom, de én tul soknak találom a feszt ezekhez a tranyokhoz.(azonkívül csak az egyik oldal müködik a másikba ugyis cserélni kell a tranyokat), szal az lenne a kérdés hogy milyen tranyot tudok belerakni amiből a legolcsóbban kijövök. néztem a 2SA1265/2SC3182 párost (140V,10A,100W), ennél olcsobbat nem találtam, ha esetleg van ötlet írjatok. BD249/250-et nem igazán szeretnék bele, főleg azért mert nemtudom hol kapnék eredetit, másrészt szerintem nem üzembiztos, bár mégis gyári szal azért elgondolkodtato.(spafi érdekelne a Te véleményed is ha esetleg olvasod a forumot, a te erősítőd azóta is szuperál
![]()
jah és ha van valakinek eladó tranyoja ami megfelel a kívánt paramétereknek akkor írjon! (min: 140V,10-15A,100-125W) és fontos hogy TOP-3,TO-247 vagy hasonlo tokos legyen.
Hi
nagyon tetszik. ezt csináltad meg?(: kép) mennyiből tudtad kihozni?
En ugyan nem vagyok biztos benne, hogy saca melyik kapcsolast epitette meg, de van egy olyan sanda gyanum, hogy nem azt amit belinkeltel, mert az irta saca hogy fullra fetes ...
Én ugy látom hogy SACA ezt csinálta meg, ha van kedved csináld meg te is, szerintem maga a végfok panel stereóban tranyókkal fetekkel olyan 7000ft körül lehet, a táp meg a többi nélkül.
Akkor egy oldal 3-4E Huf? Az ahoz képest tök olcsó! És mitgondolsz tényleg lead ez 400Wattot?
Hááát talán a csúcson kiköhgi a 400-at mert azért +-80V- ból valamit kell csinálnia, pontos labormérést pedig nem tudok végezni csak számolgatni lehet, de tény hogy nincs rossz hangja én már megcsináltam ezt csak nincs doboza még.A HQvideo-nál ezek a fetek 429ft-ba kerülnek, a többi pedig mind forintos alkatrész, persze ha van hütőbordád, mert az sem olcsó.
Ahhan az jó
![]() ![]()
Kösz a visszajelzést!
Sajna olcsó bipoláris tranyó forrásban nem tudok segíteni, mert már jópár éve nem vettem. Át kell nézni az árlistákat, és sajnos 1-1 db-ot meg kell venni, letesztelni, hogy tényleg bírja-e a névleges teljesítményt, és utána dönteni. Elvileg a HQ-nál kapható BD250D és 249D, ami 160 V-os, de nem tudom hogy eredeti-e. Ki kell próbálni mérőkapcsolásban, hogy mit bír!
sziasztok tényleg dj loui válasza a helyes azt épitettem meg 1200-as toroid van benne a dobozt nyersen vettem 2000ft-ért én dolgoztam fel csak egy kicsi hija van hogy nem tudom feliratozni ha valakinek van 5-lete akkor kérem irni:üdvözlettel SACA
|
Bejelentkezés
Hirdetés |