Fórum témák
» Több friss téma |
Hello!
A villogó Led-ben egy chip van, fix frekivel. Építs 555-el, és "sima" Led-el villogót, akkor kedvedre állíthatod az ütemet. üdv! proli007
Kösz, kár, hogy nem lehet egyszerűbben megoldani. Esetleg tudsz olyan villogó ledről, aminek kb. 2 másodperc a periódusideje és kb. 50% a kitöltési tényezője?
Hello!
Sajnos nem ismerek. Általában 1,5..3Hz között vannak a villogási ütemek. De szinte bár mivel kiegészíted a Led-et, már is a olyan, mint ha másik villogót építenél. Vagy is értelmetlen az egyszerű dolgokat módosítani. üdv! proli007
Akkor megpróbálom megépíteni, tudnál valamit ajánlani, hogy mivel kell kezelni a nyákot, hogy ne oxidálódjon?
Üdv a Mestereknek! Nagy kérésem lenne villogó ledet szeretnék csinálni de 2db 12v-os RGB led panelból ami jobra balra váltakozva villogna persze a felsö madzagokat levágnám róla..nem tudom milyen kapcsolás lenne jó..Valami egyszerü estleg?
Megköszönném a segitséget!
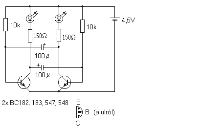
Sziasztok! Ezt 2 led-es villogót szeretném kibővíteni ledekkel. 12 voltról üzemeltetném a villogót. Hány ledet bírna el az 1-1 oldal?
Bővebben: Link
Fehér színű 5mm-es normál fényű LEDekkel.
A hozzászólás módosítva: Szept 26, 2012
Oldalanként 3 LED. Ha változatlan sebességet akarsz, akkor a 10kOhm bázisellenállásokat növeld meg 27KOhm-ra.
Ennél nem lehetne többet rákötni? Arra gondoltam, hogy 3-mas csoportokat csinálnék, ahol 3 ledet sorba kötök, és ezeket a 3-mas csoportokat párhuzamosan kötném össze. Ez így megállná a helyét?
Igen. Arra figyelj oda, hogy a LEDekkel sorba kötött ellenállást is többszörözd. Hogy hány ilyen csoportot lehet párhuzamosan kötni arról lövésem sincs.
Hello!
A tranzisztor, egy áramvezérelt eszköz, ahol ha növeled a kollektoráramot, a bázisáramot is növelned kell. Ezért a bázisellenállás értékét változtatni kell. Ezzel a villogás üteme is változik. Ha Fet tranyóból készíted, akkor a párhuzamos Led-sorok számát, szinte tetszőlegesen növelheted, amíg a Fet bírja. Nem kötelező ebből a típusból felépíteni, de készítheted egy IRF7103-ból is. Kb. 100Ft-ért kapsz benne két 3A-es Fet-et. (A két ág árama, jelenleg kb. 20-20mA ha a Led-ek fehérek. Ha nem., akkor előtét ellenállást újra kell számítani.) üdv! proli007 A hozzászólás módosítva: Szept 26, 2012
Köszönöm a válaszokat!
Az a probléma, hogy nem ismerem a fet-eket, tehát gondot okoz a bekötésük. Nézegettem most az ic adatlapját, de számomra abból nem derült ki, hogy az általad írt típus melyik lábát hova kell kötni. Tudnál nekem segíteni?
Hello!
A Fet is olyan mint egy tranyó, csak épp "másképp nevezték el" a lábait. ![]() A bázis-Gate, kollektor-Drain, az emitter-Source. Ezek első betűi megtalálhatók az adatlapon. (Egyébként tranyó tokosnál, általában ugyan úgy vannak sorrendileg bekötve, a tokban mint a tranyók.) De ha gond beírom a lábszámokat. üdv! proli007
Ha nem nagy kérés, akkor légy szíves írd le a lábak számait, mert nem szeretném elrontani. Még így is szeretnék hozzá nyáktervet készíteni és akkor azt ez is alaposan megkönnyíteni. Egyébiránt a 47 ohmos ellenállások a 3 fehér ledhez vannak méretezve?
Hello!
Ám legyen! Így van, a 47ohm 12V-ra és 3db fehér Led-re vonatkozik, 20mA Led áramra. üdv! proli007
Köszönöm szépen a készséges segítséged! Így már menni fog
Sziasztok!
Az lenne a feladat, hogy egy ledet villogtassak, de a lednek úgy kéne fellvillannia, mint egy régi "tükrös" villogónak, tehát lassan éri el a max fényerőt, és lassan alszik el. Elsőre simán párhuzamosan kötöttem a LED-el egy kondit, de a kívánt hatás eléréséhez egy 4700 µF-es kellett, ami hihetetlen fizikai méretekkel rendelkezik. Hogyan lehetne ezt kicsiben, de jól megcsinálni? (ezen töröm a fejem két napja )
Szia!
Használj 6,3V-os elkót, annak már nincsenek hihetetlen nagy méretei.
Katalógus szerint az is 13*26 mm ami nem kicsi. 8ez is repülő modellbe menne)
Dugd el a pilótafülkében
Vagy ha nem akarsz kondit, akkor használj PIC-et vagy AVR-t erre a célra. A hozzászólás módosítva: Okt 1, 2012
Jó az ötlet, bár nem ilyen egyszerű. Egy modell klubnak csinálok komplett szetteket, és ez lenne az utolsó probléma a "piacra dobás" előtt.
Vannak PIC-es topikok. Valamelyik villogóval is foglalkozóba dobd be a problémádat: Bővebben: Link
Szia! Nézd meg ezt a mellékletet. Természetesen az értékeket a te igényeidhez kell megválasztani!
A hozzászólás módosítva: Okt 1, 2012
Nekem 12 voltról működő villogó kéne, összesen 50 ledet kapcsolna egyszerre, kb 1 amper áramfelvétele van a cuccnak. Másodpercenként egyet kell villannia. Ehhez jó ez az előző kapcsolás? Tudnátok nekem segíteni? Fontos, hogy csak villanjon egyet hirtelen másodpercenként. Repülőre tesz téve. Köszi
Üdv.
Teljesen kezdő vagyok. De szeretnék kezdésnek készíteni egy db ledes villogót.(ami 2 db ledből áll) nyákot nem szeretnék maratni, ezért próba nyákra szeretném csinálni. ebben szeretném a segítségeteket kérni, mit mivel forrasszak össze hogy működjön. mert a kapcsolási rajzon nem tudok kiigazodni. Előre is köszönöm. A hozzászólás módosítva: Jan 9, 2013
Szia.
Mondjuk kezd itt a nézelődést: Bővebben: Link Van már ilyen téma. A Modik úgyis zárják mindjárt. |
Bejelentkezés
Hirdetés |








)
Vagy ha nem akarsz kondit, akkor használj PIC-et vagy AVR-t erre a célra. 





