Fórum témák
» Több friss téma |
SZiasztok!
Nekem egy olyan időzítőre lenne szükségem, amely 5-12 percig állítható, kimenetén egy relét vezérel. Egy gomb megnyomására behúz a relé majd az idő elteltével kienged. Ha lehetne a helymegtakarítás végett olyan áramkör kellene amit 230V hálózatra tudnék egyből csatlakoztatni, kihagyva belőle a trafót(ha lehet egyáltalán ezt egy ellenállással megoldani) Még abban is tanácsot szeretnék kérni, hogy milyen relét használjak, ha 230V 10A szeretnék kapcsolgatni?? Köszi előre is a segítséget misteer
hi
ha csak gyengeáramkörröl lenne szó akkor tudnám javasolni az 555-ös ic -vel kapcsolatos kb 1000 kapcsolást, de mivel ki akarod hagyni a trafót és a hely kicsi ezért egy villamosági boltban is kapható kis időzítőt javaslokidőzítő üdv
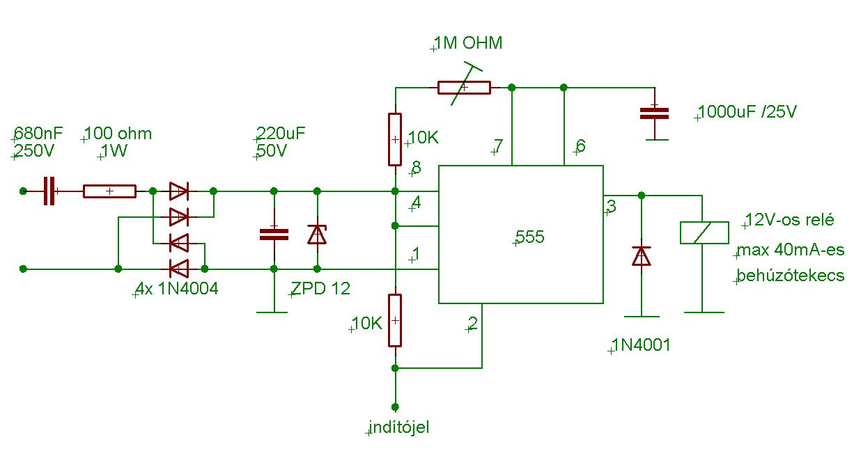
nem egy nehéz dolog megoldani, kell egy kb 680nF/250V-os kondi előtétnek, egy garetz hid, egy 12V-os zenner, és egy puffer kondi, majd egy 555-ös ic-ből felépített időzítő ami egy 12v-os relét hajt meg. Ha lesz egy kis szabadidőm megrajzolom, és felrakom valószínű még ma.
hi
ez a 680nF kondi és a graetz híd 12V ot eredményez? Hmm... és ha pl 24V ot akarok akkor 2X ekkora kapacitású kondi kell?
Nem!
A zenner álítja be a feszt. még nem csináltam mega kapcsolási rajzot, de majd felrakom.
nagyon megköszönném
és ha megkérhetlek a kapcs rajzon tüntesd fel hogy milyen alkatrészeket használszköszi
Itt a rajz, kb 12percig lehet állítani, remélem megfelel az igényeidnek, a vezérlés negatív jellel történik.
Csak vigyázz ne érj a vezetékekhez áramütés veszély!!!
nagyon szépen köszönöm a segítséget, még annyit hogy az indítójel -12V legyen? és azt mivel állítsam elő?
Nem kell -12V, csak az indítójel bemenetet földpontra (IC 1-es lábár) kell érinteni ha indítani akarod.
oké mostmár minden ok, ugye az 5 ös, cv lábat földre kötöm!?
nem!
ha akarsz egy 100nF-os kondit rá lehet kötni, de nem szükséges
Hagy legyek már kotnyél egy kérdés erejéig: Az 1000 mikrós kondinak nem kell igen jófajtának lennie a szivárgási áram tekintetében?
Nem, sima mezei kondi is jó mivel amikor megy az időzítő akkor töltődik az ellenálláson keresztül, amikor lejár az időzítő a 7-es lábon keresztül testre húzza a kondit. Eddig nekem még nem volt ilyen problémám pedig már csináltam pár hasonló áramkört.
köszönöm szépen a segítséget.
Remélem működni fog Nem tudom mennyire értetek a tina áramkörszerkesztőhöz, de ha igen hogy tudnék egy ilyen áramkört leszimulálni? a berajzolás megvan, az indítójelet egy idővezérelt kapcsolóval oldottam meg, de mivel figyeljem a válozást, és főleg milyen analízist válasszak??
Elég régen használtam a Tina programot, de akár egy fesz mérőtvel is tudod figyelni a jelváltozást. Ha utánna akarsz számolni az időzítéeknek a HE oldalán van egy "segédprogramok" menü ahol a "monostabil multivibrátor 555-el" kiválasztod, és le tudod ellenőrizni a dolgokat. Esetleg T=1,1 x R x C képlettel is ki lehet számolni az időket.
Sok sikert hozzá
hi
Értem és ezzel a módszerrel mekkora áramfelvételig érdemes csinálni?
A kondenzátoros feszcsökkentéssel kb. 50mA-ig lehet sabilan megoldan, nagy áramokat nem lehet kiszedni belőle.
Nagyon köszönöm a segítséget, összeraktam mostmár működik is, egyetlen változatást kellett eszközöljek, mégpedig, hogy a hogy az IC 4-es lábát nem szabad bekötni tápfeszre mert akkor folyamatosan megy, és sose kapcsol ki
![]() De az alapötlet nagyon jó volt köszi
Nekem is egy mini riasztóhoz kellen hasonló cucc, időseknek ajtóra szerelve egy kapcsolo, és ne hatástalanítódjon, ha az ajtó becsukódik.
Kérdésem: -Ha egy pill- re megadom a jelet neki akkor meghuz a relé és kb 10percig tart? -Ha ujra jelet adok neki, ujra indul a 10 perc számolás? -Nekiadom a tápfeszt, meghuz akkor a relé alapba? Köszi a választ
-így van ha megadod a triggerjelet behúz és tart a megadott ideig
- ha újra jelet adsz neki megint behúz -ha ráadod a tápfeszt nem csinál semmit, míg nem adsz neki jelet
Van viszont vele egy kis problémám, amelyre választ szeretnék kapni.
Egy melegítőt üzemeltetek róla, amit egy világításkapcsoló kapcsol a fürdőszobai lámpával együtt. NA most az vele a probléma, mikor fölkapcsolom a fürdőben a lámpát(néha igen, néha nem), gondolom a kapcsoló pergése miatt, automatikusan felkapcsol az időzítő is. Ez viszont nekem nem jó. Valami megoldást kéne találnom, hogy csak akkor kapcsoljon fel, ha triggerelem. Várom az ötleteket! Ja és már nincs hely egy stabilizátor IC -nek. Kösz Misteer
Sziasztok!
Bár nyitottam már erre témát, de ott sajnos nem kapok választ. Megépítettem egy időzítő kapcsolást 555 Ic-vel, amivel 4-13 percig lehet kapcsolni egy relét. A probléma a következő: Az egész egy fürdőszobai fűtőszálat vezérel, így 230V ról táplálom egy zenerrel levágva a feszt. Az időzítőt a trigger bemenet 0-ra kötésével indítom, amit a hálázati dugaljba épített kicsi nyomógomb old meg. A fürdőszobai világítással együtt tudom kapcsolni a 230V foglalatot, amelybe be van dugva a dugalj. Az a problémám, hogy néha már a világítás felkapcsolásával bekapcsol a fűtés, ami nekem nem jó. Hogy tudnám ezt kiküszöbölni?? Előre köszi a segítséget
ha ott nem kapsz, akkor itt sem fogsz...
ellenben a moderátorok törlik majd a topicot....
nem azért nem kapok mert nem tudnak válaszolni, hanem azért, mert nem veszi észre senki
kösz az együttérzést
Valószínűleg nem oldja meg a problémádat, de szerintem hiányzik egy 100nF kondi az icéd táplábairól, a 220mikrossal párhuzamosan, a hálózati zavarszűrésre. Én még a triggerbemenet és a test közé is tennék egyet...
Akkor kérlek téged, nyiss 200 db ugyanilyen című témát, hátha úgy már észreveszik!
MOST!!!
vagy a 10000mikrossal egy 100nanost párhuzamosan?
ez ugye VICCC???
hálozatról, zénerrel relét működtetsz?? jah igen, még JÓL meg nem BAA.....ZZZ! majd utána használsz trafót és akkor talán fog rendessen működni.... :no: :no: :no: :no: ui: persze megfelelően méretezve és nem tapizva nem lehet bajod..
Próbáld meg az IC 2-es lábára egy 1µF kondit amivel testre húzod, és az 5-ös lábra egy 100nF kondit rátenni. Lehet hogy valami jelet összeszed, ezzel elég jól le lehet szűrni.
Még valami, írtad hogy a 4-es lábat levetted a tápról, és hova kötötted? mivel az a reset lába akár az is okozhat problémát ha a levegőbe lóg. Neke, még soha nem volt problémám a reset lábbal, nem értem hogy miért nem működik neked így, pedig ez lenne a normális működése hogy tápon van. |
Bejelentkezés
Hirdetés |




és ha megkérhetlek a kapcs rajzon tüntesd fel hogy milyen alkatrészeket használsz






