Fórum témák
» Több friss téma |
Fórum » LED-es kivezérlésjelzők
Témaindító: KeserűCukor, idő: Márc 27, 2006
Témakörök:
Szívesen! Figyelem a Clip témát, ha kérdésed adódik, állok rendelkezésedre. A humornak a fórum külön témát szentel, ott biztos nem kapsz érte dorgálást. Amennyire megszínesíti az aktuális eszmecserét, épp annyira elnehezíti a visszaolvasást. Írom ezt úgy, hogy élceiden könnyesre szoktam magam nevetni.
Alkatrészlistát tudsz nekem adni egyet?
Sziasztok!
Szeretném megépíteni ezt a kivezérlés jelzőt: Bővebben: Link De azt írják, hogy "Kivezérlés mérő kapcsolás különleges IC-k nélkül. A bemenő jel bagysága 25...250 mV között lehet, a megfelelő szintet a trimmer potméterrel állíthatjuk be." Az lenne a kérdésem, hogy mit kell változtatni rajta ahhoz, hogy legalább 775mV ig tudjon mérni (quadhoz lesz)?
Semmit.
Szia!
Próbáld ki így, változtatás nélkül, mert a potméterrel tetszőleges osztást állíthatsz be.
Ugye ez így egyformán, nem fordítva fog működni?
Addig nézegettem, míg összezavarodtam.
Az egyik IC-t a NYÁK túlsó felére tervezted. Figyeld hova esik az 1-es láb!
Mindkettő egyazon oldalon van. Vagy csak nem értem mire célzol...
A NYÁK terveden a baloldali IC alulnézetben van (tedd magad elé az IC-t és nézd hová esik az 1-es lába), a jobb oldali felülnézetben. Az IC-t tükrözted, holott csak elforgatni lehetett volna esetleg.
Lehet ám, hogy kisebb gond forrasztási oldalról berakni azt az IC-t, mint áttervezni a rajzot
Na már sikerült felfogni. Én is gondoltam arra, hogy forrasztási oldalra rakom az, úgyhogy az is lesz.
Tegnap lemartam a panelt, de ocsmány lett, de újat nem csinálok, mert már nagyon elhasznált a vas-kloridom. A célnak megfelel. Köszönöm segítségedet!
Helló! Tud valaki működő csúcsérték jelző áramkört (CLIP) erősítőhöz?
Sziasztok!
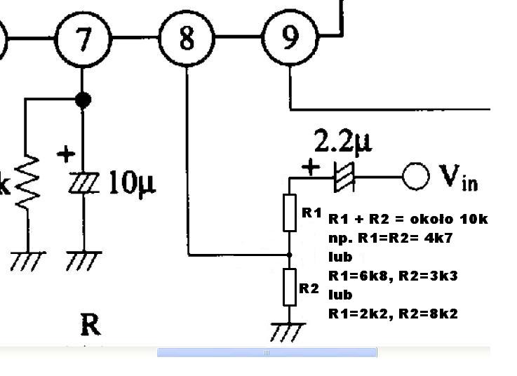
Tudnátok segíteni hogy az AN6884 8-as lábára milyen ellenállás osztót kéne tennem ahhoz hogy a keverő bemenetére(0dB 775mV) tudjam illeszteni úgy hogy 0dB-nél a 3. led világítson?
Hello!
Az adatlap azt írja, hogy akkor ég a 3.Led (0dB), mikor a 7-es lábon 1,1V van. Az 5-ös lábon ekkor 57mV a jel. Ami igaz is lehet, mert ha a 8-as lábon 10kohm van, akkor 26dB az erősítés, vagy is feszültség viszonyban ez 20-szoros érték (20dB=x10 6dB=x2 26dB=x20) Ha az 1100mV-ot elosztjuk az 57mV-al, akkor 19,29 jön ki. 775mV/57mV=13,59 feszültség viszony. Az osztás 1+(R1/R2)=13,59. Tehát ha R2-ek 2,2kohm-ot választunk, akkor R1 értékének 27kohmnak kell lenni. Ez ugyan (27k/2,2k)+1=13,27 de az IC erősítése is változhat 24..28dB között IC-től függően. üdv! proli007
Köszönöm, akkor ha jól értem akkor a 8 as lábat 2,2K -al GND re, és 27K-al a becsatoló elko-ra kell kössem és akkor lesz 775mV bejövő jelnél a 3 led-em fényes.
Hello!
Így van. De az is elképzelhető, hogy nem kell bementi osztó. Mert érdekes módon, a 775mV csúcsértéke, pont 1,1V. Vagy is Ucs=Ueff*gyök2. Vagy is erős a gyanúm, hogy ha a 8-as lábon a 10kohm-ot elhagynánk, akkor az erősítés egyszeres lenne, és 0dB-nél (775mV) jelezne a 3. Led. De hogy az időzítéssel (a kijelzés dinamikájával) mi lenne, azt nem tudom, mert nekem még sosem volt ilyen IC-m. Szóval gyanítom ezért alkalmaz mindenki potit a bemeneten, és nem feszültségosztót, hogy az érzékszervei alapján állítsa be a kijelzést.. üdv! proi007
Az én Tr kivezérlésjelzőm működés közben kétoldalas panelen sztereóban.
http://www.youtube.com/watch?v=gaJuPlAKnuA
Sziasztok
Én egy 40 ledes vu-t akarnék építeni LM391x segítségével... a ledek brutális értékűek - Max. áram: 20mA - 60mA - Nyitó feszültség: 3.5V - 4.0V valakinek esetleg lenne ötlete, vagy kapcsolása 40 ledhez??
Hello!
CSak azt nem írtad, hogy ez 10*4 Ledet jelent (tíz kimenet, csak kimenetenként 4 Led), vagy 40*1 Led, vagy is 40 kimenti szint. Mert az IC maximálisan 30mA-el tud hajtani. üdv! proli007
40*1 led lenne... egy 2 méteres oszlopban elhelyezve... igazából fényképezéshez kéne,
Hasonló képekhez Csak ugyebár ez egy VU görbe lenne.
Hello!
Mi az, hogy VU görbe? Mert az az érzésem, hogy itt vagy én nem értek valamit, vagy Te.. Vagy működés közben körbeforgatod a kétméteres oszlopot? Egyébként ha 60mA-el szeretnéd vezérelni a Led-eket, akkor mind a 40 kimenetre külön-külön meghajtóáramkör kell, mert az LM ezt nem bírja tüdővel. Valamint 2,4A-es táp kell hozzá. üdv! proli007
Pontosan!!! egy 7.4Ah-s aksi táskában egy telefon, megfelelő zeneszám és máris mobil az oszlop...
Akkor kezdjük újra. Legyen mondjuk sima 5mm diffúz led a 40db az marad... erre valami ötlet?
Hello!
Nem az az érdekes, milyen a Led, hanem hogy mennyi az áramfelvétele és mekkora a tápfesz. Az LM kaszkádolható - ha nem a logaritmikusat használod - viszonylag egyszerűen. 40db esetén lehet nem is kell a logaritmikus, mert túl nagy lenne az átfogása. üdv! proli007
Helló!
Előre is elnézést kérek a sok buta kérdésemért... én a fotózáshoz értek jobban az elektronikát kezdő (barmolós ) szinten űzöm. Szeretnék az előző videóhoz hasonló képeket csinálni és ehhez csak egy hordozható sok ledes kivezérlésjelző kel. Elsőre 40-50 vagy akár még 60 ledes megoldás is szóba jöhetne. A legegyszerűbb módját keresném eme dolog megépítésére.
Szia! Az LM391x IC-ket így kell összefűzni. A hozzá valló meghajtó ügyében proli007-nél a legjobb helyen kilincselsz
Köszönöm!!! Én akárhogy kerestem nem találtam még hasonlót sem..... ez egyszerűnek látszik és még talán az én tervemhez is jó lesz.
Már csak azt kéne megoldani hogy az egész pulzáljon kb fél másodpercenként vagy még gyorsabban, a VIDEO-hoz hasonló módon. A hozzászólás módosítva: Szept 28, 2012
Hello!
Tessék, megrajzoltam! Remélem erre gondoltál. 6V tápfeszültség kell, maximum 1A áramfelvétele lesz, Egy-egy Led 24mA-rel fog világítani. üdv! proli007
Köszönöm a fáradozásodat....örök hálám. A napokban meg is építem és beszámolok képekben az eredményről
A hozzászólás módosítva: Szept 28, 2012
Töprengek ezen a projecten. A videó kétkedő kommentárjait is olvastam. A mellékelt képkivágást nem tudom valósnak elképzelni.
Tanácsolom 2-3 LED-del tegyél próbát. A ki-be kapcsolásra az 555 IC alkalmas lenne.
Szia! Úgy képzeld el mint a propeller órát. 1 pontból felvéve egymásra véve minden képet ezt kapod. Azért kell a nagy fényerő hogy az 1000. képen is látszódjon a ledcsík.
|
Bejelentkezés
Hirdetés |




Addig nézegettem, míg összezavarodtam. 








