Fórum témák
» Több friss téma |
Igen ez egy kísérleti táp volt. Írtam is, hogy a szekunder oldalt át kell tervezni.
Itt most arról van szó, hogy egy számtech. oldalon ezt emelték ki fő erényének a tápnak, hogy emiatt kisebb a fogyasztása. És már ott tart a dolog, hogy sok hozzászóló, mint messiás, úgy emlegetik ezt a DC-DC konvertálást, hogy már ideje volt alkalmazni a középkategóriában is.
Én felszólaltam ellene, hogy szerintem itt nincs hatásfokbeli különbség. De ha lenne is, szerintem néhány watt terheléstől függően.
Minden termékre lehet mondani valamit, hogy miért jobb, mint a másik. Nem érdemes ezzel foglalkozni... a hatásfokok így is, úgy is rosszak, a gyártóknak nem ez a céljuk, hanem csak az eladás. Hogy a fórumokon mitől vannak elájulva, hát az megint egy más kérdés. Inkább nem mondok semmit, de azt hiszem, az ilyen jellegű állásfoglalások fémjelzik az illetők hozzáértését. Különösen, ha azt veszem tekintetbe, hogy nem tartom valószínűnek, hogy megmértek egy régebbi, meg egy újabb tápot. Anélkül marad a papír, meg amit ráírtak. Az meg ugye mindent kibír...
Lenne egy kérdésem.
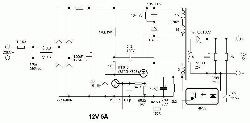
A két tranzisztoros követő tápban a szekunder oldalon lévő diódáknak mi a szerepe? A fölső dióda egyértelmű, de az D3-al jelöltnél mi a helyzet? Úgy kell felfogni mint egy StepDown konvertert a szekunderben lévő induktivitással? Hogy méretezik azt, hogy a D3 diódán végbe menjen a gerjesztés és csak utána induljon a főtrafótól a következő impulzus? Hogy lehet ezt az időt befolyásolni? PL hogy lehessen frekiben följebb menni. Két tranyós követő táp Csak szeretném helyre tenni a gondolataimat. Köszi. A hozzászólás módosítva: Szept 27, 2012
Amikor a fetek kikapcsolnak, akkor a szekunder oldali felső dióda lezár, viszont az L tekercs árama nem szakad meg, olyan irányú és akkora feszültség indukálódik benne, hogy az árama a D3-on folyik tovább.
D3 árama akkor szakad meg ha az L tekercsben tárolt energia elfogy, vagy akkor is ha a feteket bekapcsoljuk - akkor kinyit a felső dióda, és a D3 felső oldala (a katódja) pozitívabbá válik az alsónál - ezért lezár... A fetek nyitásával nem kell megvárni D3 lezrását (nem is szokták általában), de D3-nak (is) elég gyorsnak kell lennie, ha nagy frekvencián sazeretnénk használni.
Amúgy forward tápnak hívják, magyarul nyitóüzemű konverter (nem követő), abból kiindulva, hogy a kapcsolóeszköz nyitásakor kerül át az energia a szekunder oldalra.
(Tehát pl. a flyback táp -> záróüzemű konverter.)
Értem köszi.
Azért gondolom nem mindegy mekkora L tekercset tesz bele az ember. Valamennyire tervezni kell az alkalmazott terheléshez. Nem? Ha túl kicsi az induktivitás akkor nem lesz hatásos az egyik félperiódus. (hamar kiürül) Mi van olyankor ha túl nagy? Vagy akár lecsökken a terhelés?
abból kiindulva, hogy a kapcsolóeszköz nyitásakor kerül át az energia a szekunder oldalra.
(Tehát pl. a flyback táp -> záróüzemű konverter.) Áá kössz. Megértettem.
Nem néztem utána ezeknek a tápoknek, de el tudok képzelni (és gondolkoztam is ezen régebben) olyan megoldást ami jobb hatásfokot eredményez.
Első körben lenne egy rezonáns táp 16...24V stabilizálatlan kimeneti feszültséggel, de 95...98% hatásfokkal. Vannak olyan kisfeszültségű (törpefeszültségű) DC/DC (step down) konverterek (céláramkörök) amelyekben szinkron kapcsolófokozat van, kicsik, nagy frekvencán mennek, és szintén 95...98%-os hatásfokot tudnak. Ha ilyenekből építkezünk, akkor viszonyleg egyszerű felépítésű tápot kaphatunk, 90% feletti eredő hatásfokkal. Nem állítom, hogy az említett PC tápok ilyenek (sőt valószínüleg nem), de azért nem lenne lehetetlen.
L tekercs méretezése erősen kompromisszumos. Az áram hullámossága függ tőle.
Ha túl kicsi az induktivitása, akkor az áram 0-ig is lecsökkenhet (a hullámosság eléri az átlagrtéket), általában ez egyfajta alsó határnak tekinthető, ez alatt az áram nem lesz folytonos, és a kimeneti elkó fokozott igénybevételnek van kitévve. Nagyobb induktivitás esetén az áram egyre "simább" felső határ nincs, de az ésszerűség korlátoz. Ugyanis a nagyobb induktivitás több huzalt jelent, ami nagyobb ellenállás és emiatt a veszteség is több lesz. Továbbá a nagyobb menetszám nagyobb gerjesztést jelent a vasmagnak (nem szerencsés ha betelít), ez egyfajta felső korlát adott vasmag esetén. Nagyobb induiktivitáshoz - és/vagy nagyobb áramra esetleg nagyobb vasmag is kellhet. Nyilván van valahol egy optimum hatásfok tekintetében. Aztán egy másik optimum mondjuk a gyártási költség szempontjából... Aztán egy sokadik.... Ezért írtam, hogy kompromisszum eredmnénye. Persze ha pontosan tudjuk mit akarunk akkor természetesen méretezhető is - pl. adott áram-hullámossághoz.
Még annyit, hogy amatőr körülmények között úgy méretezünk, hogy van egy adott vasmagunk. Mekkora az a legnagyobb induktivitás ami ezen a vasmagon elkészíthető úgy, hogy elbír mondjuk 15A-t, mind a huzal, mind a vasmag telítődése szempontjából...
Ilyenkor pl. meghatározzuk, hogy milyen legyen a huzal keresztmetszete, teletekercseljük a csévetestet, majd úgy állítjuk be a vasmag légrését, hogy biztosan ne menjen telítésbe. (a legjobb mérni az áramhullámosságot üzem közben és így állítani a légrést) Igy kihoztuk az adott vasmagból a maximumot. Azonban a legjobb hatásfokot valószínüleg nem így kapjuk, csak a legkisebb áram hullámosságot. A lényeg: L tekercs méretezésekor nagyon jól jön ha van az embernek egy egy bejáratott, jól használható saccográfja.... A hozzászólás módosítva: Szept 27, 2012
Én ipari tápokban is így csinálom. Sajnos, még nem fordult elő, hogy elegendő idő és sok különböző méretű vasmag álljon rendelkezésre az optimális megoldáshoz... Azt kell használni, amiből sok van... így könnyebben előfordul, hogy mondjuk 3 év múlva nem kell a nyákot áttervezni azért, mert egy új vasmag nem fér be...
A hozzászólás módosítva: Szept 27, 2012
Üdv mindenkinek.Elnézést hogy megzavarom eszmecseréteket ,de lenne egy kérdésem.
Sikerült szert tennem a belinkelt Tápegységre "potom összegért "szerencsés voltam.Azt szeretném kérdezni hogy a pdf lapon azt írják 0-32A CURRENT RANGE.Most ez szabályozható áramkimenetü táp lenne?Mert a fesz az szabályozható 13-18V közt ha pedig szabályozható akkor hogy ,bár kétlem.S utolsó kérdés javithatok e a 240mVp-p RIPPLE & NOISE (max.) értékén.Esetlegesen egy induktivitással?Ha igen miből is lenne célszerü elkésziteni... Elnézést ha kicsit Off voltam de hol érdeklődnék másut ha itt nem. Bővebben: Sp-500-15
Erről van amúgy szó:
Bővebben: Link
A tápod esetében a 0...32A azt jelenti, hogy ebben a terhelési tartományban tudja stabilan tartani a kimeneti feszültséget. Ugyanakkor illik figyelembe venni, hogy így 500W feletti terhelés is kijöhet, amit hosszú távon esetleg nem szeret a táp.
A kimeneti hullámosságon további L-C szűrővel javíthatsz. Pl. PCtápos sárga gyűrűvasmag, kb. 10 menetnyi tekercssel, majd utána legalább 5....10x 2200µF Low ESR kondenzátor.
Szerintem kicsit ferdít a cikk, ugyanakkor nincsenek igazi technikai információk.
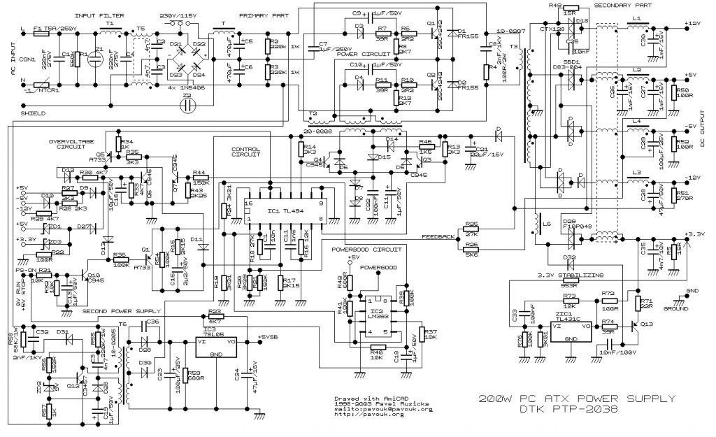
Igen léteznek olyan célICk (és nem csak FSP gyártmányban) amiben egy tokban van a PFC vezérlő, és a pwm táp vezérlő is. Ezzel főleg helyet lehet nyerni a panelon. Az aluminium pedig drága, főleg ezért kicsi a hűtőborda - ha nagyobb lenne akkor pl. még kevesebbet kéne a ventilátornak mennie... Az biztos, hogy egyszerűbb 1db 12V-os ágat stabilan tartani, mint többféle feszültséget egyszerre, szerintem ez az előnye a DC/DC konverteres megoldásnak - a többi feszültség stabilitását azok megoldják. A szekunder oldi kicsi hűtőborda pedig szinkron-egyenirányításra enged következtetni (ami ugye sokat javíthat a hatásfokon). A hatásfok másik kulcsa, hogy talán elhagyták végre az elavult bipoláris kapcsolótranzisztorokat, és FET-et vagy IGBT-t használnak. Persze ha ezt leírnák akkor el kellene ismerni, hogy a hagyományos technológia 20 éve elavult, és nagyon rossz hatásfokú - csak éppen senki nem akarta komolyabban fejleszteni. (és persze a PC tápok zöme manapság is elég ócska)
Bővebben: Link
Itt egy kicsit jobban szemügyre veszik. Szinkronegyenírányítós forward táp, elég jó fetekkel. Nincs valakinek ötlete, milyen topológiát érdemes vállasztani 12-15V -> 2x6V 500mA, 200V 30mA, -1.5kV 1mA, 6.3V 300mA-es stabilizált táphoz? (~16W) Jó lenne minnél egyszerűbb jó hatásfokkal és kis zajjal. (meg kompromisszumok nélkül...) Jelenleg egy önrezgő kvázi rezonáns flyback tűnik a legjobb kompromisszumnak. A royer akkor lenne szimpatikus, ha nem kéne elé egy step-down. Előre is köszönöm!
Na és ehhez mit szóltok? :Bővebben: Link
Ilyenem van, nem mai darab, ahhoz képest?
Hát igen sejthető volt, ezt már csak rezonáns megoldással lehetne überelni.
Amúgy a feladatra kvázi rezonáns flyback a legjobb választás, talán ha kvázi-rezonáns célIC-vel menne, az önrezgő megoldás helyett, azzal lehetne rajta javítani egy kicsit. Illetve egy sima flyback is lehet nagyon jó hatásfokú ebben a tartományban, pl. valamelyik UC384x árammódú meghajtóval.
Szerintem ez a jobb FSP-kben használt kétfetes forward kapcsolásra épül. Az IC egyben PWM és PFC kontroller. Kb. 130kHz-en működnek, szedtem már szét pár ilyet, igaz, azok 300W-osak voltak, és ventillátorosak, de elég szerény bordával, és azok sem nagyon melegedtek.
Üdv mindenkinek
Szeretnék építeni egy kapcsolást ami szerintem ebbe a topikba való de ha nem majd szóltok. Elkezdtem olvasgatni szorgalmasan ezen oldalakat most tartok a 189. oldalnál de az a gyanúm hogy nem fogok találni megoldást. Szeretnék építeni bontott PC-tápból (EI 25 mag) IRF 830 FET + 1 IC négyszögjel generátor amely kapcsolgatná a fettet. Hálózatról kell mennie a teljesítmény max 22 Watt. Szekunderen igen nagy feszültségre van szükség (kb 3 kV ) mivel a terhelés ómikusan 500 kilóom . A szekunderi jel alak nem kritikus csak tű inpulzusoknak nem volna szabad megjelenni ! Ha tudtok megoldást vagy legalább irány mutatást arra hogy hogyan is fogjak hozzá hát nagyon megörülnék neki ! A hozzászólás módosítva: Okt 2, 2012
Hasonlón ügyködöm én is, csak 12V-ról működőn, ami egyéb feszültségeket is ellőállít.
Átfirkantottam a rajzot a te elvárásaidnak megfelelően. Ez egy kvázi rezonáns flyback féleség. Szabályozott, viszonylag csöndes, jó hatásfokkal. 22W-hoz a fet elvan egymagában is. A menetszámokat átszámoltam, a trafó légrését összerakás után kell beállítani úgy, hogy a kívánt 22W-on még ne legyen feszültségesés. Inkább ezt ajánlanám, a hálózatról való közvetlen előállítást sürgősen felejsd el, mert életveszélyes lesz. ui: A vaskeresztmetszettől függően lehet arányosan módosítani kell a menetszámokat majd... A hozzászólás módosítva: Okt 3, 2012
Neked ezek mennek normálisan, mert nekem még egyet sem sikerült működésre bírni pedig több kapcsolással is kísérleteztem? Vagy a FET kezdett el izzani pár másodperc után, vagy a snubber füstölt, pedig a gyári trafókkal próbáltam amik a helyükön mentek. Tetszenek mert egyszerűek, szabályozottak és áramkorlátosak.
Igen, működik. Az első, amit megépítettem még nekem is füstölt, annak a hibáit kiküszübölve keletkezett ez.
A legnagyobb gond az volt, hogy a sönt feszültségfigyelésén csak egy tranzisztor volt, így betudott álni egy stabil állapot a csúcsáram környékén, az elinduláshoz pedig nagyon ki kellett kisérletezni az alkatrész értékeket. A pnp tranzisztorral kiegészítve viszont kb. egy UJT került oda, ez stabilan kisüti a gatet, amíg az elnem éri az ~0.8V-ot. Itt arra kellett figyelni, hogy R5 nélkül csúnya bázisáramok szaladgálnak, amit egy ideig elviselnek a tranzisztorok, de nem tartósan. (Ki lehet küszöbülni ezt is, egy pnp és egy npn áramtükröt kell keresztben szembefordítani) A feltöltés kezdetben R1-en valósul meg. A fet kikapcsolása után pedig a fesz. lassan fut fel C5 miatt, majd a lemágneseződés után szintén lassan fut le. Ez a lefutó él D2-n felfutó élként van jelen, így R4 C4-en keresztül tölti a gate-t. Csináltam belőle 300V-os példányt is. E42-vel 400W-ot átvitt, a kimenet kettős táp volt. Primér oldalon egy FCPF11N60, szekunderen csak 1db STTH806TTI volt. A legnagyobb gondja az volt, hogy sok réz kellett litzéből.
Hasonlókkal kísérleteztem:
Csináltam a tápnak rendes panelt, betettem a csatolt fojtót, ahogy az előzőben is (kb. 2x20-30uH), megpuffereltem a primert (2x680u), a szekunder hidat meg MBR3045-ös Shottky-kból raktam össze, így már mertem terhelni is. A trafó maradt a PC táp trafója, 12V-os tekerccsel. Nameg a tranzisztorokat a 13007-ről lecseréltem izmosabb, 2SC26xx (nememlékszem fejből), szintén PC táp tranyóra. A frekit 50kHz-re sikerült beállítani, nem is nagyon ingadozik (legalábbis az 50-200W tartományban). Kb. 60W terheléssel a + és - között 57,5V, 205W terheléssel 56,7V a kimenő feszültség. Utóbbi terhelést huzamosabb ideig rajta hagytam, mellé tettem egy 9 centis, 12V-os ventillátort, 6V-ról meghajtva ("noise killer"
): a tranzisztorok bordáját hidegre húzta, a diódáké langyos volt. A kapcsolási rajzot már bemutattam, íme egy kép a kész cuccról.
Nem semmi. Gratulálok... vagy ahogy szoktam mondani: fog ez menni...
|
Bejelentkezés
Hirdetés |








): a tranzisztorok bordáját hidegre húzta, a diódáké langyos volt. A kapcsolási rajzot már bemutattam, íme egy kép a kész cuccról. 





