Fórum témák
» Több friss téma |
Fórum » PIC - Miértek, hogyanok haladóknak
Nem tudom látod e de én is ezzel küzdök, csak egy icd2-esben van a 18f4550
Írod:
Idézet: „USB kapcsolatot szeretnék a PC felé PIC-kel.” Aztán: Idézet: „de mihelyt egy bármilyen soros porti programmal szeretnék vele kommunikálni (hiperterminál, ...),” Nem értem, akkor most soros emulációs(CDC)(, vagy USB-s kapcsolatot akarsz? Mert USB-Soros átalakító cél IC-ből van egy rakat és olcsóbb mint egy PIC, na meg egyszerűbb is! Ha valódi USB-t akarsz(pl.- HID), abban pedig kevesen fognak tudni segíteni, mert nem sokunknak sikerül eredményt elérni(ha valakinek igen, az meg mélyen hallgat róla). Van itt az oldalon néhány cikk is, érdemes esetleg beleolvasnod, ha még nem tetted! Van egy ilyen támájú topic is.
Való igaz, először CDC-vel akartam, mert úgy gondoltam könnyebben kezelhetem majd Delphi-ből, de majd később HID-del szeretném, ezért nem átalakítóval, hanem PIC-cel tervezem. A HID-del kapcsolatos néma csend valóban az egész netet áthatja, de nekem sajnos a CDC is elérhetetlen a fenti okok miatt. Mihelyst meg akaromnyitni az adott COM portot, ki is esik az eszköz. A javasolt topikokon való közös tanácskozást én is olvastam, de nem akartam több helyre írni, és ezt pörgősebbnek láttam, valóban oda jobban illett volna.
Tibor
Igen, jobban illett volna, és javaslom, hogy talán fel kéne hozni.
(Link: Ma ha lesz érkezésem kipróbálok egy két dolgot, de nem egyszerű az élet, mert nekem 2550-em van és útálom a bootloadereket! Ezért lehet, hogy belefásulok, mire kiderítem mit kéne átírni a linker fájlokban. Na majd meglátom...
Hello!
Olyan kérdésem lenne, hogy ha kapok egy pic 16f628 at, amin már van meglévő program azt ki lehet belőle olvasni mindenképpen? Vagy esetleg le lehet úgy védeni, hogy más nem férhet hozzá. A válaszokat előre is köszi! Hello! Idézet: „A válaszokat előre is köszi!” Egy válasz van: le lehet úgy védeni.
Ezt csak úgy hallottad valahol, vagy tudod is bizonyítani? Mert mondjuk elektronmikroszkóppal tényleg törhető, de egyrészt olyanja nincs mindenkinek otthon, másrészt ahhoz a chip felépítését pontosan ismerni kellene. A többi módszer meg igen könnyedén buktatható, a PGD lábat meghajtó alsó és felső fetet ki kell égetni, és a program többé biztosan nem jön ki rajta.
bocsi nem ! hanem ?
tudom, hogy nem mindegy! egy kicsit elgépeltem az elöbb.
Régebbi chipeknél még láttam valami trükköket a törésre ilyen-olyan feszültségcsúcsokkal a tápon, specifikáción kívül eső időzítésekkel az órajelbemeneten, stb., de az újabb chipekre nem találkoztam semmi ilyennel. Ez persze nem azt jelenti, hogy nemis lehet, csak egyelőre még nincs ismert módszer.
Reménykedni lehet a végtelenségig...de túl sok esély nincs arra, hogy ki lehessen belőle olvasni a programot. Tehát a remény hal meg utoljára...de mint az sejthető, a PIC nem reménnyel nyílik...
Üdv! Nem tud valaki mondani valamilyen ramot, ami sorosan írható/olvasható, ugy 2 kbyteos, és magyarországon beszerezhető? Azért kellene ram, mert az adatok viszonylag sokszor módosulnak benne, így eeprom nem lenne a legjobb megoldás. PIC-hez illeszteném.
Sziasztok
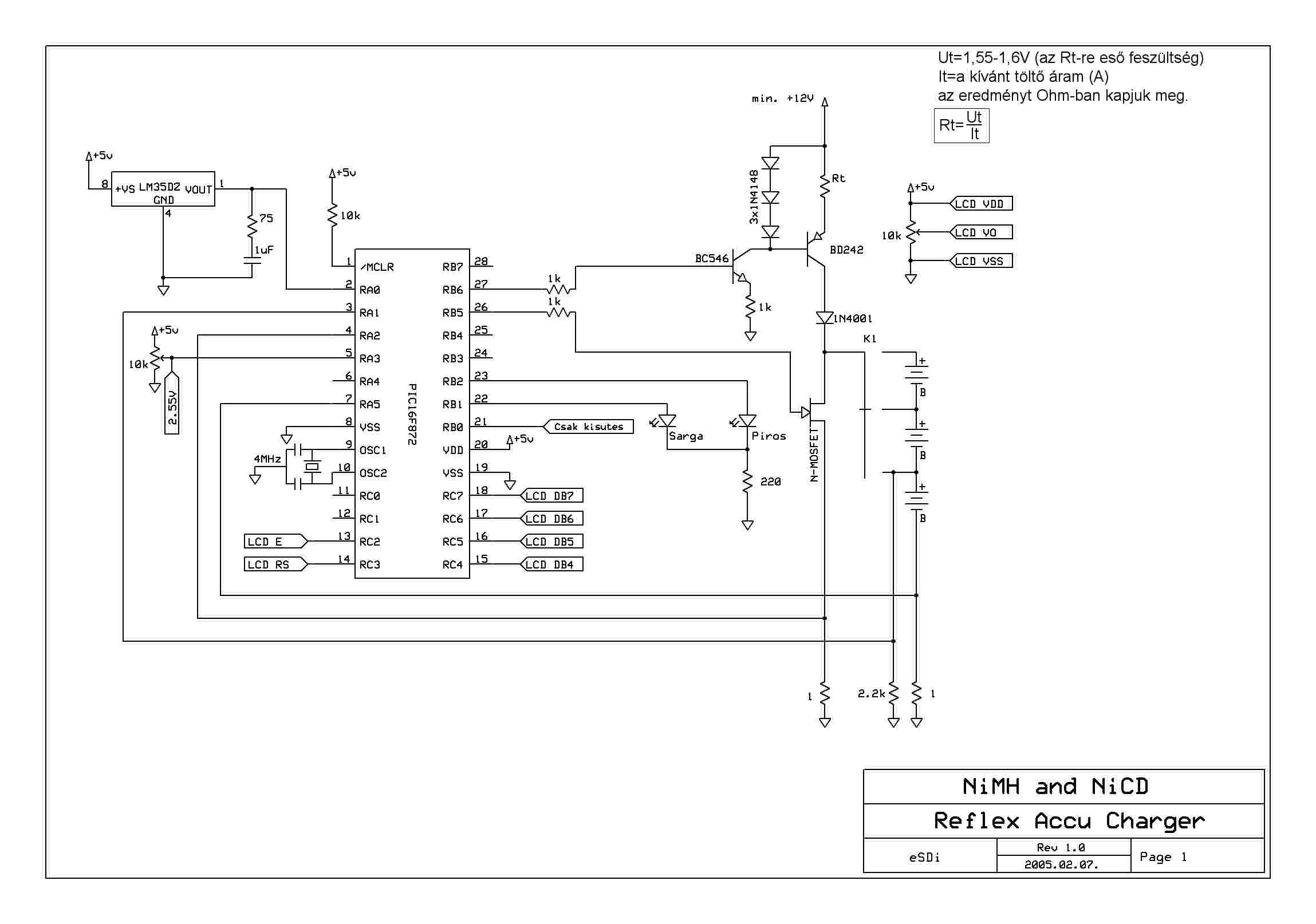
Szeretném ezt a kapcsolást összerakni, de nem tudom melyik PIC-k lenne jó hozzá. 16F872-I/SP vagy a 16F872-E/SP. Ugy is kérdezhetném , hogy mi a különbség a két PIC-k között.
Ezek között konkrétan a működési hőmérséklettartományban van eltérés.
Erről a kapcsolásról bővebb leírást tudnál adni?
Sziasztok!
Új vagyok itt a fórumon és a PIC-ek területén is! AVR-t (fuj-fuj-fuj!!!) programoztam már ASM-ben vagy 10 éve, I2C és LCD vezérlést csináltam. Most a pic jönne. Átfutva a hozzászólásokat jó nagy zavar van a fejemben! Szóval a feladat egy Olimes PIC-WEB es cucc programozása lenne. 18F452 van benne és a MC TCP stack-jét kéne beletöltenem. Ez ugye C-ben van. C-t tanultam az egyetemen írtam pár progit Linux-on (kazán vezérlő stb.), de Linux alatt van rendes fordító. Linux alatt ugye nem fut az MPLAB, tegnap az sdcc-vel küzdöttem nem túl sok sikerrel. Szoval a kérdés: Linux alatt van-e jó fordító (sdcc?), programozó, PIC-PG1 es eszközhöz? és van olyan élő ember aki már sikeresen leferdítette a TCP stack-jét a MC-nek? Köszi és bocs a hosszú HSZ-ért Zsolt
AVR-t ne fújold. Jó az...
![]() Sokminden bonyásabb benne, de azért szerethető. Nézd meg ezt: Bővebben: Link
Persze-persze! Ezt csak viccnek szántam! merthogy egy PIC-es fórumon AVR-t emlegetni, ugye...!
Annak idején 3 ok miatt választottam az AVR-t. Lábkompatibilis (egyes darabjai) a 8055-el, olcsóbb programozó, és szerintem egyszerűbb programozás! Szóval csak vicc volt! De az alapkérdés továbbra is: Valaki forditott már sikeresen TCPstack-et, és Linux alatt mivel fordítok és mivel égetek? Zs
Ezer bocs!
nem láttam a linket!Köszi, megnézem Zs
Valaki le tudná írni hogy kellene ezeket a PIC eket beprogramozni amik ehez a propeller clockhoz tartozik.
Bővebben: Link PIC 16F624 propellernek PIC 16F624 bázisnak és PIC 16F84 távirányítónak A hex fájlok megvannak hozzá és az icprog nevű program csak nem igazán tudom hogyan kell használni.És nem szeretném elrontani. Előre is köszönöm. kevesebb smile-t!!!! szabi83
Kérj meg valakit aki ért hozzá!
(kevesebb smile is elég lett volna, ez itt nem divat! )
Ha nincs pic égetőd, akkor építs egyet vagy kérj meg valakit akinek van, hogy írja meg a cuccot.
Hali!
16F624?? Nem 628 inkább?? Az oldal az én remekművem, itt a HE-n is ugyanazt találod. Van nyitott prc topic is. Az idézett lapomon megtalálod legalul egy egyszerű égető rajzát. Ha sehogy sem boldogulsz írj privátot nekem.
Egy Linux-guru haverom pont webservert programoz egy PIC-re, de annyira visszahúzódó egy "gyerek", hogy alig fórumozik, pedig sok esze van.
Ha jól tudom, csak egy vagy két statikus html oldalt akar megjelentetni egy flash kártyáról. Majd megérdeklődöm hogy áll vele. Nem rossz ötlet, csak én most annyi mindent csinálok, hogy ha csinálok is ilyet, legközelebb csak húsvét után
Köszi az infót!
Igazából a MC oldalán letölthető a TCP-stack jük. Ebbe benne van minden ami kell. http, ftp, dhcp, de minden C-ben van írva. Van egy minta "main.c" amit a PICDEM.net demó kártyájukra is betöltenek. Ez alapban tud egy ftp szervert amivel fel lehet tölteni html oldalt a PIC-re. Ezt el lehet érni http-n keresztült egy böngészővel. Ez az alap demó egy digitális bemenetet, két analóg bemenetet, és két digit kimenetet (LED) kezel. Na ezt kéne nekem kibővítenem 8/8-ra (nyolc analóg be / nyolc digit ki). C-ben meg is irtam (igazából az alapdemót bővítettem) és most "csak" le kéne fordítani és betölteni a PIC-be, illetve az OLIMEX féle PIC-WEB kártyára. Ezt ICSP csatin keresztül lehet programozni. Zs
Mi a probléma, hogy "csak" le kéne fordítani? A C18 fordító ingyenesen letölthető a Microchiptől, felteszed egy windows-os gépre a szintén ingyenes MPLAB-al együtt, és lefordítod. Vannak egyszerű égetők és égetőprogramok, icsp-n keresztül betolod a programot a pic-be. Vagy ha nincs égetőd, veszel egy pickit2-t, és vagy az MPLAB-ból vagy a szintén ingyenes külső szoftverrel beégeted a programot a pic-be. Ha már ilyen fejlesztést csinál az ember, azért egy alap (legolcsóbb) windows-al gépet igazán megengedhet magának erre a célra.
Igen! Igazadvan! Elvileg!
C18 as fordító elvileg ingyenes, gyakorlatilag nekem nem sikerült vele lefordítanom a TCP-stack -et mert a 60-napos "student" verzióval szerintem nem lehet lefordítani. De ha valakinek már sikerült azt örömmel venném, mert akkor én hibázok és nem a szoftver. Másrészt egyszerünek tűnik egy windózeres gépet összerakni erre a célra, de miután én nem windózerezek, így kínszenvedés dózeren bármit is csinálni! Tudom hülyén hangzik, de ha valaki megszokja a UNIX-os szabványokat (fájlkezelés, elérésiút, shell) akkor nagyon bénán érzi magát dózeres környezetben. Zs |
Bejelentkezés
Hirdetés |






nem láttam a linket!





