Fórum témák

» Több friss téma
Fórum » Csöves erősítő készítése
 
Témaindító: seedz, idő: Márc 31, 2006
Témakörök:
Ne feledd betartani a fórum viselkedési szabályait, és a topik megmaradásának feltételeit. [link]
A téma átmenetileg fagyasztva lett, hozzászólni nem tudsz!
Lapozás: OK   1437 / 2208
(#) igi hozzászólása Okt 9, 2012
Üdv Mindenkinek!
Egy kérdésem lenne!
2 - 4W-os SE végfokot lehet (érdemes) fejhallgató erősítőként is használni?
Előre is köszönet....
(#) belaradio hozzászólása Okt 9, 2012
Egy kis segítséget kérnék. Építettem egy ECL82 se erősítőt. Csöves tápot alkalmaztam EZ80 csővel. Kondenzátorok : 47+150+100+220 mikro. Kicsi búgás még mindíg hallható a hangszórókból. Hogyan tudnám ki szűrni ? Előre is köszönöm a segítséget.
(#) havranarpi válasza belaradio hozzászólására (») Okt 9, 2012
100 nF hidegítés?Nekem az segített
(#) Szpisti válasza belaradio hozzászólására (») Okt 9, 2012
Mindenek előtt azt vizsgáld meg, hogy közvetlen a hálózati dugó kihúzása után (amíg van töltés az elkókban és még szól) is hallható-e a búgás.
Ha azonnal megszűnik, akkor a hálótrafó szór valószínűleg.
A csillagpontos földelési szabályokat mindenhol betartottad? Bemeneti kisszintű vezetékek árnyékoltak ? Az árnyékolás egyik vagy másik végét fel kell emelni a földpotenciálról legtöbbször, azt is nézd meg. Fűtésközepelést csináltál ? Azt sem árt ha váltóról fűtesz.
Meg még biztosan lesznek tippek másoktól...

Azok az elkóértékek a legnagyobb fesztől a kisebb felé haladva értendőek ? Mert én eddig fordított sorrendben láttam leginkább.
A hozzászólás módosítva: Okt 9, 2012
(#) belaradio válasza havranarpi hozzászólására (») Okt 9, 2012
Hova tegyem? Az első 47 mikrós kondira párhuzamosan ?
(#) neptunes4you hozzászólása Okt 9, 2012
Még egy kérdésem lenne: EZ az erősítő menni fog EZZEL a táppal? Természetesen úgy értem, hogy csak 240V DC-ig építem meg a tápot...
A hozzászólás módosítva: Okt 9, 2012
(#) belaradio válasza Szpisti hozzászólására (») Okt 9, 2012
Nekem úgy tűnik, ha kikapcsolom , akkor egyből megszűnik a búgás. Természetesen zene nélkül lehet csak hallani . Váltóról fűtenek a csövek , de nincs fűtés közepelés. Gyári rádiótrafó . A fűtés egyik ága a testre van téve . Bemenetnél árnyékolt vezeték van. Az elkók a legnagyobb fesztől értendőek. Nem tudtam , hogy számít a sorrend. De átrendezem , ha kell .
(#) Szpisti válasza belaradio hozzászólására (») Okt 9, 2012
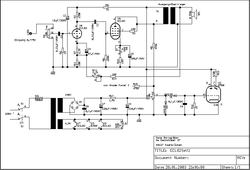
Nem tudom melyik rajz alapján építetted, de ennyi elkót el se tudok képzelni egy ilyen kis teljesítményű és két fokozatú erősítőben.
Nézz rá erre a rajzra , itt is fűtésközepelést alkalmaztak.
A szűrőelkókat kicsit itt is túlzásnak tartom, de persze inkább nagyobb legyen mint kevesebb.

Ja és a "varázsszem" érdekes módon itt is a tegnap általam ajánlott megoldással simán a végcső anódjáról került meghajtásra, nincs szükség semmiféle tranzisztoros erősítő fokozatra. Egyenirányítócsővet meg oda félvezetős helyett... hááát
A hozzászólás módosítva: Okt 9, 2012

ecl82se.gif
    
(#) Szpisti válasza belaradio hozzászólására (») Okt 9, 2012
Itt egy vezetékezési útmutató az ecl82-höz.

A teljes leírás meg ITT található...
(#) FordPrefect válasza belaradio hozzászólására (») Okt 9, 2012
Nem értelmezhető így a kondik beépítése. Simán párhuzamosan vannak kötve, vagy van közöttük R (esetleg L) tag)?
(#) csaba1959 válasza neptunes4you hozzászólására (») Okt 9, 2012
** küldök neked **
A hozzászólás módosítva: Okt 9, 2012
(#) marone hozzászólása Okt 10, 2012
Helló !
Szerintetek a NOS PCL86-nak mennyi a reális piaci értéke ?
Kösz !
(#) belaradio válasza Szpisti hozzászólására (») Okt 10, 2012
Köszönöm a rajzot.
(#) belaradio válasza FordPrefect hozzászólására (») Okt 10, 2012
Csak ellenállások vannak a kondik között. Folytót nem alkalmaztam. Megpróbálok trafót cserélni és utána meglátjuk.
(#) frecsko válasza belaradio hozzászólására (») Okt 10, 2012
A két fűtés vezetéket sodord össze és úgy közepeld ki. Tegyél a pufferkondikra 100nF-os kondikat.
(#) küzmös Gergely hozzászólása Okt 10, 2012
Sziasztok! A PCL86-os erősítővel igen jó kimenőtrafó kísérleteket lehet csinálni! Kipróbáltam több félét,de egyik sem volt az igazi. Itt a fórumon olvastam hogy egy B100-as szalagos magnó hálótrafó egész jól szól (230V/2x17,5V). Nos ugyan van B100,de kifogástalan állapotban,természetesen nem bombáznám szét akkor sem ha az lenne az egyetlen trafóm. Ámde találtam egy nagyobbacska hiperszil trafót. 230/17,5/17.5/14,5/12,5/2,5V-os szekunderekkel. Rákötöttem előbb a 12V-os szekunderre a hangszórót,de nem volt kiemelkedő. Majd a 17,5V-ra.. na ez már igen. Ha eddig a mélyeket valahol is hiányoltam,hát itt megvannak.

P1090323.JPG
    
(#) pucuka válasza küzmös Gergely hozzászólására (») Okt 10, 2012
Hát mégha készítenél egy hozzávaló rendes, tisztességes kimenőtrafót.
A hozzászólás módosítva: Okt 10, 2012
(#) mofesa hozzászólása Okt 10, 2012
Sziasztok!
ECC83 helyett használhatnék PCC189-et?A fűtés bekötése ugyanaz (váltóárammal fűteném)?
(#) pucuka válasza mofesa hozzászólására (») Okt 10, 2012
A fűtés bekötése sem ugyanaz. Az ECC83 -nál a 4 - 5 láb között 12,6 V /150 mA, a PCC189 -nél a 4 - 5 láb között 7,6 V / 300 mA, az előbbi erősítési tényezője u 100, az utóbbié 31. Valamint az anódfeszültsége a 189 -nek kisenbb, mert kaszkád kapcsolásra tervezték. Mindazonáltal használhatod, de más beállítások, és fűtés szükséges. és az erősítése is kisebb lesz. A többi stimmel. A közvetett fűtésű katóddal ellátott csöveket váltóáramú fűtésre tervezték.
A hozzászólás módosítva: Okt 10, 2012
(#) mofesa válasza pucuka hozzászólására (») Okt 10, 2012
Köszönöm.Gondolom,hogy a 9-es lába,meg belső árnyékolás?
(#) pucuka válasza mofesa hozzászólására (») Okt 10, 2012
Jól gondolod, a PCC189 -nél, de az ECC83 -nál fűtésközép. De minden tervezés, építés, változtatás előtt, közben tanulmányozd alaposan az adott cső adatlapját.
A hozzászólás módosítva: Okt 10, 2012
(#) mofesa válasza pucuka hozzászólására (») Okt 10, 2012
Köszönöm,azt fogom tenni.
(#) neptunes4you hozzászólása Okt 10, 2012
Na szóval, EZ az erősítő menni fog EZZEL a táppal? Természetesen úgy értem, hogy csak 240V DC-ig építem meg a tápot...
(#) Szpisti válasza neptunes4you hozzászólására (») Okt 10, 2012
Miért is ne menne? Hisz az is egy EL84PP.
Ha az Edcor trafóhoz hasonlóan 2x180V váltód van, és ragaszkodsz a kapcsolóüzemű 12V tápfűréshez, akkor csináld ugyanígy! De ha van a trafón egy(-két) izmos 6,3V, lehet jobban járnál. A fűtésekre figyelj oda, mit hogyan kötsz sorba ha 12V-ot használsz.
(#) neptunes4you válasza Szpisti hozzászólására (») Okt 10, 2012
Az a helyzet, hogy Edcorra most pont nem telik. Egy kedves fórumozó megtekeri nekem harmad áráért. Ezt félretéve, köszönöm szépen a választ! Ha meglesz a trafó, már építem is!
(#) 6C4C válasza mofesa hozzászólására (») Okt 10, 2012
Szia!

Nagyon más cső, legnagyobb baj, hogy változó meredekségű a 189 Hacsak nem torzítóba akarod építeni, keríts inkább egy 6N2P-t a CC83 helyett egy börzén
(#) mofesa válasza 6C4C hozzászólására (») Okt 10, 2012
Már kaptam róla felvilágosítást,de azért köszönöm.Viszont,ha torzítóba jó,nem tudnál feltenni egy kapcsolást?
(#) pucuka válasza mofesa hozzászólására (») Okt 10, 2012
Ez csak vicc volt, torzítóba igazából nem nagyon jó, de nagy kivezérlés esetén igen nagy lesz a torzítása, de ez nem olyan, amire gondolsz. Ez igen kellemetlen torzítást okoz.
A hozzászólás módosítva: Okt 10, 2012
(#) mofesa válasza pucuka hozzászólására (») Okt 10, 2012
Én is csak vicceltem.Alacsony kivezérlésnél nem "rossz",csak zúg.Ja,és bírja a 170v-os anódfeszültséget az adatlapi 130v-hoz képest.Egy EL84-hez társulva 1watt.Gondolom 130v-nál ez sokkal kevesebb.
(#) pucuka válasza mofesa hozzászólására (») Okt 10, 2012
Azért nem kéne kínozni. A megengedettnél nagyobb anódfesz jól megkínozza a katódot, nem véletlenül szabnak határt. A zúgás, meg nem attól van, már ha a brummra érted.
Következő: »»   1437 / 2208
Bejelentkezés

Belépés

Hirdetés
XDT.hu
Az oldalon sütiket használunk a helyes működéshez. Bővebb információt az adatvédelmi szabályzatban olvashatsz. Megértettem