Fórum témák
» Több friss téma |
DkGrinder köszi! A hoz.szól-kból arra gondolok, hogy ha padlókörökben melegebb a víz, akkor a nyomás növekszik és ezt kellene valami hidraulikus kütyüvel szabályozni. Ezért a 2.verz. rajz részemről butaság lehetett.De akkor az 1. rajznál ki kellene egészíteni, mondjuk egy hidraulikus szeleppel (ha van ilyen: ami csak akkor engedi át a vizet ha nagy a nyomás) a visszatérőbe, a kazánhoz. Előbb inkább ? kellet volna, mert nem is tudom, hogy létezik-e hidraulikus szelep.
u.i.: szelep? + motor + keverő szelep? Ez 3. Mi a szelep és a keverőszelep közti különbség. Bocs a buta kérdésért. A hozzászólás módosítva: Okt 14, 2012
Idézet: „Pl, Esbe VTA 322 1'-os 20-43 C-ig Keverőszelep.” Ezt be ne tedd!! Használj Honeywell vagy Heimeier keverőszelepet motoros vagy termosztatikus fejjel. Az osztón lehessen pontosan szabályozni a tömegáramot. A legkorrektebb megoldás pedig külön hirdaulikus váltó használata. Míg a radiátoros kör 10-15 C dT-vel dolgozik addig a padlófűtés 5-8 C dT-nél működik megfelelően. A hozzászólás módosítva: Okt 14, 2012
Köszi! A hidraulikus váltót - a rajz alapján - hová kell kötni, és milyen típus lenne jó.
És mi a különbségek az egyes keverőszelepek között. Miért nem jó az egyik és miért jó a másik?
A kazánodban van keringetőszivattyú? Ha igen ez eléggé megváltoztatja a bekötési módot! Ilyen esetben nem kerülhető el a hidraulikus váltó bekötése a leválasztás miatt! A másik kérdés az, hogy a padlófűtésed oxigéndiffúzió mentes csővel van-e szerelve mert ha nem akkor mindenképpen kellene bele egy hőcserélő is. Rajzot csak a részletek tisztázása után lehet csak készíteni addig csak találgatás lenne úgy is! Ha a csőről nem tudni semmit, esetleg régebbi műanyagcső akkor bizony okozhat oxigéndiffúziót, így le kellene választani a kazánról egy lemezes hőcserélővel! A második rajzod sem jó alapjaiban sem! Írtam, hogy közvetlenül a kazántól kell indítani a padlófűtés csöveit is. Ráadásul még visszacsapószelep is kellene mindkét kiágazás felé!
Nézd meg a KVS értékét.
Amúgy pontatlan, zajos és ha van utána szivattyú eléggé nagy ellenállást képez neki.
A szelep egy sima két kivezetéses zárás-nyitás között működő szerkezet! A keverőszelep egy három, vagy négy kivezetéses szerkezet ami a víz irányának és az irányokon belüli mennyiségének a szabályzására való! A hidraulikus váltó (hidraulikus kütyü) egy vastagabb csődarab aminek az oldalából alul is és felül is kiáll két csőcsonk, itt van a képe a mellékletben. A keverőszelep képét meg úgy is belerajzoltad az ábrádba!
Köszi!! A kazánom után lett kötve egy ker.szivattyú (3.fokozatú). A cső: szerintem új cső, v.mi ilyesmi van ráírva: ...95C - 10 bars Excepto Espana Lote: M6061519. Leválasztás: úgy értendő, hogy a padlófűtés előtti radiátoroknak nem volna szabad ott lenni? Visszacsapószelepek: a rajz alapján hová kellenek, mely kiágazások után (bocs)?
A hozzászólás módosítva: Okt 14, 2012
Nem olyan nehéz az a rajzolás! A padlófűtés csöveivel közvetlenül a kazán csonkjairól indulj! A cső tipusa sajnos így nem mond nekem semmit sem, ahol vették ott kellett volna azonnal megkérdezni, hogy oxigéndiffúziómentes-e! Ha nem akkor az tönkreteheti a kazánod hőcserélőjét a bejutó agresszív oxigén miatt, ezért célszerű leválasztani. A kazánodban ezek szerint nincs keringető, ezzel meg lehet spórolni a hidraulikus váltót!Ha marad időm csinálok egy mórickaábrát az elgondolásomról!
A csőről holnapi nap többet megtudok. És előre köszi a rajzot!
A hozzászólás módosítva: Okt 14, 2012
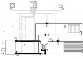
Itt a rajz! Remélem nem zavar, hogy ott egy vezérlő is, ez egy máshonnan átvett rajz, azt alakítottam át!A vonalvastagságok nem jelentenek semmit, a nagy része csak így sikerült!
A hozzászólás módosítva: Okt 14, 2012
Köszi a rajzot, megpróbálom értelmezni
! A hozzászólás módosítva: Okt 14, 2012
? - v.mi keverő? négyutú szelep? ha szelep miért nem 3 utú? (Bocs)
A hozzászólás módosítva: Okt 14, 2012
A NETen utánna nézve: keverő/osztó szelep -pel találkoztam, de csak háromutúval, négyutúval nem.
Pl: Bővebben: Link
És ne keverd a járatú és utú fogalmakat. Itt találsz háromjáratú négyutú szelepet.
Ebből is látható, hogy mennyire nem értek hozzá. Köszönöm, hogy türelmesek vagytok! Akkor sajnos a JZoli rajzát egyenlőre nem értem.
A hozzászólás módosítva: Okt 14, 2012
Nem ismerem a rendzsered sem a kazánod, de véleményem szerint akkor jársz a legjobban, ha a padlófűtés vízhőmérsékletét keverőszeleppel beállítod hidraulikailag egy hidrováltóval leválasztod ezután teszel egy megfelelő méretű fordulatszámszabályzott szivattyút és a fűtőtt terekbe ahova kell oda öntanuló szobatermosztátot teszel. Az ilyen ki-be kapcsolgatós termosztátok mint pl. a kínai computherm el kell felejteni.
Én mint korábban írtam az sem árt, ha lehet tömegáramot állítani és mérni az osztó-gyűjtőn. Szépen belehet lőni vele a rendszert.
Rendszerem: korábban küldtem egy képet: Fűtési kör
Kazán: PROTHERM Medved PLO 30-as, ami nálatok HU (tudtommal) az SD 20-50 KLM/KLO/KLZ valamelyikének felel meg. A többi: Hú... ez nekem, most egy kicsit sokkk (magas). u.i.: Egy meglévő, használatban lévő rendszerről írok. Múlt év karácsonyától 4 gyermekünkkel lakjuk a házikót. ... A hozzászólás módosítva: Okt 14, 2012
És nincs a közelben egy hozzértő ember aki megcsinálná neked? Így vége lesz a télnek mire minden készen lesz és lehet, hogy nem is lesz jó. Ne ránézésre dolgozz hanem pontos számok alapján. Sokat spórolhatsz.
[off] Ez most nem rólad szól. Unom már az olyan "szakembereket" akik ránézésre dolgoznak és sosem számolnak. Persze nem a saját zsebükre tévednek jó esetben sokkal felfelé rosszabb esetben lefelé. Szóval olyan embernek hidd el a szavát aki nem azt mondja, hogy jó akkor ide ez úgy látom jó lesz, hanem műszaki infókat kér és számol. Neked is nemrég ajánlott valaki egy olyan szelepet itt amit nem szabad beépíteni. Oké, hogy csak 12-13e forint egy korrek szelepet meg fejjel együtt nem úszod meg 40e alatt. De hamar behozza az árát. Csak azért is mondom mert pont 1 hete végeztem a saját rendszerem átalakításával (társasházi lakás központi gázkazánnal) és én is sokat rágódtam/tervezgettem, hogy sz@rból hogyan lehetne kisvárat építeni.
Sajnos egyenlőre hozzáértőt nem találtam. Sőt egy "hozzáértő szakemeber" egy thermosztaot is bekötött, mely a kazán vezérelte. Még jó hogy előtte a bekötéseket lefényképeztem, mert 1 napi használat után a kazán el sem indult. A fénykép alapján lekötöttem atermosztatot a kazánba és összekötöttem, amit kellett. Azóta tudok fáteni.
. A rendszerek kialaításakor mindent fényképeztem, videóztam. Aki a fűtést készítette mára már nem tudta, hogy a padlófűtés előtt van 2 radiátor , még jó, hogy lefényképeztem. Azt hiszem keresni kellene nekem egy hozzáértő szakembert, de most nem lenne rá ... szeptemberben gázráfizetésünk 804 Euro volt... még most is nyögjük természetesen. Padlófűtést nem flancolásból akartam, hanem azért, hogy a rendszerünk gazdaságos legyen!!! Még egyszer köszönök minden hozzászólást mindenkinek!!!
Nem tudom honnan írsz, de amit nálad csináltak az a lehető legbetegebb megoldás.
Nem akarlak elkeseríteni, de a kazán minősége miatt nagyon nem fogsz spórolni. A padlófűtés nem arra való, hogy flacoljon az ember (ez eszembe sem jutott). Mellékeltem az elképzelést. Teszmészetesen elzárószelepek (golyóscsap) kell az osztó elé meg ahova gondolod, hogy szerelhető ill javítható legyen a rendszer ill nem rajzoltam nyomás/hő mérőt, légtelenítőt stb... mert ehhez már tényleg látni kell a helyszínt. A hőcserélőt méretezni kell akárcsak a szivattyút is. Az, hogy hogyan lesz kapcsolva a rendszer az egy külön mese.
Ha a kazán mögött egy szivattyút alkalmazol, akkor nem tudod különválasztani, külön körként üzemeltetni a padló- és a radiátorkört. Ha radiátort akarsz csak fűteni, akkor by-passként működik a hőcserélő. Ha padlót akarsz csak fűteni, akkor óhatatlanul fűtöd a radiátorokat is.
Ezzel a kapcsolással rendre találkozom, kényszermegoldásokkal próbáljuk működőképessé, illetve komfortossá tenni. A kényszermegoldás persze sohasem jó, de általában a megrendelő anyagi lehetőségei korlátoltak, pláne egy elcseszett fűtésberuházás végén.
Szlovákiából. Párkány mellől írok.
A kazán minősége azért rossz, mert nem kondenz ? vagy túl van méretezve? Próbáltam megrajzolni a saját rendszeremhez az elképzeléseket (ha jól értettem meg-melléklet). Az elzárószelep az osztó elé... azt még nem értem.. ----Közben lett egy új hozzászólás---
Engedj meg egy tippet, hogy honnan írsz: Felvidék
Néha átjárunk kazánt beüzemelni, javítani, hát csoda dolgokkal találkozunk. Megpróbálok belinkelni egy kapcsolási rajzot, ami neked jó lenne. Ne ilyedj meg tőle, ami neked felesleges, azt ki kell hagyni belőle, pl. medencefűtés, bojler, hőlégfúvó..............
No, a lotto ötösöm lett volna ilyen biztos.....................
A rajzon nincs hőcserélő viszont van hidraulikus váltó ha jól látom és értem.... vagy nem értem....
Hőcserélő VAGY keverőszelep....
Csak keverőszelep........ Hőcserélő ÉS keverőszelep...... Hát ez az épületgépészet egyik nagy kérdése! Erről még az igazán nagyok is órákat tudnak vitatkozni! Hogy kicsit képben légy, próbálok néhány dolgot hozzátenni. A hőcserélő akkor szükséges, ha a padlófűtésed anyaga nem oxigéndiffúziómentes. No, erre keress rá a kuglival, erre az "oxigén..."-re. Bár ez sem egyértelmű, én NOX-os csővel szerelt rendszereknél is találkoztam félelmetes mennyiségű vörös iszappal. Amit belinkeltem, ott a gyártó feltételezi, hogy tényleg jó minőségű, garantált NOX-os csővel szerelték a padlót, tehát nem kell leválasztani. Én szoktam javasolni a hőcserélőt............. A hőcserélő után pedig vagy tesznek keverőszelepet, vagy nem. Ha nem tesznek, akkor jó esetben a primerköri kisebb tömegáramú, magasabb hőmérsékletű víz a fűtésoldali nagyobb tömegárammal alacsonyabb hőfokot hoz létre, és a rendszer így, primitíven is működik. Szokták ezt kiegészíteni a primer oldalon egy termoszeleppel, amit a fűtésoldal kimenőjéről csatolnak vissza, ez egyszerű, de folytja a primerköri szivattyút. Az meg nem jó, ugye...... A precíz (és drága) megoldás a hőcserélő utáni keverőszelep, ahogy "blackdog" is rajzolta a padlófűtési kört, mert így állandó víztömegáramok mellett tudsz változó hőfokot előállítani. De javasolnám, keress egy tényleg hozzáértőt, aki kibogozza a csöveidet.
És még néhány gondolat.
A padlófűtési osztó-gyűjtőkre akkor kell motoros szelep, vagy termoelektromos szelep, ha a köröket külön-külön akarod szabályozni valamilyen belső szobaérzékelőről. A másik észrevételem vagy kérdésem az lenne, hogy a rajzodon az osztó melletti méterek a padlófűtési csövek hosszát jelentik? Mert elég nagy különbségek vannak közöttük. Ezt csak a rövid körök folytásával tudod ellensúlyozni, ami nem az igazi.
Köszönök mindent! Szeretnék találni egy hozzáértőt. Az előzőekre meg csak annyit, hogy gépész az nem vagyok, de fáradt és kellően mérges-a rendszerem miatt.. ezért megpihenek és a témát azért még szeretném a jövőben folytatni, mert még .."Nem adom fel"...
|
Bejelentkezés
Hirdetés |






! 


