Fórum témák

» Több friss téma
Fórum » Nagyfeszültség sorkimenő trafóval
 
Témaindító: (Felhasználó 1306), idő: Márc 1, 2006
Témakörök:
Lapozás: OK   92 / 97
(#) kadarist válasza eber75 hozzászólására (») Szept 30, 2012 /
 
Mi a kérdés?
(#) alfa007 válasza eber75 hozzászólására (») Szept 30, 2012 /
 
AWI hegesztőhöz kellene akkor ez esetben kW-at kell átpumpálni a magon.
(#) Pety_ válasza alfa007 hozzászólására (») Okt 1, 2012 /
 
Csak a gyújtáshoz kell a nagyfesz, utánna 8-18V-ról történik az ív fentartása. Argon
védőgázban. Oljan 20-40W-kellene kimenet neki, és 5-8mm-es szikra lenne az ideális.
(#) alfa007 válasza Pety_ hozzászólására (») Okt 1, 2012 /
 
Akkor az egy tranzisztoros verziót ajánlom, a képek között találsz kapcsolást.
(#) Pety_ válasza alfa007 hozzászólására (») Okt 1, 2012 /
 
Azért ez egy kicsit más! Kellene egy becsatolótekercs is neki, mert ott egyenáram van és a nagyáramú(200A-es vagy nagyobb) diódák nem igazán kultíválják a 10-20kV-ot. De ez már nem ebbe a topikba tartozik. Ha jól tudom ebben a fórumban tárgyaltuk már, rajzokkal meg minden.
(#) Sendi hozzászólása Okt 25, 2012 /
 
Üdv. A következő kérdésem lenne. Javítok egy nagyfeszültséget előállító szerkezetet, (statizáló) milyen lakkot, vagy a javításhoz kitöltő anyagot, ajánlatok a szigetelés helyreállításához?
(#) alfa007 válasza Sendi hozzászólására (») Okt 26, 2012 /
 
Helló.
Az attól függ hogy milyen, és mekkora a sérülés. A sorkimenőket nagyon nehéz javítani, de meglehet próbálni.
A legnépszerűbb szigetelőanyagok: sziloplaszt, lakk, vagy viaszfürdő, epoxigyanta.
A kivezetéseknél 3-4 réteg zsugorcső.

Lényegében a csere a legjobb megoldás.
(#) tdi75 válasza belganarancs hozzászólására (») Jún 6, 2013 /
 
Sziasztok! Ezt én is megépítettem, de valahogy a jó égért sem volt hajlandó elindulni. Illetve hazudok mert ugyan elindult, de semmi komolyabb teljesítménnyel. Szóval éppen hogy elkezdett ciceregni a sorkimenő vasmagja. Amint megpróbáltam ívet húzni a szekunderrel, azonnal leállt az egész folyamat, valamelyik fet kinyitott és csak akkor indult el ismét ha kikapcsoltam és visszakapcsoltam az áramkört.
Lécci segítsetek nekem.
(#) alfa007 válasza tdi75 hozzászólására (») Jún 6, 2013 /
 
Halli. Valószínű hogy a primer kondival lesz gond. Fontos hagy min. 500V-s, v. nagyobb legyen.
(#) tdi75 válasza alfa007 hozzászólására (») Jún 20, 2013 /
 
Ez eddig okés. Nekem 1,5 Kv-os kndival próbálkoztam 33 nanó faradossal, de sajna semmi.
(#) Gyimate válasza tdi75 hozzászólására (») Jún 20, 2013 /
 
Üdv,
Egy kicsit kevésnek tartom azt a 33 nF-ot, nekem 680nF-al ment szépen, próbáld meg nagyobb kondival. Régi monitorokban találhatsz megfelelő értékű kondenzátort a sorkimenő környékén, nekem is olyan van a zvs-ben.
(#) alfa007 válasza tdi75 hozzászólására (») Jún 20, 2013 /
 
33nF? Az kevés, mert nem tartja stabilan a frekit, Min. 300nF kell, vagy nagyobb.
(#) kadarist válasza tdi75 hozzászólására (») Jún 20, 2013 /
 
A C1 az egy 3 µF-os kondenzátor és nem 33nF.
(#) alfa007 válasza Gyimate hozzászólására (») Jún 20, 2013 /
 
Ja, főként sorkimenő primerén van. Általában 1.5kV és 300nF szokott lenni.
(#) nyemi hozzászólása Aug 23, 2013 /
 
Sziasztok .
Lenne egy kérdésem.
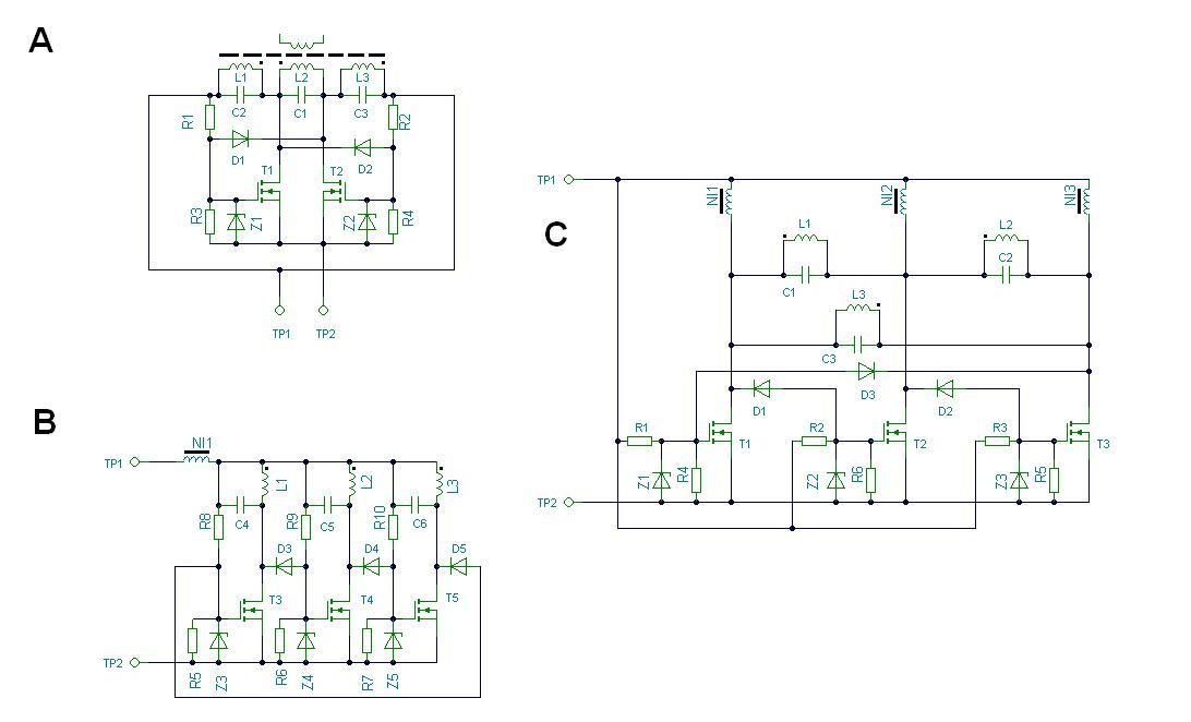
Van ez zvs flyback driver (lásd kép) .
Mi köze ennek a flyback topológiához?
Mert szerintem semmi, inkább push-pull nem?
Pontos működési leírás ha kaphatnék, megköszönném.
Mert nagyjából tisztában vagyok vele de pár apró részlet még homályos.
Például tápágban levő induktivitás szerepe, meg miért, tápfeszültség 3,14 szeresével kell számolni a fetekre jutó feszültséget? Meg akkor a primer tekercsre jutó feszültséget hogy kell kiszámolni?
Vannak erre képletek?
Mert az igaz hogy sokat megépítettem a gyújtásomba, de mindig felborul az elméletem egy pár alkalommal. Amikor megtekert trafó nem azokat a feszültséget adja le amit az ember elvárna.

Válaszokat előre is köszönöm. Üdv nyemi.
A hozzászólás módosítva: Aug 23, 2013
(#) _BiG_ válasza nyemi hozzászólására (») Aug 23, 2013 / 1
 
A flyback topológiához nincs köze, hanem a tévé flyback-trafóját használja, innen a neve. Ez egy önrezgő kapcsolás, működése ITT.

Mellékelek egy kicsit módosított verziót, ebben FET-kímélő megoldás van. Olvastam még, hogy azonfelül célszerű egy 0,5 Ohm-os huzalellenállást (ő is tekercsként viselkedik, plusz csillapít is) is sorbakötni a szűrőinduktivitással a tápban. Ez is a FET-kímélés miatt célszerű. Ezen a rajzon nincs rajta.

A tápágba tett induktivitás egyfelől nagyfrekvencia visszajutását akadályozza meg a táp felé, mert oda nem kell gyors dióda és megterhelné a visszajutó tüskezápor. Másfelől a nagy tranziens áramlökéseket akadályozza meg, mint fojtó, különben a FET-ek eldurrannának.

A Pi használata ebben az esetben a rezonáns működés miatt van, mert a rezgőkörön (a primer tekercsen is) ennyivel nagyobb lesz a feszültség, mint a tápé. Tehát legalább 4-szer nagyobb feszültségű FET kell, mint a tápfeszültség. A voltonkénti menetszámot is így kell kiszámolni (a Pi-vel szorzott tápfeszültséget osztva persze gyökkettővel, hogy effektív érték legyen), ha valaki számolászni szeretne. Nnem egyszerű, mert a képletben szerepel a frekvencia, ami menetszámfüggő (induktivitás! és persze jó lenne tudni a vas μr-jét is...), ha a kondenzátor adott. Tehát célszerű inkább a körülbelüli működési frekvenciával számolni és a "pontos" kimeneti feszültséget a kondenzátorral beállítani - változik a frekvencia. Nem egyszerű, na.
A Bmax legyen 0,2 Tesla. A trafóvasak közé légrés kell!
A voltonkénti menetszám képlet: n = 10000 / {4,44*f*B_max*A_vas}
f : Hz
Bmax : T
Avas : cm2
Lehet 4,44-gyel számolni, mert a jel színuszos.

Upd: persze lehet, hogy a képlet nem ad pontos eredményt, ahogy nézegettem most, kicsit bonyolultabb számolni, de hátha.
A hozzászólás módosítva: Aug 23, 2013

Mazilli2.jpg
    
(#) Collector válasza nyemi hozzászólására (») Aug 23, 2013 /
 
Leginkább egy speciális Hartley oszcillátorként lehet elképzelni, csak 2 tranzisztorral.
(#) nyemi válasza _BiG_ hozzászólására (») Aug 23, 2013 /
 
Szia Nagyon köszönöm a válaszod. Végre tisztábban látok egy kicsit.
Idézet:
„A flyback topológiához nincs köze, hanem a tévé flyback-trafóját használja, innen a neve. Ez egy önrezgő kapcsolás, működése ITT.”


Ja tényleg. Az a fránya angol, hát nem az erősségem az már biztos.

Idézet:
„A tápágba tett induktivitás egyfelől nagyfrekvencia visszajutását akadályozza meg a táp felé, mert oda nem kell gyors dióda és megterhelné a visszajutó tüskezápor. Másfelől a nagy tranziens áramlökéseket akadályozza meg, mint fojtó, különben a FET-ek eldurrannának.”


Hát nem tudom. Én inkább arra gondolok hogy keményen részt-vesz a működésben.
Az elképzelésem hogy a szekunder terheléskor a frekvencia nő mert csökken a primer induktivitása. De, ott a soros induktivitás ami a helyébe lép és csökkenti a frekvenciát ,ezáltal terhelés/frekvencia kompenzálást végez. Ezért az értéke, a fél primer tekercs értékének kell lennie (gondolom) (persze teljesen nyitott szekunderen mért primer). Nem csodálkoznék azon se ha nagy terheléskor egy kis Boost topológia is belekeveredne a dolgokba. Ha meg mégsem, teszünk róla (lásd kép:crazy
Amúgy van pár ilyen elvont ötletem (Lásd kép) , például a két fetet háromra növelni
meg ilyenek, nem tudom hogy működnének e , meg egyáltalán van e értelme(?).
Időm még nem volt kipróbálni őket.



Idézet:
„A voltonkénti menetszám képlet: n = 10000 / {4,44*f*B_max*A_vas}”


A képletet nagyon köszönöm majd kipróbálom. Nem tudom hogy 0,2 Tesla nem sok egy kicsit ? Mert tudnak a vasmagok melegedni elég rendesen. Bár tudom hogy maximum 0,28 de még is. Meg írod a légrést, akkor toroiddal ne is próbálkozzak?
A hozzászólás módosítva: Aug 23, 2013
(#) _BiG_ válasza nyemi hozzászólására (») Aug 24, 2013 / 1
 
Nagyon szívesen.

A soros induktivitás besegíthet a kimeneti feszültség stabilizálásába (a kimeneti feszültség frekvenciafüggő), de ehhez hozzájön a szórt induktivitás is. Sok dolga lehet.

A voltonkénti menetszám képlet a hagyományos trafók képlete, nem rezonáns működésűeké, de hátha használható valamennyire. A 0,2 T ferritvasakhoz szokásos érték.

A légrés kell, mert különben telítésbe megy a vasmag, illetve nagyon változna az induktivitás.
Toroid is lehet, de légréssel

Ahogy utánanézegettem, elég sok megoldás működhet zvs-ként, de az általunk vizsgált megoldás önrezgős, a FET-ek egymást kapcsolgatják. Ide 3 FET? A harmadikat ki és mikor kapcsolja? Mert ugye egy rezgő ciklusnak két vége van, nem három .
(#) fordkapcs válasza nyemi hozzászólására (») Aug 25, 2013 / 1
 
Idézet:
„Például tápágban levő induktivitás szerepe..”

Azokban a konverterekben ahol a félvezetők nyitása között átfedés van (azaz a fetek "összenyitnak") soros induktivitás kell a nagy áramimpulzusok elkerülése céljából. Az említett konverter közel szinuszos feszültséget állít elő, viszonylag jó hatásfokkal, ez soros tekercs nélkül nem menne - tehát a tekercs alapvető fontosságú a működéshez. Tekercs nélkül márt nem az a kapcsolás lenne, hanem telítéses konverterként , négyszögjelhez hasonlót állítana elő, sokkal rosszabb hatásfokkal. A működését szimulátorban könnyű (és érdemes) tanulmányozni. A primer feszültsége a soros tekercsben tárolódó energia, és a szinuszos hullámforma miatt alakul "érdekesen", ha a működését sikerült megérteni akkor már a matematikai alapok sem vészesek.
(#) Csongi_ hozzászólása Szept 18, 2013 /
 
Sziasztok!
Monitorbol bontottam egy sorkimeno trafot, amire ra van irva, hogy: TLF4C64721M, alatta pedig: 39L1073AZ Magasfeszultseggel valo kiserletezgetes celjabol szeretnem bekotni, 2N3055-el kapcsolgatnam a feszultseget, es 555-adna a frekvenciat. Az egyeduli baj, amit nem tudok, az a labkiosztasa, azt nem tudom, hogy melyik a primer. Az ilyen sorkimeno trafoknal ugyanaz a labkiosztas, hagy mindegyiknek mas?
(#) silent15 hozzászólása Okt 24, 2013 /
 
Sziasztok, nemrég bontottam szét egy régi tv-t, kiszedtem belőle a sorkimenő transzformátort, és a képcsövet. Azt szeretném kérdezni, hogy hogyan tudnám feléleszteni ezt a képcsövet, elég jól jönne pár dologhoz, de rendesen képet szeretnék majd megjeleníteni rajta, tehát kell rendesen 15625Hz-es jel, csak nem tudom mihez mit kéne kötni. Szerk; most gondolok egy kapcsolásra, meg a sorkimenő belső szerkezetére.A képcsőröl semmit nem tudok sajna, a sorkimenő kissebb fajta, nem tudm, hogy van e valami szabvány kapcsolás? Remélem fel tudtok világosítani
A hozzászólás módosítva: Okt 24, 2013
(#) kadarist válasza silent15 hozzászólására (») Okt 24, 2013 /
 
Szia!
Idézet:
„de rendesen képet szeretnék majd megjeleníteni rajta”


Ehhez egy működőképes tévékészülék kell. Egy képcsővel meg sortrafóval nem mész sokra.
(#) silent15 válasza kadarist hozzászólására (») Okt 24, 2013 /
 
A képmegjelenítést azt én megoldom, nekem csak egy pont kell középre
(#) kadarist válasza silent15 hozzászólására (») Okt 24, 2013 /
 
A pont az nem kép, miért nem ezzel kezded? Keresd meg a tévé kapcsolási rajzát és építsd újra a sorvégfokozatot. Persze ehhez kell egy jó tápegység is.
(#) silent15 válasza kadarist hozzászólására (») Okt 24, 2013 /
 
Sajnos ez a bajom, semmi adat nincs a tv-ről, kínai, semmi dokumentáció, ezért kérdeztem, hogy van e valami standard kapcsolás?:
(#) kadarist válasza silent15 hozzászólására (») Okt 24, 2013 /
 
De ha nincs adatod, akkor miért bontottad szét? Ott volt beleépítve a megfelelő kapcsolás.
(#) silent15 válasza kadarist hozzászólására (») Okt 24, 2013 /
 
A helyzet az, hogy a panel több rétegű, és volt pár dolog, ami meg volt égve rajta, ezért nem is tudtam visszarajzolni.
(#) alfa007 válasza silent15 hozzászólására (») Okt 26, 2013 /
 
Halli.

Először szükséged lesz a köv, dolgokra:
egy olyan sorkimenőre melynek van dokcsija.
A képcső végén lévő kis panelja
egy tápra a fűtéshez
A sorkimenőn a köv vezetékeknek kell lenni rajta.
NF vez. anódsapkával együtt(vastag vörös vez.)
egy fókusz vez(kicsit vékonyabb)
egy G2(screen) rácsra menő vez.(vékony vörös)
és egy GND kimeneta katódra(az alsó kimenetek közül 6.7.8-láb)
Fontos hogy max 25-30kV mert a fölött röntgencsőként fog viselkedni.
Meghajtás bármi, csak ne ZVS, mert megfőzi az elektronágyút.
Dobok fel pár képet.
(#) ludmanakos hozzászólása Okt 30, 2013 /
 
Sziasztok!
Találtam egy régebbi videót a készítő valami 555-s megoldást és visszacsatolás nélküli tekercselést használ. Elég szép ívet húz vele a trafó.De nem tudok kapcsolási rajzot hozzá. Esetleg valakinek nincs több infója róla?

VIDEÓ youtube
A hozzászólás módosítva: Okt 30, 2013
Következő: »»   92 / 97
Bejelentkezés

Belépés

Hirdetés
XDT.hu
Az oldalon sütiket használunk a helyes működéshez. Bővebb információt az adatvédelmi szabályzatban olvashatsz. Megértettem