Fórum témák
» Több friss téma |
Fórum » Házimozi 5.1 bemenet utólagosan
Helló. Van nekem egy Panasonic SA-HT870 típusú házimozim,de sajnos elromlott benne a dvd része s igen drágán lehetne javítani.Erre a készülékre valahogy lehetne Digitális bemenetet tenni,hogy legalább az erősítő részét s a hangfalakat tudjam használni úgy hogy egy másik dvd-t csatlakoztatok hozzá?Előre is köszönöm aki segit
Sziasztok
Pontosan az előző hozzászólóval azonos kérdésem van, szóval van ez a panasonic Ht850-es házimozi, amibe a játékos már eléggé elavult, viszont maga az erősítő hangrendszer penge. A kérdésem, hogy a játékos és az erősítő az analog vagy digitális úton kommunikál? Mert ha analóg, akkor csak a játékos felöli kábelt kéne elvágni és kikeresgetni a bemeneteket, rca csatit rá és már mehetne is az új dvd kimeneteire. De a másik kérdés a bekapcsolás, valamelyik kimenetet össze kell zárni, hogy bekapcsolódjon az erősítő? Mielőtt szétvágnám, jó volna ezekkel tisztába lenni. Persze egy lábkiosztás volna a legfrankóbb, de ilyenről nem is álmodok. Üdv
Bővebben: Link A Service Manual talán segít. Ahogy néztem külön van a végfok, de hogy mit kellene bekötni és mit nem, azt nem tudom.
Teljesen szét kéne berhelni, meg aztán a hangerőszabályzás így se lenne még megoldva, nem beszélve a be-ki kapcsolásról.
Ennyit nem ér az 5.1, akkor már maradok az AUX bement + jackdugó-> tv füles helyére és síma sztereó. (remélem ez azért összejön) Üdv
Sajnos az az előző hozzászólásomat nem tudom már módosítani, így itt a kiegészítés:
5.1-es bemenete nincs, de a SCART csatin meg lehet táplálni stereo audio jellel. A SCART-ba dugsz egy SCART-RCA kábelt, a hangkártyád kimenetére dugsz egy Jack-RCA kábelt. A SCART kábel végén lógó 'Audio in L' és 'Audio In R' bemenetekre bedugod a PC-ből kijövő jelet. Ezután kézikönyv 20. oldal "A bemeneti forrás kiválasztása" fejezet és tádáááá ![]() Létezik SCART-Jack adapter is, csak az sokkal ritkább, nehezebben beszerezhető. Ha egy komplett házimoziról van szó, miért linkelsz be egy IC adatlapot? A hangkártya csatlakozóit nem fejhallgató kimenetnek hívjuk, azok vonali ki-és bemenetek és mikrofon bemenet lehetnek (esetleg digitális audio), a csatlakozó neve pedig 3,5mm-es Jack aljzat. Az más kérdés, hogy fejhallgatót is be lehet oda dugni.
Na, szóval... Elolvastam a regényed aminek köze nincs a kérdésemhez. A mikrofon benetre hiába dugsz fejhallgatót. Nevezhettem volna vonal kimenetnek is, de ez csak a szavakon lovaglás, mert fejhallgató kimenet... Arra való, hogy fejhallgatót kössenek rá közvetlenül, nem hangszórót. Ezért, ha hangszórón akarjuk hallgatni, akkor kell még egy erősítő.
A kérdésem az volt, amit kérdeztem. Nem a házimozi sztereó bemenetére akarok 5.1-et kötni, mert az lehetetlen, hanem az erősítő IC-re akarom rákötni, mivel vagy az erősítőre kötöm az analóg csatornákat, vagy valahol előtte a digitálisat, de annak az IC-nek nem találtam meg a lábkiosztását. A hozzászólás módosítva: Okt 26, 2012
Nem analógot akarok digitálisra, hanem 5.1 bemenetet az 5.1 erősítőre, amin nincs se digitális bemenet, se semmi, csak a Scarton a sztereó. A hangkártyán van digitális, és analóg kimenet, úgyhogy e-részről mindegy. Mivel nagyrészt SMD az egész lap, egyszerűbb lenne 1-2 vezetéket rögzíteni, mint 5-6-ot, de mindegy, hogy analóg vagy digitális, csak működjön.
Szia! Ebben is STA515 a végfok. Pillants bele, látni fogod mennyire bonyolult dolgot kérsz, esetleg rájöhetsz, hogyan lehet vele digitális kapcsolatba lépni.
A hozzászólás módosítva: Okt 26, 2012
Sehol nem írtam olyat, hogy a mikrofon bemenetre dugj fejhallgatót (vagy "benetre" ahogy írtad). Az vonali kimenet és kész (az van mellé írva: Line Out)
A "ráforrasztok 1-2 esetleg 5-6 vezetéket" típusú eljárás nem megoldás esetedben.
Digitális illesztési opció: kell a cucc teljes kapcsolási rajza, kell egy kodek IC amivel pumpálod a központi uProcesszort a digitális adatokkal és beáldozol egy lejátszási funkciót vagy építesz még hozzá egy digitális jelválasztót. Analóg opció: az analóg jelre kell építeni egy kapcsolást ami a digitális végfokot pumpálja az általa elvárt PWM jellel.
Van amire Line out-ot írnak, van amire fej/fülhallgató kimenetet, de egyforma jel jön róluk.
Mivel működik, meg van benne minden ami kell neki a működéshez. Analóg út akkor a PWM miatt bonyolultabb, mert minden csatornára külön kéne átalakító. Viszont digitális jelet kap az USB, és Lemezjátszóból is, köztük 5.1-es digitális jelet is kap valahol, mert le tudja játszani, vagyis valami az 5.1-es digitális hangot átalakítja PWM-mé, és ide kéne kötni. Ha nem játszok semmit, akkor csak azt kapja, amit rákötök.
Kellene egy kapcsolási rajz, vagy legalább azt kideríteni, hogy a központi processzor valamilyen módon képes-e fogadni S/PDIF vonalon audiót. USB kizárva az teljesen más kommunikációs protokoll. DVD lejátszáskor az adatok nem mennek külön videó és audió csatornán, hanem egy bitfolyamban kapja meg a mikroprocesszor és végzi a kódolást, így ide sem tudsz bekötni egy plusz digitális jelet. Esélyed akkor van az egyszerű barkácsolásra, ha van az erősítőnek egy "nagytestvére" amelyiken van digitális audio bemenet és ugyanarra az alaplapra épül a két eszköz. A nyákon van esetleg nyoma nem beültetett csatlakozónak?
Neked semmi sem jó, hamar meg lehet tanulni azt a pár koreai jelet
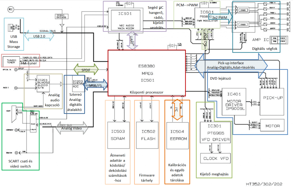
![]() A PS9829 egy PCM-->PWM konverter. Digitális PCMet képes fogadni és a PCM legfeljebb sztereó lehet. A hangkártyád SPDIF kemenetén a sztereó jel jön csak PCMben, az 5.1-et már tömörített DTS vagy Dolby Digital formátumban lehet átküldeni. A DTS és Dolby kicsomagolást végzi az ES8380 és 3x2 csatornás PCM audióval pumpálja a PWM modulátor ICt, PS9829-et. Lehet megint sokat írok, csak arra akartam kilyukadni, hogy 1-2 vezeték és néhány passzív alkatrész felhasználásával ezt a problémát sajnos nem lehet megoldani.
De, ha van hozzá biztos helyes videó, amin jól látszik, mit választanak, és megállíthatom lépésenként, vagy bekarikázzák a jeleket amire menni kell minden képen, úgy már lehetne telepíteni, de attól még a menüben magyar, de minimum angol támogatás kell legyen, ami kiválasztásához ugyanilyen segédlet szükségeltetik, amit ahogy FW-t ezt sem lehet találni.
De ha a Dolby kicsomagolást az ES8380 végzi, akkor az olyan jelet kap, amilyet kell nem? A lemez, és USB meghajtóról nem közvetlen gondoltam én sem, hanem úgy, hogy mind a kettőn játszhatok le 5.1-es médiát, ami végül ugyanott lyukad ki. Szóval, pont mivel nincs olyan menüpont, hogy SPDIF, ezért azokat a menüket lehet választani, amik vannak, ezzel be lehet kapcsolni az IC-t, hogy fogadja azt a jelet amit onnan kapna, de mivel nem indítok el semmit, nem onnan kapja, hanem a hangkártyáról. Mert akkor a meghajtó, és USB-ről lejátszott dolby jel is az ES8380-ba megy ha jól értem. Idézet: „De ha a Dolby kicsomagolást az ES8380 végzi, akkor az olyan jelet kap, amilyet kell nem?” Igen, minden bizonnyal hiszen működik a rendszered, de a jel amit kap az nem DTS/Dolby kódolt SPDIF. Idézet: „fogadja azt a jelet amit onnan kapna, de mivel nem indítok el semmit, nem onnan kapja, hanem a hangkártyáról.” Ez nem így működik, egyrészt digitális kimeneteket nem szabad direktben összekötni, mert az aktív forrás áramot hajt át a kikapcsolton, ezzel tönkre is teheti azt. Másrészt ha nem ugyanaz a kommunikációs protokoll amit használnak, vagyis nem ugyan azt a nyelvet beszélik akkor nem fogják érteni egymást. Mint ahogy azt már egyszer leírtam, sem az USB porton, sem a DVD meghajtó interfészén nem tudod megetetni az ES8380-nal az SPDIF-et. Magyarázat gyanánt kicsit kommenteztem a blokkdiagramot (a nyilakba írtam a kommunikációs protokoll nevét), talán ebből már látszik, hogy csak egy egyszerű út van, az pedig az SPDIF bemenet felélesztése és firmware-es támogatása.
Köszönöm! Akkor melyik a legegyszerűbb, és olcsóbb megoldás? SPDIF-3x2 PCM, vagy SPDIF-3x2 PWM, vagy 3x2Analóg-3x2 PCM, vagy 3x2Analóg-3x2PWM átalakító? Tekintve, hogy FW nincs.
Az analóg --> PCM a legegyszerűbb és legolcsóbb. Csatornánként egy műveleti erősítő szintillesztésnek, utána egy NE555 mint PWM modulátor.
Az S/PDIF-en érkező DTS vagy DolbyDigital kicsomagolásához mindenképp kell egy dekóder IC ami nem olcsó, nehéz beszerezni és nagyon sok lába van. Az analóg-->PCM a középút, kell hozzá három ilyen PCM Audio ADC, amit akár mintába is meg lehet rendelni a ti-tól.
Nem vagyok otthon ilyen külföldi rendelésekben.
Elnézést, természetesen az első sorban PWM-et szerettem volna írni, azaz az első mondat így hangzik helyesen: Az analóg --> PWM a legegyszerűbb és legolcsóbb.
A hozzászólás módosítva: Nov 14, 2012
Kapcsolási rajzot tudsz? De csak akkor jó, ha ettől nem torzít, és nem lesz zajos.
Idézet: „csak akkor jó, ha ettől nem torzít, és nem lesz zajos” Ilyen megoldás nincs! Minden alkatrész, vagy akár darab vezeték, amit a jel útjába teszel, az saját átviteli karakterisztikával rendelkezik, veszteséges, torzít, zajos, ez kiküszöbölhetetlen, de nem mindegy a mértéke.Ha ezt elfogadod, és be tudsz lőni magadnak egy zaj/torzítás szintet ami alatt megfelel az áramkör, akkor lehet találni megoldásokat amik nem rontják a hangképet zavaróan, de ezeket is el lehet rontani egy rosszul tervezett nyákkal, rossz alkatrész elrendezéssel, igénytelen megvalósítással. Az NE555 adatlapjában benne van a PWM kapcsolás, viszont használj TLC555-öt, ez 5V-os CMOS így az illesztés a végfok felé megoldott és tuti nem lesz gondod 1.2MHz-ig. A műveleti erősítős előfokozatnak annyi dolga van, hogy betegye az audio jeledet 0-5V közé, erre találsz kapcsolásokat az interneten. Esetleg nézz be ide: link Jó építgetést.
Kapcsolás van az adatlapban, de méretezés nincs. Honnan tudjam, milyen frekvenciára kell méretezni a házimozihoz? Megnéztem a rajzot. Van 1 ellenállás, és kondenzátor, aminek nem tudom, milyen értéke kell, hogy legyen, és nem tudom, mit kéne a Triggerre kötni.
Az erősítő rajzában valahol láttam, hogy van PWM CLK ami 96 kHz, azt kell kötni a trigger bemenetre, ennek megfelelően az ellenállás 1k és a kondi 4,7n.
Segitsêgre lenne szüksêgem a Thomson dpl907vd tipusu hâzimozimba szeretnék utolagosan 5.1 analog bemenetet fabrikálni de sajna nem tudom eldőnteni hogy analog ic vagy digitâlis mert ugye akkor nem igazán lehetséges a dolog. Ebben kérném a szakértelmeteket az ic egy sta505 itt van pár foto is
Hello!
Az STA505 egy félhidas digitális erősítő, a bemenetén pilzus szélesség modulált (PWM) audio jelet vár, amit a házimozidban az STA308A állít elő a digitális adatfolyamból. Utólagos analóg 5.1 bemenet fabrikálása erre a készülékre nem lehetetlen, de idő-pénz-munkaigényes. Két megoldás van: 1. a 6 analóg csatornából előállítod a 6 PWM jelet amit az STA505-ök várnak, vagy 2. az analóg csatornáidat digitalizálod egy külső áramkörrel úgy, hogy azt az STA308A megegye. Továbbá meg kell oldani a bemenetválasztást, ha nem kizárólag az 5.1-es analóg bemenetet szeretnéd erősíteni.
Üdv!
Adott egy 5.1-es dvd lejátszó erősítővel. Egy olyan kérdésem lenne,hogy azt hogyan tudnám megoldani,hogy rácsatlakoztathassam a számítógépre zenehallgatás céljából? Sajnos nincs rajta ilyen bemenet.Semmilyen bemenet nincs a dvd lejátszón de lehet csak én nem találom. Én arra gondoltam hogy magát az aktív szubládát kötöm csak rá a számítógépre. Ehhez pedig egy külön kialakított kábelt csinálok. Itt Bővebben: Link a "FROM MAIN UNIT" csatlakozó vezetéket alakítanám át. Ezt lehet? Ennek a kábelnek egyébként mi a pontos neve ? Megoldható ez?
Szep napot mindenkinek!
Szereztem egy LG hazimozi-rendszerbol bontott erositot. Elvben ugy lehetett csak mukodesre birni, ha ossze volt kotve magaval a dvd lejatszoval. Bemenetkent egy 9 lyuku csatlakozo szolgal. Valahol itt kezdodik a problemam, mivel se on-off gomb nincs rajta, se egy poti, amivel a hangerot szabalyozhatnam, mivel ezeket a lehetosegeket a lejatszo adta hozza ezen a csatlakozon keresztul. Szeretnem mukodesre birni a kutyut, az elvarasom az lenne, hogy lejatszoja nelkul, aux bemenetekkel ellatva mukodjon, mint hangerosito. Esetleg egy kezi szabalyzot beleepiteni. Mellekelek par kepet, nem tudom, hogy elegendo informaciohoz jutottatok-e a leirasbol, ha nem, utana nezek a dolgoknak. Elore is koszonom!
Sziasztok, most vettem egy Samsung smart tv-t (UE40H5500) és kaptam egy Dimarson 5.1 -et. Amit szeretnék elérni az az hogy a Tv Hangja a hangfalakból szóljon de úgy hogy közben a TV saját hangszórója is működjön. Tudom hogy meg lehet így csinálni mivel egyik ismerősömnek is hasonló módon működik csak még régi Tv-vel. Az az egyik probléma hogy a TV-n van optikai kimenet de a házimoziban nincs. Milió módon próbáltam összekötni de nem sikerült. Meg lehet e oldani azt hogy egy optikai kábelt dugok a TV-be és valami átalakítóval teszem az 5.1 Audio -be, Vagy valami más ötlet ?
Kép ként a TV és a Házimozi hátulja. Köszönöm a Segítséget előre is. |
Bejelentkezés
Hirdetés |


















