Fórum témák
» Több friss téma |
Fórum » Erősítőhöz való hangsugárzó védelem (koppanásgátló)
Témaindító: Thom, idő: Márc 14, 2006
Témakörök:
Szia értem így már köszönöm a magyarázatot.
Akkor cseréljem ki esetleg kisebbre 6.2V-osra esetleg? Ha 0.6W-os lesz a két 10 Ω-os ellenállás az is megfelel vagy ez már kicsi teljesítmény azért?
A késleltetés ideje akkor növekszik, ha magasabb feszültségjelölésű zenert használsz.
Az ellenállást próbáld ki, ha az 5W-os semmit nem melegedett, akkor a 0,6W-os várhatóan bírni fogja. 10 és 100 ohm között más értékkel is kísérletezhetsz.
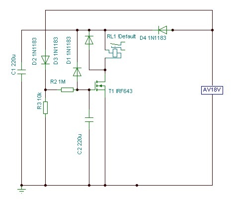
Hello!
A végleges rajzot fel tudnád tenni? (A végén a relé lábakon mit cseréltél?) reloop-hoz: +/-33 illetve +/-66 volt esetén milyen zener? Üdv: az amatőr
Szia!
Pont ma rajzoltam meg véglegesre a rajzott eddig variálgattam kicsit a késleltetésen. Így körülbelül 3.5-4 másodperc között van a bekapcsolás és teljesen csendes semmi zaj búgás koppanás Sprint Layout-al meg tudod nyitni a fájlt. Itt megtalálod az eredeti rajzot ami az enyémnek is az alapja itt össze tudod hasonlítani hogy mit kellett módosítanom nekem. reloop megszeretném köszönni neked a rengeteg segítséget nagyon hálás vagyok értük.
Ez a kapcsolás nem igazán passzol az STK4050-hez. Itt csak a csatoló kondenzátor miatti koppanás oldódik meg. Nem figyeli a kimeneti egyenfeszültséget, és a túlterhelést sem.
Hello!
Ez nem a 4050-hez kell. Azt ha lehet egyben szeretném letudni mindennel. Ez egy másik cuccba kell pótlólag. Üdv.
A 33V-os táphoz tökéletes lesz az időzítő azokkal az értékekkel melyek Laci NYÁK-rajzán vannak. 66V-nál a 150k értékét növeld 220-270k-ra. Mindkét esetben az adott relé névleges tekercs-feszültségéhez kell az előtétet méretezni.
Sziasztok!
Elég sokféle hangfalvédőt lehet találni a neten, de miután annyira nem vagyok jártas a témában ráadásul van amelyikről azt hallottam, hogy nem úgy működik, ahogy elvárható lenne egy ilyen szerkezettől, ezért szeretnék tőletek tanácsot kérni ezügyben! Valami biztosan megfelelően működő, de nem túl bonyolult kapcsolást keresnék. (Dansk Hifi 3535 erősítőhöz, Orion HS280 hangfalpárhoz) Köszönöm
Sziasztok!
Megépítettem a mellékletben levő koppanásgátlót,de nem vagyok tőle elragadtatva. 12V-os tápfeszültség mellett alig kapcsol be.A ready led pedig egyáltalán nem világít.Ahhoz hogy rendesen működjön,egészen 24 Voltig kellett emelnem a feszültséget.Persze ekkor már a 7812est megkerültem. Mit lehetne tenni hogy normális működésre bírjam 12V mellett?
Szia! Gondolom ezt építetted. A próbánál a bemeneten lévő kondikat ki kell sütni, ha nincs erősítőn használj rövidzárat. A ready LED világításához R6-on nagyobb feszültségnek kell esni mint a LED nyitófeszültsége. Ha ragaszkodsz a stabil 12V tápláláshoz (ne tedd!) és a reléd is 12V-os akkor R6 helyén alkalmazz átkötést, a ready LED-et pedig kösd kb. 1k ellenállással T1 kollektorára.
24 V semmiképp nem maradhatott,mivel igen erősen felfűtötte a relé tekercsét.Vissza vettem 18 Voltra és ahogy mondtad párhuzamosan rákötöttem a ledet a relére egy 2.7kOhmos ellenálláson keresztül.Már jól működik,köszönöm!
24V-hoz R6-ot is módosíthattad volna nagyobbra.
Hello!lenne egy 300W-os vegfok 4ohmos ha lenne valami terv ra akkor segitetek?kössz
A hozzászólás módosítva: Nov 9, 2012
Szia! Úgy számolom 60-70V tápod van. Erről elég veszteségesen lehetne mondjuk 24V-os relét működtetni. Nem tudnál valamely szabványos relé feszültséghez tápot biztosítani?
de csak milyen relét tegyek bele es milyen kapcsolast ami 300W-ra jo
j A hozzászólás módosítva: Nov 10, 2012
A 300W a kapcsolás szempontjából közömbös, a koppanásgátlás és kimeneti egyenfeszültség figyelés minden védelemben hasonlóan működik.
Nyugodtan válogass a képmellékletek kapcsolásai közül.
Sziasztok nem tudtok egy légszerelhető koppgátló rajzot egyszerűt csak a késleltetés a lényeg,sima tranzisztorral.Köszönöm
Ez alkalmas a feladatra..
A hozzászólás módosítva: Nov 22, 2012
Régebben ezt használtam, ha tényleg csak késleltető kell akkor jó lesz.
Aztán később azért építettem rendes védelmet.
Bővebben: Link Ezt a kapcsolást megépítve, és erőssítőbe szerelve olyan problémám adódott, hogy a protect led nem alszik ki, de a relé meghúz késleltetve, és elenged rendesen kikapcsolásra.
Ill mit kell megváltoztatni, ha nem +-36Vról hanem +-48Vról akarom használni? Mert az ellenállások így eléggé melegednek.
Szia! Túl nagy a reléd áramfelvétele, tippelem 12V-osat raktál bele. Kapható 48V-os relé, azzal semmi gondod nem lesz.
Nem 12Vos hanem 24Vost. Pont azért is örültem, hogy 24Vos relét ír a rajzon, mert az egy külön panelen van gyárilag.
24V-os jó bele, ha nem alszik ki a led, akkor ott valami nem stimmel. 48V-ról ne járasd az sok neki.
Azt gondoltam, hogy sok neki, ezért is írtam, hogy milyen elllenállásokat kellene átszámolni, hogy jó legyen.
Néztem más rajzot is (itt is fentvan az előző oldaon) ami ugye +12Vról megy, csak azzal meg a bajom, hogy nincs benne az a rész amikor kikapcsoljuk rögtön leold a relé is. És az a rész is fontos lenne nekem.
A 24V ellenére is lehet viszonylag alacsony a tekercsellenállás.
T1 kollektor-emitter feszültségét mérd meg behúzott relénél, valamint a relétekercs ohm-ikus ellenállását (ezt természetesen kikapcsolt állapotban).
Üdv! Megépítettem ezt az áramkört, de nem működik. Hiába adom rá a váltófeszültséget, nem történik semmi. Ezt mi okozhatja?
AC-t is adsz neki?
Azt mondom, hogy hiába adom ré az AC-t nem történik semmi, de szemlátomást nagy az AC oldali áramfelvétel.
|
Bejelentkezés
Hirdetés |












