Fórum témák
» Több friss téma |
Fórum » Ki mit épített?
Ez a téma ha úgy tetszik a mi "kiállítótermünk", nem pedig a ki mit csinált volna másképpen, mások helyett, és legfőképpen nem javítós téma.
Minden készüléknek van saját témája, ott kell kitárgyalni a részleteket!
FONTOS! A kapcsolási rajzok keresésére is van saját téma, ott keressetek rajzokat!
Én már agyalok a következő (vfd csöves ) óra programján
![]() 6 icipici vfd csövecske és smd-s panelre építve . Egymás mellett olyan lesz mint Dávid és Góliát A hozzászólás módosítva: Nov 26, 2012
Úgy látom továbbra is ragaszkodtok a közvetlen hálózati táp alkalmazásához, nem érdemelné meg egy ilyen szép óra a töpefeszültségű kapcsolóüzemű tápot, hogy az építése bárki számára biztonságos maradjon? Volt már egy-két elpukkant nixis óra emiatt.
Ígérjük a következő már kapcsitápról fog futni , a pici vfd csövek mellé nem is férne el a nyáktrafó
Szia,
Megmaradtak az eredeti tudás/funkciók vagy kibővítettétek? üdv.
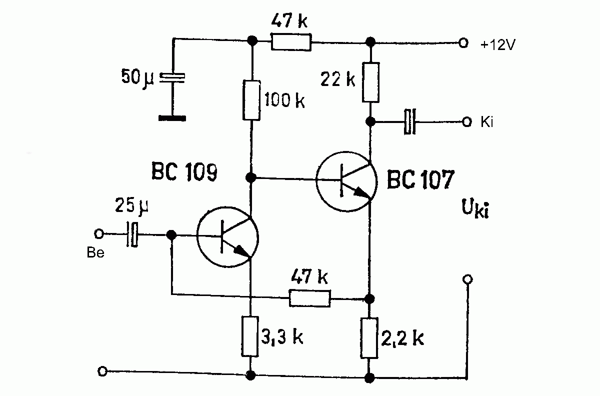
Mikrofon előerősítő. Olyan kicsi lett, hogy a vicsys logóból, csak a Vic fért rá.
Jó lett, bár van egy elpazarolt sarok is.
Hát még ha 0603-as vagy 0805-ös ellenállásokat használtál volna, meg kerámia vagy tantálkondikat az elkók helyett...
Öreg vagyok én már a kicsikhez... Ezt is nagyítós fejpánttal szereltem.
@Zoli! Ott lesz egy csavar, de nem tudom minek...?
Ki az a Zolikukac?
Csak Janikukac van nem? ![]() Amúgy ez túl nagy Viktor, nem gondolod? Viccet félretéve, nagyon szép munka! Azért a szennyeződéséket takarítsd el valahogy!
Az kukacZoli!
![]() Szerintem is nagy. Nem takarítom le, mert a szoba másik végéből nem látszik... A hozzászólás módosítva: Nov 27, 2012
Ja, értem. Akkor majd kap egy dobozt, és tényleg nem fog látszani semmi.
400L-es, fagor mélyhűtőt küldj a garancia és számla levelével, mert abba jól elfér.
Na ja. Vagy esetleg a nagy ruhásszekrényt?
Az angol at jele a @, csak mi magyarok mondjuk kukacnak. Név előtt használva: -nak címezve. Azért csináltam ilyen nagyra, hogy jól lásd!
Hello!Segítenél nekem?A nyáktervet és a beültetésit eltudnád küldeni?
Tessék.
Kár az SMD-ért, pár alkatrésznél max magassági méretet nyersz.
Miért lenne kár?? Egy lukat sem kellett fúrnom! Arról meg nem is beszélve, hogy fel lehet ragasztani, mert az alja teljesen sima. Ez kapásból 3 plusz indok...
Hasonlóm van nekem is, csak az nincs épp összerakva.
majd a jövőhéten ha lesz rá időm. OPA 604-el tervezem a végleges változatot összeállítani ,ha jól fog működni. Válogatott tranzisztorokkal. A nyákot úgy terveztem, hogy a darlingtonok együtt melegedjenek. A differősítő szimmetria kezelésére meg egy helitrimmer szolgál majd. Sajnos 4db to92-es sehogy sem akart összecuppanni egy felületre ![]()
Sziasztok!
Elkészültem életem első beültetett paneljével, igaz ide kellett volna tennem a képet, de már máshova történt. panelmérő
köszönöm
Beindult a kábelkövető fűnyíró! A projekt akár már kész is lenne, mert ha bekábelezném a kertet, akkor csinálná magától. Sajnos a fű növésére még kicsit várni kell, addig is fejlesztem tovább a fűnyíró topikban.
http://youtu.be/TfSSymewMnc Bővebben: Link
Szia szép lett esetleg egy kapcsolásirajzot tudnál adni?
Hát ez eszméletlen jó lett.Gratulálok!
A kábelt ha elásod nem túl mélyre, mondjuk 5 centire, akkor is tudja követni?
Kösz!
A próbálkozások szerint kb 10 cm-ről is van értékelhető jel. A kábelt (a kiskutya pórázát) 40 kHz-el hajtja meg egy 555-ös, kicsit simítva. Egy bontott TDA2009A löki a teljesítményt, ha hídba kapcsolnám, még mélyebbre lehetne ásni a drótot, hogy el ne vágja A részleteket majd leírom a fűnyíró topikban
Jó lett csak mintha a füvet nem vágná.
De ha rám hallgatsz ne a vezetéket kövesd le vele bár lehet , hogy ezt érzékeli azért követi.Nos porfestékkel köröket festeni a fűre , és szépen körbe körbe menve vágná le a füvet .Persze ehhez más jelegű elektronika kell Én ilyet láttam anno , és persze a sofőr nélküli alkatrész továbbító kocsik is így működnek bizonyos gyárakban a csíkot követik .
Persze, hogy nem vágja, ez még csak kísérleti példány.
Baromi jól nézne ki a fű fehérre csíkozva . Különben az ilyen kocsik is kábelkövetők, a padlóban csatornában fut a drót. Azért átolvastam a vonalkövető topikot, sokat lehetett tanulni belőle.
Infra adó+vevővel láttam ilyet a vonalról visszaverődő jelekkel közlekedett , ha nem volt vonal arra nem ment tovább , és arra ment tovább amerre vonal volt.
|
Bejelentkezés
Hirdetés |








Csak Janikukac van nem? 
Nem takarítom le, mert a szoba másik végéből nem látszik...



A részleteket majd leírom a fűnyíró topikban
. Különben az ilyen kocsik is kábelkövetők, a padlóban csatornában fut a drót. Azért átolvastam a vonalkövető topikot, sokat lehetett tanulni belőle. 