Fórum témák
» Több friss téma |
Fórum » MIG/MAG/Co2 hegesztő készülékek házilag
Témaindító: electorkalandor, idő: Feb 19, 2009
Témakörök:
És itt egy gyári gépkönyv. Ötletet ebből is meríthetsz.
Elküldöd nekem is? Az e-mailemre mehet ami az adatlapomon van.
A letöltő linket bemásoltam a privátodra amit Mpistinek és Banoo-nak feltöltöttem. Pár napig és azthiszem 5 letöltésig nem törlik le a toldacuccot-ról...
Köszi a segítséget! Tanulmányozom.
Szeretném még kérdezni, hogy félig vezérelt tirisztoros szekunder köri szabályzásnál a tirisztorok és diódák paraméterei mennyire kritikusak? Van 150 és 200A -es diódám és tirisztorom is több db, viszont két egyforma jelzésű az nincs sajnos... Túlméretezés esetén(1-1 darabja elbírná az egész hegesztőáramot) ennek ellenére okoz ez gondot? A hozzászólás módosítva: Nov 28, 2012
A különböző típusokkal az a baj,hogy a szimmetrikus meghajtójelre különféle képpen reagálnak. Amelyiknek kisebb gate áram kell, előbb gyújt,később kapcsol ki, emiatt a vas nem lesz szimmetrikusan terhelve. Tehát tirisztorból mindenképpen azonos típusokat kellene használni, ha a diódák különbözőek az nem túl kritikus.
Még egy doksit küldök. Az ebben szereplő tolókártyákat magam is megépítettem több példányban is. MIndig első "rugásra"indultak.
Valamint a gép rajza,amelyikben ezek a kártyák előfordultak. Bár 3 fázisú de a vezérlőkör szempontjából ez lényegtelen.
A fene megeszi,valamiért nem akar a rajz felmenni,pedig kisebb 2 MB-nál.
![]()
Nagyon szépen köszönöm hogy fáradoztál az összegyüjtéssel,feltöltéssel,remélem tudok segiteni majd én is valamiben.Nemsokára átbogarászom, kiváncsi vagyok rá csak most sogor ujitott egy kis Einhell Co-t-persze üzemképtelenül-elötolója totálkáros mechanikailag.Tudom kis gagyi gép-dehát neki erre tellett,nekem meg jutott a rendbetétel,tuningolás
Én is kezdő vagyok a témában, de sikerült átalakítani a gagyi kínai co-mat a fórum elolvasása után. A használhatósága a gyári állapotához képest fényévekkel meg ugrott. Szerintem olvasd végig a fórumot, mert több kiváló szakember gyakorlati instrukcióival leszel gazdagabb, és szinte borítékolható a siker.
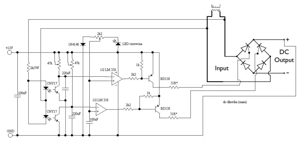
Köszi a rajzokat István! A szekunderköri szabályzásnak a mellékelt rajzról mi a véleményed?
A két 47k potméterrel a tirisztorok együttfutását lehet kompenzálni? Kondit ezeknél is alkalmaznak? Ill. láttam egy gyári gépet közelről ahol volt TY1 és TY2 potméter, ezzel mit szabályoznak? Üdv
Én ezt megépítettem, hétvégén ha minden jól alakul és lesz rá idő akkor kipróbálom. Az áramkörre már korábban is adtam tápfeszültséget, nem volt semmi füst meg hasonlók, csak szkóp nélkül nem tudok jelalakokat vizsgálni, így sajnos élesben kell tesztelnem. Próbaképpen egy 24V-os trafó feszültségét fogom egyenirányítani és szabályozni a tirisztorokkal. Ha működni fog lesz nyákterv is.
Köszi! Addig nem ugrok neki míg le nem tesztelted. Légyszives írd meg mit tapasztaltál. Üdv
Közbe találtam egy projektet ahol 3 fázisról ugyanez a kapcsolás csak egy fetet még alkalmaztak meghajtásnak. Panelterv is van. Avr-ről is van szó de azt nem értem miért kéne egy 555-ös helyett...A hex mellékelve van.
Javaslom, nézzél át a "hegesztőtranszformátor szabályozása" fórumra, Oda Access Denied fórumtársunk most tette fel a szakdolgozatát, ami ezt a témát öleli fel. Nagyon informatív, kiválóan használható a dokumentum, mivel teljes mértékben gyakorlati tapasztalaton alapszik. Az általad feltett kapcsolást kipróbálhatod, de én nem igazán szeretem azt,amikor egy ilyen pofonegyszerű áramkör ennyi állítási lehetőséggel rendelkezik. Az említett szakdolgozat tartalmaz utánépítésre kiválóan alkalmas rajzot, nyáktervet, és minden lényeges dologra kiterjedő leírást. Én a te helyedben abból építkeznék.
Hogy miért kellene az 555-ös helyett? Jó kérdés. Azért hogy ne lehessen javítani az IC esetleges hibája esetén hanerm mehet a kukába. Tudod, a fogyasztói társadalom alappillére a folyamatos fogyasztás-de ez a része a dolognak nem ide tartozik. A kapcsolásról:
A véleményemet az imént leírtam, azóta sem változott. A potik funkciója pedig a gyújtási szimmetria beállítása. Az a poti amelyiknek a csúszkája a műveleti erősítő invertáló bemenetére csatlakozik, az a kimeneti feszültséget szabályozza. Amit viszont a kapcsolás nem tartalmaz,és komoly galibát, lengést, gyújtási hibát okozhat, az a kimenetre kötendő ohmos terhelés. Ez akkora legyen,hogy a tirisztorok biztos gyújtásához elégséges terhelőáram folyjon. Célszerően 120-150 ohm 50-100W.
Itt a rajz, amit tegnap nem sikerült feltenni. Ma újra szkenneltem.
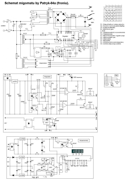
Köszi a választ! A tervezője mellékelte a forráskódot és az AVR-be égetendő lefordított tartalmat is. Ezek birtokában javítható akár, de mivel a tolómotor processzoros vezérlése számomra a legkevesebb gond, ezért nekem az 555 is megfelel tökéletesen... Viszont készült ezzel a tirisztorvezérléssel(igaz az ki van egészítve 2 fettel még az előző rajzhoz képest) egy MIG/MAG/MNA kombináció is ami lengyel megépítők szerint maximálisan működőképes. Mellékelem a komplett rajzot és kíváncsi vagyok a véleményedre. Igaz én elhagynám a távvezérelt aljzatot és ezáltal 1 relé felszabadulna, meg 2 potméter(vajon minek ez?). Van benne árammérő és nagyon egyszerű a tolómotor vezérlője (áteresztőtranzisztoros)is. Engem spec a tirisztorvezérlési megoldásról érdekelne a véleményed. Lehet maximalizálni minden vezérlést nyilvánvalóan az ésszerűség határain belül, és a pénztárca sem mellékes. A minimalizálásról már láttam ellenpéldát az einhell hegesztőmet. Kiváncsi lennék a középútra...
A hozzászólás módosítva: Nov 29, 2012
Annyit még azért hozzátennék, aki letölti az általad említett szakdolgozatot, hogy ez egy totalkomanderrel darabolt fájl amit egyesiteni kell és aztán lessz egy pdf...
Tudom hogy a mellékletben szerepel a forráskód, de a javíthatóság így is csak annak a kiváltsága lesz, aki az AVR progiját betöltötte. Betöltés után szinte biztos hogy lezárja, onnantól kiolvashatatlan. A feltett rajzot ismerem, bár nem építettem meg. Elvileg működőképes ,de van egy hibája. Mégpedig az,hogy MMA és AWI üzemmódban a gyújtófeszültség csak akkora lesz, amekkorát a potival beállítasz. Ez hiba. Persze van erre is megoldás, de nem szabad mindent az egyszerűség oltárán feláldozni. A másik,hogy a gép a rajz alapján az említett MMA /TIG üzemmódban nem áramgenerátoros, azaz az árammérő sönt jelét csak árammérésre használja, nincs visszacsatolás a szabályzó felé-pedig ez nagyon jó lenne- egyúttal a gyújtófeszültség probléma is megoldódna. A potik mindenképpen kellenek, ha a távvezérlőbe van beépítve ,ha az alapgépbe. Egyébként használhatóság szempontjából kifejezetten előnyös a távszabályzás lehetősége, tapasztalatból tudom. Az áteresztő tranzisztoros szabályzás rengeteg hőt termel, sokkal jobb és gazdaságosabb a PWM szabályozás a tolómotor esetében. A tirisztorvezérlés egy optikailag csatolt nullátmenet figyelésen alapuló komparátoros áramkör. Az alapjelet beállítod a potival, és amikor ezt az alapjelet meghaladja az optótól érkező jel nagysága, a komparátor átbillen és begyújtja az adott tirisztort. Itt az érdekesség inkább az optikai csatolás, mivel nem elterjedt megoldás. Sosem találkoztam hasonló megoldással,már ami az optocsatolós részét illeti. Ki kell próbálni a kapcsolást, aztán akkor lehet korrekt véleményt alkotni a működésről. Én az ipari gépek javítása során találkoztam ennél ócskább,és ennél sokkal komolyabb ívstabilizátoros megoldásokkal is. Igazad van abban,hogy meg kell keresni azt a minimumot,ami még a hobbiszintű hegesztőgép szabályozást problémamentesen kielégíti,és az elvárt minőségi követelményeknek megfelel.
Köszönöm szépen a részletes és kimerítő választ, és ne haragudj amiért a tudatlanságommal terhellek. Igyekszem más felületről is feltérképezni a lényeget, de bevallom eddig ez a fórum volt a legszínvonalasabb számomra. Sajnos külföldi oldalakon feldobnak egy rajzot, mindenféle kommentár nélkül(amiket mellékeltem is ilyen helyről származnak) és vagy működik, vagy nem. Elektronikailag sajnos nem állok azon a szinten, hogy képes lennék analizálni egy vezérléstechnikai rajzot.
Kombinált gépet isten ments, hogy készítsek, hiszen örülök, hogy a számításaid alapján meg tudtam tekercselni ezt a co2 trafót is. Egy régebbi hozzászólásban egyébként is kifejtetted részletesen valaki kérdésére, hogy a kombinált gépek transzformátorát nem egy egyszerű eset kivitelezés szempontjából elkészíteni. Találtam itthon 2db egyforma tirisztort és szintén 2 egyforma diódát is. Mivel a trafóra egy szekunder tekercs került ezért egyenirányításnál greatz jöhet számításba. Gondoltam, ha már greatz, akkor miért ne lenne félig vezérelt tirisztoros. Ehhez próbáltam rajzokat keresni amik bonyolultsága nem haladja meg szerény tudásom az elkészítés és bemérés folyamán. Azt észrevettem, hogy a tirisztoros vezérlésűeknél a fojtót a pozitív ágban alkalmazzák(gondolom ennek is van jelentősége). Annyit szeretnék kérdezni, hogy egyáltalán javaslod egy 220-as házi kisgépben a tirisztoros szabályzást, vagy elég lesz a fokozatkapcsoló is a primer oldalon? Üdv A hozzászólás módosítva: Nov 30, 2012
Semmi gond, szívesen segítek. Egész biztosan van olyan dolog, amiben viszont te tudnál nekem segíteni, mert van ami neked megy jobban.A te esetedben a fokozatkapcsoló mellett voksolnék, ha már úgyis megtekerted a fokozatokat. Egyébként működőképes lehet a félig vezérelt híd is, de akkor a főtrafónak állandóan bekapcsolt állapotban kell lennie a korrekt működéshez.A tél folyamán tervezem én is egy kis tirisztoros gép és egy inverteres gép készítését csak úgy kísérletképpen,mert egyébként nekem van elég hegesztőgépem a különféle munkáimhoz.
Végre eljött az ideje, hogy én is hozzátegyek valami konkrét dolgot ehhez a topichoz. Ma végre volt időm foglalkozni a Fronius által alkalmazott tirisztorvezérlőt kipróbálni. A tapasztalatok a következők:
A kapcsolást 27V-os szekunder feszültségű transzformátorral próbáltam ki. Az egyenirányító híd kimenetét két db sorba kötött 12V/21W-os autó izzóval terheltem le. Az eszköz működik, szabályozható a kimenet. Probléma a szabályozási tartománnyal van, 27V-os bemenő AC feszültség esetén a kimeneten eddig nem sikerült 11.7V-nál(DC) nagyobb feszültséget kicsikarnom. A szabályozó potenciométerek névleges értékének változtatásával változott a kimenő feszültség nagysága és a led fényereje is. Első próba 500ohm-os potenciométerrel történt, itt a kimenő feszültség maximálisan 6,7V lett. Ezután próbáltam lefelé menni a poti értékével, 47ohm-ossal Uki= 0,75V lett, itt már nem is világítottak az izzók. Ezután fölfelé mentem a poti értékével, 2,2k-nál Uki=8,6V ; 4,7k-nál Uki=10,9V ; 10k-nál Uki=11,46V lett. A led feszültsége a különböző potenciométereknél nem nagyon változott csak néhány tized voltot, viszont az árama igen, mert 500ohm felett már nem nagyon világított. A kimeneten az izzók vibráltak max potiállásnál is, szűrés nem volt. Induktív terheléssel még nem próbáltam. Az áramkör minden eleme hideg volt, kivétel a 2K/2W-os ellenállás az optonál, ez nagyon minimálisan melegedett, épphogy észrevehető volt. Bekapcsoláskor időnként teljesen lecsavart poti állásnál is leverte a transzformátorok előtt lévő B6A-es kismegszakítót. A potenciométer maximális állásásnál szinte mindig lekapcsolt. Sajnos jelalakokat nem tudok mérni oszcilloszkóp hiányában, pedig sokat segítene. ui.: A két trimmer középállásban volt, ezeket nem csavargattam eddig.
Szevasztok,
felcserélni a tirisztorkon a meghajtást vagy a 47k trimereket megtoldanám 1-1k val alulról,és a trimereket csavarnám kissebb ellenálás felé.... A hozzászólás módosítva: Dec 2, 2012
Felcseréltem a két gate vezérlését, de úgy nem kap gyújtójelet a tirisztor, kimeneten nem jelenik meg feszültség. Trimmereket csavargattam kicsit lefele felfele, de semmi változás a kimeneti feszültségben, még azon gondolkodok lehet, hogy a szinusznak csak az egyik félperiódus kerül a kimenetre, féloldal lehet hibás vagy nem kap vezérlőjelet a tirisztor, mert erősen vibrálnak az izzók. Na most kellene a szkóp.....
Sziasztok! Segítséget szeretnék kérni .Einhell SGA 145 turbo co gép.A co szerelő feladta a javítást,kicserelte az elötolómotort mechanikával /bordázott kerekek/,euro munkakábelt/ezt már én építettem bele ,gázszelepet+trafót/és a greatz hidat újra.Ezek után is ív kezdetén kezd el fröcsögni,pattogni, majd néha lelassul ,Az elötolás vagy az áramerösség okozza jelenséget,erre nem tudok rájönni.Néha rendesen müködik,pontozásnál vagy folyamatos varrat készitésnél hol jó hol nem,inkább nem.Kértem kölcsön egy ugyanolyan gépet ,átraktam az electronikáját a másik gépbe nem változott semmi,a hiba az hiba maradt.A két gép között annyi a külömbség,hogy a folytótekercsen mért áram erösség/3 fokozatban/felugrik az
én gépemen mig a másik gépen leesik.Egy kicsit jobban melegszik az én folytótekercsem.Kh ki zárva,hálózat ell.E hiba régi jelenség,de nem volt ennyire durva,idegesitö.Karosszéria lakatos vagyok és néha olyan helyeken kell hegeszteni ahová nem férek be csiszólóval és ilyenkor nagy varacskot rak/idegroham/ Ha valaki tudna segíteni ,elöre is köszönöm soma. Idézet: „lehet, hogy a szinusznak csak az egyik félperiódus kerül a kimenetre, féloldal lehet hibás vagy nem kap vezérlőjelet a tirisztor, mert erősen vibrálnak az izzók” Akkor megkisérelném csak az egyik vezérléssel, majd utánna csak a másik tirisztor vezérléssel,kiderül ...
A helyzet a következő, nagyon amatőr hibát követtem el.
Nyáron építettem meg ezt az áramkört, viszont akkor nem volt időm kipróbálni. Elpakoltam, ide tettem, oda tettem, aztán az egyik tranzisztor lábainál felszakadt a fólia. Elég gyenge minőségű ez a nyáklap. Ezt a problémát orvosoltam kis alkatrészláb áthidalásokkal még korábban, viszont arra nem figyeltem, hogy a másik tranzisztor lábainál is felszakadt a fólia, így az egyik tranzisztor nem kapott vezérlőjelet, így a tirisztor gate-je sem. Most orvosoltam ezt a problémát is. Így végre működik rendesen. A kimenő feszültség a következőképpen alakul a különböző potikkal: 10K Uki 23,5V; 4,7K Uki 22,9V; 2,2K Uki 21,8V; 500R Uki 11,9V.A G1 és G2 felcserélése esetén hiába tekergetem a potit nincs kimeneti feszültség, hacsak nem cserélem fel ugyanígy a TR1 Tr2 vezetékeket az opto előtt. Bekapcsoláskor már nem nagyon veri le a kismegszakítót, néha még max terhelésre állítva sem. A hozzászólás módosítva: Dec 2, 2012
Lehet, hogy ezzel a témával kapcsolatban inkább a "hegesztő-transzformátor szabályozása" témában kellett volna írnom, de itt is szükség van a szabályozható egyenirányítóra. Ezek után ki kell próbálni nagyobb induktív terheléssel is. Majd megoldani a poti és a led problémáját. (Lehet ki lesz onnan véve az a led, mert nem nagyon világít, helyére diódák vagy ellenállás megy.)
Ha az egyenirányító megfelelően szabályozható lesz, jöhet a vezérlőkártya megépítése a motorhoz gázszelephez stb. hez. |
Bejelentkezés
Hirdetés |













A kimenő feszültség a következőképpen alakul a különböző potikkal: 10K Uki 23,5V; 4,7K Uki 22,9V; 2,2K Uki 21,8V; 500R Uki 11,9V.

