Fórum témák
» Több friss téma |
- Ez a felület kizárólag, az elektronikában kezdők kérdéseinek van fenntartva és nem elfelejtve, hogy hobbielektronika a fórumunk!
- Ami tehát azt jelenti, hogy a nagymama bevásárlását nem itt beszéljük meg, ill. ez nem üzenőfal! - Kerülendő az olyan kérdés, amit egy másik meglévő (több mint 17000 van), témában kellene kitárgyalni! - És végül büntetés terhe mellett kerülendő az MSN és egyéb szleng, a magyar helyesírás mellőzése, beleértve a mondateleji nagybetűket is!
Bővebben: Link itt van az adatlapja a bc 184-nek
A hozzászólás módosítva: Dec 4, 2012
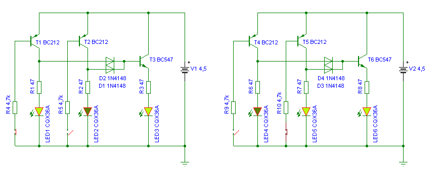
Szia! D17 és 18 dióda nagyon gyanús abban a pozícióban,szerintem proli007 ebben a hozzászólásában erre akart célozni, mert ebben a formában nincs hogy mi nyitsa T5 tranyót. Cseréld már fel légyszíves őket mármint az anódot a katóddal. lássuk így mi történik.((ha tévedek valaki javítson ki))
A hozzászólás módosítva: Dec 4, 2012
Miért nem próbálod ki ? Akkor kiderül hogy működöképes e a kapcsolás.A bc184 nem egy drága alkatrész ha netán tönkre menne, viszont tapasztalatot szerzel. Ahogy én látom R2 rendben volna és r1 is, R3 értékét célszerű megnövelni legalább 1k ohmra.
A hozzászólás módosítva: Dec 4, 2012
Szia! Találtam itthon BC547-et kipróbálom azzal. "A bázisban lévő ellenállást zárd rövidre"-ezt mivel kell? egy vékony dróttal áthidalom? Vagy rosszul értelmezem? Üdv.
Gondolom ezt a kérdést az adatlapok gondos áttanulmányozása után tetted fel.
Amúgy mindegy; nagyobb tápfesz, nagyobb freki átvitel. A hozzászólás módosítva: Dec 4, 2012
Mivel a kimeneten váltakozó feszültséget kell előállítani, így +V és -V a tippem.
Tehát mindkét IC a +15V -15V tápra kössem igaz?
Kösz
Üdv. Volt egy TFT monitorom aminek ki mentek a fény csövei. Volt itthon SMD LED csíkom, bele tetem, tökéletesen működik. Csak amikor ki kapcsol a monitor, akkor a LED-ek viszont nem kapcsolnak ki. Van a Power LED, amihez 2,76 volt megy fixen. Ebből szeretnék ki hozni egy kapcsolást, ami tudja kapcsolni a 12 voltot. Valami Tranzisztoros kapcsolásra gondoltam. Milyen tranyot tudnák javasolni hozzá? Vagy kapcsolást.
Már korában kérdeztem. Kaptam rá egy olyan választ hogy használjak photohídat. Csak azt nem tudom hogy milyet használjak hozzá. Tudtok ebben segitení?
Hello!
Kicsit többet kellene tudni a dologról. Itt mindössze az a gond, hogy nem tudjuk, hova van kötve a "Power Led". Vagy is milyen feszültségen vannak a lábai, mondjuk a 12V negatív pontjához képest. Mert ha a Led katódja a negatív ponton van, akkor egyszerűen egy tranyóval megoldható a dolog. (De az szinte biztos, hogy a Led-hez nem 2,7V megy "fixen". Mert annak valami előtét ellenállása van, hiszen annak működéséhez áramszükséges. A feszültség a diódán esik az áram hatására, mikor világít. A "photohíd" nem tudom mi, de gondolom, optocsatolót írtak.) üdv! proli007 A hozzászólás módosítva: Dec 4, 2012
Igen a 2,76 voltot azt közvetlen a LED nél mértem. Úgy emlékszem hogy a test a közös. A fö panelt még nem szedtem ki teljesen. de az biztos hogy a test az közös. Mert a moitorba van 12vlotos táp is meg 5 voltos táp is. És közös testen mérem a 12V-ot meg a 5V-ot. Most jöttem el otthonról, de nem sokára haza megyek. Akkor technikai egyeztetés után tudna segitení, Pivátban?
Hello!
Miért kellene privát? Már ha igaz, csak egy hozzászólásra vagyunk az eredményhez. Azt kell még tudni, hogy mennyit fogyaszt az SMD Led csík, és lehet tranyót és két ellenállást választani. Valamint megmérni, hogy tényleg a Led katódja van-e a közös ponton.. üdv! proli007 A hozzászólás módosítva: Dec 4, 2012
Az SMD LED csík az 12V -on 9W -ot fogyaszt 1 méteren. És 2x 38 cm durván. Körül belül olyan 6-7 W-ot fogyaszt az alsó és a felső együtt. Ha haza értem akkor meg nézem minél hamarabb hogy a test-e a közös. De nagyon való színű hogy a test a közös. de meg próbálom meg keresni az ellen állását. És le mérni.
Sziasztok!
A PCschematic nevű cad-ben tudna valaki segíteni? Olyan gondom lenne, hogy az adatbázisban lévő mechanikus alkatrészeket nem akarja betölteni, szinte minden kérdőjeles, így viszont a kapcsolószekrényt nem tudom megtervezni. Ha valakinek volna valamilyen ötlete azt megköszönném! kösziÜdv.: m.gyula3
elvileg fullos, átküldjem a kapcsolási rajzom?
Szia! Úgy csináltam ahogy írtad.Egy BC 547-el."kollektorát a tápra, emitterét a Led ellenállására" aztán rövidre zártam az ellenállást ami a bázison van.De semmi most még annyira sem pislákol. 6,5V -al is próbáltam de ekkor is csak nagyon halványan.A rajzon azt írja hogy 3V-ról működik,amúgy nem tudom meddig lehet emelni. Üdv.
Most megcsináltam suszter módjára de még így sem jó,vagyis éppen csak hogy halványan villog.(az üteme jó -mint a többié,de még mindig nem értem miért nem jó).
Köszi, de nincs ilyen programom, de már találkoztam ilyen korláttal más helyen, hogy a könyvtárban levő sok alkatrész közül csak néhányat lehet használni. Különösen a "diák" verzióknál.
Hello!
Pedig nézd csak, működik. De nem tudom milyen Led-et használsz. Mert ha fehér, akkor lehet 6V kell. De ekkor a többi Led a 47ohm-al, már túl sok (59mA) áramot kapna. Lehet mérni kellene valamit? Persze ahhoz az oszcit le kell állítani, mondjuk a C4 tápra húzásával.. Akkor fixen ég a D13..D16. üdv! proli007
Szia! Az összes led smd 3528 led .És az összes be van festve üvegfestékkel.,akkor gondolom ugyan úgy kéne ennek is mennie.:Nyitófeszültség: 3.1 - 3.3V. Üdv!
Most csináltam egy olyat nem tudom hogy maradhat e így :A + száltól T5 E-től vittem jelet a D 19 előtét ellenállására R25-re. Most ugyan úgy villog mint többi (erősen) ha maradhat így akkor kicserélem egy nagyobbra az R25 öt mert ez így kicsit kevés neki.
|
Bejelentkezés
Hirdetés |




Amúgy mindegy; nagyobb tápfesz, nagyobb freki átvitel.





