Fórum témák

» Több friss téma
Fórum » LED-es kivezérlésjelzők
 
Témaindító: KeserűCukor, idő: Márc 27, 2006
Témakörök:
Lapozás: OK   102 / 151
(#) PallPeti hozzászólása Nov 11, 2012 /
 
és ha számítógépről leveszek 12v-t?
(#) kokozo válasza PallPeti hozzászólására (») Nov 11, 2012 /
 
Még mindig nem tudom hány voltos, ki kell próbálnia 9 volttal és ha kevés akkor a pc táppal.
(#) PallPeti hozzászólása Nov 11, 2012 /
 
oké köszönöm a sok segítséget
(#) kokozo válasza PallPeti hozzászólására (») Nov 11, 2012 /
 
Nincs mit! Közben megtaláltam a teljes kapcsolási rajzot, amin 12-volt van. Kép mellékelve.

N-012a.jpg
    
(#) PallPeti hozzászólása Nov 11, 2012 /
 
köszönöm!

Kedves frissen regisztrált felhasználónk!
Kéretik másolni a többieket, a tradicionális nagybetűs mondatkezdés terén.
A hozzászólás módosítva: Nov 11, 2012
(#) toty hozzászólása Nov 11, 2012 /
 
Sziasztok,

van egy kis problémám
Kivezérlésjelzőt akarok építeni, de olyat ami a hangfalba építhető, tehát az erősített jelet képes kezelni.
Maga a kijelzés megvan, működik, de annak a bemenete a line-out.
Megnéztem, a hangfal max 90W, 8ohmon, uh. ebből arra jutottam h a Umax= 26,8 V.
A line-out Vmax: 0.894 V (legalábbis ezt találtam).
Gondoltam ha egy műveleti erősítőt a kivezérlésjelző elé kapcsolok, 0,033-as erősítéssel (ill. gyengítéssel) akkor az úgy jó lesz.
Itt:link van egy kapcsolás ami szerintem jó is lenne, csak ugye az R1et és az R2-t kellene megválasztani, hogy jó legyen. Csak ugye, választhatok én bármilyen R1-et, mivel gyengíteni kell R2 mindig negatív lesz, ami gondolom nem jó. Tud valaki segíteni, hogy mi a megoldás? Invertáló kapcsolás kellene? De nekem a kiv.jelző miatt V+ t V+nak kell megtartani.
Előre is köszi!
(#) proli007 válasza toty hozzászólására (») Nov 11, 2012 /
 
Hello!
Túl ragozod az egészet. Két mezei ellenállás, feszültségosztóként is megfelelő bőven. Vagy ha a bemeneten van ellenállás - poti valami, akkor már egy is elég sorba.
De hogy válaszoljak is. Az invertáló erősítő, tud 1-nél kisebb erősítést is produkálni. (amit belinkeltél, az nem invertáló, ott az erősítés minimuma 1.) Az invertáló közbe fázist is fordít. Nálad ez akkor lenne gond, ha egyenfeszültséget kellene csökkenteni, de Te váltót csökkentenél. Nos, ott nem igazán okozna gondot ez a 180 fokos fázisfordítás.
üdv! proli007
(#) toty válasza proli007 hozzászólására (») Nov 11, 2012 /
 
Szia,

köszi a választ! Ha invertálom a jelet akkor a kiv. jelző pont fordítva fog működni mint kellene, nem? bár azt nem tudom, hogy ez látványban számit-e bármit is, annál szerintem lassabb a cucc.
lehet kipróbálom.
Az ellenállást azért vetettem el, mert h feleslegesen terhelné az erősítőt...
(#) proli007 válasza toty hozzászólására (») Nov 11, 2012 /
 
Hello!
Viccelsz? Inkább feltetted volna a rajzát a kivezérlésmérőnek.
- Nem kell olyan kicsi értékű ellenállás ami terheli az erősítőt. Akár egy 10..100kohm is megfelel. Mi az a 4..8ohm mellett?
- Nem figyelsz. Te a váltójelet szeretted volna csökkenteni, ami a hangszóró kimenetéről jön. Nem az egyenfeszültséget, amire "megfordulna a kijelző". Az meg tök mindegy, hogy mikor plusz félperiódus jön, az invertáló kimenetén meg ekkor agy kisebb, de mínusz félperiódus jön ki.
De az a szép a társalgásunkba, hogy mind ketten a levegőbe beszélünk. Mert konkrét dologról itt még szó nem volt..
Légy oly kedves, a "h" meg ilyeneket elfelejteni.
üdv! proli007
A hozzászólás módosítva: Nov 11, 2012
(#) PallPeti hozzászólása Nov 13, 2012 /
 
Üdvözlők minden olvasót !
Most már kijelenthetem hogy, sikeresen megépítettem a születés napi ajándékom, ami egy tranzisztoros kivezérlésjelző !
Amihez rengeteg segítséget kaptam tőlük, proli007 és kokozo , ezúton is köszönöm a rengeteg segítségetek, türelmetek és a hozzám valló viszonyulásotok !
Üdv: PallPeti
(#) csoki18 hozzászólása Nov 13, 2012 /
 
Sziasztok!
Építettem egy mono kivezérlésjelzőt (képen). Az lenne a problémám mikor megkapja a tápfeszt az összes led folyamatosan normál fényen világít. Amikor hozzá érek a jel bemenethez akkor kicsit elhalványul ,mikor "rá kötöm" a zenét akkor meg kicsit vibrálnak de egyik sem alszik ki. Valaki tudna ötletet adni,hogy mi lehet a probléma és hogyan tudnám orvosolni?
Ui.: A nyákot 3x ellenőriztem.

lm3915_2.gif
    
(#) reloop válasza csoki18 hozzászólására (») Nov 13, 2012 /
 
Szia! A jelbemenetet [5] kösd testre [4]. Ha ekkor a LED-ek nem világítanak akkor jól építetted meg a kapcsolást.
A bemenetre nem kötheted közvetlenül az audio jelet, előbb a jel nagyságával arányos egyenfeszültséggé kell alakítanod.
(#) csoki18 válasza reloop hozzászólására (») Nov 13, 2012 /
 
Köszi a gyors reagálást!
Kipróbáltam egyből kialudt az összes LED. Az átalakításhoz valamilyen kapcsolást esetleg tudnál nekem mutatni? A segítséget köszönöm
(#) reloop válasza csoki18 hozzászólására (») Nov 13, 2012 /
 
(#) csoki18 válasza reloop hozzászólására (») Nov 13, 2012 /
 
Hálás köszönetem
(#) tengo22 hozzászólása Dec 5, 2012 /
 
Sziasztok
még nagyon új vagyok a témában de szeretnék építeni 1 ledes kivezérlésjelzőt
valami ilyesmit: Bővebben: Link*
majdnem az összes oldalt végig néztem de inkább csak összezavarodtam mint okosabb lettem.
Valaki betudna rakni egy nyáklap tervet úgy, hogy ne kelljen forgatnom csak nyomtatni és mellé egy valamiféle leírást hogy pontosan milyen alkatrészekre lesz szükségem a megépítéséhez.
jah és ha lehet akkor ic-vel szeretném megépíteni, számítógépből kijövő 3,5 jackre tudnám rákötni az erősítőtől külön ágon és 12V-os lenne az igazi. Ledek számát tekintve 10-15 db-ra gondoltam
Remélem tud valaki segíteni, és a fáradozásokat előre is nagyon köszönöm

*Link beillesztve.
A hozzászólás módosítva: Dec 5, 2012
(#) proli007 válasza tengo22 hozzászólására (») Dec 5, 2012 /
 
Hello!
"Ledek számát tekintve 10-15 db-ra gondoltam" Amúgy ez mit jelent? A torony szintjeinek száma 10-15dB, vagy szintenként 10-15db. Mert az nagyon nem mindegy. Mint ahogy a Led színe sem, ha egy szinten 3-nál több Led van.
(Ne sajnáld a fáradságot nagybetűket és az "egy"-et kiírni, ha mástól segítséget vársz!)
üdv! Proli007
(#) tengo22 válasza proli007 hozzászólására (») Dec 5, 2012 /
 
Hát 1cm-es plexit szeretnék használni, a torony szintjeinek száma 10-15 darab úgy gondoltam, hogy szintenként 1 led elég lehet ahhoz, hogy még jól nézzen ki.
(#) proli007 válasza tengo22 hozzászólására (») Dec 5, 2012 / 1
 
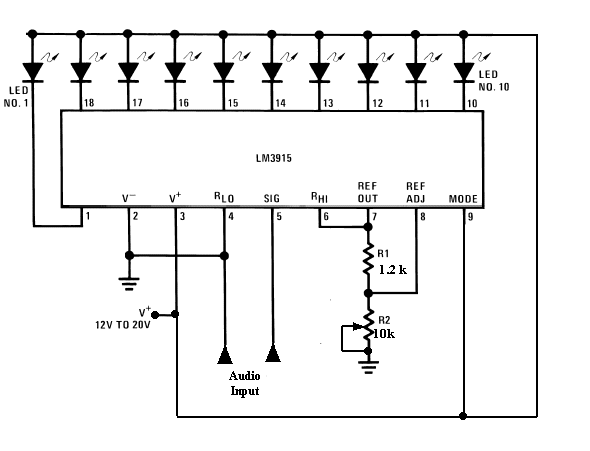
Hello!
Egy LM3915-nek 10 kimenete (szintje) van. 12V tápról, 2-3 Ledet is sorba tudsz kötni egy-egy kimeneten. (Még jót is tesz neki, nem kell úgy "fűtenie"). Ha ez megfelel neked, akkor itt van Alkotó rajza. Igaz ez sztereó (amiről eddig nem volt szó), és nem tudom a nyákrajza hol van, de megkérdezheted tőle.
üdv! proli007
(#) tengo22 válasza proli007 hozzászólására (») Dec 5, 2012 /
 
Üdv!
Köszönöm a segítséged, először nem ilyenre gondoltam de azt hiszem ez mégiscsak jobb, a javított nyákot megtaláltam és a javítatlanról a képeket viszont a javítottról sajnos fényképet nem találtam.
Még egyszer nagyon köszönöm a segítséged!
üdv tengo22
(#) proli007 válasza tengo22 hozzászólására (») Dec 5, 2012 / 1
 
Hello!
Bocs, csak most vettem észre mit "linkeltem" be. (Meg sem néztem, csak lenyomtam a Ctrl-V-t) De talán most itt a helyes link. Ha egy-egy kimenethez több Led-et kapcsolsz sorba, akkor az átalakítás számodra nem is létfontos, mivel a beépített ellenállás, pont az IC disszipációját (hőfejlődését) volt hivatott csökkenteni. Ha pld. 3-Led-et kötsz sorba, akkor azon 2V Led-feszültség esetén, már 6V esik, így az IC-re már szintén 6V jut csak. Tehát csökken a hőfejlődése.
üdv! proli007
(#) toty hozzászólása Jan 3, 2013 /
 
Sziasztok!

Először is BÚÉK.
kicsit eltűntem, de sajnos sok más közbejött. Korábban volt téma, kivezérlésjelző hangfalba építése. (november, tavaly)
Nos elmaradt valóban akkor a rajz. Komplett rajzom nincs, csak fogtam az LM3915 doksiját, és onnan megépítettem a 17ik oldalon lévő, 16-os ábrát, de elé tettem egy műveleti erősítőt, mivel ő is ajánlotta: 11.oldal, 6-os ábra. Annyi különbséggel, hogy TL072 IC van benne, az volt itthon.
Ez így pl line-out-ra kötve működik is szépen.
Kiv.jelzo 1
Kiv.jelzo 2

Ezután elé tettem egy feszültségosztót, R1:200kOhm, R2:7 kOhm, és az R2-n eső feszültséget vezettem a kivezérlésjelző bemenetére. No, így viszont már nem működik.
Milyen feszültségosztót kellene ide építeni? Az erősítő 4Ohmon 2x60W, 8 Ohmon 2x40Wattot ad le, de a hangfal amibe kerül az kb 6 Ohm, és 140 Watt. Úgy választottam ellenállásokat, hogy az alapsávi kiment az olyan 0,8V körül lehet.

Van valakinek tippje?

Előre is köszönöm!

üdv
ákos
A hozzászólás módosítva: Jan 3, 2013
(#) reloop válasza toty hozzászólására (») Jan 3, 2013 /
 
Kár agyalni az ellenállás osztón, tégy bele valamilyen 10-100k közötti értékű trimmer potenciométert és állítsd be igény szerint.
(#) toty válasza reloop hozzászólására (») Jan 3, 2013 /
 
Hm, és mi módon kössem be? Sajna annyira nem vagyok jó ezekben..Sorba, és essen a potin a feszültség egy része, a többi meg a kivezérlésjelzőn?
(#) reloop válasza toty hozzászólására (») Jan 3, 2013 /
 
Kösd be feszültségosztóként. Csak a példa kedvéért.
(#) proli007 válasza toty hozzászólására (») Jan 3, 2013 / 1
 
Hello!
Mivel az egyenirányító IC fokozat invertáló erősítő, az ott lévő R1 növelésével is lehet csökkenteni az erősítését. (Egyébként oda van írva a rajzra.)
De félek, hogy ez az állításod, miszerint "Ez így pl line-out-ra kötve működik is szépen." nem volt helytálló. Mert a rajzon nem látom a tápfesz kialakítását. Ugyan is a bementi IC fokozatnak +- tápfeszültség kell. Ha nem volt kettős tápja, akkor lehet csak "átment rajta valahogy" a Line jele. Féltápot (+12V/GND) ehhez az egyenirányító kapcsoláshoz nem alkalmazhatsz, mert az egyenirányító, és az LM3915 között,már DC csatolás szükséges.
üdv! proli007
(#) toty válasza proli007 hozzászólására (») Jan 3, 2013 /
 
Szia!

Köszi a választ, azt elfelejtettem írni, hogy természetesen az IC kapott szimmetrikus +/- 12 V tápot, valószínűleg ezért is működik. Engem is meglepett
Ezt már nem akarom bántani, ha már végre egyszer sikerült, ezért szeretném inkább illeszteni valahogy.

Megpróbálom a potit. Előre is köszönöm!
üdv
akos
(#) Kovidivi hozzászólása Jan 20, 2013 /
 
Sziasztok!
Van egy nagyon szép kivezérlésjelző modulom, TA7612AP IC-vel felépítve (lineáris kijelzésű). DC feszültséggel lemértem, hogy 0,19V-nál kezd el az első LED világítani, és 3V kell az utolsó LED kigyújtásához. Szeretnék hozzá készíteni egy szintillesztőt csúcsegyenirányítással. Csatolom a kapcsolásom. Működik, de nem valami jól. A kimeneten nem megfelelő a jel, nem tudom beállítani a csúcsát, a visszafutását. Úgy működik, mintha egyenirányítás nélküli jelet kapna. Már 3napja szórakozok, próbálgatom a kapcsolásokat, ajánlásokat, de egyik sem úgy működött, ahogy kellene. Kezdek már azt hinni, hogy a kiv. jelző panelen lesz a gond. Bár az csak egy sima, műveleti erősítőkből felépített jelszint kijelző LED-ekkel.
szerk: A műv. erősítő és a kivezérlés jelző panel azonos 12V-ról megy. Ha a féltápfeszültségemmel lesz a gond, én megeszem a kalapom!
Egyébként EZT is kipróbáltam, természetesen féltápfeszültségről, és sikertelenül...
A hozzászólás módosítva: Jan 20, 2013

kiv.j.jpg
    
(#) reloop válasza Kovidivi hozzászólására (») Jan 20, 2013 /
 
Hú! Az IC1B 5-ös lába nagyon a levegőben van!
(#) Kovidivi válasza reloop hozzászólására (») Jan 20, 2013 /
 
Először le volt kötve a GND-re, akkor kiakadt az egyenirányító fokozat +VS-re. Aztán átraktam féltápfeszültségre, akkor rendesen működött. Kivettem, de változást nem tapasztaltam. Visszarakom féltápfeszültségre, csak akkor meg le kell választanom a kimeneten a DC-t. Két hozzászólással visszább pedig írják, hogy kell a DC csatolás. Kipróbálom +-12V-ról, aztán beszámolok a fejleményekről! Köszönöm az észrevételt.
Következő: »»   102 / 151
Bejelentkezés

Belépés

Hirdetés
XDT.hu
Az oldalon sütiket használunk a helyes működéshez. Bővebb információt az adatvédelmi szabályzatban olvashatsz. Megértettem