Fórum témák
» Több friss téma |
Szerintem ez lesz az a rajz és a LED elhelyezkedését is láthatod.
A két rajz nem egyforma, mert rosszul linkeltem. Ez a rajz már majdnem úgy néz ki és a LED bekötése is jól látszik.
Szia mindenki.
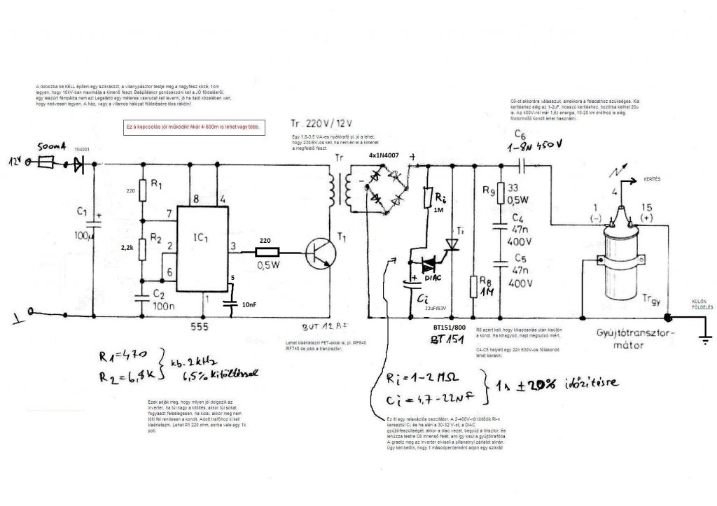
Ezt a kapcsolást csináltam meg de nem akar működni az istenért sem ,szeretnék segítséget kérni.... A hozzászólás módosítva: Dec 20, 2012
A nyákterv az alkatrészoldalt ábrázolja és nem a forrasztási oldalt, erre ügyelj!
Szia.
Igen köszönöm a segítséget,ugy csináltam de a 2.2 k ellenállástól nem megy el.A ic ha berakom olyan mintha zárlat lenne.A ic lehet a rossz?
Szia.
Szeretném elkérni a nyák rajzot .alkatrész listát,szeretném meg építeni én is .Köszönöm szépen.
Ezzel szerintem jobban járnál.
Szia.
Nyák is van ?
Keress vissza.
Köszike.
El jő a nap mint gyerekként vártunk,
Csendesül a zsivaj kihalnak az utcák. Karácsony éjjelén eljön hozzánk. Szeretett és Béke Boruljon reánk. Legyünk ezen az estén ,gyerekek ismét. Csengettyű,és egy angyal kopogjon be hozzánk. Költözzön a szívben szeretett és Béke,, Kívánok én mindenkinek Békés Karácsonyi Ünnepeket ..Mindenkinek.
Neked is és mindenkinek én is kívánom! Boldog Karácsonyt, Kellemes Ünnepeket!
Sziasztok! szükségem lenne egy kis segítségre !a melékelt képnek a kapcsirajza és az alkatrészlistájára lenne szükségem !ha esetleg szükség lenne az alkatrészekről kép az is van !!
előre is köszönöm !
Szia!
Szerintem jobban jártál volna ha az alkatrész oldalról küldesz képet, úgy hátha jobban felismerhető lenne.
Sziasztok!
Hozzám került egy boltban vásárolt villanypásztor hibásan- bár a kinézete szerint kisipari termék. Az elve szerint olyasmi mint az itt sokszor megfordult inverteres. Ebben egy 556-os ic és egy TIP122 tranyó valamint BT151-es tirisztor valamint egy 12/230 V-os trafó van. A nagyfeszt itt a gyújtótrafó helyett egy 230/12V 16 VA-s trafó szolgáltatja. Kérdésem, hogy jó megoldás ez, hogy egy sima mezei nyáktrafót tesznek a nagyfesznek aminek az átütési tesztfeszültsége 4kV? Itt nagyon úgy néz ki, hogy ez halt be, mert csak kattog a trafó, néha ad egy egy kis szikrát. Viszont rákötöttem egy gk gyújtótrafót azzal szépen megy. Másik kérdés, nincs meg valakinek ennek a fajtájú pásztornak a kapcsolása nyáktervvel? Köszi, Kellemes Ünnepeket Mindenkinek a hátralevő kis időre is!
Sziasztok ! szeretnék kérni egy nyákrajzot vagy beültetési rajzot ehez a kapcsoláshoz ha megoldható ojat ami már bevált előre is köszönöm!!!!
A cég elérhetőségét meg tudnád adni?
A hozzászólás módosítva: Jan 2, 2013
Az üzlet címe: *
* A fórumban tilos a reklámtevékenység! A hozzászólás módosítva: Jan 2, 2013
Sziasztok
Elkészítettem az oldman féle villanypásztort, ami szépen működik mondjuk ami még anno mondva lett kb 2cm szikra az kicsit elmarat inkább az 3-4mm masszív szikra van, kérdésem az lenne, hogy a 12v mellett az a 10mA áram az üzemszerű? Köszönöm
Sziasztok kicsit játszottam az oldman féle villanypásztorral és végül is meg szület a 2,5cm es szikra, de ezt már nagyon sokalltam mert üresen áthúzott mindenre ami a trafó körül volt amivel ez elértem az az volt, hogy a 470nF kondi helyére betettem egy 2µF os kondit, de mint említettem ez sok volt, most egy 1µF elektrolit kondival ketyeg a centis szikra bőven megvan, a kordon úgy megvágott hogy csak na. Még ajánlatos egy 15v zéner diódát, és egy minimum 4700uf kondit a tápágba nekem is ekkora van, ennek köszönhetően a fogyasztás 12mA egy 9v adapterről hajtva, azért 9v adapter, mert a kis fogyasztás miatt az üresjárati fesz nem esik vissza így végülis 12v van.Ja igen melegedés abszolúte semmi sehol, már egy jó ideje ketyeg a készülék.
Arra nagyon vigyázz a gyújtótrafó használata miatt, hogy a hálózati adapter és a készülék közötti vezeték is meg tud csapni bárkit. (össze van kötve a kimenet egyik fele és a bemenet a gy.trafón belül!)
|
Bejelentkezés
Hirdetés |


















