Fórum témák
» Több friss téma |
Fórum » Ki mit épített?
Ez a téma ha úgy tetszik a mi "kiállítótermünk", nem pedig a ki mit csinált volna másképpen, mások helyett, és legfőképpen nem javítós téma.
Minden készüléknek van saját témája, ott kell kitárgyalni a részleteket!
FONTOS! A kapcsolási rajzok keresésére is van saját téma, ott keressetek rajzokat!
Tanács és kritika: A felvétel borzasztóan rossz minőségű, semmi sem látszik. Olvasd el Topi cikkét a fotózásról. Bővebben: Link
Én abszolút nem unom, sőt vadászok a nálunk megépített kész erősítőkre. Ha nem vagyok indiszkrét - és szemtelen: Az erősítő legyártásához használt fájlokat, alkatrészlistát, CNC fájlokat közzétennéd? Mert nekem annyira megtetszett így, ahogy van, hogy szívesen utánaépíteném. Maximum a dobozhoz használnék más anyagokat, esetleg csavarokat. Én csak azért nem fejeztem be eddig az enyémet, mert már 4x építettem újra és újra - de nem tetszett egyik végeredmény sem. Nem a hangja - inkább a külseje... Az elsőt barátomnak építettem - azóta is megy. A második egy rack dobozba került 4x100W-osként. A harmadik egy már meglévő doboz újrahasznosításával készült - de nem tetszett és szétszedtem. Negyedik alkalommal kézzel kezdtem el mindent csinálni hozzá - de gyári dobozba - ami szintén nem tetszik külsőre eléggé. Minden érdekel ami quad - bár erre van külön téma - igaz ott is csak részmegoldásokat találtam....
Örülök, hogy tetszik, de nem teljesen értelek. File-ok? CNC fileok? Alkatrész lista?
Ebből a legjobban a cnc lista tetszett, Nincs semmilyen cnc, ez kézzel, szóval fúróval, reszelővel ,csiszoló papírral és fűrésszel készült, meg persze a jó öreg kattogós welleremmel. A nyák tervet megtalálod itt az oldalon, Alkotó mester nyák terve alapján készült a panel, a többi pedig úgy improvizálás ahogy az szívből jött ott és akkor, így semmiféle tervek nincsenek. A webalbumomban láthatsz még pár érdekes kreációt, ezek mind úgy pattannak ki a fejemből építés közben, nagyon minimálisan tervezek előre. Próbálom nem követni a hagyományos vonalakat, elrendezést, általános dobozolásokat, mindig olyan formákra törekszem, amiket nem mindig lehet látni, ez többé kevésbé szokott sikerülni. De ha ennyire tetszik, felteszem apróhirdetésbe. A hozzászólás módosítva: Dec 29, 2012
Idézet: „ha ennyire tetszik, felteszem apróhirdetésbe” Nagy arc vagy papa!
A szintiszta igazat mondja a Doncso !
Kipróbáltam, milyen, ha lecsípek a digitekből... Bővebben: Link
Amíg minimum panel szinten nem készítek a tápommal kapcsolatosan valamit, nem szemetelem tovább a topikot ezzel kapcsolatban.
Szia, jó lesz ez. Én is nemrég tuningoltam a TR tápomat és nekem is eszembe jutott, hogy kicserélem a potikat rotary enkóderekre meg egy kis vezérlőt csinálok hozzá, de 3-ik végig gondolásra rájöttem hogy nincs túl sok haszna magában. Úgyhogy tovább gondoltam. Ha csinálnék, akkor tennék rá min. RS232 vagy GPIB csatolófelületet, hogy kívülről is szabályozható legyen. (Ekkor automatizált mérésekre is nagyon jól használható.) Illetve fejben megírtam a futó szoftvert is.
Én úgy csinálnám, ha csinálnám, hogy ha csak simán tekerem az enkódert, akkor az legyen a finom beállító, ha megnyomom egyszer a gombot, akkor pedig a durva. (És megadni egy időlimitet vagy újbóli gombnyomás. Szerintem a gyakorlatban ez nagyon kellemesen használható lenne.) Plusz a visszamérő pontot is kivezetném. (Belül csak egy ellenállással lenne összekötve a mérőkörrel a kimenet. Ha ki van vezetve akkor nagyon frankón lehet akkutöltésre is használni. (Ekkor is nagyon jól jöhet a külső vezérlés. pl. Li-ionnál. ) Üdv.: Miki
Gyönyörű ez a kijelző! Melyik topikban tudnánk erről bővebben beszélgetni (feltéve hogy publikus)? Engem nagyon érdekelne!
Sziasztok!
Egy teszt a ládámról de még hangváltó nincs meg.Bővebben: Link másik videó. Telefonal készült videó. Akinek jó hangsugárzó van a géphez kötve annak átmegy a basszus rendesen. A hozzászólás módosítva: Dec 30, 2012
Szia! Tök ipari feelingje van. Tetszik! A kaja adagolóról tennél fel egy képet?
Szia!
Amint hazajutok igen Jövőhéten beépítem az egészet a helyére
Szia!
Bár a videó minősége nem a legjobb, de jó lett! Mi a zene címe?
Azt tudom hogy nem a legjobb a videó. a zenét Rádio1 ről szoktam a mixeket hallgatni leszedni
Az a lényeg, hogy szóljon!
![]() Akkor nem tudod a zene címét?
Ez a szám címe: Nick Curly - Underground (B-Sensual vs No!End Remix) 2012.
Bővebben: Link A hozzászólás módosítva: Dec 30, 2012
Vicsys: Kérlek írd már le, ha nem nagy kérés, hogy hogyan szoktad csinálni a dobozaidat, pl. a DSS -ét meg a kijelzőnek, hogy -mivel szokat ki vágni a nyillását. Vagy mások is segíthetnének, hogy hogy szoktátok. Köszi!
A hozzászólás módosítva: Dec 30, 2012
Szevasztok!
Sok-sok éve porosodott a szekrény tetején egy orosz akksitöltő, az autómban pedig egy lassan 5 éves akksi nehezen kezdte indítani a járgányt. Így adott volt a feladat: töltő építés. Hosszas olvasgatás, morfondírozás után döntöttem a "regeneráló töltő" névre hallgató mellett. Kicsit megspékelve egy ledsoros feszültség kijelzővel. Az eredeti nagyáramú diódákat meghagytam, sőt tirisztort is oroszt tettem bele. Igazából nem nagyon módosítottam a kapcsoláson sem. Megépítés, tesztelés, beállítás közben rajta volt kb. 4 órán keresztül az említett akku és láss csodát! Visszatéve az autóba úgy pörgette a motort, mintha nemrég állítottam volna le. JÓ! Tudom ajánlani mindenkinek!
Szerintem is nagyon jó lett!
Külön dicséret hogy az előlapon megemlékeztél a régi töltőről is
Hello!
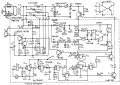
Ha nem lenne túl nagy gond megosztanád velünk a kapcsolási rajzát? Már régóta szeretnék én is építeni egy ilyen akkumulátor töltőt, csak még nem találtam megfelelő rajzot hozzá.
Tessék!
A leírást is mellékelem. A hozzászólás módosítva: Dec 30, 2012
Tetszik a munkád, szép lett! Az a trafó ami gyárilag volt a töltőben (amit használsz is tovább) tudja a 10A-t vagy csak az árammérő van addig skálázva? Van egy ugyan ilyen töltőből kinyert trafóm, de nem igazán tudom mekkora a csúcsáram amivel lehet terhelni.
Nekem ugyanilyen töltöm van, tudja a 10A-t.
|
Bejelentkezés
Hirdetés |




Ebből a legjobban a cnc lista tetszett,

Én úgy csinálnám, ha csinálnám, hogy ha csak simán tekerem az enkódert, akkor az legyen a finom beállító, ha megnyomom egyszer a gombot, akkor pedig a durva. (És megadni egy időlimitet vagy újbóli gombnyomás. Szerintem a gyakorlatban ez nagyon kellemesen használható lenne.) Plusz a visszamérő pontot is kivezetném. (Belül csak egy ellenállással lenne összekötve a mérőkörrel a kimenet. Ha ki van vezetve akkor nagyon frankón lehet akkutöltésre is használni. (Ekkor is nagyon jól jöhet a külső vezérlés. pl. Li-ionnál.














