Fórum témák
» Több friss téma |
Fórum » Propeller Clock
Szia!
A panelen kívülre feltettem az alkatrészeket és fehérrel bekötöttem őket.
Akkor szerintem ott vagy mechanikai gond (lassú fordulat, akadozás) vagy tápfesz gond van. Persze lehet érzékelő is, de nekem van egy olyan érzésem, hogy nem...
Üdv. Fórumtársak!
A "Henk Soubry" féle órához szükségem lenne az ékezetes "nagy" betűket tartalmazó CharGen fájlra és a kódtáblára. Előre is köszönöm a segítséget !
Széles tartományban állítottam a fordulatszámot és mindíg beremegett időnként. Lehet, hogy csak engem zavar ez.
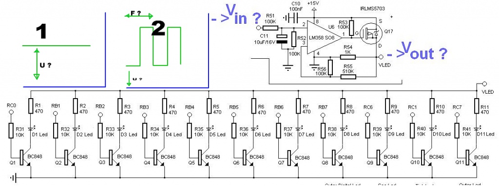
Какое напряжение или сигнал на R51 V in ?
Какое напряжение или сигнал на V out ? ===================== Mi a feszültség vagy a jel az R51 V in ? Mi a feszültség vagy jel V out ?
Hi,
R51 gots a PWM signal form pin RC2 of PIC16F886. Vout is the collector power supply voltage of the led dirver transistors driven from RC0, RB1 .. RB7, RC6, RC1, RC7 outputs.
то есть ШИМ сигнал будет и на выходе?
Просто хотел подобрать резисторы для светодиодов. Так как я использую различные по цвету светодиоды. И хотел уровнять яркость свечения светодиодов. ====================== that is, the PWM signal will be the output? I just wanted to pick up resistors for the LEDs. Since I use different color LEDs. And would equalize brightness LEDs.
Sziasztok!
Szerintetek lehetne helyettesíteni az itt található összeállításban a távirányító PIC-jét egy PIC16F88-cal?
Szia!
Igen.. De mit is jelent az az "itt"?
Inkább ezeket ajánlanám. Ne a hex -eket válaszd, hanem töltsd le a zip -et, fordítsd újra MpLab -bal 16F88 -ra. (Egy 16F627(A) vagy 16F628(A) is megfelelne erre a feladatra. A 16F88 -ban van A/D is, ami ide fölösleges.)
sziasztok.nem tudja valaki,hogy ezzel a vezérlő-vel hajtott videómotort,hogy lehetne működésre bírni?Bővebben: ba6459
A hozzászólás módosítva: Jan 6, 2013
Szia
Nekem Videófej motorral megy az órám . Én úgy kerestem meg hogyan indítható. Pozitív negatív azonosítható azt bekötöttem pozitívra forrasztottam egy 100K ellenállást és oda érintettem az ellenállás lábához a többi szálat egyenként azt hiszem hogy az RNF vagy az RPF lábára kell tenne de nem vagyok ebben biztos A hozzászólás módosítva: Jan 7, 2013
Nekem is van már egy videó mototros,azt nem volt nehéz beindítani..De ennek a vezérlőnek az adatlapja,nekem Kinai..
De próbálkozom...
KKobra,neked is ilyen vezérlő hajtja a motorod?Mert nekem,nem sikerült elindítani...
szia
jelenleg 2db motorom van egyik az Toshiba TA773GP a másik M51721SL az utóbbi kissé alacsonyabb fordulatszámmal pörög Volt amit én sem tudtam elindítani DE elmentem TV szerelő barátomhoz és kértem tőle kiöregedett videó-magnót és máris lett másik A hozzászólás módosítva: Jan 10, 2013
nincs valakinek kedve ilyesmit fejleszteni?
http://revolights.com/ az alapelv hasonló, mint az óránál... és nagyon jól néz ki...
http://www.youtube.com/watch?v=yhjIXj0K43g
http://www.youtube.com/watch?v=vuZ814DymfQ Некорректно работает этот проект. И не полностью. Видно демо режим =================== This project does not work correctly. Not entirely. One can see a demo mode A hozzászólás módosítva: Jan 15, 2013
ez jó lenne...
csak a forrás kéne és nem oroszul
Sziasztok! Igazán nehéz belőnöm hol is az igazi helye itt a HE-n, mert ez egy propeller2 óra
! Azaz propeller clock, Parallax propeller mikrovezérlővel és nyílt dokumentációval, szoftverrel.. Propeller a négyzeten
sziasztok
Van olyan aki áttervezte a nyákot ahol már a bázis rotor közötti átvitel rá van tervezve a 20 LED-es rotorra ? Vagy már nincsen aki ezzel foglalkozik ?
szia
aj-jaj Figyelmetlen voltam! Pedig biztosan olvastam és láttam is a rajzot! Köszi!! Még nem tudom az átalakítással próbálkozzam vagy építsem meg még egyszer? Az átalakítás hamarabb elérhető lenne csak macerásabb. Vagy építsem meg az SMD rotort? Az SMD rotorhoz is van már áttervezett nyák?
Szia!
DIP: Ne vacakolj annyit, összesen 10 alkatrészt kell beültetni, rátenni a már meglevő panelre. A DIP6 tokos Greatz alatt elfér 6 db (kétszer a dióda és a feszültség felező), a komparátor már benne van az áramkörben, a bemenetére kell egy 10µF SMD tantál, a kimenetére kell egy ellenállás és egy tranzisztor (1206 eletleg 0805 ellenállás, egy SMD B tantál és egy SOT23 tranzisztor nem olyan nagy). A tranzisztor kollektor ellenállása rajta van a panelen. Nálam a forgásirány jumper helyére került a tranzisztor. SMD: Az áramkör nagyjából eredetileg rá volt tervezve, de sajnos módosult egy kicsit. Nem a fix 5V feszültséghez komparál, hanem a jel átlagához. Ez összesen 2 ellenállás és egy kondenzátort jelent... SMD -be ez sem jelent problémát. Az átvitelt csak video fejmotorral teszteltem...
Szia
Videó fej motorral pörgetem a rotort. És szerintem az SMD rotort is megépítem (Még nem tudom minek nekem 3db óra) Az alap Vicsys kapcsolása szépen megy számítógép ventilátor motorral A 16f886 20/3 rotort még átalakítom ez már videó fej motorral megy ÉS van a fiókomba még egy videó fej motor. Akkor az mondod hogy, az SMD rotor nyákja jó ahogy van ?
sambody can do only test led hex code blink or samfing to do. for 16f886 clock.
Szia!
Idézet: „Akkor az mondod hogy, az SMD rotor nyákja jó ahogy van ?” Nem épen ezt írtam. Idézet: „Nem a fix 5V feszültséghez komparál, hanem a jel átlagához. Ez összesen 2 ellenállás és egy kondenzátort jelent... SMD -be ez sem jelent problémát.” lehet, hogy félreérthető volt: A panel tervén a komparátor még a fix +5V feszültséghez komparált. A bemérési tapasztalatok szerint inkább modulált jel hosszúidejű átlagához kell komparálni. Ez egy újabb dióda, és két ellenállás és egy kondenzátor beépítését igényli. Ráadásul a feltöltött terven a modulált jel közvetlenül megy a komparátorra. Erre a panelre fel kell építeni ugyan azt, amit a DIP -es panelre kell.
szia
Értem és mégsem egészen. Egyenlőre még korai ezzel foglalkoznom. Még most csak költség kalkulációt csinálok az SMD rotorról, nézegettem a HEStore választékát Milyen LED-ek vannak és elbizonytalanodtam. Magas fényű LED kell de csak fehér és zöld színben láttam! Milyen LED-et keressek típus, szín, méret? és mekkora SMD alkatrészeket? Elférnek a panelen a 1206-os vagy kisebbeket kell vennem ? Mi is ez a PCF8683 nem találtam. Van frissebb jobb panel terv az SDM rotorhoz ? Sohasem fogom tudni eléggé megköszönni a segítőkészségedet!!! A hozzászólás módosítva: Jan 23, 2013
Idézet: „Mi is ez a PCF8683, nem találtam.” Annak PCF8583-nak, egy RTC -nek kellene lennie mindenütt. Lehet, hogy valahol elírtam... A HeStore -ban is van. A hozzászólás módosítva: Jan 23, 2013
|
Bejelentkezés
Hirdetés |










