Fórum témák
» Több friss téma |
- Ez a felület kizárólag, az elektronikában kezdők kérdéseinek van fenntartva és nem elfelejtve, hogy hobbielektronika a fórumunk!
- Ami tehát azt jelenti, hogy a nagymama bevásárlását nem itt beszéljük meg, ill. ez nem üzenőfal! - Kerülendő az olyan kérdés, amit egy másik meglévő (több mint 17000 van), témában kellene kitárgyalni! - És végül büntetés terhe mellett kerülendő az MSN és egyéb szleng, a magyar helyesírás mellőzése, beleértve a mondateleji nagybetűket is!
Pl egy 12V-os relét. mondjuk ilyet relé
A hozzászólás módosítva: Jan 20, 2013
Ha beírod google-ba, hogy touch switch, akkor rengeteg kapcsolást kiad, de szerintem először rakd össze ezt, aztán ha nem tetszik, akkor válasz csak mást.
Sziasztok!
Egy olyan kérdéssel fordulnék hozzátok, hogy egy 100 ledes modult (32~34V) Bővebben: Link szeretnék működtetni egy darab 12V-os aksiról. Sokat agyaltam kókány megoldásokon, hogy (aksi _12-220 iverter _ egyenirányító_ feszszabályzó) stb. De nem jutottam értelmes megoldásra. Így hozzátok fordulnék segítségért e probléma megoldásában. Meg köszönném ha tudnátok segíteni. Üdv. Ákos A hozzászólás módosítva: Jan 20, 2013
Nem 220+etc. 12V/34V, Step Up, vagy DC/DC konverter. Ott nézz körül.
Az a baj, hogy nagyon alapfokon kezelem azt az elektronikát azért jöttem először is ebbe a fórumba, de körülnézek másikban is
![]() Egyébként meg találtam egy ilyet Bővebben: Link vagy Bővebben: Link Ez nem lenne jó? A hozzászólás módosítva: Jan 20, 2013
Ha ennyid van hozzá, szerintem a második. Árban is elfogadható, és ott írja ezt a tápot is ,ahol a pilácsot.
A hozzászólás módosítva: Jan 20, 2013
Hali!
Hogy tudom meghatározni, hogy ez a motor hány Wattos??
Sziasztok!
Egy 3,6V-os lithium akksit szeretnék feltölteni, aminek a terheletlen feszültsége 2,6V. 5V-ról tölteném, és azt szeretném megkérdezni, milyen ellenállást kellene betennem a töltőáram beállításához, és mennyi ideig kellene tölteni.A gombakku 40mAó-rás, és később szeretném folyamatosan tölteni, mert egy RTC-t táplál.A "csepptöltéshez" milyen ellenállás kellene? Köszönöm a segítséget Üdv,Csupasz A hozzászólás módosítva: Jan 21, 2013
Szerintem az az akksi mar doglott. Kuka.
Elvileg egy eddig használatlan akksi....
Ez nem tranzisztor hanem egy változtatható feszültségű stabilizátor ic.
A rajza benne van az adatlapjában: Bővebben: Link A hozzászólás módosítva: Jan 21, 2013
Üdv,
az után érdeklődnék,hogy 78HGASC,hogy a legegyszerűbb bekötni egy egyenirányító és trafó mögé,egy pótméterrel, szabályozható áramot kapjak,előre is köszönöm!
akkor amire én szerettem volna arra nem jó?
Hello!
Tekintve,hogy nem árultad el, mire használnád, honnan tudhatnánk? De ez egy szabályozható 5A-es stabilizátor IC. Áramgenerátornak ugyan úgy lehetne használni mint az LM317-et, csak nem célszerű. Mert ha jól tudom a minimális kimeneti feszültsége 5V. Ha ezzel áramgenerátort képeznél, a beállító ellenálláson 5V esne. ehhez hozzáadva az IC minimális ki-bement feszültségét különbségét, már 7,5V lenne. 5A esetén ez kapásból 37,5W hőt termelne az ellenállással együtt, és még "nem is táplált semmit áramgenerátorosan".. De félek, hogy Te közvetlen a trafóra kötnéd az IC-t. Mert előbb egyenirányítani és szűrni kellene. De azt sem árultad el, mekkora áramra használtad volna, és mekkora beállítható áramtartományra gondoltál.. Felénk a mondatok nagy betűvel kezdődnek, és kétszer nem tesszük fel ugyan azt a kérdést.. üdv! proli007
Az adatlapját tanulmányozd figyelmesen, és mindent tudni fogsz. Alkalmas lehet neked, de a trafó után kell egyenirányító híd, és puffer kondenzátor, az eszköz elé.
'proli 007' kolléga megelőzött. A hozzászólás módosítva: Jan 21, 2013
Szia,
Az adatlap 4. oldalán látható a bekötés. R1 és R2 helyére tehetsz potmétert is és akkor változtatni tudod a kimenő feszültséget.
Üdv!
Szükségem lenne egy olyan kapcsolásra, ami ha megkapja a tápfeszt (12V), akkor egy relét kapcsol egyszer ki és aztán be, utána semmit. Tehát egy ki be kapcsolást kéne végrehajtania. Ötleteket szeretnék kérni a megvalósításához, mert egyenlőre nem tudom, hogy lehetne elérni ezt a hatást (csak PIC jutott eszembe, de azt túlzásnak tartom egy ilyen egyszerű áramkörhöz)
A '87-es RT évkönyv 165-ik oldalától bő leírást lehet találni ehhez a stabilizátorhoz.
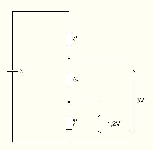
Az alábbi fesz osztó számítási képletének meghatározásában lenne segítségre szükségem.
Az 50K az fix. Az lenne a fő kérdésem, hogy vehetem-e 3V esetén az alsó tagok soros eredőjét, illetve 1V esetén a felső tagok soros eredőjét alapul? Vagy erre más osztó képlet érvényesül, mint a terheletlen fesz osztó képlet? A hozzászólás módosítva: Jan 21, 2013
Szia! Mint a törvény kimondja: "zárt áramhurkon végigjárva a feszültségesések összege egyenlő a kapocsfeszültséggel".
Ismered az R2-őn folyó áramot (3V-1,2V)/50k. Ezen áram folyik R1-en és R3-on is. A rajtuk eső feszültség és az imént kiszámolt áramerősség hányadosa adja meg az értéküket.
Köszönöm a segítséget!
Feszültség esésnek melyik értéket vegyem? Amit mérni akarok az osztón, vagy az osztott fesz és a kapocs fesz hányadosa? Ez még kissé zavaros nekem.
Akkor egyszerűbben: Az R1-en 2V esik (5-3). Az R2-őt az előbb számoltuk 1,8V (3-1,2). Az R3-on pedig adott az 1,2V. Ellenőrzésképp összegezve valóban kijön az 5V.
Az áram számítását leírtam: az R2-őn eső feszültséget osztjuk az R2 ellenállásával (1,8V/50k). Kapunk 0,036mA-t. Ennyi folyik az áramkör minden pontján. Ezzel az árammal elosztva az R1 feszültségesését (2/0,036) egy 56k-hoz közeli értéket kapunk. R3 esetén (1,2/0,036) az eredmény 33k-ra kerekíthető.
Hello!
Napi hülye kérdés. Mikrokontroller és LCD kijelző közé kéne nekem 5V-ról 3,3V-ra szintillesztő. A CD4050 elég drága, el nem hiszem, hogy nincs olcsóbb megoldás. Milyeg IC-t érdemes használni? Olvastam olyat, hogy a uC kimeneteit felrántani ellenállással a 3,3V-ra, az elég. Létezhet ez? A hozzászólás módosítva: Jan 21, 2013
Mikor legutóbb inen rendeltem, elég durva volt a szállítás... De most jobban megnézve ebayen, ott is olcsó... Amikor először néztem, akkor gondolom rosszul kerestem, és csak 4050-et írtam be... :S
![]() Köszi, béna vagyok! A hozzászólás módosítva: Jan 21, 2013
Én inkább a 74HC05 -öt ajánlanék, annak nyitott drainos a kimenete, arra tehetsz felhúzó ellenállást 3,3 V -ra, de jobb lenne, legalábbis korrekt módon valamilyen transzlátor IC -t
Hello!
Kicsit megmagyarázhatnád? Mert így elég érthetetlen.. Ha nincs tápfesz, akkor miből húz a relé, amit ki kellene kapcsolni? Valamint nem mindegy milyen fogyasztású relét, és mennyi időre kapcsoljon ki. Valamint 12V-ra azonnal kapcsoljon? üdv! proli007
Sziasztok! Astabil multivibrátorral el lehet érni 500hz frekvenciát? Ha igen akkor milyen értékekkel?
Annyi a lényege az egésznek, hogy egy olyan áramkör kéne ami ha megkapja a tápfeszültséget egyszer meghúzza és elengedi a relét, az idő igazából mindegy. Úgy kell elképzelni hogy ha az áramkörre feszültség érkezik, akkor mint ha egy visszajelző lámpát egyszer felvillantana, csak a lámpa helyett egy 12V-os relé lesz, konkrétan még nincs meg a relé. Nem nekem lesz, de ha jók az információim akkor egy motorra lesz a gyújtás kapcsoló után kötve, és ezért kell ha ráadja a gyújtást, akkor feszültséget kap, és ekkor kell a relének egyet ki és be kapcsolnia (hogy ez miért jó azt nem tudom).
|
Bejelentkezés
Hirdetés |






'proli 007' kolléga megelőzött. 





