Fórum témák
» Több friss téma |
Ha szkóp-képet teszel fel, legyen látható a kezelőszervek beállítása, vagy add meg a beállításokat!
stab kockák vannak a tápban, a fűtés és a +,-100voltok nyersek, annak számít. Tedd meg. Persze nem ez a megoldás, de korrekt alap a finomhangoláshoz. Ez egy csöppet sem olyan egyszerű mint egy hideg tranyó.
A hozzászólás módosítva: Jan 26, 2013
Oké át teszem 240v állásba az negyed óra és beszámolok,szét kell kapni a tápot hozzá
Át tettem de nem változott,annyit megfigyeltem az előirt feszeken ha csak addig tekerem a potit,
-60+40v között akkor a csik nem ér végig, mint eddig,+60v nál ér el a falig
az a cső +táp van benne ami eredetileg is volt? Itt minden mindennel összefügg, uh. a tápon kívül minden változtatás kihat az egészre.
Én gondolom 3 db tápom van, 3 csővel mind ugyan az dettó mindene.
Jesszum pepi!
Lehet hogy beszállnék egy garnitúrára, ha megválsz tőle! A lényegre: azt tedd vissza ami eredetileg is benne volt. ahhoz van a készülék bemérve!
Minden az van benne ami benne volt.Az egyik táp panel -törött,a másik tökéletesen megy kipróbáltam már.A hátulján van egy potméter TRACE ROTATION az mire van?
Kivülröl lehet állitani a doboz hátulján A hozzászólás módosítva: Jan 26, 2013
Ha ferde az idővonal, akkor azzal kivízszintezheted. Ferde idővonal.
A hozzászólás módosítva: Jan 26, 2013
sugár forgatás. Ha nem vizszintes a sugár ezzel lehet a raszterhez igazítani
Most még annyi ami hiányzik hogy a PROBE nem müködik nem ad semmi jelet csak néha villog a csik rendszertelenül,de nem mindig
Az baj, az adja a kalibráló jelet hogy kényelmesen lehessen állítgatni a pókot, meg a mérőfejet. Különben rendesen triggerel? Megáll a jel, ha mondjuk brummot viszel be a kezed által?
Hát ha hozzá érek a mérőfejhez jönnek mennek a hullámok,TIME DIV 5 ös állásban,és inkább jelentősen lassítja
darab drótot az A bemenetbe, Trig:A aztán V/div 1V/div Time 20mSec/div fogd a drót végét, kisujjaddat a BNC csatlakozó külső palástjához éritnve egy torz de épp jó 50 Hzes szinuszfélét kell látnod, és a level potival meg is állítanod. Ugyanezt a B bemenetről is.
A hozzászólás módosítva: Jan 26, 2013
Türelem kell hozzá de áll a jelalak,megállitja,mind két csatornát rendesen
A hozzászólás módosítva: Jan 26, 2013
Megvolt, kösz ! Egy mérőzsinórral (van?) tapints a jelzett pontokra, ott a kalibrálójel. Ha nincs, egy darab szigetelt vezeték, egyik vége az egyik bemeneti (A, B) BNC lyukába, másik végével a pontokra. Egyébként először kicsit csiszold meg a probe kontaktust, lehet hogy oxidos. Ha utána van rajta négyszögjel tovább nem kell tapizni belül.
A hozzászólás módosítva: Jan 26, 2013
Egészségedre, merőzsinórom vagy 30db megnézem pill.
Time/div 100mS V/div. 1v
A hozzászólás módosítva: Jan 26, 2013
mérni: +5V 7805 nél is meg az ic knél is. 4,7 sovány. Van két sugár? ADD állás asszem.
A hozzászólás módosítva: Jan 26, 2013
A tápnál? ott +4.7v van
A hozzászólás módosítva: Jan 26, 2013
Van 2 sugár 4.9v + van a táplejövetelnél,az ic ken 3.5v átlag 3.3-3.7v amit mértem
A két sugár A&B A hozzászólás módosítva: Jan 26, 2013
és nem tudsz négyszögjelet detektálni? S2 kapcsoló mS állásban legyen bemenet AC állásban és legjobb ha egy darab dróttal csinálod, a mérőzsinór + hibalehetőség
A hozzászólás módosítva: Jan 26, 2013
Nem sajna 10db mérőzsinórral próbáltam/mind jó/+ sima vezetékkel de nem akarja az igazat.Csak us állásban görbül meg a bal oldala a vonalnak.
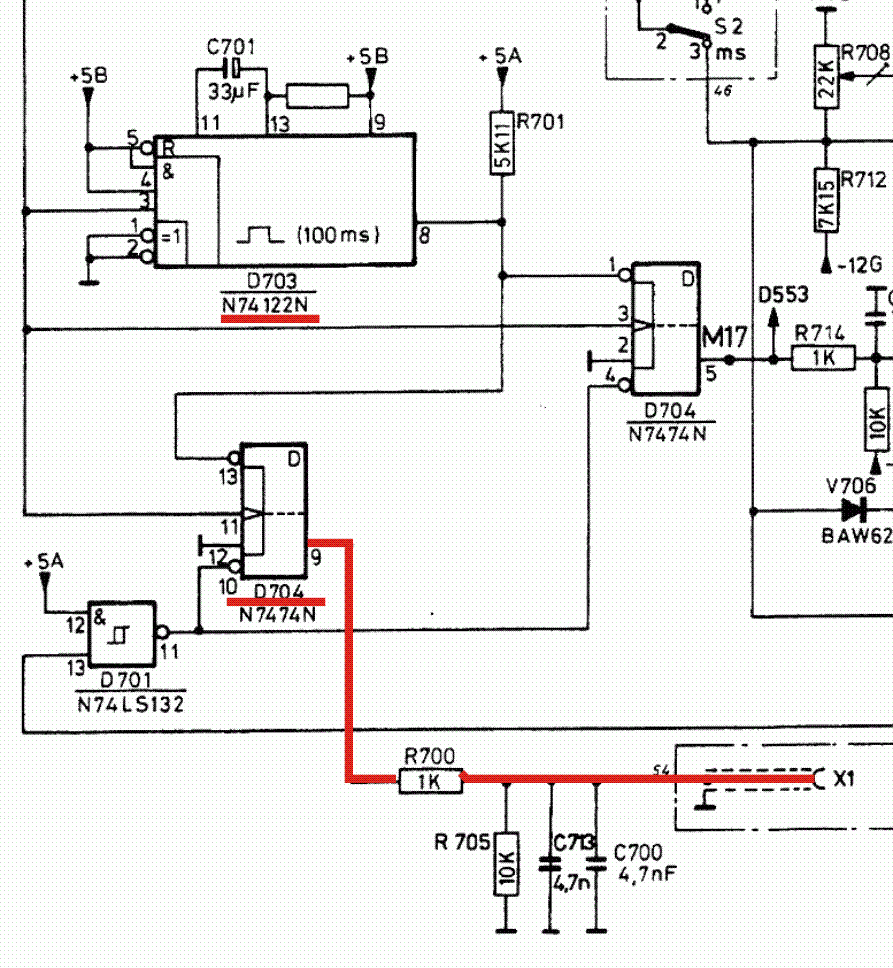
100 mseces négyszögjelet generál a 703as SN74122monostabil multivibrátor (szép neve van mi?) annak a 8sz. lábáról vehető le a jel, ami továbbmegy a 704es számú SN7474es élvezérelt tároló 13as lábára majd onnan a 9sz. lábon egy 1kohmos ellenálláson keresztül a Probe csatlakozóra jut. Ezen a vonalon lennie kell négyszögjelnek. Miután mseces jelről van szó inkább abba az állásba kapcsolj, mondjuk 50 vagy 20msec/div-re
A hozzászólás módosítva: Jan 26, 2013
Hát én most újból megpróbáltam,semmi, lehet maga az ic nem jó,de ezt nem tudom
|
Bejelentkezés
Hirdetés |








