Fórum témák
» Több friss téma |
Fórum » Labortápegység készítése
Itt találod: http://en.wikipedia.org/wiki/Tantalum_capacitor
Ahova tantál kondi kell, oda az kell! Nem lehet (szabad) helyettesíteni mással!
Sziasztok!
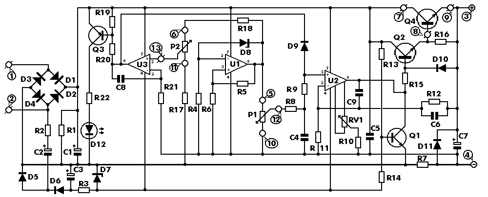
Alkotó féle közölt labortápnak(LM324/2.7.4) a kapcsolási rajza nincs meg valakinek véletlenül EAGLE-ben? Kapcsolási rajz elegendő lenne számomra. Köszönöm előre is!
Hello!
Alkotó nem véletlenül nem ad ki tervezői file-t. Majd megrajzolod ha szeretnéd hogy legyen.. ![]() üdv! proli007
Értem! Köszönöm azért!
Gondoltam megkérdem hátha nem kell, csak a paneltervvel bíbelődni. Egyébként lehet, hogy hülyeséget kérdezek vagy már volt de a labortápnak nem lehetne valamilyen kapcsolóüzemű tápforrással biztosítani a szükséges fesz/áramot? Nézegettem a toroidokat és amit jónak gondoltam az olyan 5-6eFt volt. Esetleg Te, vagy más nem tudtok valami jó beszerzési forrást/helyet rá?
Hello!
- Ha ilyeneket kérdezel, akkor előtte mindig nézd meg a kapcsolás tápfesz igényeit is. Az után válassz más megoldást. - Én biztos nem tudok, mert itt ülök az ország közepén, és egyben a világ végén. Valamint fizikailag nem csinálok semmit.. ![]() üdv! proli007
Lehet hogy fizikailag nem csinálsz semmit, de az a segítség, amit nekünk nyújtasz, pótolhatatlan.Köszönjük!
Sziasztok!
Nálam is esedékessé vált egy jó minőségű labortáp megépítése. Némi keresgélés után találtam rá Pioneer, proli007 és Alkotó által kidolgozott "Labortápegység 0-30V/0-3A (2.7.4 verzió)"-ra. Mivel nekem rendelkezésemre állt egy bontásból korábban beszerzett kb. 1,5kW-os hypersil trafó, megfelelő szekunderekkel, ezért kissé átméreteztem a kapcsolást. A max. feszültség így 2x50V és az áramhatár 2x10A lett. A teljesítmény fokozatba 2SC2922 tranzisztorokat rendeltem az ebay-en Hong-kong-ból, csatornánként 5-5 db-t párhuzamosítva. A hűtőbordákat 12V-os ventilátor hűti és egy-egy hőmérséklet érzékelő vigyázza őket túlmelegedés ellen. A hőfok érzékelő LM35 IC ami egy tranzisztor BE nyitófeszültségét célozza meg 70C környékén. A tranzisztor egy soros LED-en keresztül meghúz egy REED relét aminek az érintkezőit párhuzamosan kötöttem a DC-ON kapcsolókkal. Igy 70 fokon lekapcsolja a kimenetet, egyben a LED már kissé korábban figyelmeztet a várható lekapcsolásra. Mivel a trafón volt még néhány szekunder, adta magát, hogy az egészet kiegészítsem néhány szokásosan használatos fix feszültséggel. Így rendelkezésemre áll +5, 12, 15 V és -5, 12, 15V is 1A-es terhelhetőségekkel. Hála az elődök által kifejlesztett kapcsolásnak az elkészült táp minden várakozást felülmúlt. Csak ajánlani tudom mindenkinek, aki profi tápot szeretne építeni. A felélesztéssel nem volt semmi gond. Rákapcsoltam a feszt és már ment is. A táp egy korábban kukázott egykori műszerdobozba lett beépítve, panelműszerekkel kiegészítve. A táp ilyen lett: Még annyit a tápról, hogy a fotón is látszik a bal oldali egységen a 10A-es terhelés rövidzárban, miközben a kimenő feszültséget közel 0V-ra szabályozza az elektronika. Ilyenkor a hűtőbordát kb. 600W teljesítmény fűti. Ezért is kellett 70C-ban korlátozni a hűtőborda hőmérsékletét, mivel a tranzisztorokon fellépő hőmérséklet lépcső ilyenkor kb. +40-50C. A működési hőmérséklet határ pedig 150C. Így még marad mintegy 30 fok tartalék a KO-ig.
Szia!
Akinek ilyen nagy teljesítményű disszipatív tápja van, az végezzen már el legyen szíves egy egyszerű mérést! Zárja rövidre a tápot a maximális árammal és mérje az időt hogy mikor kapcsol le a hővédelem. Kíváncsi lennék rá meddig bírják ezek a tranzisztorok meg hűtőbordák a gyakorlatban. (Én nem tudom ezt kipróbálni mert nincs disszipatív labortápom.) A hozzászólás módosítva: Feb 8, 2013
Szia Attila86 !
A "ki mit épített" rovatban már válaszoltam a kérdésedre. Lehet, hogy elkerülte a figyelmed, ezért bekopiztam: Bővebben: Link * *Én pedig kivettem a "kopit" és visszalinkeltem. A hozzászólás módosítva: Feb 8, 2013
Egyébként felmerülhet a kérdés, miért épít valaki ekkora teljesítmény mellett disszipatív tápot?
Én is a Skori féle kapcsoló üzemű táp megépítésével kezdtem, ami gyakorlatilag ugyanezeket a paramétereket tudta a kimenetén, közel "nulla" disszipációval. Viszont a kimeneti zajt nem sikerült általam elvárt szintre csökkenteni. Ez lehet, hogy nem Skori hibája hanem az enyém, de az eredményen ez nem változtatott. Így döntöttem a disszipatív üzem mellett, Skori áramkörét pedig eltettem későbbi, egyéb felhasználásra. Idézet: „Viszont a kimeneti zajt nem sikerült általam elvárt szintre csökkenteni.” Ez egy sima Skori-féle kapcsolóüzemű táp, kimenetén low ESR kondival, esetleg megtoldva egy LC-szűrővel, vagy volt még pluszban áteresztő fokozat is? Az előbbi esetében nem csodálkoznék a relatíve nagy kimeneti zajon, az utóbbi esetében viszont igen, tehát adódik a kérdés: melyik verzió volt, és mennyi is volt az a túl nagy kimeneti zaj?
Low ESR kondi és LC szűrő után is kb. 500mV-os tűk maradtak a DC-én. ÉN úgy ítéltem meg, hogy egyes gyors TTL vagy CMOS áramkörök ennek nem örülnének. Igaz, pudingpróbára nem került sor csak gyors döntésre.
Sajnos muszáj off-olnom, de ebben olyannyira egyetértek, hogy azt ki se lehet fejezni.
A hozzászólás módosítva: Feb 8, 2013
Hello! megépítettem egy szabályozható tápforrást, 0-30 V-ig és 0-3 A-ig KD 503-as tranziszotrral. Az vele az egyetlen problémám, hogy ha rákötöm a trafót a bemenetre, a kimeneten max. 0,56 V-ot mérek, és az 2-es számú IC melegszik. Az lenne a kérdésem, hogy mi okozhatja ezt? Átnéztem az egész bekötést, sehol nem találtam benne hibát. A feszültséget hiába próbálom szabályozni a potméterrel, nem megy. Jól jönne egy kis segítség, előre is köszönöm.
Hello!
Egy IC legfőképpen attól tud melegedni, ha fodítva van bedugva, vagy a kimenete terhelt. Ellenőrizd a beültetést, és ha az jó, vedd ki a Q1 tranzisztort. - Ellenőrizd, hogy ez után működik-e a táp. Majd mérd meg a bázis-emitter feszültséget a kiemelt Q1 helyén. A feszültségnek +0,6V alatt kell lenni, de inkább 0..-1V (mínusz egy) legyen, mint több. - Ellenőrizd, a -5V meglétét. - Ha magasabb, mint 0V, akkor növeld az R13 értékét. Ha jó a feszültség, ellenőrizd hogy a tranyó kollektor-emittere nem zárlatos-e. üdv! proli007 A hozzászólás módosítva: Feb 8, 2013
Hi Mesterek!
Ezt a kapcsolást szeretném megépíteni, olyan kérdésem lenne evvel kapcsolatba, hogy Én szimmetrikus tápot akarok csinálni. És költség hatékonyság miatt a +/-15v részt rárakhatom mind két kapcsolásra, vagy minden egyes "tápnak" külön kell a +/- 15V? A nagy áramú generátor az két darab lesz benne külön külön oldalaként, csak a kis teljesítményű részt szeretném használni mind a kettőn. Kihitelvezhető e ez? segítséget előre is köszönöm.
Ha ugyanezen kapcsolas jelenleg
-legfrissebb- v2_7_4 szamot viselo verziojat epited meg, akkor kerdesed rogton akademikusa valik. ![]() De, hogy kerdesedre is valaszt adjak, - szerintem - Ha a tapokat sorositani is akarod, mar pedig a Idézet: mondatod erre enged kovetkeztetni, jobb ha fuggetlen egymastol a 2 egyseged. „..szimmetrikus tápot akarok csinálni..” A hozzászólás módosítva: Feb 12, 2013
Hi, nem ez más kapcsolás.
Éppen ezért kérdem mert itt a referencia feszültség nem maga a labortáp tápjáról van "lehúzva" hanem külön meghajtással megy. Ezért gondoltam, arra hogy talán ezt a részt lehetne közösíteni mert csak referenciának használja, semmi másnak. A "nagy" tápok azok oldalaként 1-1 lesz.
Idézet: „Ezért gondoltam, arra hogy talán ezt a részt lehetne közösíteni mert csak referenciának használja, semmi másnak” Nem ! Nem csak referenciának használja, arról megy a táp szabályzó része, és galvanikus összeköttetésben van a "nagy" táppal is. Egyébként szimmetrikus tápot szeretnél, vagy két független tápot.. e kettő nem telesen ugyanaz.
Ok, köszönöm, akkor ezen nem nagyon lehet spórolni
. Két külön tápot, s ha kell össze lehessen fűzni őket.
Hello
szeretnék segítséget kérni azon ügyben hogy kéne nekem egy 0-1.2 voltig szabályozható táp kötésrajz. nem tudom mennyire lehetséges ez, alternatívákat, jótanácsokat is szívesen fogadok. Üdv.
Hello!
Milyen terhelésre? Mert az nem mindegy. Mert ha csak referenciának kell, akkor itt találsz egyet. üdv!
Köszi ez elég jó kis kapcsolásnak tűnik ezt meg lehet változtatni, hogy nekem már van 1.25v feszültségem és hogy ne kelljen külön 12v? esetleg ha a részarányával számolok akkor 100Ohmra jönnek ki az ellenállás értékek lehetséges ez?
Üdv.
Hello!
Ha van 1,25V-od, akkor már nincs dolgod, csak arra egy potit rátenni és az szabályozza a feszültséget 0..1,25V-ig. Poti értéke az 1,25V terhelhetőségétől függ, és amit rá szeretnél kötni, hogy az ne terhelje. De ha elárultad volna mihez használod, honnan az 1,25V, akkor lehet valamit mondani.. De ez azért nem egy "labortáp", vagy is itt OFF! üdv! A hozzászólás módosítva: Feb 14, 2013
Hello
ehhez szerettem volna.
Mit szerettél volna ehhez?
Amúgy érted a kérdést? Nem úgy tűnik. Azt áruld már el, hogy mihez kell neked 0-1,25V
Hello!
Erős a gyanúm, hogy neked nem egy 0..1,2V feszültség kell, hanem hogy a tápod nullától szabályozzon.. Vagy tévedek? üdv! |
Bejelentkezés
Hirdetés |









.





